1.Kendinden yağlamalı, enerjili sızdırmaz ve kayan bantlar Piston ve silindir arasında daha az sürtünme Conta uzun süre durduktan sonra bile silindire yapışması önlenir.
2.50 HRC'den büyük çelik sertliği olan yuvalar, burçlar ve soketler Aktüatör içindeki mevcut kuvvetlere daha fazla mukavemet
3.Yiv ve piston arasındaki yuvarlanma sürtünmesi Daha az sürtünme
4.Yuvarlanma sürtünmeli iskoç boyunduruğu (doğrusal hareketin bir piston ve dişlisiz mil vasıtasıyla döner harekete dönüşümü). Piston ile mil arasında daha az sürtünme, parçalarda daha az aşınma Açma ve kapama sırasında artan dönme momenti Pinyon ve kremayer aktüatörlere nazaran daha küçük boyutlarda, dolayısıyla daha az alan gerektirir Pinyon ve kremayer aktüatörlere nazaran daha az ağırlıkta (-30% Kg/Nm) ve bunun sonucunda tesisat yapımında tasarruf Kompresörde daha düşük çalışma yükü veya kompresörün küçültülen boyutlarda kullanılması olasılığıyla pinyon ve kremayer aktüatörlere nazaran daha az hava tüketimi (% -40 hava cm3/Nm çift etkili ve %-20 hava cm3/Nm tek etkili)
5.Haddelenmiş silindir Düşük yüzey pürüzlülüğü sayesinde enerjili bantlarda daha az aşınma
DAN15 ile entegre NAMUR solenoit vana arayüzü İlave taban plakası gerektirmez
Üretim süreci tümüyle OMAL’de gerçekleşmektedir Tüm işlem aşamalarında maksimum kontrol
ATEXSertifikası Potansiyel olarak patlayıcı ortamlarda montaja olanak sağlar
SIL 3'e kadar sertifikalı Yüksek düzeyde işlevsel güvenlik garantisi
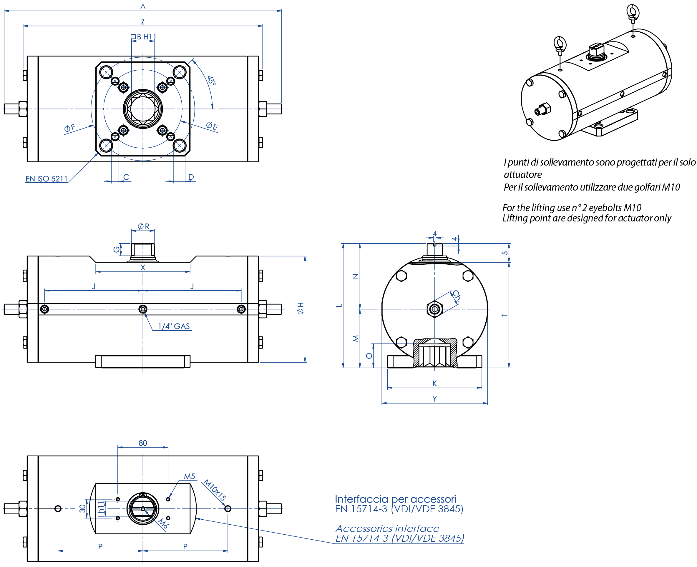
TEKNİK BİLGİLER 720 Nm ile 1920 Nm arasında moment. Bağlantı flanşı: EN ISO 5211 F10 - F12 - F14 - F16. EN 15714-3 ile uyumludur. Dönme açısı: 92° (-1°, +91°) Dönme momenti: Besleme basıncı ile doğrudan orantılı; DA pnömatik aktüatörler tablosuna bakınız. Her aktüatörde DA kısaltmasını takip eden simge 5.6 bar basınçta Nm cinsinden başlangıç torkunun değerine karşılık gelir. Epoksi boyalı aktüatörler 2014/34/UE direktifi ile uyumlu ATEX versiyonu ATEX versiyonu için kodun sonuna YX ekleyin.
ÇALIŞMA KOŞULLARI Sıcaklık: -20°C ile +80°C arası. Nominal basınç: 5,6 bar; Maksimum çalışma 8.4 bar. Besleme sıvısı: kuru olarak filtrelenmiş basınçlı yağlı ya da yağlı olmayan hava. Yağlama durumunda, deterjan içermeyen veya NBR uyumlu yağ kullanınız.
TEKNİK BİLGİ FORMU
Kod
DAC0720416S
DAC0960416S
DAC1440424S
DAC1440416S
DAC1920416S
Yedek contalar
KGXI0023
KGXI0024
KGXI0025
KGXI0025
KGXI0026
Ölçü
DAC0720 F10/F12
DAC0960 F12/F16
DAC1440 F12
DAC1440 F14
DAC1920 F12/F16
A
401,5
441
524,8
524,8
562
B
27
36
36
36
46
C x derinlik
M10x11,5
M12x20
M12x18
M16x18
M12x23
D x derinlik
M12x11,5
M20x20
-
-
M20x23
ØE
102
125
125
140
125
ØF
125
165
-
-
165
G
19,5
19,5
19,5
19,5
18,5
ØH
156
169
188
188
211
I
22
24
27
27
32
J
138,5
156,3
179,5
179,5
192
K
115
150
130
130
150
L
178
198
216
216
237,7
M
78,5
93,5
101,5
101,5
114,7
N
99,5
104,5
114,5
114,5
123
O
29,5
38,5
38,5
38,5
48,5
P
116
135
160
160
160
ØR
31,8
36,5
41
41
46
S
30
30
30
30
30
T
148
168
186
186
207,7
X
150
150
150
150
150
Y
155
168
187
187
209
Z
345,8
381
433,8
433,8
469
Ch
24
24
30
30
30
Ağırlık (Kg)
30
40
50,5
50,5
73
Hava (dm3/devir) (l/cycle)
3,50
4,9
7,60
7,60
10,2
TEK VE ÇİFT ETKİLİ PNÖMATİK AKTÜATÖR BİLEŞENLERİ A105 ÇUBUK
TEK VE ÇİFT ETKİLİ PNÖMATİK AKTÜATÖR BİLEŞENLERİ A105 ÇUBUK