images/testate/Jf7bVR_Template-Header-Sito-OMAL2560x768-AGO-ok.jpg

AGO CF8M - SR单气动CF8M铸造执行器

  • 优点
  • 特性
  • 特性
  • 物料
  • 规格
  • 附件
  • 文档

1.自润滑的密封滑动轴承
降低活塞与缸筒之间的摩擦力;
即便长期停用,亦可避免密封件与缸筒发生粘连。

2.缸筒、套管和传动轴的硬度超过50 HRC

更强的执行器内部抗力

3.缸筒和活塞之间的滚动摩擦

更小的摩擦力

4.滚动摩擦的十字滑块(通过活塞和无传动装置的轴,将线性运动转换为旋转运动)。

活塞和传动轴之间的摩擦力更小,从而减少零部件磨损
打开和关闭时有着更强的起动扭矩
相较于齿轮和齿条式执行器,其尺寸更小,安装空间需求更低
相较于齿轮和齿条式执行器,其重量更小(-30% Kg/Nm),建造基础设施时可降低成本
相较于齿轮和齿条式执行器,其耗气量更低,(双效:-40% 空气 cm³/Nm;单效:-20% 空气 cm³/Nm),能够有效降低压缩机的工作负荷,或直接使用小尺寸压缩机。

5.滑动缸筒

得益于较低的表面粗糙度,可以降低轴承的磨耗

6. Stainless Steel shaft
Higher corrosion resistance

自DAN15型号起接埠NAMUR电磁阀的接口

无需安装额外基座

在OMAL自有设施内完成全部生产流程

对加工各个阶段的最佳管控

ATEX认证
可安装于潜在易爆的环境内

最高达SIL3等级的认证
更高的运行安全等级

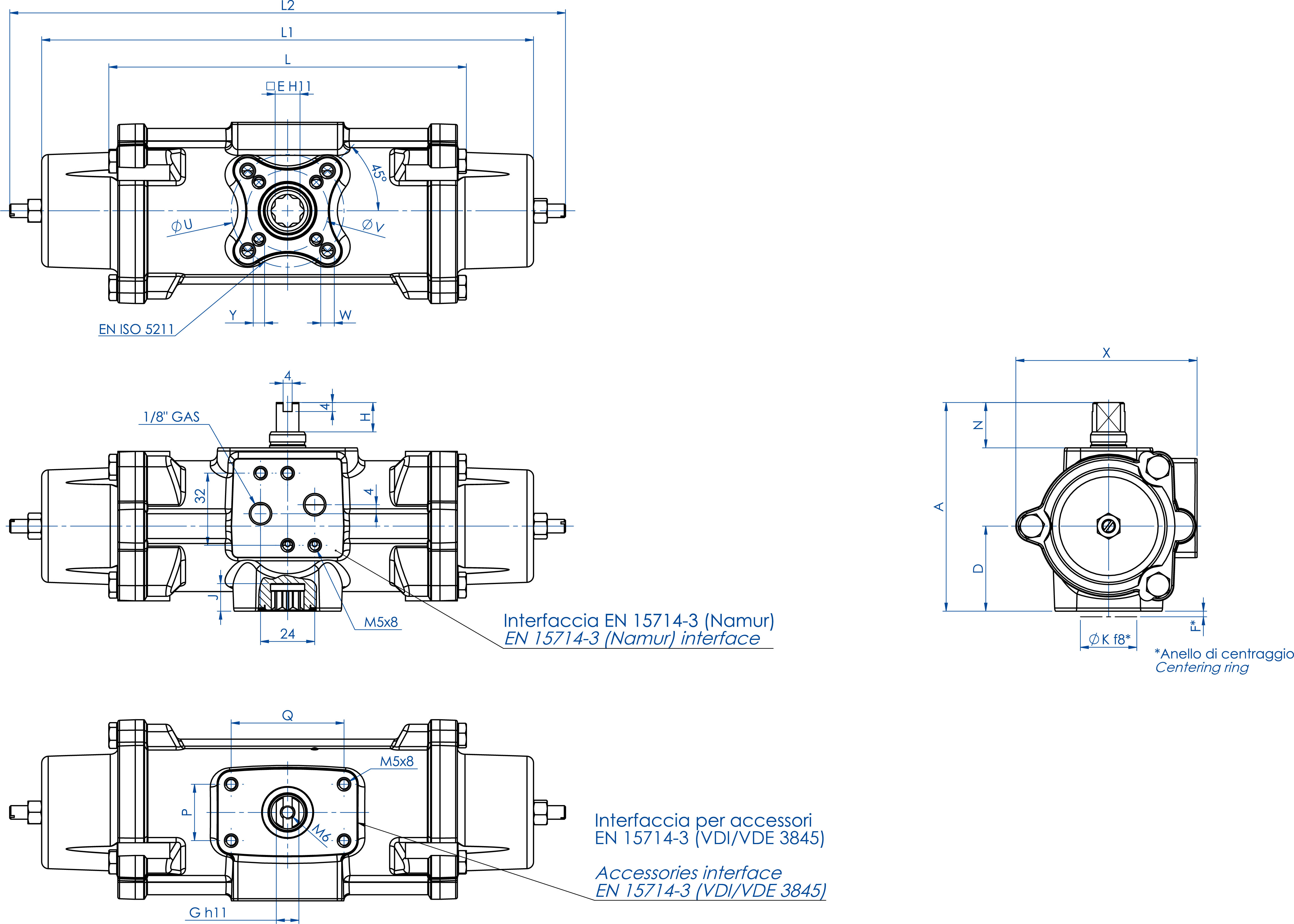
技术参数
扭矩介于15Nm~240Nm之间。
法兰接口标准:ISO 5211;F03 - F05 - F07 - F10
符合15714-3标准
旋转角度:92°(-1°,+91°)
起动扭矩:返回时的起动扭矩仅取决于弹簧的运动,与供应压力无关。弹簧调教共有4种不同类型;具体请参见SR气动执行器SR表格。
弹簧顺时针旋转时,实现自动关闭。对于任意一台执行器,SR后的数字即对应于压力为5.6bar时的起动扭矩(Nm)。
自SR30尺寸起,可以直接将NAMUR电磁阀安装在执行器上。
SR15型号强制配备NAMUR接口
ATEX认证型号符合欧盟《2014/34/UE》ATEX防爆条例。*ATEX型号的代码末尾处添加“YX”

运行条件

温度:-20℃~+80℃
额定压力:5.6bar;最高作业压力:8.4bar。
流体源:无需润滑且经过滤的压缩空气。
需要润滑时,请使用与NBR材质相兼容的油料。

SR 15

SR 30 ÷ SR 240

技术参数表     

代码
SR015516S
SR030516S
SR060516S
SR120516S
SR240516S

密封备件
KGXI0114
KGXI0116
KGXI0118
KGXI0120
KGXI0122

尺寸
SR 15 F03
SR 30 F03-F05
SR 60 F05-F07
SR 120 F05-F07
SR 240 F07-F10

L mm.
134,6
158,4
192,9
246,8
298,4

L1 mm.
194,2
217,9
287,5
341,2
421

L2 mm.
224
246,2
316,5
376,2
463,9

A mm.
80,4
92,5
116,5
136,4
160

D mm.
32,7
37,7
46,2
56,2
68

E mm.
9
11
14
17
22

F mm.
2
2
3
3
3

Ch. G mm.
9
10
12
15
19

H mm.
10
13
13
17
19

N mm.
23
20
30
30
30

X mm.
68
80,3
94,4
117
139,7

J mm.
10,2
12,2
16,3
19,3
24,3

ØK mm.
25
25
35
35
55

Q mm.
50
50
80
80
80

P mm.
25
25
30
30
30

ØU mm.
-
50
70
70
102

ØV mm.
36
36
50
50
70

Y x prof. depth mm.
M5x9
M5x9
M6x11
M6x11
M8x13

W x prof. depth mm.
-
M6x11
M8x15
M8x13
M10x22

气体dm3/cycle
0,086
0,16
0,33
0,7
1,38

重量Kg.
1,6
2,4
4,5
7,6
12,9

CF8M精密铸造“SR”单效气动执行器的组件:SR15

材质I SR15
位置
名称·

数量

材质
1
缸筒
1
不锈钢
2*
封盖O形圈2
NBR
3
VDI/VDE 基座
1
不锈钢
4
NAMUR 基座
1
不锈钢
5
阀轴
1
不锈钢
6
螺栓
6
不锈钢
7
封盖
2
不锈钢
8
螺母
2
不锈钢
9
弹簧预紧螺栓
2
不锈钢
10
弹簧压板
2
合金钢
11
弹簧
2
合金钢
12
O形圈
2
NBR
13
螺栓
4
不锈钢
14
Seeger 弹性圈
1
不锈钢
15
垫圈
1
不锈钢
16
十字滑块
1
合金钢
17上轴支承件
1乙缩醛树脂
18下轴支承件
1乙缩醛树脂
19支承套
2乙缩醛树脂
20十字滑块塑料外杆
1合金钢
21十字滑块塑料内杆
1合金钢
22活塞
2铝合金
23*活塞支承盘
4P.T.F.E. carbo-graphite filled
24*密封环
2聚氨酯
25*活塞O形圈
2NBR
26传动轴
2合金钢
27衬套
2合金钢
28O形圈
1FKM
29O形圈
1FKM
30止推轴承
1乙缩醛树脂
31NAMUR形圈
2NBR
* 备件套装的组件

“SR”单效精密铸造CF8M不锈钢气动执行器的组件 - 尺寸:SR30-SR240

材质 SR30-SR240
位置名称数量
材质
1缸筒1不锈钢
2*封盖O形圈
2NBR
3阀轴
1不锈钢
4螺栓
6不锈钢
5封盖
2不锈钢
6弹簧预紧螺栓
2不锈钢
7螺母
2不锈钢
8弹簧压板
2合金钢
9弹簧2合金钢
10O形圈2NBR
11Seeger 弹性圈
1合金钢
12垫圈
1合金钢
13下支承衬套
1乙缩醛树脂
14上支承衬套
1乙缩醛树脂
15下轴支承件
1乙缩醛树脂
16上轴支架
1乙缩醛树脂
17十字滑块
1合金钢
18十字滑块塑料外杆
1合金钢
19十字滑块塑料内杆a1合金钢
20十字滑块塑料内杆
1FKM
21轴下O形圈
1FKM
22活塞2铝合金
23*活塞支架
4P.T.F.E. carbo-graphite filled
24*密封环
2聚氨酯
25传动轴
2合金钢
26Bussola2合金钢
27*活塞O形圈
2NBR
28止推轴承
1乙缩醛树脂
* 备件套装的组件

配备限位器的信号盒

手动解锁操纵器

NAMUR 电磁阀

电磁阀

电气定位器(内置安全装置)

气动定位器

接近式限位器

机电式限位器

气动式限位器

抗爆燃限位器II2GD ExdIIC

选择 尺寸
选择搜索参数
搜索文章
X 关闭

下一新闻

IVS - Industrial Valve Summit 2026
IVS - Industrial Valve Summit 2026
Bergamo, Italy, 19 - 21 may 2026