images/testate/Jf7bVR_Template-Header-Sito-OMAL2560x768-AGO-ok.jpg

AGO CF8M - SR İnox hassas döküm CF8M

  • avantajları
  • özellikleri
  • boyutlar
  • malzemeler
  • özellikler
  • aksesuarlar
  • belgeler

1.Kendinden yağlamalı, enerjili sızdırmaz ve kayan bantlar
Piston ve silindir arasında daha az sürtünme
Conta uzun süre durduktan sonra bile silindire yapışması önlenir.

2.50 HRC'den büyük çelik sertliği olan yuvalar, burçlar ve soketler
 
 
Aktüatör içindeki mevcut kuvvetlere daha fazla mukavemet

3.Yiv ve piston arasındaki yuvarlanma sürtünmesi

Daha az sürtünme

4.Yuvarlanma sürtünmeli iskoç boyunduruğu (doğrusal hareketin bir piston ve dişlisiz mil vasıtasıyla döner harekete dönüşümü).

Piston ile mil arasında daha az sürtünme, parçalarda daha az aşınma
Açma ve kapama sırasında artan dönme momenti
Pinyon ve kremayer aktüatörlere nazaran daha küçük boyutlarda, dolayısıyla daha az alan gerektirir
Pinyon ve kremayer aktüatörlere nazaran daha az ağırlıkta (-30% Kg/Nm) ve bunun sonucunda tesisat yapımında tasarruf
Kompresörde daha düşük çalışma yükü veya kompresörün küçültülen boyutlarda kullanılması olasılığıyla pinyon ve kremayer aktüatörlere nazaran daha az hava tüketimi (% -40 hava cm3/Nm çift etkili ve %-20 hava cm3/Nm tek etkili)

5.Haddelenmiş silindir

Düşük yüzey pürüzlülüğü sayesinde enerjili bantlarda daha az aşınma

6. Stainless Steel shaft
Higher corrosion resistance

DAN15 ile entegre NAMUR solenoit vana arayüzü

İlave taban plakası gerektirmez

Üretim süreci tümüyle OMAL’de gerçekleşmektedir

Tüm işlem aşamalarında maksimum kontrol

ATEX
Sertifikası
Potansiyel olarak patlayıcı ortamlarda montaja olanak sağlar

SIL 3'e kadar sertifikalı

Yüksek düzeyde işlevsel güvenlik garantisi

TEKNİK BİLGİLER
15 Nm ile 240 Nm arasında moment.
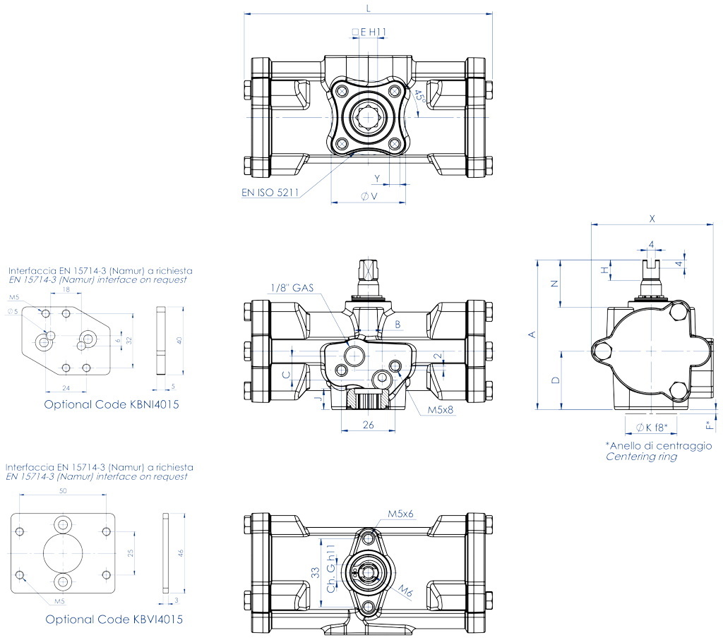
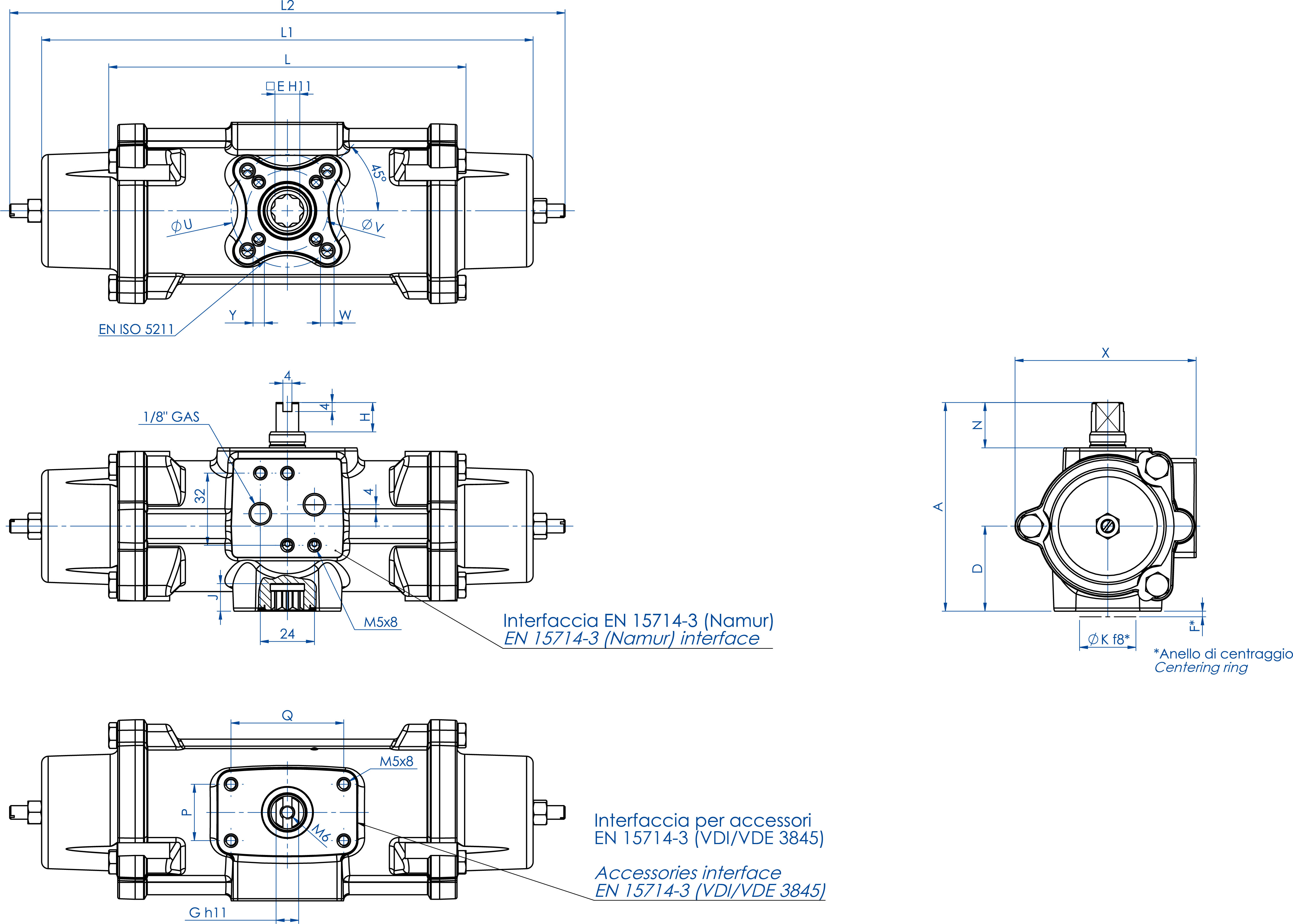
Bağlantı flanşı: ISO 5211; F03 - F05 - F07 - F10.
EN 15714-3 standardına uygun
Dönme açısı: 92° (-1°, +91°)
Dönme momenti: Dönüş momenti sadece yayın hareketine bağlıdır ve besleme basıncından bağımsızdır. 4 farklı yay ayarı vardır; SR pnömatik aktüatörler tablosuna bakınız.
Yaylar vasıtasıyla otomatik kapanma saat yönünde gerçekleşir Her aktüatörde SR kısaltmasını takip eden simge 5.6 bar basınçta Nm cinsinden başlangıç torkunun değerine karşılık gelir.
SR 30 ölçüsünden itibaren NAMUR solenoit vanaları doğrudan aktüatör üzerine monte edilebilmektedir.
SR 15 ölçüsü NAMUR arayüzü gerektirir
2014/34/UE direktifine uygun ATEX versiyonu. ATEX versiyonu için kodun sonuna YX ekleyin.

ÇALIŞMA KOŞULLARI

Sıcaklık: -20°C ile +80°C arası.
Nominal basınç: 5,6 bar; Maksimum çalışma 8.4 bar.
Besleme sıvısı: kuru olarak filtrelenmiş basınçlı yağlı ya da yağlı olmayan hava.
Yağlama durumunda, deterjan içermeyen veya NBR uyumlu yağ kullanınız.

SR 15

SR 30 ÷ SR 240

TEKNİK BİLGİ FORMU   

KodSR015516S
SR030516S
SR060516S
SR120516S
SR240516S

Yedek contalarKGXI0114
KGXI0116
KGXI0118
KGXI0120
KGXI0122

ÖlçüSR 15 F03
SR 30 F03-F05
SR 60 F05-F07
SR 120 F05-F07
SR 240 F07-F10

L mm.
134,6
158,4
192,9
246,8
298,4

L1 mm.
194,2
217,9
287,5
341,2
421

L2 mm.
224
246,2
316,5
376,2
463,9

A mm.
80,4
92,5
116,5
136,4
160

D mm.
32,7
37,7
46,2
56,2
68

E mm.
9
11
14
17
22

F mm.
2
2
3
3
3

Ch. G mm.
9
10
12
15
19

H mm.
10
13
13
17
19

N mm.
23
20
30
30
30

X mm.
68
80,3
94,4
117
139,7

J mm.
10,2
12,2
16,3
19,3
24,3

ØK mm.
25
25
35
35
55

Q mm.
50
50
80
80
80

P mm.
25
25
30
30
30

ØU mm.
-
50
70
70
102

ØV mm.
36
36
50
50
70

Y, derinlik x. depth mm.
M5x9
M5x9
M6x11
M6x11
M8x13

W derinlik. depth mm.
-
M6x11
M8x15
M8x13
M10x22

Hava (dm3/devir)
0,086
0,16
0,33
0,7
1,38

Ağırlık Kg.
1,6
2,4
4,5
7,6
12,9

"SR" CF8M MICROCAST TEK ETKİLİ PNÖMATİK AKTÜATÖR BİLEŞENLERİ: SR15

MALZEMELER SR15
Poz
Adı:Q.ty
Malzemeler
1
Silindir1
 Paslanmaz çelik
2*
Tapa o-ringi2
Nitril kauçuk
3
VDI/VDE taban plakası1
Paslanmaz çelik
4
Pano NAMUR1
Paslanmaz çelik
5
Mil1
Paslanmaz çelik
6
Vida6
Paslanmaz çelik
7
Tapa2
 Paslanmaz çelik
8
Somun2
Paslanmaz çelik
9
Yay takılı vida2
Paslanmaz çelik
10
Yay muhafazası2
Çelik alaşımı
11
Yay2
Çelik alaşımı
12
O-ring
2
Nitril kauçuk
13
Vida4
Paslanmaz çelik
14
Seeger1
Paslanmaz çelik
15
Rondela1
Paslanmaz çelik
16
Çatal1
Çelik alaşımı
17Mil üst desteği1Asetal reçine
18Mil alt desteği1Asetal reçine
19Destek ara burcu2Asetal reçine
20Dış elastik soket1Çelik alaşımı
21İç elastik soket1Çelik alaşımı
22Piston2Alüminyum alaşımı
23*Destek diski4P.T.F.E. carbo-graphite filled
24*Sızdırmaz halkası2Poliüretan
25*Piston o-ringi2Nitril kauçuk
26Pim2Çelik alaşımı
27Ara burcu2Çelik alaşımı
28O-ring
1FKM
29O-ring
1FKM
30Dış destek halkası1Asetal reçine
31NAMUR O-ringi2Nitril kauçuk
* Yedek parça kitinin detayları.

"SR" CF8M MICROCAST TEK ETKİLİ PNÖMATİK AKTÜATÖR PARÇALARI ÖLÇÜLER: SR30-SR240

MALZEMELER SR30-SR240
Poz.AdıQ.tyMalzeme
1Silindir
1Paslanmaz çelik
2*Tapa o-ringi
2Nitril kauçuk
3Mil
1Paslanmaz çelik
4Vida
6Paslanmaz çelik
5Tapa
2Paslanmaz çelik
6Yay takılı vida
2Paslanmaz çelik
7Somun
2Paslanmaz çelik
8Yay muhafazası
2Çelik alaşımı
9Yay
2Çelik alaşımı
10O-ring
2Nitril kauçuk
11Seeger
1Çelik alaşımı
12Rondela
1Çelik alaşımı
13Alt ara burcu desteği
1Asetal reçine
14Üst ara burcu desteği
1Asetal reçine
15Alt mil desteği
1Asetal reçine
16Üst mil desteği
1Asetal reçine
17Çatal
1Çelik alaşımı
18Dış elastik soket
1Çelik alaşımı
19İç elastik soket
1Çelik alaşımı
20Üst mil o-ringi
1FKM
21Alt mil o-ringi
1FKM
22Piston
2Alüminyum alaşımı
23*Piston desteği
4P.T.F.E. carbo-graphite filled
24*Sızdırmaz halkası
2Poliüretan
25Pim
2Çelik alaşımı
26Ara burcu
2Çelik alaşımı
27*Piston o-ringi
2Nitril kauçuk
28Dış destek halkası
1Asetal reçine
* Yedek parça kitinin detayları.

“SR” PNÖMATİK AKTÜATÖR ÇALIŞMA ŞEMASI

LİMİT SVİÇLİ SİNYAL KUTUSU

MANÜEL KİLİT AÇMA İŞLEMCİSİ

SOLENOİT VANA NAMUR

SOLENOİT VANA

ELEKTROPNÖMATİK KONUMLANDIRICI (İNTRENSEK EMNİYET)

PNÖMATİK KONUMLANDIRICI

YAKINLIK LİMİT ANAHTARI

ELEKTROMEKANİK LİMİT ANAHTARI

PNÖMATİK LİMİT ANAHTARI

PATLAMAYA KARŞI SINIRLAYICI LİMİT ANAHTARI II2GD ExdIIC

SEÇİN BOYUT
Arama parametrelerini seçin
MAKALE ARAYIN
X KAPAT

GELECEK ETKİNLİK

IVS - Industrial Valve Summit 2026
IVS - Industrial Valve Summit 2026
Bergamo, Italy, 19 - 21 may 2026