images/testate/Jf7bVR_Template-Header-Sito-OMAL2560x768-AGO-ok.jpg

AGO CF8M - SR inox CF8M microfundido

  • ventajas
  • características
  • dimensiones
  • materiales
  • especificaciones
  • accesorios
  • documentos

1. Bandas de sellado y deslizamiento energizadas autolubricantes
Menor fricción entre pistón y cilindro
Se evita el pegado de la junta al cilindro incluso después de largos períodos de parada

2. Ranura, casquillo y enchufes con acero con dureza mayor a 50 HRC
Mayor resistencia a las fuerzas presentes dentro del actuador

3. Fricción a la rodadura entre la ranura y el pistón
Menor fricción

4. Yugo escocés con fricción a la rodadura (transformación del movimiento lineal en movimiento rotatorio mediante pistón y eje sin engranajes)
Menor fricción entre pistón y eje con el consecuente menor desgaste de las piezas
Momento de torsión potenciado en fase de apertura y cierre
Menor espacio con respecto a los actuadores piñón y cremallera con el consecuente menor espacio necesario
Menor peso con respecto a los actuadores piñón y cremallera (-30% Kg/Nm) con los consecuentes ahorros en la realización de la estructura del sistema
Menor consumo de aire con respecto a los actuadores piñón y cremallera (-40% aire cm³/Nm doble efecto y -20% aire cm³/Nm simple efecto) con la consecuente menor carga de trabajo del compresor o posibilidad de uso de compresor con dimensiones reducidas

5. Cilindro laminado
Menor desgaste de las tiras energizadas gracias a la baja rugosidad de la superficie

6. Stainless Steel shaft
Higher corrosion resistance

Interfaz para electroválvulas NAMUR integrada por el DAN15
No requiere ninguna placa de bornes adicional

Proceso productivo totalmente realizado en OMAL
Máximo control en todas las fases de elaboración

Certificado ATEX
Permite la instalación en presencia de entornos potencialmente explosivos

Certificado hasta SIL 3
Alto nivel de seguridad funcional garantizado

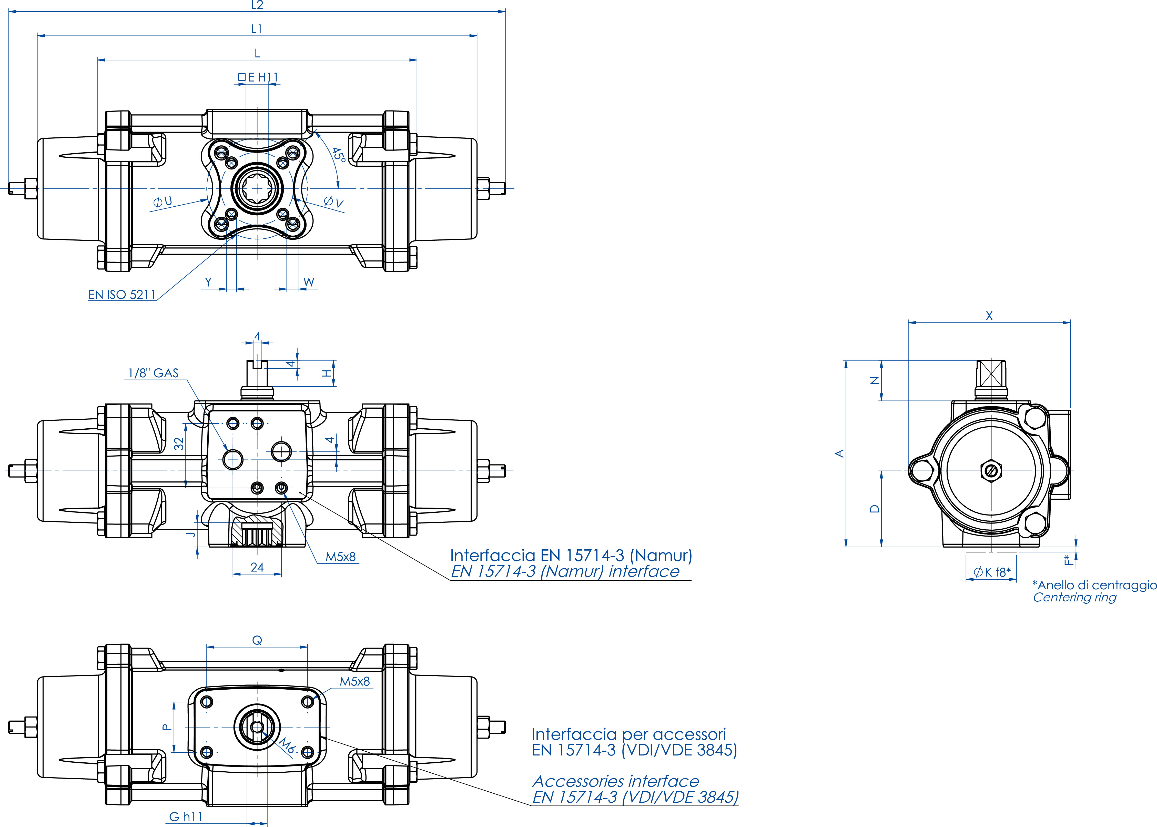
DATOS TÉCNICOS
Par desde 15 Nm a 240 Nm.
Brida de conexión: ISO 5211; F03 - F05 - F07 - F10.
Conforme a la EN 15714-3
Ángulo de rotación: 92° (-1°, +91°)
Momento de torsión: El momento de torsión de retorno depende solo de la acción del muelle y es independiente de la presión de alimentación. Están disponibles 4 diferentes calibraciones para el muelle; ver tabla actuadores neumáticos SR.
El cierre automático por medio de los muelles se realiza en sentido de las agujas del reloj. En cada actuador la cifra que sigue a la sigla SR corresponde al valor del par de aceleración en Nm. a la presión de 5,6 bar.
De la medida SR 30 es posible el montaje directo de electroválvulas NAMUR en el actuador.
La medida SR 15 necesita de la interfaz NAMUR
Versión ATEX de conformidad con la directiva 2014/34/UE. Para la versión ATEX añadir YX al final del código.

CONDICIONES DE EJERCICIO
Temperatura: desde -20°C a +80°C.
Presión nominal: 5,6 bar; máxima de ejercicio 8,4 bar.
Fluido de alimentación: aire comprimido filtrado seco no necesariamente lubricado.
En caso de lubricación usar aceite no detergente, compatible con NBR.

SR 15

SR 30 ÷ SR 240

FICHA TÉCNICA 

Código
SR015516S
SR030516S
SR060516S
SR120516S
SR240516S

Juntas de repuesto
KGXI0114
KGXI0116
KGXI0118
KGXI0120
KGXI0122

MedidaSR 15 F03
SR 30 F03-F05
SR 60 F05-F07
SR 120 F05-F07
SR 240 F07-F10

L mm.
134,6
158,4
192,9
246,8
298,4

L1 mm.
194,2
217,9
287,5
341,2
421

L2 mm.
224
246,2
316,5
376,2
463,9

A mm.
80,4
92,5
116,5
136,4
160

D mm.
32,7
37,7
46,2
56,2
68

E mm.
9
11
14
17
22

F mm.
2
2
3
3
3

Ch. G mm.
9
10
12
15
19

H mm.
10
13
13
17
19

N mm.
23
20
30
30
30

X mm.
68
80,3
94,4
117
139,7

J mm.
10,2
12,2
16,3
19,3
24,3

ØK mm.
25
25
35
35
55

Q mm.
50
50
80
80
80

P mm.
25
25
30
30
30

ØU mm.
-
50
70
70
102

ØV mm.
36
36
50
50
70

Y x prof. mm
M5x9
M5x9
M6x11
M6x11
M8x13

W x prof. mm
-
M6x11
M8x15
M8x13
M10x22

aire dm3/ciclo
0,086
0,16
0,33
0,7
1,38

peso Kg.
1,6
2,4
4,5
7,6
12,9


COMPONENTES ACTUADOR NEUMÁTICO SIMPLE EFECTO SR CF8M MICROFUNDIDO: SR15

MATERIALES SR15
Pos
Denominación
Cant.
Material
1
Cilindro
1
Acero inoxidable
2*
Tapón Junta tórica
2
Goma de nitrilo
3
VDI/VDE Placa de bornes
1
Acero inoxidable
4
Placa de bornes NAMUR
1
Acero inoxidable
5
Eje
1
Acero inoxidable
6
Tornillos
6
Acero inoxidable
7
Tapón
2
Acero inoxidable
8
Tuerca
2
Acero inoxidable  
9
Tornillo pre-carga del muelle
2
Acero inoxidable
10
Cubierta del muelle
2
Aleación de acero
11
Muelle
2
Aleación de acero
12
Junta tórica
2
Goma de nitrilo
13
Tornillos
4
Acero inoxidable
14
Anillo de retención
1
Acero inoxidable
15
Arandela
1
Acero inoxidable
16
Horquilla
1
Aleación de acero
17Soporte superior eje
1Resina acetálica
18Soporte inferior eje
1Resina acetálica
19Brújula de soporte
2Resina acetálica
20Pasador elástico externo
1Aleación de acero
21Pasador elástico interno
1Aleación de acero
22Pistón
2Aleación de aluminio
23*Disco de soporte
4P.T.F.E. carbo-graphite filled
24*Anillo de estanqueidad
2Poliuretano
25*Junta tórica del pistón
2Goma de nitrilo
26Perno
2Aleación de acero
27Brújula
2Aleación de acero
28Junta tórica
1FKM
29Junta tórica
1FKM
30Anillo de soporte externo
1Resina acetálica
31NAMUR junta tórica
2Goma de nitrilo
* Detalles del kit de repuesto

COMPONENTES ACTUADOR NEUMÁTICO SIMPLE EFECTO SR CF8M MICROFUNDIDO MEDIDAS: SR30-SR240

MATERIALES SR30-SR240
PosDenominaciónCant.Material
1Cilindro1Acero inoxidable
2*Tapón Junta tórica2Goma de nitrilo
3Eje1Acero inoxidable
4Tornillos6Acero inoxidable
5Tapón2Acero inoxidable
6Tornillo pre-carga del muelle2Acero inoxidable
7Tuerca2Acero inoxidable
8Cubierta del muelle2Aleación de acero
9Muelle2Aleación de acero
10Junta tórica2Goma de nitrilo
11Anillo de retención1Aleación de acero
12Arandela1Aleación de acero
13Soporte brújula inferior1Resina acetálica
14Soporte brújula superior1Resina acetálica
15Soporte eje inferior1Resina acetálica
16Soporte eje superior1Resina acetálica
17Horquilla1Aleación de acero
18Pasador elástico externo1Aleación de acero
19Pasador elástico interno1Aleación de acero
20Junta tórica del eje superior1FKM
21Junta tórica del eje inferior1FKM
22Pistón2Aleación de aluminio
23*Soporte pistón4P.T.F.E. carbo-graphite filled
24*Anillo de estanqueidad2Poliuretano
25Perno2Aleación de acero
26Brújula2Aleación de acero
27*Junta tórica del pistón2Goma de nitrilo
28Anillo de soporte externo1Resina acetálica
* Detalles del kit de repuesto

ESQUEMA DE FUNCIONAMIENTO ACTUADOR NEUMÁTICO "SR"

CAJA DE SEÑALIZACIÓN CON TOPE

OPERADOR MANUAL DE DESBLOQUEO

TOPES INDUCTIVOS NAMUR

TOPES INDUCTIVOS

POSICIONADOR ELECTRONEUMÁTICO (SEGURIDAD INTRÍNSECA)

POSICIONADOR NEUMÁTICO

TOPE DE PROXIMIDAD

TOPES ELECTROMECÁNICOS

TOPES NEUMÁTICOS

TOPES ANTIDEFLAGRANTES II2GD ExdIIC

SELECCIONA TALLA
Selecciona los parámetros de búsqueda
BUSCA ARTÍCULO
X CERRAR

SIGUIENTE EVENTO

IVS - Industrial Valve Summit 2026
IVS - Industrial Valve Summit 2026
Bergamo, Italy, 19 - 21 may 2026