images/testate/Jf7bVR_Template-Header-Sito-OMAL2560x768-AGO-ok.jpg

AGO CF8M - SR aus Edelstahl CF8M Mikroguss

  • vorteile
  • eigenschaften
  • abmessungen
  • werkstoffe
  • merkmale
  • zubehör
  • dokumente

1. Energieversorgte, selbstschmierende Dichtungs- und Gleitleisten
Weniger Reibung zwischen Kolben und Zylinder
Das Anhaften der Dichtung am Zylinder wird auch nach langen Standzeiten verhindert
 
2. Schlitz, Buchsen und Stifte mit härterem Stahl - Härte von über 50 HRC 
Größere Beständigkeit gegen die Kräfte innerhalb des Antriebs
 
3. Rollwiderstand zwischen Schlitz und Kolben 
Geringerer Abrieb
 
4. Kurbelschleife mit Rollwiderstand (Umwandlung der linearen in eine Drehbewegung mittels Kolben und Welle ohne Zahnräder)
Geringerer Verschleiß der Teile durch geringeren Abrieb zwischen Kolben und Welle
Verbessertes Drehmoment beim Öffnen und Schließen
Geringerer Platzbedarf im Vergleich zu Zahnstangenantrieben
Geringeres Gewicht im Vergleich zu Zahnstangenantrieben (-30% kg/Nm)  und somit Einsparungen bei Ausführung der Anlagenstruktur
Geringere Belastung des Kompressors bzw. Möglichkeit zur Nutzung eines Kompressors mit kleineren Abmessungen durch geringeren Luftverbrauch im Vergleich zu Zahnstangenantrieben (-40% Luft cm³/Nm doppeltwirkend und -20% Luft cm³/Nm einfachwirkend)
 
5. Rollenzylinder
Geringerer Verschleiß der energieversorgten Dichtungsleisten durch die geringe Rauheit der Oberfläche

6. Stainless Steel shaft
Higher corrosion resistance
 
Integrierter Anschluss für NAMUR-Magnetventile DAN15
Kein zusätzlicher Sockel erforderlich
 
Der gesamte Produktionsprozess erfolgt hausintern bei OMAL
Maximale Kontrolle in allen Verarbeitungsphasen
 
ATEX-Zertifikat
Ermöglicht die Installation in explosionsgefährdeten Umgebungen
 
Zertifikat bis SIL 3
Hohes funktionales Sicherheitsniveau garantiert

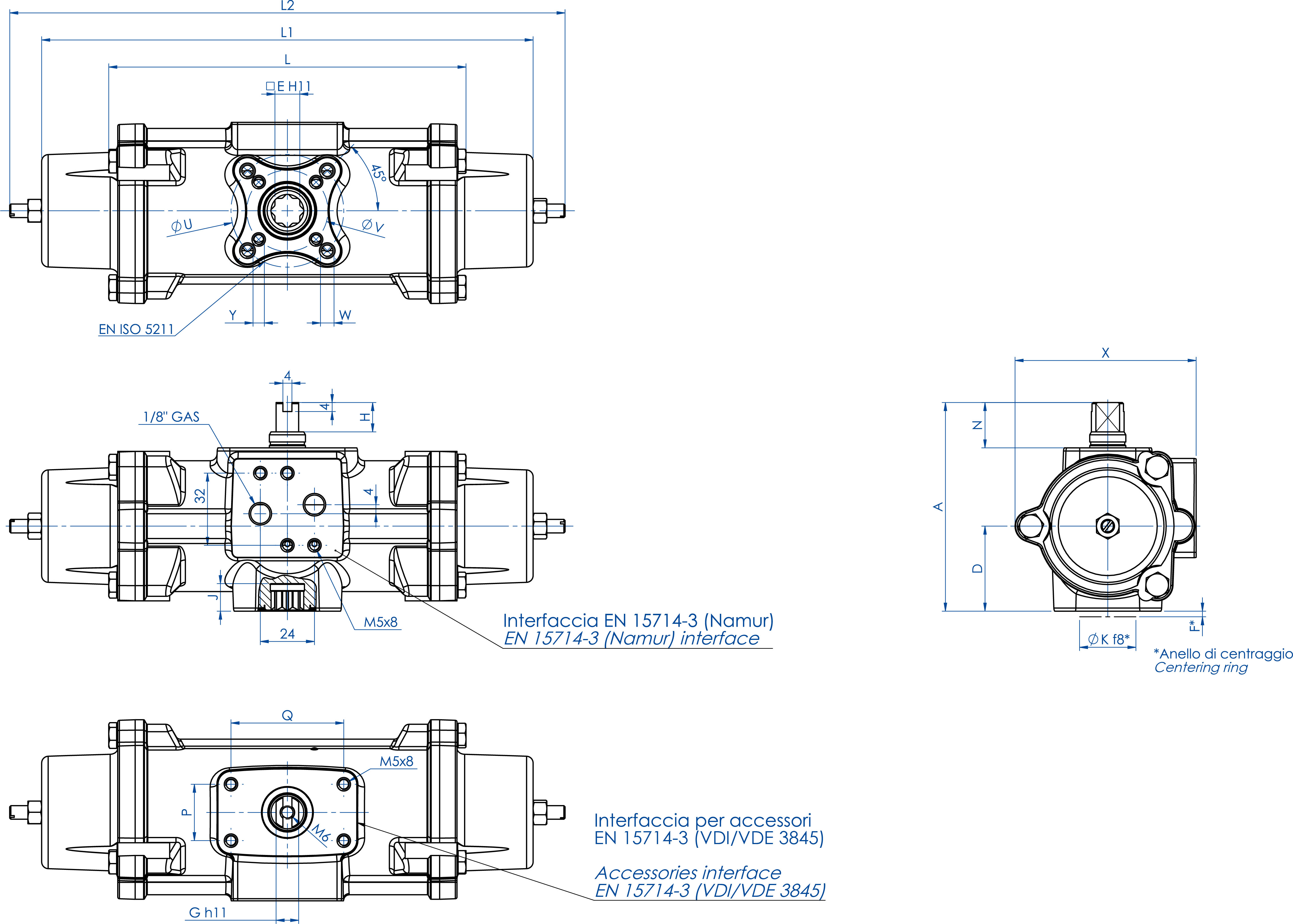
TECHNISCHE DATEN 
Drehmoment von 15 Nm bis 240 Nm.
Flanschanschluss: ISO 5211; F03 - F05 - F07 - F10.
In Einklang mit der Norm EN 15714-3
Schwenkwinkel: 92° (-1°, +91°)
Drehmoment: Das Rückstellmoment hängt nur von der Wirkung der Feder ab und ist unabhängig vom Versorgungsdruck. Es stehen 4 verschiedene Federeinstellungen zur Verfügung; siehe Tabelle pneumatische Stellantriebe SR.
Das automatische Schließen mittels Federn erfolgt im Uhrzeigersinn. Bei jedem Antrieb entspricht der Wert, der der Abkürzung SA folgt, dem Wert des Anlaufmoments in Nm, bei einem Druck von 5,6 bar.
Ab Baugröße DA 30 können NAMUR-Magnetventile direkt am Antrieb montiert werden.
Die Baugröße SR 15 bedarf einer NAMUR-Schnittstelle.
ATEX-Ausführung gemäß der EU-Richtlinie 2014/34/EU. Für die ATEX-Ausführung YX am Ende der Artikelnummer hinzufügen.

BETRIEBSBEDINGUNGEN 
Betriebstemperatur: -20°C bis +80°C.
Nenndruck: 5,6 bar; maximaler Betriebsdruck 8,4 bar.
Versorgungsmedium: Trockene, gefilterte, nicht unbedingt geschmierte Druckluft.
Verwenden Sie zum Schmieren kein reinigendes Öl, sondern solches, das mit NBR kompatibel ist.

SR 15

SR 30 ÷ SR 240

TECHNISCHES DATENBLATT  

Artikelnummerode
SR015516S
SR030516S
SR060516S
SR120516S
SR240516S

Ersatzdichtungen
KGXI0114
KGXI0116
KGXI0118
KGXI0120
KGXI0122

BaugrößeSR 15 F03
SR 30 F03-F05
SR 60 F05-F07
SR 120 F05-F07
SR 240 F07-F10

L mm.
134,6
158,4
192,9
246,8
298,4

L1 mm.
194,2
217,9
287,5
341,2
421

L2 mm.
224
246,2
316,5
376,2
463,9

A mm.
80,4
92,5
116,5
136,4
160

D mm.
32,7
37,7
46,2
56,2
68

E mm.
9
11
14
17
22

F mm.
2
2
3
3
3

Ch. G mm.
9
10
12
15
19

H mm.
10
13
13
17
19

N mm.
23
20
30
30
30

X mm.
68
80,3
94,4
117
139,7

J mm.
10,2
12,2
16,3
19,3
24,3

ØK mm.
25
25
35
35
55

Q mm.
50
50
80
80
80

P mm.
25
25
30
30
30

ØU mm.
-
50
70
70
102

ØV mm.
36
36
50
50
70

Y x Tiefe mm
M5x9
M5x9
M6x11
M6x11
M8x13

W x Tiefe mm
-
M6x11
M8x15
M8x13
M10x22

Luft dm3/Zyklus
0,086
0,16
0,33
0,7
1,38

Gewicht kg
1,6
2,4
4,5
7,6
12,9


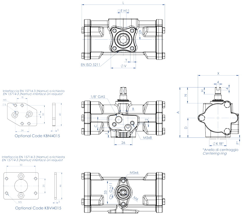
BESTANDTEILE EINFACHWIRKENDER PNEUMATISCHER ANTRIEB SR CF8M MIKROGUSS BAUGRÖSSE: SR15

WERKSTOFFE SR15
Pos
Bezeichnung
Menge
Werkstoff
1
Zylinder
1
Edelstahl
2*
O-Ring Kappe
2
Nitrilkautschuk
3
VDI/VDE-Anschlussplatte
1
Edelstahl
4
NAMUR-Anschlussplatte  
1
Edelstahl
5
Welle
1
Edelstahl
6
Schraube
6
Edelstahl
7
Kappe
2
Edelstahl
8
Mutter
2
Edelstahl
9
Federvorspannschraube
2
Edelstahl
10
Federteller  
2
Stahllegierung
11
Feder
2
Stahllegierung
12
O-Ring
2
Nitrilkautschuk
13
Schraube
4
Edelstahl
14
Seeger-Montagezange
1
Edelstahl
15
Unterlegscheibe
1
Edelstahl
16
Gabel
1
Stahllegierung
17Halterung obere Welle
1Acetalharz
18Halterung untere Welle
1Acetalharz
19Lagerbuchse
2Acetalharz
20Äußere Spannhülse
1Stahllegierung
21Innere Spannhülse
1Stahllegierung
22Kolben
2Aluminiumlegierung
23*Stützscheibe
4P.T.F.E. carbo-graphite filled
24*Dichtring
2Polyurethan
25*O-Ring Kolben
2Nitrilkautschuk
26Achse
2Stahllegierung
27Buchse
2Stahllegierung
28O-Ring
1FKM
29O-Ring
1FKM
30Äußerer Stützring
1Acetalharz
31NAMUR O-Ring
2Nitrilkautschuk
* Bestandteile des Ersatzkits

BESTANDTEILE EINFACHWIRKENDER PNEUMATISCHER ANTRIEB SR CF8M MIKROGUSS BAUGRÖSSE: SR30-SR240

WERKSTOFFE SR30-SR240
PosBezeichnung
MengeWerkstoff
1Zylinder
1Edelstahl
2*O-Ring Kappe
2Nitrilkautschuk
3Welle
1Edelstahl
4Schraube
6Edelstahl
5Kappe
2Edelstahl  
6Federvorspannschraube
2Edelstahl  
7Mutter
2Edelstahl
8Federteller
2Stahllegierung
9Feder
2Stahllegierung
10O-Ring
2Nitrilkautschuk
11Seeger-Montagezange1Stahllegierung
12Unterlegscheibe1Stahllegierung
13Halterung untere Buchse
1Acetalharz
14Halterung obere Buchse
1Acetalharz
15Halterung untere Welle
1Acetalharz
16Halterung obere Welle
1Acetalharz
17Gabel
1Stahllegierung
18Äußere Spannhülse
1Stahllegierung
19Innere Spannhülse
1Stahllegierung
20O-Ring obere Welle
1FKM
21O-Ring untere Welle
1FKM
22Kolben2Aluminiumlegierung
23*Kolbenhalterung4P.T.F.E. carbo-graphite filled
24*Dichtring
2Polyurethan
25Bolzen
2Stahllegierung
26Buchse
2Stahllegierung
27*O-Ring Kolben
2Nitrilkautschuk
28Äußerer Stützring
1Acetalharz
* Bestandteile des Ersatzkits


FUNKTIONSSCHEMA PNEUMATISCHER STELLANTRIEB „SR“

SIGNALMODUL MIT ENDSCHALTERN

MANUELLE ENTRIEGELUNG

MAGNETVENTILE NAMUR

MAGNETVENTILE

ELEKTROPNEUMATISCHER STELLUNGSREGLER (EIGENSICHERHEIT)

PNEUMATISCHER STELLUNGSREGLER

NÄHERUNGSSCHALTER

ELEKTROMECHANISCHE ENDSCHALTER

PNEUMATISCHE ENDSCHALTER

EXPLOSIONSSICHERE ENDSCHALTER II2GD ExdIIC

WÄHLE GRÖßE
Wählen Sie die Suchparameter
ARTIKEL SUCHEN
SCHLIESSEN

NÄCHSTES EVENT

IVS - Industrial Valve Summit 2026
IVS - Industrial Valve Summit 2026
Bergamo, Italy, 19 - 21 may 2026