images/testate/Template-Header-Sito-OMALBALLVALVES.jpg

Item 445不锈钢球阀

Item 445不锈钢球阀
球阀

采用扁平阀体,装配“L”形球体的3通道螺纹法兰接口不锈钢球阀 小通径.

配置 动力
申请详细信息
打印页面
  • 特性
  • 特性
  • 物料
  • 图表和起动扭矩
  • 规格

常规参数:
阀门仅作为导流器使用。由于流体源自中央通道,因此不得关闭入口通道;具体参见图表。
• 法兰接口标准:EN 1092-1 PN40至DN50;PN16 DN65,80,100.
• 使用温度:-20℃~+150℃(搭配特殊材质密封件时可达+200℃)
• 使用压力:PN40至DN50 PN16
• 截止流体:水、石油产品和石化类液体、腐蚀性液体
• 小通径

选装特殊配置:

• 密封件材质:PTFE玻璃填料,PTFE碳石墨填料;
• “T”形球体,参见运行装配图表。
• 有关其他应用领域,请联络我司的技术部门。

认证:
• 符合欧盟《2014/34/UE》ATEX防爆条例
• 可选装ATEX认证型号


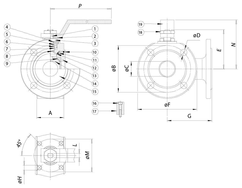
尺寸规格
尺寸
AøBøCøDEøFGøHLøMNP
DN [mm][inch]
DN 151/2"356510M12X4489085M563665140
DN 203/4"387515M12X45110090M563670140
DN 251"438520M12X462,511090M584282180
DN 321" 1/45410025M16X467130105M584285180
DN 401" 1/26611032M16X480140120M61050102230
DN 502"8312540M16X487150130M61050110230
DN 652" 1/210314550M16X4119,5175150M81470137,5350
DN 803"12216065M16X8129,5190175M81470150350
DN 1004"15318078M16X8148,5220185M1016102165508

材质
1
阀杆
 304 不锈钢
1.4401
UNI X5CrNiMo 17 12
2
螺母锁止片
 304 不锈钢
1.4301
UNI X5CrNi 18 10
3
锁止螺母
304 不锈钢
1.4301
UNI X5CrNi 18 10
4
碟型弹簧
301 不锈钢
1.4310
UNI X5CrNiMo 17 12
5
定距片
304 不锈钢
1.4301
UNI X5CrNi 18 10
6*
密封顶环
304 不锈钢
1.4301
UNI X5CrNi 18 10
7*
上密封件
P.T.F.E.


8*
中部O形密封圈
FKM


9*
侧密封件
P.T.F.E.


10*
环形螺母O形密封圈
FKM


11*
环型螺母密封件
P.T.F.E.


12*
下密封件
P.T.F.E.


13
环型螺母
316 不锈钢
1.4401
UNI X5CrNiMo 17 12
14
球体
316 不锈钢
1.4401
UNI X5CrNiMo 17 12
15
阀体
316 不锈钢
1.4408

16
限位螺栓
304 不锈钢
1.4301
UNI X5CrNi 18 10
17
限位杆
304 不锈钢
1.4301
UNI X5CrNi 18 10
18
止动杆螺母
304 不锈
1.4301
UNI X5CrNi 18 10
19
操纵手柄304 不锈钢
1.4301
UNI X5CrNi 18 10
* KGBV44备件套装的组件...

压力/温度图表

起动扭矩(Nm) 
尺寸
DN 15
1/2"
DN 20
3/4"
DN 25
1"
DN 32
1"1/4
DN 40 1"1/2
DN 50
2"
DN 65 2"1/2
DN 80
3"
DN 100
4"

PN 16 bar






85
128
212
PN 40 bar
8
13
20
30
42
61





扭矩值可能因温度和流体类型的影响而出现变化。纳入考虑的安全因子为1.4。
在频繁开闭的循环条件下,操纵扭矩可能会略低于初始扭矩。后文中列示的执行器/阀门装配以平均温度下截止洁净的液体或气体时为准。欲了解详情或其他应用方式,请联络我司的销售部门。

“L”形球体示意图

注意:
执行器SR常闭时,球体的待命位置必须为“A”。
执行器SR常开时,球体的待命位置必须为“B”。

从上面看

T”形球体(选装)示意图 

搭配执行器使用时,仅存在两个旋转90°的方位:有关球体配置,敬请联络我司的销售部门。

注意:
执行器SR常闭时即可选择球体的待命位置;流体供应时,应逆时针旋转执行器。
执行器SR常开时即可选择球体的待命位置;流体供应时,需顺时针旋转执行器。

从上面看

配置 驾驶
选择搜索参数
搜索文章
X 关闭

下一新闻

IVS - Industrial Valve Summit 2026
IVS - Industrial Valve Summit 2026
Bergamo, Italy, 19 - 21 may 2026