images/testate/Template-Header-Sito-OMALBALLVALVES.jpg

Vanne à boisseau sphérique en acier inox, Item 445

Vanne à boisseau sphérique en acier inox, Item 445

Vanne à boisseau sphérique en acier inox 3 voies, à brides, corps plat, boisseau en "L" passage réduit.

CONFIGURER Actionnement
DEMANDE D'INFORMATIONS
IMPRIMER PAGE
  • caractéristiques
  • dimensions
  • matériaux
  • diagrammes et couples de démarrage
  • spécifications

CARACTÉRISTIQUES GÉNÉRALES:
La vanne fonctionne uniquement comme déviateur. Elle ne permet aucune fermeture du refoulement qui ne peut s’effectuer qu’avec le manchon central ; voir schéma.
• Normes pour les brides de raccordement: EN 1092-1 PN40 jusqu'à DN50; PN16 DN65, 80, 100.
• Température de fonctionnement: de -20°C à +150°C (+200°C avec garnitures spéciales).• Pression de fonctionnement: PN 40 jusqu’à DN50 PN16 plus
• Fluide véhiculé: eau, produits pétroliers et pétrochimiques liquides, liquides agressifs.
• Passage réduit.

RÉALISATIONS SPÉCIALES SUR DEMANDE:
• Garnitures d’étanchéité en: PTFE chargé de verre; PTFE chargé de carbone de graphite; • Boisseau en forme de T, voir schéma montage fonctionnement. Pour d'autres applications, veuillez vous adresser à notre bureau technique.

CERTIFICATIONS:
• Version ATEX conformément à la directive européenne 2014/34/UE
• Certificat ATEX sur demande

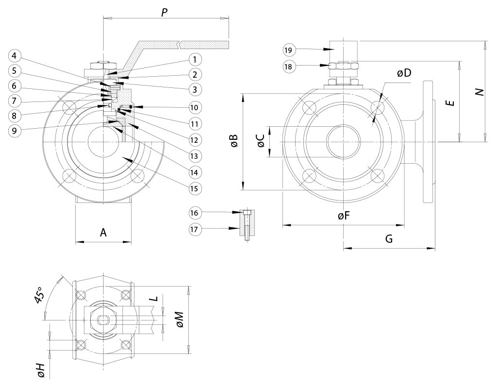
DIMENSIONS
MESUREAøBøCøDEøFGøHLøMNP
DN [mm][pouces]
DN 151/2"356510M12X4489085M563665140
DN 203/4"387515M12X45110090M563670140
DN 251"438520M12X462,511090M584282180
DN 321" 1/45410025M16X467130105M584285180
DN 401" 1/26611032M16X480140120M61050102230
DN 502"8312540M16X487150130M61050110230
DN 652" 1/210314550M16X4119,5175150M81470137,5350
DN 803"12216065M16X8129,5190175M81470150350
DN 1004"15318078M16X8148,5220185M1016102165508

MATÉRIAUX    
1
Tige
316 S.S.
1.4401
UNI X5CrNiMo 17 12
2
Plaque de retenue d’écrou
304 S.S.1.4301
UNI X5CrNi 18 10
3
Écrou de blocage
304 S.S.
1.4301
UNI X5CrNi 18 10
4
Rondelle ressort
301 S.S.
1.4310
UNI X5CrNiMo 17 12
5
Entretoise
304 S.S.
1.4301
UNI X5CrNi 18 10
6*
Bague presse-étoupe
304 S.S.
1.4301
UNI X5CrNi 18 10
7*
Paire de garnitures étanchéité supérieure
P.T.F.E.


8*
Joint torique d’étanchéité intermédiaire
FKM


9*
Garnitures d’étanchéité latérale
P.T.F.E.


10*
Joint torique étanchéité bague
FKM


11*
Garnitures d'étanchéité bague
P.T.F.E.


12*
Étanchéité inférieure
P.T.F.E.


13
Bague
316 S.S.
1.4401
UNI X5CrNiMo 17 12
14
Boisseau
316 S.S.
1.4401
UNI X5CrNiMo 17 12
15
Corps
316 S.S.
1.4408

16
Vis pour butée de position
304 S.S.
1.4301
UNI X5CrNi 18 10
17
Butée de position
304 S.S.
1.4301
UNI X5CrNi 18 10
18
Écrou de blocage levier
304 S.S.
1.4301
UNI X5CrNi 18 10
19
Levier de manœuvre
304 S.S.
1.4301
UNI X5CrNi 18 10
* Détails du kit des pièces de rechange KGBV44...

DIAGRAMME PRESSION/TEMPÉRATURE

COUPLES DE DÉMARRAGE en Nm  
MESURE  
DN 15
1/2"
DN 20
3/4"
DN 25
1"
DN 32
1"1/4
DN 40 1"1/2
DN 50
2"
DN 65 2"1/2
DN 80
3"
DN 100
4"

PN 16 bar






85
128
212
PN 40 bar
8
13
20
30
42
61





Les valeurs du couple peuvent varier en fonction de la température et du fluide. Considérer un facteur de sécurité de 1,4.
Avec des cycles fréquents d'ouverture et de fermeture, le couple de manœuvre pourrait être considérablement inférieur au couple initial. Les accouplements actionneur/vanne, montrés aux pages suivantes, sont conçus pour les vannes qui arrêtent des fluides liquides ou gazeux, propres et pour des températures moyennes. Pour plus d'informations ou pour des utilisations différentes, veuillez vous adresser à notre service commercial.

Schéma boisseau en "L"

N.B.:
Avec l'actionneur SR NORMALEMENT FERMÉ, la position de repos du boisseau doit être "A".
Avec l'actionneur SR NORMALEMENT OUVERT, la position de repos du boisseau doit être "B".

Vue de dessus

Schéma boisseau en "T" (sur demande) 

Avec l'actionneur, seules deux positions sont possibles avec une rotation de 90°: la configuration du boisseau doit toujours être communiquée à notre service commercial.

NB:
Avec l'actionneur SR NORMALEMENT FERMÉ, choisissez la position de repos du boisseau; lors de l'alimentation, l'actionneur tourne dans le sens antihoraire.
Avec l'actionneur SR NORMALEMENT OUVERT, choisissez la position de repos du boisseau; lors de l'alimentation, l'actionneur tourne dans le sens horaire.

Vue de dessus

CONFIGURER ACTIONNEMENT
Sélectionnez les paramètres de recherche
RECHERCHER UN ARTICLE
X FERMER

PROCHAIN ÉVÈNEMENT

IVS - Industrial Valve Summit 2026
IVS - Industrial Valve Summit 2026
Bergamo, Italy, 19 - 21 may 2026