images/testate/Template-Header-Sito-OMALBALLVALVES.jpg

Kugelhahn aus Edelstahl Item 445

Kugelhahn aus Edelstahl Item 445
Makro Kugelhähne

Kugelhahn aus Edelstahl, 3-Wege, mit Flachgehäuse, L-Bohrung reduzierter durchgang.

KONFIGURIEREN Steuerung
INFORMATIONEN ANFORDERN
SEITE DRUCKEN
  • eigenschaften
  • abmessungen
  • werkstoffe
  • diagramme und anlaufmomente
  • merkmale

ALLGEMEINE EIGENSCHAFTEN:
Die Armatur hat nur die Funktion eines Verteilers. Das Schließen des Förderstroms ist nicht möglich, dies kann nur über den zentralen Weg erfolgen; siehe Diagramm. 
• Normen für Flanschanschlüsse: EN 1092-1 PN40 bis DN50; PN16 DN65,80,100.
• Betriebstemperatur: -20°C bis +150°C (bis +200°C mit Spezialdichtungen).
• Betriebsdruck: PN 40 bis zu NW50 PN16 und darüber hinaus
 • Betriebsmedien: Wasser, flüssige Erdölprodukte und Petrochemikalien sowie aggressive Medien.
• Reduzierter Durchgang.

SONDERAUSFÜHRUNGEN AUF ANFRAGE:
• Dichtungen aus: PTFE glasfaserverstärkt, PTFE kohlenstoff-/graphitverstärkt;
• T-Bohrung; siehe Montage-/Funktionsschema.
• Für andere Anwendungen wenden Sie sich an unsere technische Abteilung.

ZERTIFIZIERUNGEN: 
•  ATEX-Ausführung gemäß der EU-Richtlinie 2014/34/EU (ATEX)
• ATEX-Zertifikat auf Anfrage

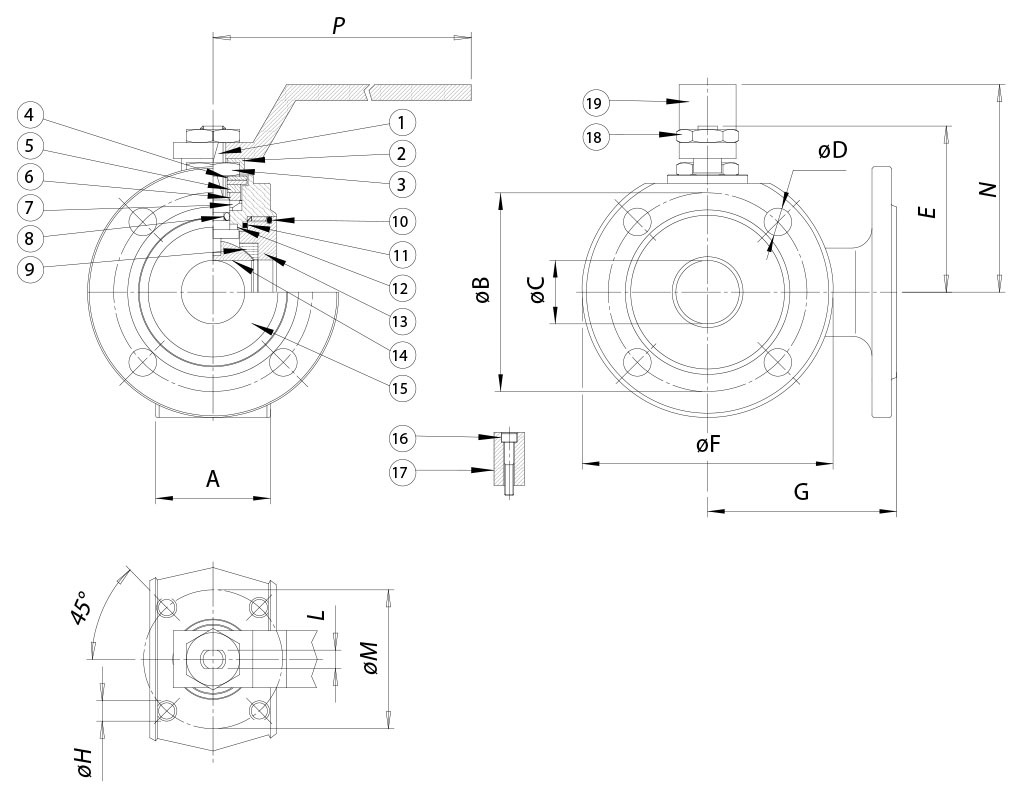
ABMESSUNGEN
BAUGRÖSSE
AøBøCøDEøFGøHLøMNP
DN [mm][Zoll]
DN 151/2"356510M12X4489085M563665140
DN 203/4"387515M12X45110090M563670140
DN 251"438520M12X462,511090M584282180
DN 321" 1/45410025M16X467130105M584285180
DN 401" 1/26611032M16X480140120M61050102230
DN 502"8312540M16X487150130M61050110230
DN 652" 1/210314550M16X4119,5175150M81470137,5350
DN 803"12216065M16X8129,5190175M81470150350
DN 1004"15318078M16X8148,5220185M1016102165508

WERKSTOFFE
1
Spindel
316 S.S.
1.4401
UNI X5CrNiMo 17 12
2
Sperrscheibe Mutter
304 S.S.1.4301
UNI X5CrNi 18 10
3
Befestigungsmutter
304 S.S.
1.4301
UNI X5CrNi 18 10
4
Tellerfeder  
301 S.S.
1.4310
UNI X5CrNiMo 17 12
5
Abstandhalter
304 S.S.
1.4301
UNI X5CrNi 18 10
6*
Haltering
304 S.S.
1.4301
UNI X5CrNi 18 10
7*
Obere Dichtungen
P.T.F.E.


8*
O-Ring mittlere Dichtung
FKM


9*
Seitliche Dichtungen
P.T.F.E.


10*
O-Ring Gewindering
FKM


11*
O-Ring Gewindering
P.T.F.E.


12*
Untere Dichtung
P.T.F.E.


13
Gewindering
316 S.S.
1.4401
UNI X5CrNiMo 17 12
14
Kugel
316 S.S.
1.4401
UNI X5CrNiMo 17 12
15
Gehäuse
316 S.S.
1.4408

16
Schraube für Feststellvorrichtung
304 S.S.
1.4301
UNI X5CrNi 18 10
17
Feststellvorrichtung
304 S.S.
1.4301
UNI X5CrNi 18 10
18
Mutter Hebelsperre  
304 S.S.
1.4301
UNI X5CrNi 18 10
19
Handhebel
304 S.S.
1.4301
UNI X5CrNi 18 10
* Bestandteile des Ersatzkits KGBV44...

DRUCK-/TEMPERATURDIAGRAMM

ANLAUFMOMENTE in Nm
BAUGRÖSSE
DN 15
1/2"
DN 20
3/4"
DN 25
1"
DN 32
1"1/4
DN 40 1"1/2
DN 50
2"
DN 65 2"1/2
DN 80
3"
DN 100
4"

PN 16 bar






85
128
212
PN 40 bar
8
13
20
30
42
61





Die angegebenen Anlaufmomentwerte können sich je nach Temperatur oder Betriebsmedien ändern. Berücksichtigen Sie bitte einen Sicherheitsfaktor von 1,4.
Bei häufigen Öffnungs- und Schließzyklen kann sich das Betriebsdrehmoment im Vergleich zum Anfangswert leicht verringern. Die auf den folgenden Seiten angegebenen Kombinationen Antrieb/Armatur beziehen sich auf Armaturen mit flüssigen oder gasförmigen sauberen Medien bei mittleren Temperaturen. Für weitere Informationen oder andere Verwendungszwecke wenden Sie sich bitte an unsere Verkaufsabteilung.

Schema L-Bohrung

HINWEIS:
Bei NORMAL GESCHLOSSENEM SR-Stellantrieb muss die Ruheposition der Kugel „A“ sein.
Bei NORMAL GEÖFFNETEM SR-Stellantrieb muss die Ruheposition der Kugel „B" sein.

Ansicht von oben

Schema „T-Bohrung“ 
 
Mit Antrieb sind nur zwei Positionen mit 90°-Drehung möglich: Die Konfiguration der Kugel muss unserer Verkaufsabteilung stets mitgeteilt werden.

HINWEIS:
Bei NORMAL GESCHLOSSENEM SR-Stellantrieb die Ruhestellung der Kugel wählen; bei Betrieb dreht sich der Antrieb gegen den Uhrzeigersinn.
Bei NORMAL GEÖFFNETEM SR-Stellantrieb die Ruhestellung der Kugel wählen; bei Betrieb dreht sich der Antrieb in den Uhrzeigersinn.

Ansicht von oben

KONFIGURIEREN BETÄTIGUNG
Wählen Sie die Suchparameter
ARTIKEL SUCHEN
SCHLIESSEN

NÄCHSTES EVENT

IVS - Industrial Valve Summit 2026
IVS - Industrial Valve Summit 2026
Bergamo, Italy, 19 - 21 may 2026