images/testate/Template-Header-Sito-OMALBALLVALVES.jpg

Válvula de esfera em aço inoxidável Item 445

Válvula de esfera em aço inoxidável Item 445

Válvula de esfera em aço inoxidável 3 vias flangeada de corpo plano esfera em “L” passagem reduzida.

CONFIGURAR Acionamento
SOLICITAR INFORMAÇÃO
IMPRIMIR PÁGINA
  • características
  • dimensões
  • materiais
  • diagramas e torques de partida
  • especificações

CARACTERÍSTICAS GERAIS:
A válvula funciona apenas como desviador. Não permite nenhum fechamento da entrada que só pode ocorrer a partir da via central; ver o diagrama.
• Normas para flanges de conexão: EN 1092-1 PN40 fino a DN50; PN16 DN65,80,100.
• Temperatura de operação: de -20°C a +150°C (+ 200°C com guarnições especiais).
• pressão de operação: PN 40 até DN50 PN16 além
• Fluido interceptado: água, produtos petrolíferos e petroquímicos líquidos, líquidos agressivos.
• Passagem reduzida.

EXECUÇÕES ESPECIAIS A PEDIDO:

• Guarnições de vedação em: PTFE carregado com vidro; PTFE carregado com carbografite;
• Esfera em “T”, consultar o diagrama de montagem de funcionamento.
• Para outras aplicações, entrar em contato com nosso departamento técnico.

CERTIFICAÇÕES:
Versão ATEX em conformidade com a Diretiva Europeia 2014/34/UE
• Certificado ATEX a pedido

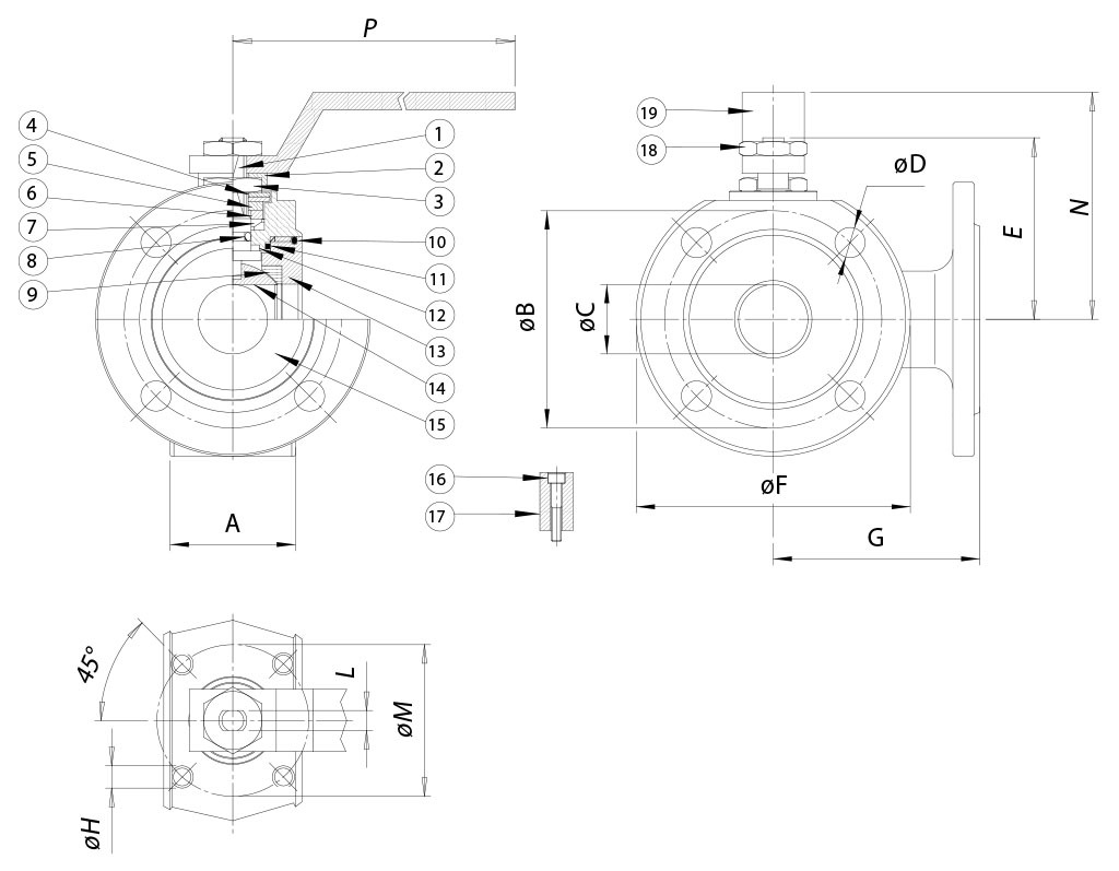
DIMENSÕES
MEDIDA
AøBøCøDEøFGøHLøMNP
DN [mm][polegada]
DN 151/2"356510M12X4489085M563665140
DN 203/4"387515M12X45110090M563670140
DN 251"438520M12X462,511090M584282180
DN 321" 1/45410025M16X467130105M584285180
DN 401" 1/26611032M16X480140120M61050102230
DN 502"8312540M16X487150130M61050110230
DN 652" 1/210314550M16X4119,5175150M81470137,5350
DN 803"12216065M16X8129,5190175M81470150350
DN 1004"15318078M16X8148,5220185M1016102165508

MATERIAIS    
1
Haste
 304 S.S.
1.4401
UNI X5CrNiMo 17 12
2
Placa de bloqueio da porca
 304 S.S.
1.4301
UNI X5CrNi 18 10
3
Porca de bloqueio
304 S.S.
1.4301
UNI X5CrNi 18 10
4
Mola a copo
301 S.S.
1.4310
UNI X5CrNiMo 17 12
5
Espaçador
304 S.S.
1.4301
UNI X5CrNi 18 10
6*
Anel aperta guarnição
304 S.S.
1.4301
UNI X5CrNi 18 10
7*
Torque de vedação superior
P.T.F.E.


8*
O-ring de vedação intermediário
FKM


9*
Guarnições de vedação lateral
P.T.F.E.


10*
O-ring de vedação do anel  
FKM


11*
Guarnições de vedação de anel
P.T.F.E.


12*
Vedação inferior
P.T.F.E.


13
Anel
316 S.S.
1.4401
UNI X5CrNiMo 17 12
14
Esfera
316 S.S.
1.4401
UNI X5CrNiMo 17 12
15
Corpo
316 S.S.
1.4408

16
Parafuso para parada de posição
304 S.S.
1.4301
UNI X5CrNi 18 10
17
Parada de posição
304 S.S.
1.4301
UNI X5CrNi 18 10
18
Porca de bloqueio da alavanca
304 S.S.
1.4301
UNI X5CrNi 18 10
19
Alavanca de manobra
304 S.S.
1.4301
UNI X5CrNi 18 10
* Detalhes do kit de substituição KGBV44...

DIAGRAMA DE PRESSÃO/TEMPERATURA

TORQUE DE PARTIDA em Nm 
MEDIDA 
DN 15
1/2"
DN 20
3/4"
DN 25
1"
DN 32
1"1/4
DN 40 1"1/2
DN 50
2"
DN 65 2"1/2
DN 80
3"
DN 100
4"

PN 16 bar






85
128
212
PN 40 bar
8
13
20
30
42
61





Os valores do torque podem variar dependendo da temperatura e do tipo de fluido. Considerar um fator de segurança de 1,4.
Com ciclos frequentes de abertura e fechamento, o torque de manobra pode diminuir significativamente em comparação ao inicial. Os acoplamentos atuador/válvula, mostrados nas páginas a seguir, são realizados para válvulas que interceptam fluidos líquidos ou gasosos, limpos e para temperaturas médias. Para maiores informações ou usos diferentes, consultar nosso departamento de vendas

diagrama da esfera em “L”

NB:
Com o atuador SR NORMALMENTE FECHADO, a posição de repouso da esfera deve ser "A".
Com o atuador SR NORMALMENTE ABERTO, a posição de repouso da esfera deve ser "B".

Vista de cima

Diagrama da esfera em "T" (a pedido)

Com o atuador, apenas duas posições são possíveis com rotação de 90°: a configuração da esfera sempre deve ser comunicada ao nosso escritório de vendas.

NB:
Com o atuador SR NORMALMENTE FECHADO, escolher a posição de repouso da esfera; alimentando, o atuador gira no sentido anti-horário.
Com o atuador SR NORMALMENTE ABERTO, escolher a posição de repouso da esfera; alimentando, o atuador gira no sentido horário.

Vista de cima

CONFIGURAR DIRIGIR
Selecionar os parâmetros de pesquisa
PESQUISA DE ITEM
X FECHAR

PRÓXIMO EVENTO

IVS - Industrial Valve Summit 2026
IVS - Industrial Valve Summit 2026
Bergamo, Italy, 19 - 21 may 2026