images/testate/header-valvole-farfalla.jpg

Item 490-492-493蝶阀

Item 490-492-493蝶阀
蝶形阀

配备ISO 228/1标准螺纹和DIN 11851标准接口的2通道焊接式蝶阀

ITEM 490

接合:ISO 228/1标准螺纹,
材质:304不锈钢
ITEM 492

接合:DIN 11851,
材质:304不锈钢
ITEM 493

接合:DIN 11850 系列1,
材质:304不锈钢

配置 动力
申请详细信息
打印页面
  • 特性
  • 特性
  • 物料
  • 图表和起动扭矩

标准配置:
- 完全采用304不锈钢(490-492-493系列)或316L不锈钢(494系列)制造的阀门。
- 阀门适用于需要特定卫生条件的领域。
- 使用温度:0℃~+150℃
- 使用压力:PN6
• 截止流体:食品用。
- 接口:

  • DIN/ISO 228/1标准气体用螺纹母头;
  • DIN 11851标准螺纹接口;
  • 焊接接头符合DIN 11850-1标准;
  • 夹具接合 BS 4825 (DIN 32676-系列C)
  -外表面处理:亮光

选装配置:

- SMS 1146螺纹接口
- MACON螺纹接口
- 夹具接合 DIN 32676 系列A
- 夹具接合 ISO 2852
- 有关其他应用领域,请联络我司的销售部门

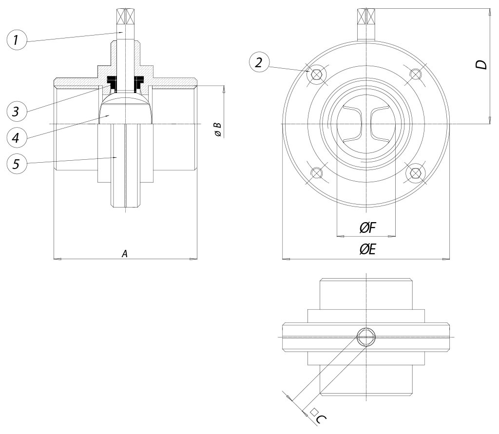
  • ITEM 490
  • ITEM 492
  • ITEM 493

ITEM 490 ISO 228/1

尺寸规格
尺寸
A
ØB
C
D
øE
øF
DN [mm]
[inch]
DN 25
1"
68
289
58
79
25
DN 32
1" 1/4
76
349
63
85
32
DN 40
1" 1/2
76
409
65
92
40
DN 50
2"
80
529
71
105
50
DN 65
2" 1/2
82
709
81
125
65
DN 80
3"
84
8511
88
137
80
DN 100
4"
88
10411
100
157
100

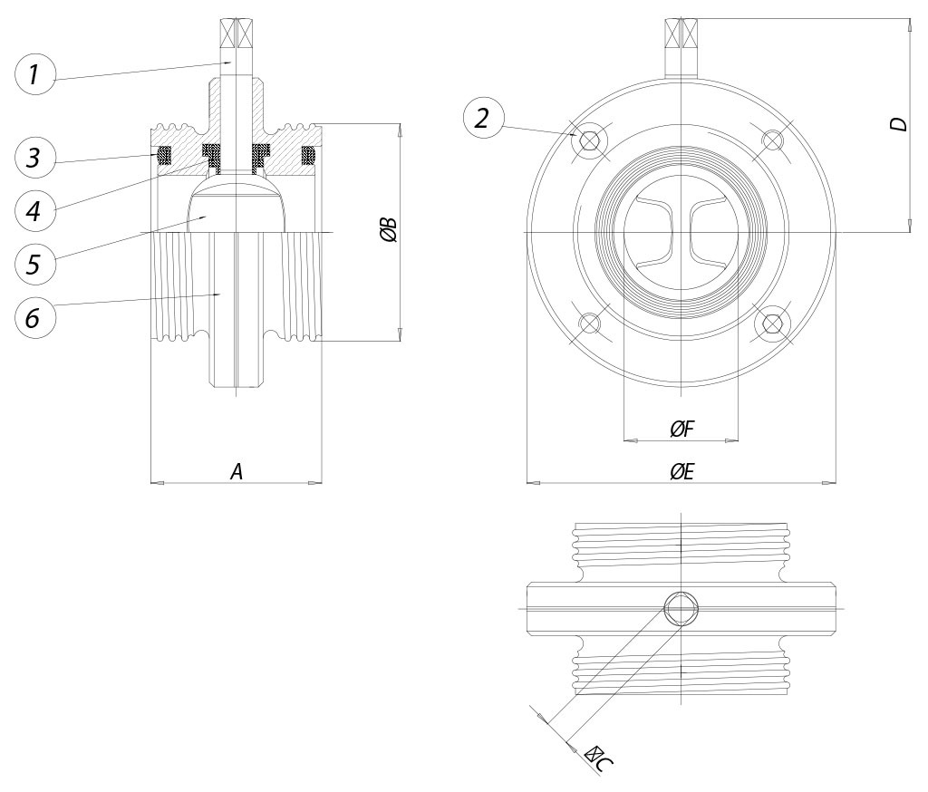
ITEM 492 DIN 11851

尺寸规格
尺寸
A
ØB
C
D
øE
øF
DN [mm]
[inch]
DN 25
1"
68
52X1/6
9
58
79
25
DN 32
1" 1/4
76
58X1/6
9
63
85
32
DN 40
1" 1/2
76
65x1/6
9
65
92
40
DN 50
2"
80
78X1/6
9
71
105
50
DN 65
2" 1/2
82
95x1/6
9
81
125
65
DN 80
3"
84
110X1/4
11
88
137
80
DN 100
4"
88
130X1/4
11
100
157
100

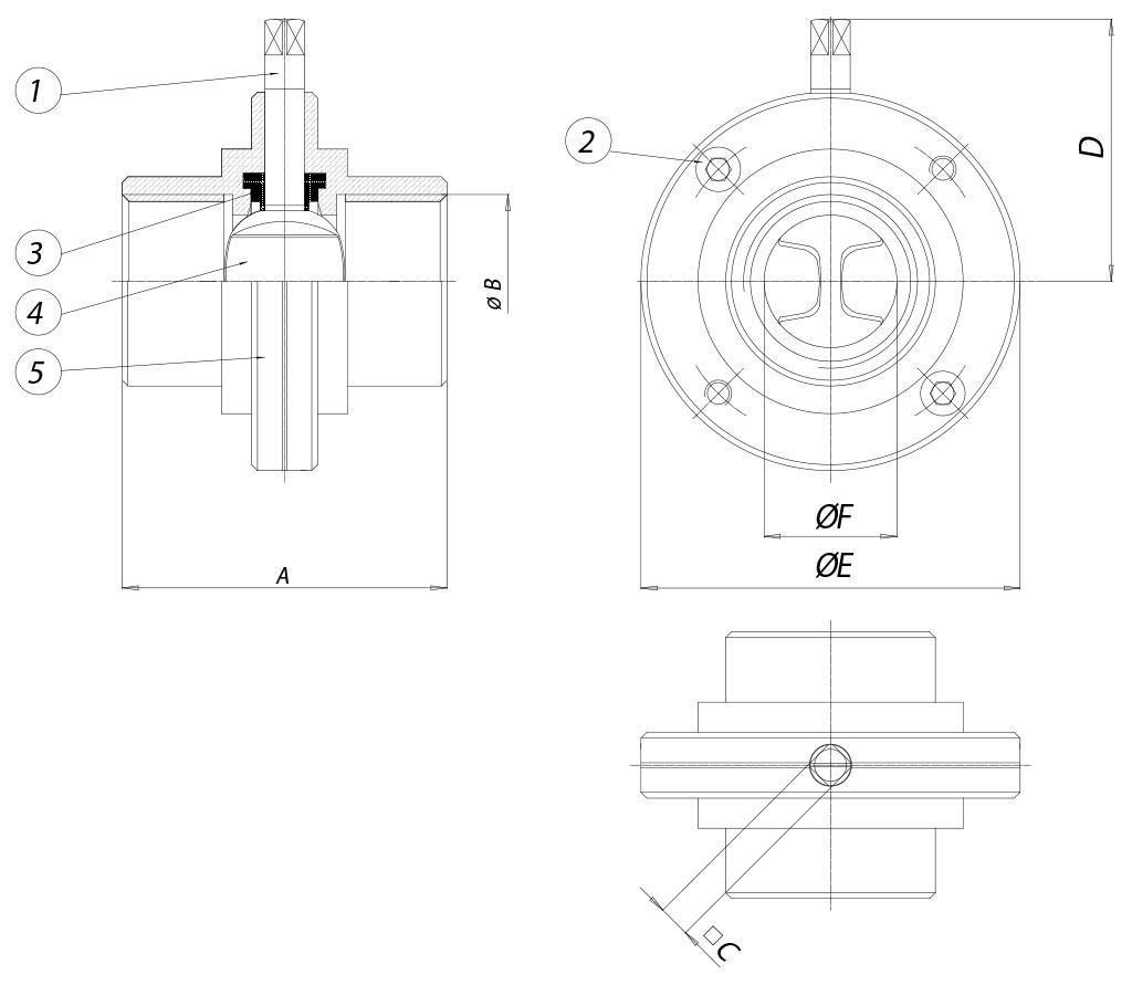
ITEM 493 DIN 11850 SERIE 1

尺寸规格
尺寸
A
ØB
C
D
øE
øF
DN [mm]
[inch]
DN 25
1"
68
29
9
58
79
25
DN 32
1" 1/4
76
35
9
63
85
31
DN 40
1" 1/2
76
41
9
65
92
37
DN 50
2"
80
53
9
71
105
49
DN 65
2" 1/2
82
70
9
81
125
66
DN 80
3"
84
85
11
88
137
81
DN 100
4"
88
104
11
100
157
100

  • ITEM 490
  • ITEM 492
  • ITEM 493

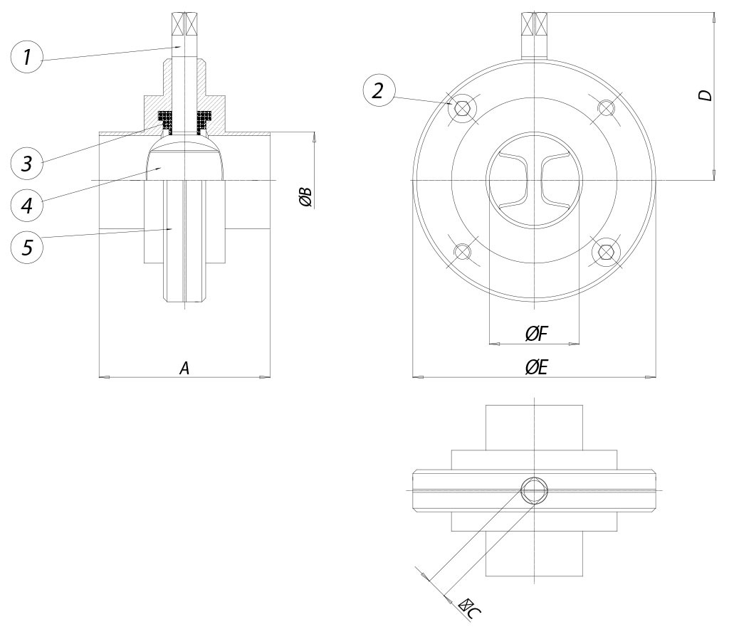
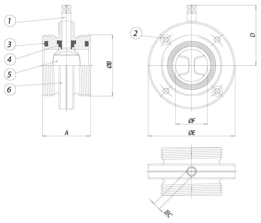
ITEM 490 ISO 228/1

ITEM 490 ISO 228/1 材质
1
阀杆
304 不锈钢
1.4301
UNI X5CrNi 18 10
2
固定螺栓
304 不锈钢
1.4301
UNI X5CrNi 18 10
3*
内密封件



4
蝶板
CF8M
1.4301
UNI X5CrNi 18 10
5
末端
304 不锈钢
1.4301
UNI X5CrNi 18 10
*KGBV70备件套装的组件...

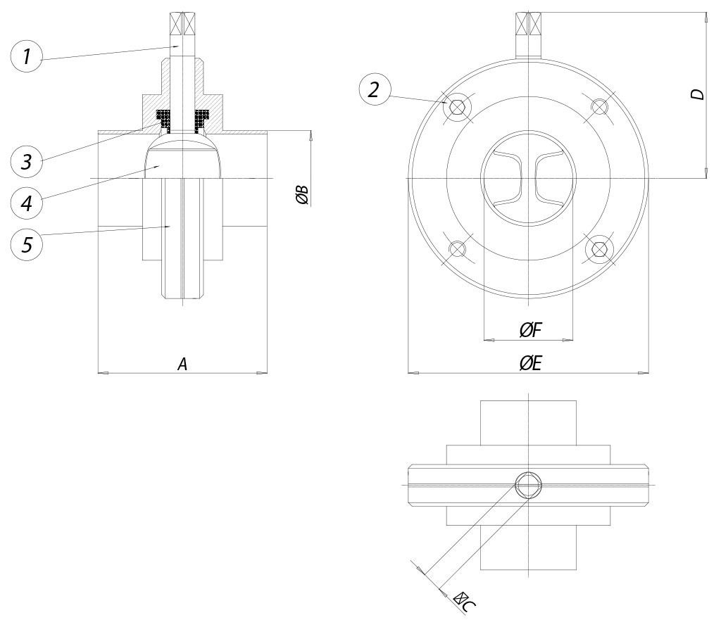
ITEM 492 DIN 11851

ITEM 492 DIN 11851 材质
1
阀杆
304 不锈钢
1.4301
UNI X5CrNi 18 10
2
固定螺栓
304 不锈钢
1.4301
UNI X5CrNi 18 10
3**
侧密封件
硅料


4*
内密封件
硅料


5
蝶板
CF8M
1.4301
UNI X5CrNi 18 10
6
末端
304 不锈钢
1.4301
UNI X5CrNi 18 10
* Main seat spare part
** Components of complete spare part

ITEM 493 DIN 11850 SERIE 1

ITEM 493 DIN 11850 系列1 材质
1
阀杆
304 不锈钢
1.4301
UNI X5CrNi 18 10
2
固定螺栓
304 不锈钢
1.4301
UNI X5CrNi 18 10
3*
内密封件
硅料


4
蝶板
CF8M
1.4301
UNI X5CrNi 18 10
5
末端
304 不锈钢
1.4301
UNI X5CrNi 18 10
* KGBV70备件套装的组件...

起动扭矩(Nm) 
尺寸 
DN 25
1"
DN 32 1"1/4
DN 40 1"1/2
DN 50
2"
DN 65 2"1/2
DN 80
3"
DN 100
4"

PN 6 bar
7
9
15
18
29
43
65


扭矩值可能因温度和流体类型的影响而出现变化。纳入考虑的安全因子为1.4。
在频繁开闭的循环条件下,操纵扭矩可能会略低于初始扭矩。后文中列示的执行器/阀门装配以平均温度下截止洁净的液体或气体时为准。欲了解详情或其他应用方式,请联络我司的技术部门。

配置 驾驶
选择搜索参数
搜索文章
X 关闭

下一新闻

Asia Water 2026
Asia Water 2026
Kuala Lumpur, 7-9 April 2026