images/testate/1600x499accattuatori.jpg

KSSF em alumínio com indicador visual

KSSF em alumínio com indicador visual

CARACTERÍSTICAS PRINCIPAIS
- Projetado para verificar facilmente a posição visual e elétrica de cada válvula, mesmo em longas distâncias.
- Construído em conformidade com as normas VDI/VDE 3845 standard. (EN15714-3).
- Pode conter dois interruptores de limite de sinalização seja de tipo "SPDT" mecânico que de proximidade.
- Os cames de acionamento do interruptor de limite não têm a possibilidade de escorregamento, pois a regulagem é garantida por ranhuras no eixo portante sem a necessidade de parafusos de fixação ou outras ferramentas.
- A pré-fiação é feita com terminais numerados: n° 6 para os dois microinterruptores e pólos extras para qualquer fiação da válvula solenóide (ver diagramas elétricos).
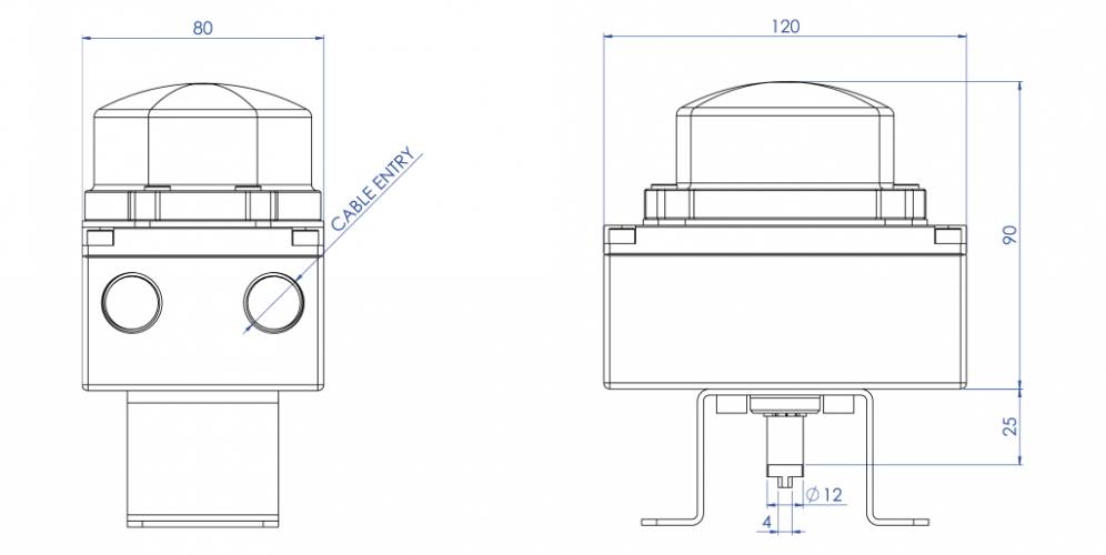
- N° 2 conexões elétricas rosqueadas para braçadeira de fixação do cabo.
- Temperatura de operação:
de -40°C a +80°C (standard);
de -25°C a +70°C para interruptor de limite código "23" e "73";
de -25°C a +80°C para interruptor de limite código "75".
- Grau de Proteção: IP 67.

MATERIAIS
• Corpo e tampa: alumínio fundido revestido com pó de poliéster*.
• Indicador: policarbonato resistente a raios UV e autoextinguível classe V0.
• Eixo: aço inoxidável.
• Parafusos: aço inoxidável.

* A pedido também em aço inoxidável CF8M.

CERTIFICAÇÕES
- Declaração de conformidade CE a pedido.
- Certificados até SIL 3

TIPOS DE INTERRUPTORES DE LIMITE CONTIDOS NOS BOXES KSSB- KSSF

CÓDIGO*
DESCRIÇÃO
VERSÃO
CONEXÃO ELÉTRICA
01
Microinterruptores eletromecânicos SPTD com contatos de prata (CHERRY)

Max: 250 Vac 5A -24 Vdc 3A; Min: 250 Vac 50 mA - 24 Vdc 50 mA. (carga resistiva)
De série
Microinterruptores eletromecânicos SPTD com contatos de prata (CHERRY)
03
Microinterruptores eletromecânicos SPTD com contatos de ouro (CHERRY)

Max: 250 Vac 0,1 mA - 30 Vdc 0,5 mA
A pedido
1FMicrointerruptores eletromecânicos DPDT com contatos de prata, (cada came aciona 2 microinterruptores SPDT simultaneamente) (CHERRY)

Max: 250 Vac 5A - 24 Vdc 5A; Min: 24 Vdc 50 mA
A pedido
Microinterruptores eletromecânicos DPDT com contatos de prata
23Microinterruptores de proximidade amplificados 3 fios NO P+F NBN4 12GM50 E2, PNP

10÷30 Vdc; 200 mA
A pedido
Microinterruptores de proximidade amplificados 3 fios NO P+F NBN4 12GM50 E2, PNP
73Microinterruptores de proximidade amplificados 3 fios PNP NO P+F NBB2 V3 E2,

10÷30 VDC; 100 mA - corrente de operação 0 - 100 mA
A pedido
75Microinterruptores de proximidade amplificados IFM IS 5026, 2 fios

5÷36 Vdc; 4÷200 mA
A pedido
Microinterruptores de proximidade amplificados IFM IS 5026, 2 fios
T0Sinal analógico 4-20 mA. Fonte de alimentação 13÷30 Vdc, linearidade +/- 0,5% do fundo da escala. Ação direta ou inversa. Lógica de processo de acordo com ASIC-CMOS
A pedido
Sinal analógico 4-20 mA.

* A sigla que identifica o tipo de interruptores de limite usados, aparece no código do box no 6° e 7° posto.

SUPORTE DE CONEXÃO ENTRE ATUADOR E BOX INTERRUPTOR DE LIMITE 
KSSB - KSSF


TIPO DE SUPORTE*
DESCRIÇÃO
0Conexão NAMUR 25x50x20* (*20=altura do eixo atuador, medida A na figura)
1Conexão NAMUR 30x80x20* (*20=altura do eixo atuador, medida A na figura)
3Conexão NAMUR 30x80x30* (*30=altura do eixo atuador, medida A na figura)
4Conexão NAMUR 30x80x30* (*30=altura do eixo atuador, medida A na figura)
5Conexão NAMUR 30x130x30* (*30=altura do eixo atuador, medida A na figura)

*O suporte aparece no último caractere do código do box para interruptor de limite. Para pedir apenas o suporte usar o código OMAL.

PARA ATUADORES EM ALUMÍNIO
MEDIDA
DAN15÷DAN120
SRN15÷SRN60
DAN180÷DAN960
SRN90÷SRN480  
DAN1440÷DAN1920
SRN720÷SRN960
DA2880÷DA8000
SR1440÷SR4000
Código
KCPN1015KCPN1060  KCPN2060  KCPN1A04
Tipo de suporte
13  4  5
A (mm)2030  30  30
B (mm)4555  55  55
C (mm)3030  30  30
D (mm)8080  80  130

PARA ATUADORES EM AÇO INOXIDÁVEL
MEDIDA  DA15**÷DA30**
SR15**
DA60
SR30
DA120÷DA960
SR60÷SR480
DA1440÷DA1920
SR720÷SR960
Código
KCPN0015  KCPN1060KCPN2060
Tipo de suporte
0  0  34
A (mm)  20  20  3030
B (mm)  4545  5555
C (mm)  25  25  3030
D (mm)  50  50  8080


** Após usar a interface para o atuador KBVI4015

ROSCAS DA BRAÇADEIRA DE FIXAÇÃO DO CABO DO BOX
Tipo de rosca da braçadeira de fixação do cabo***
Descrição    Notas
11/2” NPT  A PEDIDO
2M 20x1,5  STANDARD

*** O tipo de rosca é indicado no oitavo caractere do código do box.
BRAÇADEIRAS DE FIXAÇÃO DO CABO Não incluídas.

PESQUISAR CóDIGO 
X FECHAR

PRÓXIMO EVENTO

IVS - Industrial Valve Summit 2026
IVS - Industrial Valve Summit 2026
Bergamo, Italy, 19 - 21 may 2026