images/testate/1600x499accattuatori.jpg

KSSF aluminium with optical indicator

KSSF aluminium with optical indicator

TECHNICAL FEATURES
- Made to easily verify the visual and electrical position of each valve even from long distances.
- Built according to VDI / VDE 3845 standards. (EN15714-3).
- It can contain two limit switches either mechanical "SPDT" or proximity.
- The cam of limit switch cannot slide since their regulation or other tools.
- The pre-wiring is realized means of numbered terminals: n°6 for the two microswitches, and extra poles for eventual solenoid wiring (see wiring diagrams).
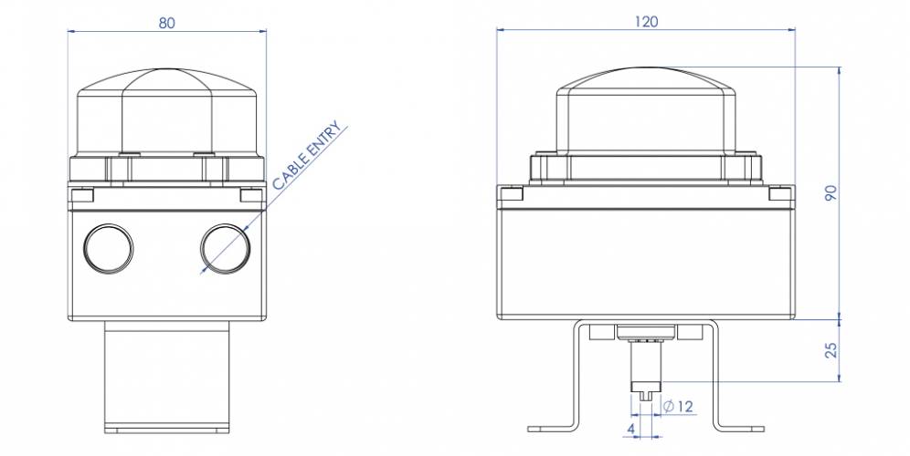
- N. 2 threaded electrical connections for cable gland.
- Operating temperature:
from -40°C to + 80°C (standard);
from -25°C to +70°C for limit switch code "23" and "73";
from -25°C to +80°C for limit switch code "75".
- Protection rate: IP 67.

MATERIALS
- Body and cover: die-cast aluminum coated with polyester powder *.
- Indicator: UV-resistant and self-extinguishing polycarbonate class V0.
- Shaft: Stainless steel.
- Screws: stainless steel.

* On request also in stainless steel CF8M.

CERTIFICATIONS
- CE declaration of conformity on request.
- Up to SIL 3 Certified

TYPES OF LIMIT SWITCHES CONTAINED IN BOX KSSB - KSSF

CODE*DESCRIPTION
VERSION
WIRING DIAGRAM
01
SPDT Electromechanical microswitches with silver plated contacts (CHERRY)

Max: 250 Vac 5A -24 Vdc 3A; Min: 250 Vac 50 mA - 24 Vdc 50 mA. (resisive load)
Standard
SPDT Electromechanical microswitches with silver plated contacts (CHERRY)
03
SPDT Electromechanical microswitches SPDT with gold plated contacts (CHERRY)

Max: 250 Vac 0,1 mA - 30 Vdc 0,5 mA
On request
1FDPDT Electromechanical microswitches with silver plated contacts (each cam actuates 2 SPDT microswitches simultaneously) (CHERRY)

Max: 250 Vac 5A - 24 Vdc 5A; Min: 24 Vdc 50 mA
On request
Electromechanical microswitches with silver plated contacts
233-wire amplified proximity microswitches NO NBN4 12GM50 E2 P+F, PNP

10÷30 Vdc; 200 mA
On request
3-wire amplified proximity microswitches
733-wire amplified proximity microswitches PNP NO P+F NBB2 V3 E2,

10÷30 VDC; 100 mA - opereting current 0 - 100 mA
On request
752-wire amplified proximity microswitches IFM IS 5026

5÷36 Vdc; 4÷200 mA
On request
2-wire amplified proximity microswitches
T04-20 mA analog output. Supply voltage 13÷30 Vdc; linearity +/- 0,5% on full scale; direct or inverse actions; logic processor ASIC - CMOS.
On request
4-20 mA analog output.

* The symbol that identifies the type of limit switches used, appears in the code box in the 6th and 7th position.

CONNECTION BRACKET BETWEEN ACTUATOR AND LIMIT SWITCHES BOX 
KSSB - KSSF


TYPE OF BRACKET*
DESCRIPTION
0NAMUR connection 25x50x20* (*20= height of the actuator shaft, dimension A as per picture)
1NAMUR connection 30x80x20* (*20=height of the actuator shaft, dimension A as per picture)
3NAMUR connection 30x80x30* (*30=height of the actuator shaft, dimension A as per picture)
4NAMUR connection 30x80x30* (*30=height of the actuator shaft, dimension A as per picture)
5NAMUR connection 30x130x30* (*30=height of the actuator shaft, dimension A as per picture)

*The bracket appears in the last position of the limit switches box code. If you need to order only the bracket, please refer to the OMAL code.

FOR ALUMINIUM ACTUATORS
SIZEDAN15÷DAN120
SRN15÷SRN60
DAN180÷DAN960
SRN90÷SRN480  
DAN1440÷DAN1920
SRN720÷SRN960
DA2880÷DA8000
SR1440÷SR4000
CodeKCPN1015KCPN1060  KCPN2060  KCPN1A04
Type of bracket
13  4  5
A (mm)2030  30  30
B (mm)4555  55  55
C (mm)3030  30  30
D (mm)8080  80  130

FOR STAINLESS STEEL ACTUATORS
SIZEDA15**÷DA30**
SR15**
DA60
SR30
DA120÷DA960
SR60÷SR480
DA1440÷DA1920
SR720÷SR960
CodeKCPN0015  KCPN1060KCPN2060
Type of bracket
0  0  34
A (mm)  20  20  3030
B (mm)  4545  5555
C (mm)  25  25  3030
D (mm)  50  50  8080


** Use connection bracket for actuator: KBVI4015

BOX CABLE ENTRIES THREAD
Type of cable gland thread***
Description    Notes
11/2” NPT  ON REQUEST
2M 20x1,5  STANDARD

*** Thread is indicated in 8th digit in the code of the box.
CABLE GLANDS: Not included.

SEARCH CODE 
X CLOSE

NEXT EVENT

IVS - Industrial Valve Summit 2026
IVS - Industrial Valve Summit 2026
Bergamo, Italy, 19 - 21 may 2026