images/testate/1600x499accattuatori.jpg

KSSF aus Aluminium mit optischer Anzeige

KSSF aus Aluminium mit optischer Anzeige

HAUPTMERKMALE
- Entwickelt, um die visuelle und elektrische Position jedes Ventils auch aus großer Entfernung leicht zu überprüfen.
- Gebaut nach Norm VDI/VDE 3845 (EN15714-3)
- Kann im Inneren zwei Signal-Endschalter enthalten, sowohl des mechanischen Typs "SPDT [Wechselschalter]" als auch Näherungsschalter.
- Die Betätigungsnocken des Endschalters sind schlupffrei, da die Verstellung durch Nuten an der Lagerwelle ohne Befestigungsschrauben oder sonstiges Werkzeug gewährleistet ist.
- Die Vorverdrahtung erfolgt mit nummerierten Klemmen: 6 für die beiden Mikroschalter und zusätzliche Pole für eventuelle Verdrahtungen des Magnetventils (siehe Schaltpläne).
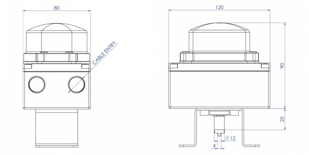
- 2 elektrische Anschlüsse mit Gewinde für Klemmkorb
- Betriebstemperatur:
von - 40 bis + 80 °C (Standard);
von - 25 bis + 70 °C für Endschalter der Codes "23" und "73";
von - 25 bis + 80 °C für Endschalter des Codes "75".
- Schutzart: IP 67.

WERKSTOFFE
- Gehäuse und Deckel: Aluminiumdruckguss mit Polyesterpulver beschichtet.
- Anzeige: UV-beständiges und selbstverlöschendes Polycarbonat der Klasse V0.
- Schaft: Rostfreier Stahl
- Schrauben: Rostfreier Stahl

* Auf Anfrage auch in Inox-Stahl CF8M.

ZERTIFIZIERUNGEN
- CE-Konformitätserklärung auf Anfrage.
- Zertifikat bis SIL 3

IN DEN KSSB - KSSF-BOXEN ENTHALTENE ENDSCHALTERARTEN

CODE*BESCHREIBUNG
VERSIONELEKTRISCHER ANSCHLUSS
01
Elektromechanische SPDT-Mikroschalter mit Silberkontakten (CHERRY)

Max: 250 Vac 5A -24 Vdc 3A; Min: 250 Vac 50 mA - 24 Vdc 50 mA. (ohmsche Last)
Serienmäßig
Elektromechanische SPDT-Mikroschalter mit Silberkontakten (CHERRY)
03
Elektromechanische SPTD-Mikroschalter mit Goldkontakten (CHERRY)

Max: 250 Vac 0,1 mA - 30 Vdc 0,5 mA
Auf Anfrage
1FElektromechanische DPDT-Mikroschalter mit Silberkontakten (jede Nocke betätigt gleichzeitig 2 SPDT-Mikroschalter) (CHERRY)

Max: 250 Vac 5A - 24 Vdc 5A; Mindest: 24 Vdc 50 mA
Auf Anfrage
Elektromechanische DPDT-Mikroschalter mit Silberkontakten
23Verstärkte 3-Leiter Näherungs-Mikroschalter NO P + F NBN4 12GM50 E2, PNP

10÷30 Vdc; 200 mA
Auf Anfrage
Verstärkte 3-Leiter Näherungs-Mikroschalter NO P + F NBN4 12GM50 E2, PNP
73Verstärkte 3-Leiter Mikro-Näherungsschalter PNP NO P + F NBB2 V3 E2,

10÷30 VDC; 100 mA - Betriebsstrom 0 - 100 mA
Auf Anfrage
75Verstärkte 2-Leiter Mikro-Näherungsschalter IFM IS 5026

5÷36 Vdc; 4÷200 mA
Auf Anfrage
Verstärkte 2-Leiter Mikro-Näherungsschalter IFM IS 5026
T0Analogsignal 4 - 20 mA Stromversorgung 13 bis 30 Vdc, Linearität +/- 0,5 % des Skalenendwertes. Direkte oder umgekehrte Aktion Prozesslogik nach ASIC-CMOS.
Auf Anfrage
Analogsignal 4 - 20 mA Stromversorgung 13 bis 30 Vdc, Linearität +/- 0,5 % des Skalenendwertes.

* Der Code für die verwendete Endschalterart erscheint im Code auf der Verpackung an 6. und 7. Stelle.

ANSCHLUSSBÜGEL ZWISCHEN STELLANTRIEB UND ENDSCHALTERBOX 
KSSB - KSSF


BÜGELART*
BESCHREIBUNG
0Anschluss NAMUR 25 x 50 x 20* (*20 = Stellantriebswellenhöhe, Maß A im Bild)
1Anschluss NAMUR 30 x 80 x 20* (*20 = Stellantriebswellenhöhe, Maß A im Bild)
3Anschluss NAMUR 30 x 80 x 30* (*30 = Stellantriebswellenhöhe, Maß A im Bild)
4Anschluss NAMUR 30 x 80 x 30* (*30 = Stellantriebswellenhöhe, Maß A im Bild)
5Anschluss NAMUR 30 x 130 x 30* (*30 = Stellantriebswellenhöhe, Maß A im Bild)

*Der Bügel erscheint im letzten Zeichen des Codes der Box des Endschalters. Um nur den Bügel zu bestellen, verwenden Sie bitte den OMAL-Code.

FÜR STELLANTRIEBE AUS ALUMINIUM
ABMESSUNG
DAN15÷DAN120
SRN15÷SRN60
DAN180÷DAN960
SRN90÷SRN480  
DAN1440÷DAN1920
SRN720÷SRN960
DA2880÷DA8000
SR1440÷SR4000
Artikelnummer
KCPN1015KCPN1060  KCPN2060  KCPN1A04
Bügelart
13  4  5
A (mm)2030  30  30
B (mm)4555  55  55
C (mm)3030  30  30
D (mm)8080  80  130

FÜR STELLANTRIEBE AUS EDELSTAHL
ABMESSUNG  DA15**÷DA30**
SR15**
DA60
SR30
DA120÷DA960
SR60÷SR480
DA1440÷DA1920
SR720÷SR960
Artikelnummer
KCPN0015  KCPN1060KCPN2060
Bügelart
0  0  34
A (mm)  20  20  3030
B (mm)  4545  5555
C (mm)  25  25  3030
D (mm)  50  50  8080


** Nach Verwendung des Übergangs für den Stellantrieb KBVI4015

GEWINDE DES KLEMMKORBS DER BOX
Gewindeart des Klemmkorbs***
Beschreibung    Hinweise
11/2” NPT  AUF ANFRAGE
2M 20x1,5  STANDARD

*** Die Art des Gewindes wird im achten Zeichen des Codes der Box angegeben
KLEMMKÖRBE: Nicht im Lieferumfang enthalten.

ARTIKELNUMMER SUCHEN 
SCHLIESSEN

NÄCHSTES EVENT

IVS - Industrial Valve Summit 2026
IVS - Industrial Valve Summit 2026
Bergamo, Italy, 19 - 21 may 2026