1. Faixas de vedação e deslizamento energizadas autolubrificantes
Menor atrito entre o pistão e o cilindro
É evitada a colagem da guarnição ao cilindro mesmo após longos períodos de inatividade
2. Ranhura, buchas e cavilhas com aço com dureza superior a 50 HRC
Maior resistência a forças presentes dentro do atuador
3. Atrito de rolamento entre a ranhura e o pistão
Menor atrito
4. Scotch yoke com atrito de rolamento (transformação do movimento linear em movimento rotativo através de pistão e eixo sem engrenagens)
Menor atrito entre o pistão e o eixo, resultando em menor desgaste das peças
Momento de rotação aprimorado na fase de abertura e fechamento
Menor volume ocupado em relação aos atuadores de pinhão e cremalheira, com consequente menor espaço necessário
Menor peso em relação aos atuadores de pinhão e cremalheira (-30% Kg/Nm) com consequentes economias na construção da estrutura da planta
Menor consumo de ar comparado aos atuadores de pinhão e cremalheira (-40% de ar cm³/Nm efeito duplo e -20% de ar cm³/Nm efeito simples) com consequente menor carga de trabalho do compressor ou possibilidade de usar um compressor com dimensões reduzidas
5. Cilindro laminado
Menor desgaste nas faixas energizadas devido à baixa rugosidade da superfície
6. Stainless Steel shaft
Higher corrosion resistance
Interface para eletroválvulas NAMUR integradas pelo DAN15
Não requer nenhuma base adicional
Processo de produção realizado inteiramente na OMAL
Controle máximo em todas as fases de processamento
Certificado ATEX
Permite instalação na presença de ambiente potencialmente explosivo
Certificados até SIL 3
Alto nível de segurança funcional garantido
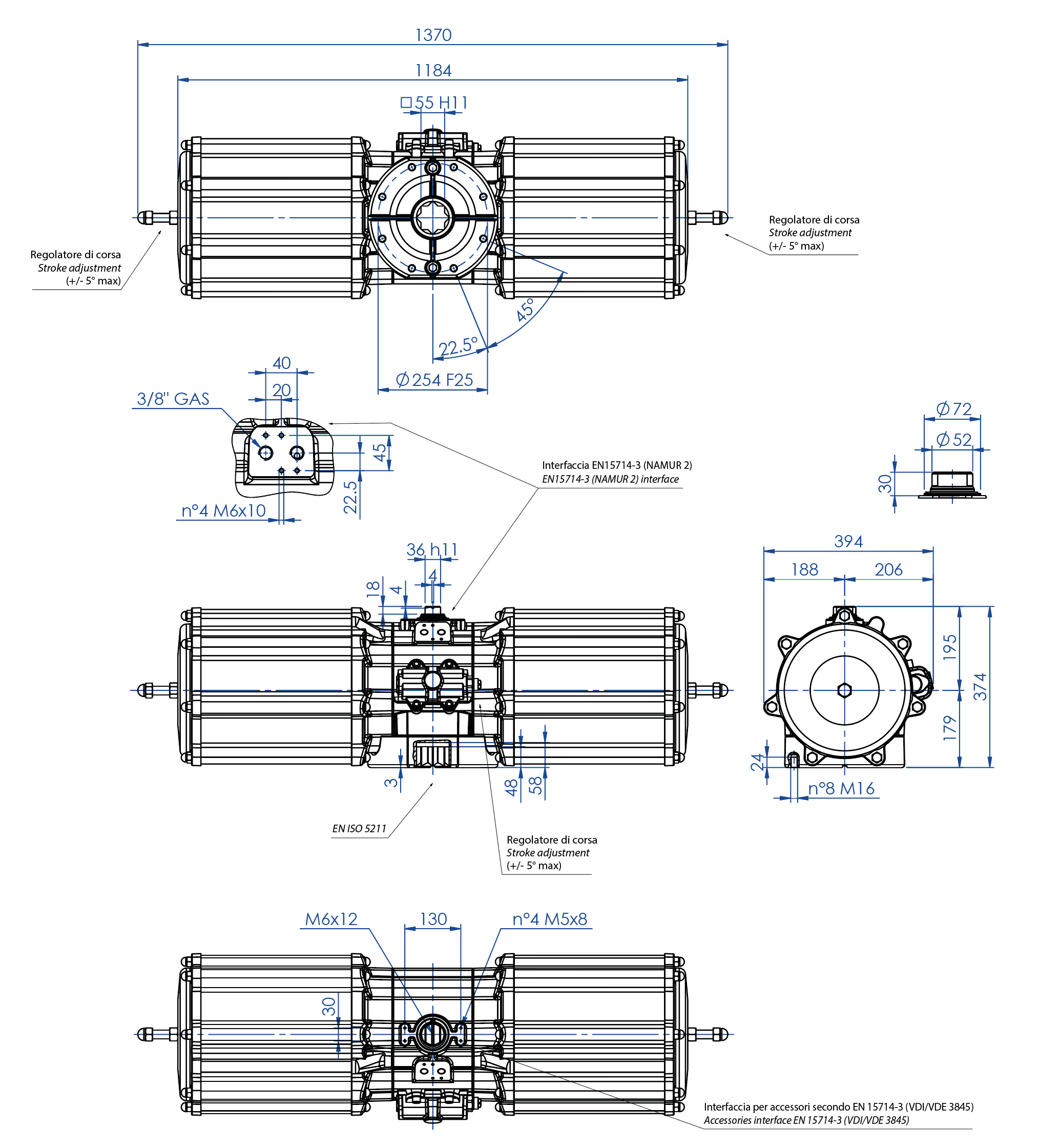
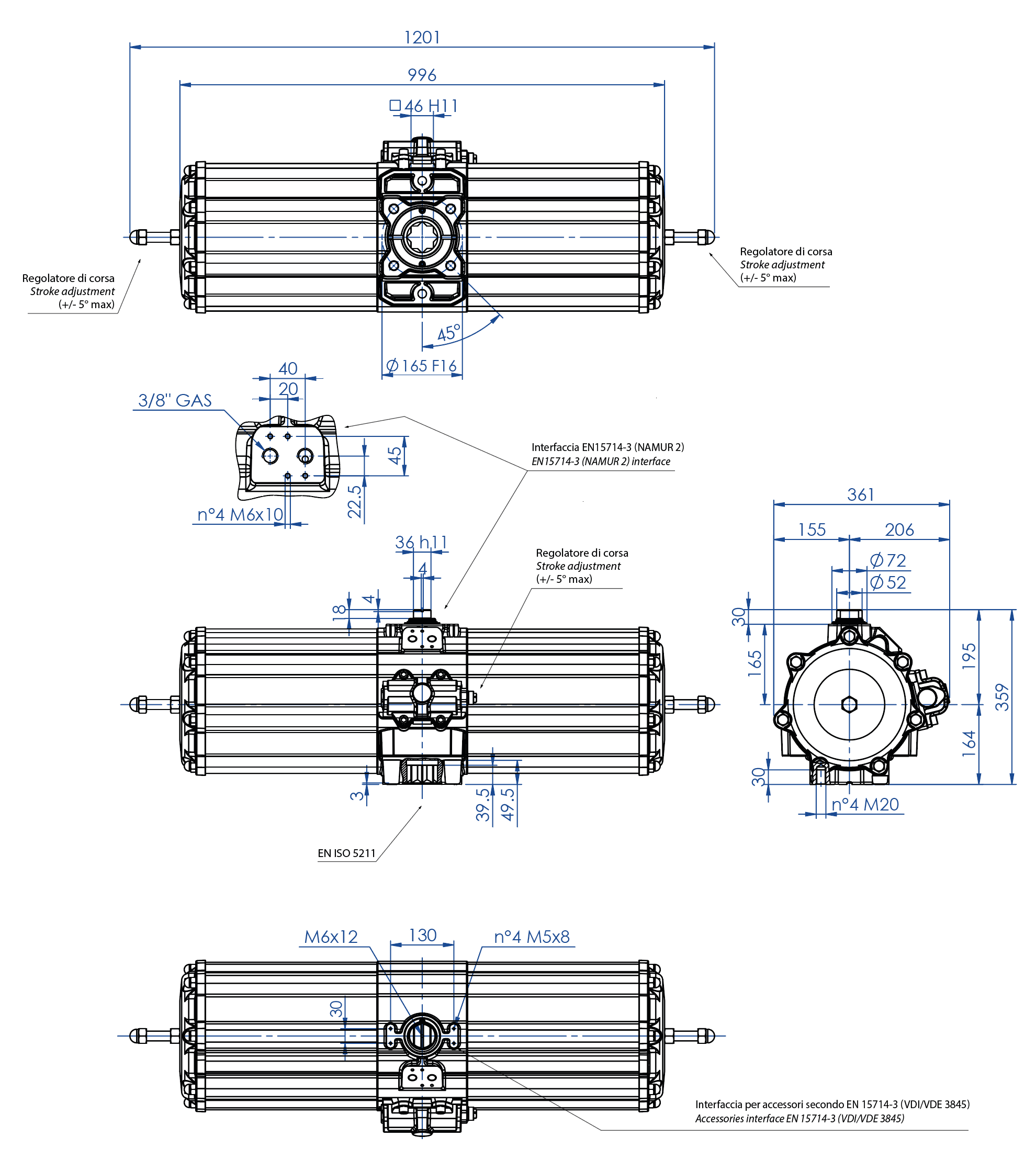
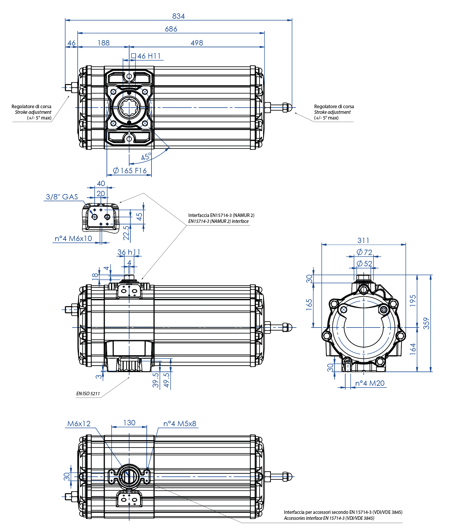
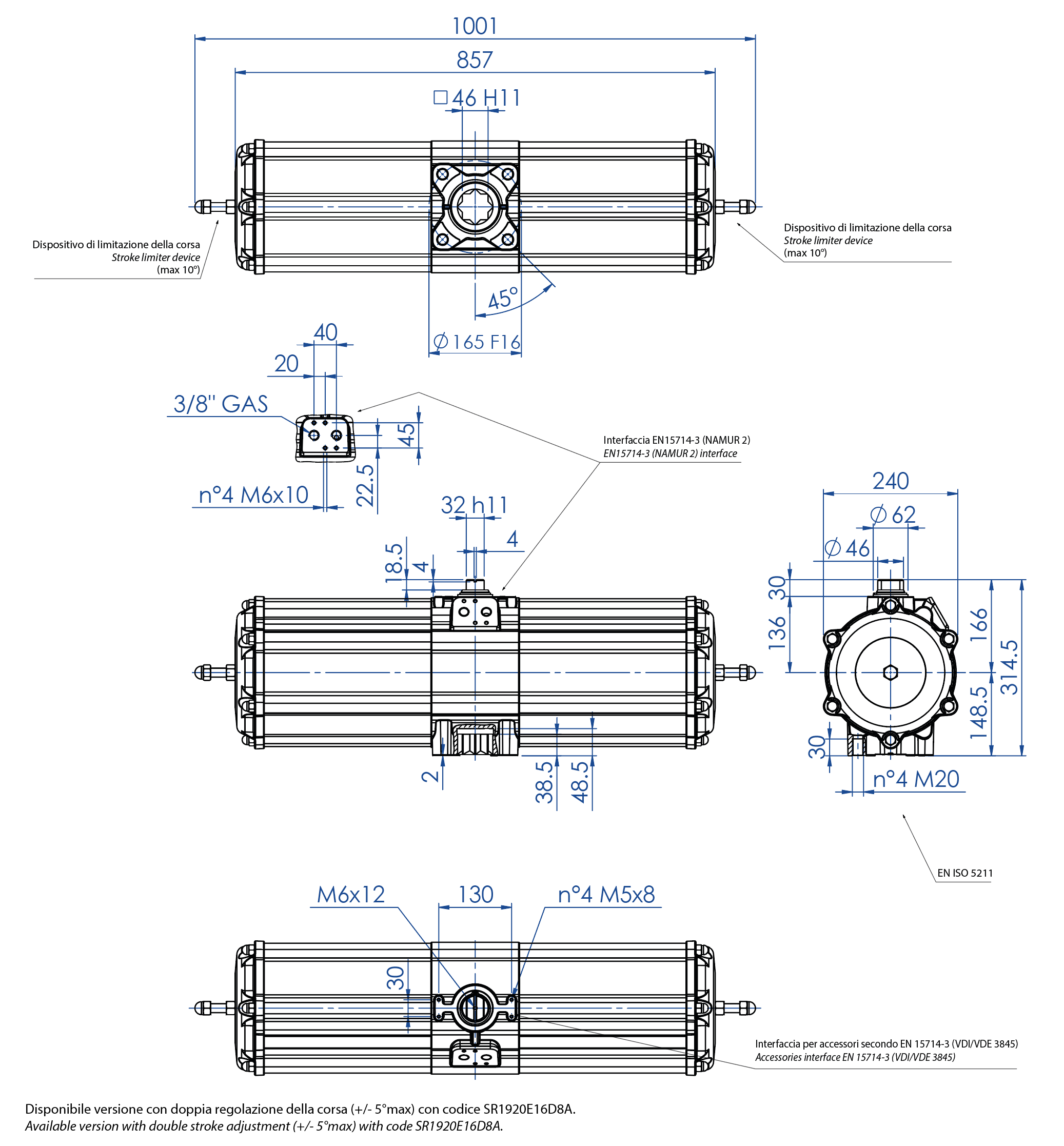
DADOS TÉCNICOS
Torque de 15 Nm a 4000 Nm.
Flange de conexão: EN ISO 5211
F03 - F04 - F05 - F07 - F10 - F12 - F14 - F16 - F25.
Em conformidade com a EN 15714-3
Ângulo de rotação: 92° (-1°, +91°)
Momento de rotação: O momento de rotação de retorno depende apenas da ação da mola e é independente da pressão de alimentação. Existem 4 configurações diferentes para a mola; ver a tabela.
O fechamento automático por meio das molas ocorre no sentido horário.
Em cada atuador, o valor que segue a sigla SR/SRN corresponde ao valor do torque de partida em Nm. à pressão de 5,6 bar.
Versão ATEX em conformidade com a diretiva 2014/34/UE. Para a versão ATEX, adicionar YX no final do código.
CONDIÇÕES DE OPERAÇÃO
Temperatura: de -20°C a +80°C. (Versões especiais: alta temperatura: -20°C + 150°C; baixa temperatura: -50°C + 60°C)
Pressão nominal: 5,6 bar; máxima de operação 8,4 bar.
Líquido de alimentação: ar comprimido filtrado seco não necessariamente lubrificado.
Em caso de lubrificação, usar óleo não detergente, compatível com NBR.
FOLHA TÉCNICA DE SRN15 (Nm) a SRN53 (Nm) | ||||||
| Código | SRN0015401S | SRN0015402S | SRN0030401S | SRN0030402S | SRN0053401S | |
| Vedações sobressalentes | KGGI0014 | KGGI0016 | KGGI0060 | |||
| Tamanho | SRN15 | SRN30 | SRN53 | |||
| ISO | F03/F05 | F04 | F04 | F05/F07 | F05/F07 | |
| A | 233,3 | 233,3 | 259 | 259 | 304,3 | |
| A1 (2,8 Bar) | 203,8 | 203,8 | 228,5 | 228,5 | 270,7 | |
| B | 11 | 11 | 14 | 14 | 17 | |
| C x profundidade | M5x8 | M5x8 | M5x8 | M6x9 | M6x9 | |
| D x profundidade | M6x9 | - | - | M8x12 | M8x12 | |
| E | 36 | 42 | 42 | 50 | 50 | |
| F | 50 | - | - | 70 | 70 | |
| G | 10 | 10 | 13 | 13 | 13 | |
| H | 30,3 | 30,3 | 35,7 | 35,7 | 42,8 | |
| I | 9 | 9 | 10 | 10 | 12 | |
| L | 79,2 | 79,2 | 90,4 | 90,4 | 103,3 | |
| M | 31,5 | 31,5 | 37,7 | 37,7 | 44,8 | |
| N | 47,7 | 47,7 | 52,7 | 52,7 | 58,5 | |
| O | 13,2 | 13,2 | 16,5 | 16,5 | 19,3 | |
| P | 27,7 | 27,7 | 32,7 | 32,7 | 38,5 | |
| Q | 31,5 | 31,5 | 37,7 | 37,7 | 44,8 | |
| R | 10,9 | 10,9 | 14,5 | 14,5 | 16,2 | |
| S | 20 | 20 | 20 | 20 | 20 | |
| T | 59,2 | 59,2 | 70,4 | 70,4 | 83,3 | |
| W (Gás) | 1/8" | 1/8" | 1/8" | 1/8" | 1/8" | |
| Ch | 13 | 13 | 13 | 13 | 17 | |
| Peso (kg) | 1,2 | 1,2 | 1,95 | 1,95 | 3 | |
| Ar (dm3/ciclo) | 0,09 | 0,09 | 0,17 | 0,17 | 0,3 | |
| H = CENTRO DAS FIXAÇÕES DA BASE | ||||||
FICHA TÉCNICA DE SRN60 (Nm) a SRN360 (Nm) | |||||||
| Código | SRN0060401S | SRN0090401S | SRN0120401S | SRN0180401S | SRN0240401S | SRN0360401S | |
| Vedações sobressalentes | KGGI0018 | KGGI0019 | KGGI0020 | KGGI0021 | KGGI0022 | KGGI0023 | |
| Tamanho | SRN60 | SRN90 | SRN120 | SRN180 | SRN240 | SRN360 | |
| ISO | F05/F07 | F07/F10 | F07/F10 | F07/F10 | F10/F12 | F10/F12 | |
| A | 338,5 | 393,7 | 409,6 | 474 | 520,5 | 613 | |
| A1 (2,8 Bar) | 309,1 | 341,8 | 361,6 | 406,6 | 454,1 | 523 | |
| B | 17 | 22 | 22 | 22 | 27 | 27 | |
| C x profundidade | M6x9 | M8x12 | M8x12 | M8x12 | M10x15 | M10x15 | |
| D x profundidade | M8x12 | M10x15 | M10x15 | M10x15 | M12x18 | M12x18 | |
| E | 50 | 70 | 70 | 70 | 102 | 102 | |
| F | 70 | 102 | 102 | 102 | 125 | 125 | |
| G | 13 | 16 | 17 | 19 | 19 | 19,5 | |
| H | 44,8 | 54,5 | 58,1 | 60 | 57,4 | 61,5 | |
| I | 12 | 15 | 15 | 19 | 19 | 22 | |
| L | 107 | 137,5 | 141,1 | 148 | 164,9 | 178 | |
| M | 46,8 | 56,5 | 60,1 | 62 | 72,9 | 78,5 | |
| N | 60,2 | 81 | 81 | 86 | 92 | 99,5 | |
| O | 19,3 | 24,8 | 24,8 | 24,3 | 29,5 | 29,5 | |
| P | 40,2 | 51 | 51 | 56 | 62 | 69,5 | |
| Q | 46,8 | 56,5 | 60,1 | 62 | 72,9 | 78,5 | |
| R | 18 | 20,2 | 22,5 | 25,5 | 29 | 31,8 | |
| S | 20 | 30 | 30 | 30 | 30 | 30 | |
| T | 87 | 107,5 | 111,1 | 118 | 134,9 | 148 | |
| W (Gás) | 1/8" | 1/8" | 1/8" | 1/8" | 1/4" | 1/4" | |
| Ch | 17 | 22 | 22 | 22 | 27 | 27 | |
| Peso (kg) | 3,35 | 5,9 | 6,8 | 8,9 | 11,8 | 16,5 | |
| Ar (dm3/ciclo) | 0,33 | 0,55 | 0,8 | 1 | 1,5 | 2 | |
| H = CENTRO DAS FIXAÇÕES DA BASE | |||||||
FICHA TÉCNICA DE SRN480 (Nm) a SRN960 (Nm) | |||||||
| Código | SRN0480401S | SRN0480402S | SRN0720402S | SRN0720401S | SRN0960402S | SRN0960401S | |
| Vedações sobressalentes | KGGI0024 | KGGI0025 | KGGI0026 | ||||
| Tamanho | SRN480 | SRN720 | SRN960 | ||||
| ISO | F10/F12 | F14 | F12 | F14 | F12/F16 | F14 | |
| A | 648,2 | 648,2 | 798 | 798 | 828 | 828 | |
| A1 (2,8 Bar) | 563,8 | 563,8 | 683 | 683 | 714,4 | 714,4 | |
| B | 36 | 36 | 36 | 36 | 46 | 46 | |
| C x profundidade | M10x15 | M16x24 | M12x18 | M16x24 | M12x18 | M16x24 | |
| D x profundidade | M12x18 | - | - | - | M20x30 | - | |
| E | 102 | 140 | 125 | 140 | 125 | 140 | |
| F | 125 | - | - | - | 165 | - | |
| G | 19,5 | 19,5 | 19,5 | 19,5 | 18,5 | 18,5 | |
| H | 78 | 78 | 86,5 | 86,5 | 99,2 | 99,2 | |
| I | 24 | 24 | 27 | 27 | 32 | 32 | |
| L | 198 | 198 | 216 | 216 | 237,7 | 237,7 | |
| M | 93,5 | 93,5 | 101,5 | 101,5 | 114,7 | 114,7 | |
| N | 104,5 | 104,5 | 114,5 | 114,5 | 123 | 123 | |
| O | 38,5 | 38,5 | 38,5 | 38,5 | 48,5 | 48,5 | |
| P | 74,5 | 74,5 | 84,5 | 84,5 | 93 | 93 | |
| Q | 93,5 | 93,5 | 101,5 | 101,5 | 114,7 | 114,7 | |
| R | 36,5 | 36,5 | 41 | 41 | 46 | 46 | |
| S | 30 | 30 | 30 | 30 | 30 | 30 | |
| T | 168 | 168 | 186 | 186 | 207,7 | 207,7 | |
| W (Gás) | 1/4" | 1/4" | 1/4" | 1/4" | 1/4" | 1/4" | |
| Ch | 27 | 27 | 36 | 36 | 36 | 36 | |
| Peso (kg) | 22,7 | 22,7 | 33 | 33 | 42 | 42 | |
| Ar (dm3/ciclo) | 2,8 | 2,8 | 4,2 | 4,2 | 5,9 | 5,9 | |
| H = CENTRO DAS FIXAÇÕES DA BASE | |||||||
| FICHA TÉCNICA SR 1440 (Nm) | |
| Código | SR1440E16D8A |
| Peso [Kg] | 74,0 |
| Volume de ar [dm3/ciclo] | 11,0 |
| Guarnições de reposição | KGSI1035 |
| FICHA TÉCNICA SR 1920 (Nm) | |
| Código | SR1920E1608A |
| Peso [Kg] | 67,0 |
| Volume de ar [dm3/ciclo] | 12,0 |
| Guarnições de reposição | KGDI0030 |
| FICHA TÉCNICA SR 2880 (Nm) | |
| Código | SR2880E16D8A |
| Peso [Kg] | 116,8 |
| Volume de ar [dm3/ciclo] | 21,0 |
| Juntas de repuesto | KGSI2035 |
| FICHA TÉCNICA SR 4000 (Nm) | |
| Código | SR4000E25D8A |
| Peso [Kg] | 183,0 |
| Volumen de aire [dm3/ciclo] | 29,1 |
| Guarnições de reposição | KGSI1040 |
COMPONENTES ATUADOR PNEUMÁTICO EFEITO SIMPLES TAMANHO: SRN15-SRN960 | |||
| Pos | Designação | Qtd. | Material |
| 1 | Cilindro | 1 | Liga de alumínio |
| 2 | Pistão | 2 | Liga de alumínio |
| 3 | Tampa | 2 | Liga de alumínio |
| 4 | Eixo | 1 | Aço inoxidável |
| 5 | Garfo | 1 | Liga de aço |
| 6 | Bucha de deslizamento | 1 | Resina acetálica |
| 7 | Suporte do eixo | 1 | Resina acetálica |
| 8 | Bucha | 2 | Liga de aço |
| 9 | Pino | 2 | Liga de aço |
| 10* | Anel de vedação | 2 | Poliuretano |
| 11* | Disco de suporte | 4 | P.T.F.E. carbo-graphite filled |
| 12* | O-ring do pistão | 2 | Borracha nitrílica |
| 13 | O-ring do eixo superior | 1 | FKM |
| 14 | Anel de suporte externo | 1 | Resina acetálica |
| 15 | Arruela de regulagem de espessura | 1 | Aço inoxidável |
| 16 | Seeger | 1 | Aço inoxidável |
| 17 | O-ring do eixo inferior | 1 | FKM |
| 18 | Porca | 2 | Liga de alumínio |
| 19* | O-ring da tampa | 2 | Borracha nitrílica |
| 20 | Parafusos | 8 | Aço inoxidável |
| 21 | Parafusos de pré-carga da mola | 2 | Liga de aço |
| 22 | Recipiente de mola | 2 | Liga de aço |
| 23 | Mola | 2 | Liga de aço |
| 24* | O-ring | 2 | Borracha nitrílica |
| 25 | Pino elástico externo | 1 | Liga de aço |
| 26 | Pino elástico interno | 1 | Liga de aço |
| 27 | Anel de centralização (OPTIONAL) | 1 | Liga de alumínio |
| * Detalhes do kit de substituição | |||
| COMPONENTES ATUADOR PNEUMÁTICO EFEITO SIMPLES TAMANHO: SR1440 | |||
| Pos | Designação | Qtd | Material |
| 1 | Bucha de aço | 1 | Aço |
| 2 | Pino de aço | 1 | Aço |
| 3 | Corpo | 1 | Alumínio |
| 4 | Mola interna | 1 | Aço |
| 5* | O-ring | 2 | Nitrilic rubber |
| 6 | Eixo | 1 | Aço |
| 7 | Parafuso anti-expulsão | 1 | Aço |
| 8* | Suporte inferior | 1 | P.T.F.E. carbo-graphite filled |
| 9* | O-ring | 1 | FKM |
| 10* | O-ring | 1 | FKM |
| 11 | Bucha de suporte inferior | 1 | Alumínio |
| 12 | Parafuso para bucha | 2 | Aço |
| 13 | Bucha de deslizamento | 1 | Resina acetálica |
| 14 | Espaçador | 1 | Alumínio |
| 15 | Tampa | 1 | Alumínio |
| 16 | Parafuso de montagem | 7 | Aço |
| 17 | Porca a calota | 7 | Aço |
| 18 | Grão (tampa) | 1 | Aço |
| 19 | Porca | 1 | Aço |
| 20 | Grão de ajuste | 1 | Aço |
| 21* | O-ring | 1 | Nitrilic rubber |
| 22 | Garfo | 1 | Aço |
| 23 | Bucha de deslizamento/sup | 1 | Resina acetálica |
| 24* | O-ring | 2 | Nitrilic rubber |
| 25* | Supporto superior | 1 | P.T.F.E. carbo-graphite filled |
| 26* | O-ring | 1 | FKM |
| 27* | Anel de suporte externo | 1 | Resina acetálica |
| 28 | Arruela de regulagem de espessura | 1 | Aço |
| 29 | Seeger | 1 | Aço |
| 30 | Ficha anti-expulsão | 1 | Aço |
| 31* | Discos | 2 | Resina acetálica |
| 32 | Pistão | 1 | Alumínio |
| 33* | O-ring | 1 | Nitrilic rubber |
| 34* | Anel guia | 1 | P.T.F.E. Carbo-grafite preenchido |
| 35 | Cilindro lateral | 1 | Aço |
| 36* | O-ring | 2 | Nitrilic rubber |
| 37 | Tampa | 1 | Aço |
| 38 | Parafuso de montagem | 7 | Aço |
| 39 | Porca a calota | 7 | Aço |
| 40* | O-ring | 1 | Nitrilic rubber |
| 41 | Porca | 1 | Aço |
| 42 | Porca a calota | 1 | Aço |
| 43 | Parafuso de pré-carga da mola | 1 | Aço |
| 44 | O-ring | 1 | Nitrilic rubber |
| 45 | Cont.mola pequeno | 1 | Alumínio |
| 46 | O-ring | 1 | Nitrilic rubber |
| 47 | Cont.mola grande | 1 | Alumínio |
| 48 | Mola esterna | 1 | Aço |
| * Detalhes do kit de substituição | |||
| COMPONENTES ATUADOR PNEUMÁTICO EFEITO SIMPLES TAMANHO: SR1920 | |||
| Pos | Designação | Qtd | Material |
| 1 | Cilindro | 1 | Liga de alumínio |
| 2 | Pistão | 2 | Liga de alumínio |
| 3 | Tampa | 2 | Liga de alumínio |
| 4 | Eixo | 1 | Aço inoxidável |
| 5 | Garfo | 1 | Liga de aço |
| 6 | Bucha de deslizamento | 1 | Resina acetálica |
| 7 | Bucha de deslizam/suporte | 1 | Resina acetálica |
| 8 | Faixa sup.infer | 1 | P.T.F.E. carbo-graphite filled |
| 9 | Faixa sup.super. | 1 | P.T.F.E. carbo-graphite filled |
| 10 | Bucha de aço | 2 | Liga de aço |
| 11 | Pino de aço | 2 | Liga de aço |
| 12 | Anel guia | 2 | P.T.F.E. Carbo-grafite preenchido |
| 13* | Disco de suporte | 4 | Resina acetálica |
| 14* | O-ring do pistão | 2 | Nitrilic rubber |
| 15* | O-ring eixo sup. | 1 | FKM |
| 16 | Anel de suporte externo | 1 | Resina acetálica |
| 17 | Arruela de regulagem de espessura | 1 | Aço inoxidável |
| 18 | Seeger | 1 | Aço inoxidável |
| 19* | O-ring condaria | 2 | Nitrilic rubber |
| 20* | O-ring do eixo inferior | 1 | FKM |
| 21* | O-ring tampa | 2 | Nitrilic rubber |
| 22* | O-ring corpo-cilindro | 2 | Nitrilic rubber |
| 23 | Porca a calota | 12 | Aço inoxidável |
| 24 | Grão de ajuste | 2 | Aço inoxidável |
| 25* | O-ring grão | 2 | Nitrilic rubber |
| 26 | Porca | 2 | Aço inoxidável |
| 27 | Mola | 4 | Liga de aço |
| 28* | O-ring regulagem | 2 | Nitrilic rubber |
| 29 | Porca | 2 | Aço inoxidável |
| 30 | Porca a calota | 2 | Aço inoxidável |
| 31 | Recipiente de mola | 2 | Liga de alumínio |
| 32 | Parafuso de prec. da mola | 2 | Aço inoxidável |
| 33 | Cilindro lateral | 2 | Lega di alluminio |
| 34 | Parafuso anti-expulsão | 1 | Aço inoxidável |
| 35** | Anel de centralização (OPTIONAL) | 1 | Liga de alumínio |
| 36 | Parafuso de montagem | 12 | Aço |
| 37 | Ficha anti-expulsão | 2 | Liga de aço |
| * Detalhes do kit de substituição | |||
| **OPCIONAL | |||
COMPONENTES ATUADOR PNEUMÁTICO EFEITO SIMPLES TAMANHO: SR2880 | |||
| Pos | Designação | Qtd | Material |
| 1 | Bucha de aço | 2 | Aço |
| 2 | Pino de aço | 2 | Aço |
| 3 | Parafuso de regulagem | 1 | Aço |
| 4 | Trava esquerda | 1 | Aço |
| 5* | O-ring | 2 | Nitrilic rubber |
| 6 | Tampa de proteção | 1 | Alumínio |
| 7 | Arruela anti-rotação | 1 | Aço |
| 8 | Anel passante | 1 | Aço inoxidável |
| 9* | O-ring | 1 | Nitrilic rubber |
| 10 | Cárter de regulagem | 1 | Alumínio |
| 11 | Parafuso do cárter | 4 | Aço |
| 12 | Anel cego | 1 | Aço inoxidável |
| 13 | Trava direita | 1 | Aço |
| 14 | Parafuso anti-expulsão | 1 | Aço |
| 15 | Eixo | 1 | Aço |
| 16 | Suporte inferior | 1 | P.T.F.E. carbo-graphite filled |
| 17 | Bucha de suporte inferior | 1 | Alumínio |
| 18 | Parafuso para bucha | 2 | Aço |
| 19* | O-ring | 1 | FKM |
| 20 | Bucha de deslizamento | 1 | Resina acetálica |
| 21* | Discos | 4 | Resina acetálica |
| 22 | Ficha anti-expulsão | 2 | Aço |
| 23 | Cilindro latarel | 2 | Alumínio |
| 24* | O-ring tampa | 2 | Nitrilic rubber |
| 25 | Tampa | 2 | Alumínio |
| 26 | Parafuso de montagem | 14 | Aço |
| 27 | Porca a calota | 14 | Aço |
| 28 | Porca a calota | 2 | Aço |
| 29 | Porca | 2 | Aço |
| 30* | O-ring | 2 | Nitrilic rubber |
| 31* | Anel guia | 2 | P.T.F.E. Carbo-grafite preenchido |
| 32* | O-ring do pistão | 2 | Nitrilic rubber |
| 33 | Pistão | 2 | Alumínio |
| 34 | Garfo | 1 | Aço |
| 35 | Bucha de deslizamento/sup | 1 | Resina acetalica |
| 36* | O-ring | 2 | Nitrilic rubber |
| 37* | O-ring | 2 | Nitrilic rubber |
| 38 | Corpo | 1 | Alumínio |
| 39* | Suporte superior | 1 | P.T.F.E. carbo-graphite filled |
| 40* | O-ring | 1 | FKM |
| 41* | Anel de suporte externo | 1 | Resina acetálica |
| 42 | Arruela de Reg. Espess. | 1 | Aço |
| 43 | Seeger | 1 | Aço |
| 44 | Parafuso de pré-carga da mola | 2 | Aço |
| 45* | O-ring | 2 | Nitrilic rubber |
| 46 | Cont.mola pequeno | 2 | Alumínio |
| 47* | O-ring | 2 | Nitrilic rubber |
| 48 | Cont. mola grande | 2 | Alumínio |
| 49 | Mola externa | 2 | Aço |
| 50 | Mola interna | 2 | Aço |
| 51* | Guarnição do cárter | 1 | Nitrilic rubber |
| 52* | O-ring | 1 | FKM |
| 53 | Arruela de suporte | 1 | Aço |
| 54 | Seeger | 2 | Aço |
| * Detalhes do kit de substituição | |||
| COMPONENTES ATUADOR PNEUMÁTICO EFEITO SIMPLES TAMANHO: SR4000 | |||
| Pos | Designação | Qtd | Material |
| 1 | Bucha de aço | 2 | Aço |
| 2 | Pino de aço | 2 | Aço |
| 3 | Parafuso de regulagem | 1 | Aço |
| 4 | Trava esquerda | 1 | Aço |
| 5* | O-ring | 2 | Nitrilic rubber |
| 6 | Tampa de proteção | 1 | Alumínio |
| 7 | Arruela anti-rotação | 1 | Aço |
| 8 | Anel passante | 1 | Aço inoxidável |
| 9* | O-ring | 1 | Nitrilic rubber |
| 10 | Cárter de regulagem | 1 | Alumínio |
| 11 | Parafuso do cárter | 4 | Aço |
| 12 | Anel cego | 1 | Aço inoxidável |
| 13 | Trava direita | 1 | Aço |
| 14 | Parafuso anti-expulsão | 1 | Aço |
| 15 | Eixo | 1 | Aço |
| 16 | Suporte inferior | 1 | P.T.F.E. carbo-graphite filled |
| 17 | Interface F25 | 1 | Alumínio |
| 18 | Parafuso para interface | 2 | Aço |
| 19* | O-ring | 1 | FKM |
| 20 | Bucha de deslizamento | 1 | Acetalharz |
| 21* | Discos | 4 | Acetalharz |
| 22 | Ficha anti-expulsão | 2 | Aço |
| 23 | Cilindro laterale | 2 | Alumínio |
| 24* | O-ring tampa | 2 | Nitrilic rubber |
| 25 | Tampa | 2 | Alumínio |
| 26 | Parafuso de montagem | 14 | Aço |
| 27 | Porca a calota | 28 | Aço |
| 28 | Porca | 2 | Aço |
| 29 | Parafuso de pré-carga da mola | 2 | Aço |
| 30* | O-ring | 2 | Nitrilic rubber |
| 31* | Anel guia | 2 | P.T.F.E. Carbo-grafite preenchido |
| 32* | O-ring do pistão | 2 | NBR |
| 33 | Pistão | 2 | Alumínio |
| 34 | Garfo | 1 | Aço |
| 35 | Bucha de deslizamento/sup | 1 | Resina acetálica |
| 36* | O-ring | 2 | Nitrilic rubber |
| 37* | O-ring | 18 | Nitrilic rubber |
| 38 | Corpo | 1 | Alumínio |
| 39* | Suporte superior | 1 | P.T.F.E. carbo-graphite filled |
| 40* | O-ring | 1 | FKM |
| 41* | Anel de suporte externo | 1 | Resina acetálica |
| 42 | Arruela de Reg. Espess | 1 | Aço |
| 43 | Seeger | 1 | Aço |
| 44* | Guarnição do cárter | 1 | Nitrilic rubber |
| 45 | Arruela de suporte | 1 | Aço |
| 46 | Seeger | 2 | Aço |
| 47 | Flange red. cilindro | 2 | Alumínio |
| 48 | Parafusos da flange | 14 | Aço |
| 49 | Grão | 2 | Aço |
| 50 | Flange red. pistão | 2 | Alumínio |
| 51* | O-ring | 2 | Nitrilic rubber |
| 52 | Porca a calota | 2 | Aço |
| 53 | Mola externa | 2 | Aço |
| 54 | Mola interna | 2 | Aço |
| 55 | Cont. mola grande | 2 | Alumínio |
| 56 | O-ring | 2 | Nitrilic rubber |
| 57 | O-ring | 2 | Nitrilic rubber |
| 58 | Cont.mola pequeno | 2 | Alumínio |
| * Detalhes do kit de substituição | |||
TABELA DOS MOMENTOS DE ROTAÇÃO (Nm) α°= ÂNGULO DE ROTAÇÃO | |||||||||
| MEDIDA | α° | 2,8 bar ÷ 40 PSI | 3,5 bar ÷ 50 PSI | 4,2 bar ÷ 60 PSI | 5,6 bar ÷ 80 PSI | ||||
| ar | mola | ar | mola | ar | mola | ar | mola | ||
| SRN 15 | 0° | 7,5 | 5 | 9,4 | 6,3 | 11,3 | 7,5 | 15 | 10 |
| 50° | 3,7 | 3,7 | 4,7 | 4,7 | 5,6 | 5,6 | 7,5 | 7,5 | |
| 90° | 5 | 7,5 | 6,3 | 9,4 | 7,5 | 11,3 | 10 | 15 | |
| SRN 30 | 0° | 15 | 10 | 18,8 | 12,5 | 22,5 | 15 | 30 | 20 |
| 50° | 7,5 | 7,5 | 9,4 | 9,4 | 11,3 | 11,3 | 15 | 15 | |
| 90° | 10 | 15 | 12,5 | 18,8 | 15 | 22,5 | 20 | 30 | |
| SRN 53 | 0° | 26,5 | 17,5 | 33 | 22 | 40 | 26 | 53 | 35 |
| 50° | 13 | 13 | 16,5 | 16,5 | 19,5 | 19,5 | 26 | 26 | |
| 90° | 17,5 | 26,5 | 22 | 33 | 26 | 40 | 35 | 53 | |
| SRN 60 | 0° | 30 | 20 | 37,5 | 25 | 45 | 30 | 60 | 40 |
| 50° | 15 | 15 | 18,8 | 18,8 | 22,5 | 22,5 | 30 | 30 | |
| 90° | 20 | 30 | 25 | 37,5 | 30 | 45 | 40 | 60 | |
| SRN 90 | 0° | 45 | 30 | 56,3 | 37,5 | 67,5 | 45 | 90 | 60 |
| 50° | 22,5 | 22,5 | 28,1 | 28,1 | 33,9 | 33,9 | 45 | 45 | |
| 90° | 30 | 45 | 37,5 | 56,3 | 45 | 67,5 | 60 | 90 | |
| SRN 120 | 0° | 60 | 40 | 75 | 50 | 90 | 60 | 120 | 80 |
| 50° | 30 | 30 | 37,5 | 37,5 | 45 | 45 | 60 | 60 | |
| 90° | 40 | 60 | 50 | 75 | 60 | 90 | 80 | 120 | |
| SRN 180 | 0° | 90 | 60 | 112,5 | 75 | 135 | 90 | 180 | 120 |
| 50° | 45 | 45 | 56,3 | 56,3 | 67,5 | 67,5 | 90 | 90 | |
| 90° | 60 | 90 | 75 | 112,5 | 90 | 135 | 120 | 180 | |
| SRN 240 | 0° | 120 | 80 | 150 | 100 | 180 | 120 | 240 | 160 |
| 50° | 60 | 60 | 75 | 75 | 90 | 90 | 120 | 120 | |
| 90° | 80 | 120 | 100 | 150 | 120 | 180 | 160 | 240 | |
| SRN 360 | 0° | 180 | 120 | 225 | 150 | 270 | 180 | 360 | 240 |
| 50° | 90 | 90 | 112,5 | 112,5 | 135 | 135 | 180 | 180 | |
| 90° | 120 | 180 | 150 | 225 | 180 | 270 | 240 | 360 | |
| SRN 480 | 0° | 240 | 160 | 300 | 200 | 360 | 240 | 480 | 320 |
| 50° | 120 | 120 | 150 | 150 | 180 | 180 | 240 | 240 | |
| 90° | 160 | 240 | 200 | 300 | 240 | 360 | 320 | 480 | |
| SRN 720 | 0° | 360 | 240 | 450 | 300 | 540 | 360 | 720 | 480 |
| 50° | 180 | 180 | 225 | 225 | 270 | 270 | 360 | 360 | |
| 90° | 240 | 360 | 300 | 450 | 360 | 540 | 480 | 720 | |
| SRN 960 | 0° | 480 | 320 | 600 | 400 | 720 | 480 | 960 | 640 |
| 50° | 240 | 240 | 300 | 300 | 360 | 360 | 480 | 480 | |
| 90° | 320 | 480 | 400 | 600 | 480 | 720 | 640 | 960 | |
| SR 1440 | 0° | --- | --- | 900 | 600 | --- | --- | 1440 | 960 |
| 50° | --- | --- | 450 | 450 | --- | --- | 720 | 720 | |
| 90° | --- | --- | 600 | 900 | --- | --- | 960 | 1440 | |
| SR 1920 | 0° | 960 | 640 | 1200 | 800 | 1440 | 960 | 1920 | 1280 |
| 50° | 480 | 480 | 600 | 600 | 720 | 720 | 960 | 960 | |
| 90° | 640 | 960 | 800 | 1200 | 960 | 1440 | 1280 | 1920 | |
| SR 2880 | 0° | 1440 | 960 | 1800 | 1200 | 2160 | 1440 | 2880 | 1920 |
| 50° | 720 | 720 | 900 | 900 | 1080 | 1080 | 1440 | 1440 | |
| 90° | 960 | 1440 | 1200 | 1800 | 1440 | 2160 | 1920 | 2880 | |
| SR 4000 | 0° | 2000 | 1333 | 2500 | 1666,3 | 3000 | 1999,5 | 4000 | 2666 |
| 50° | 1000 | 1000 | 1250 | 1250 | 1500 | 1500 | 2000 | 2000 | |
| 90° | 1333 | 2000 | 1666,3 | 2500 | 1999,5 | 3000 | 2666 | 4000 | |