1. Bandes d'étanchéité et de glissement autolubrifiantes sous tension
Frottement réduit entre le piston et le vérin
Évite que la garniture ne se colle au vérin, même après de longues périodes d’immobilisation
2. Fentes, douilles et goupilles en acier avec une dureté supérieure à 50 HRC
Plus grande résistance aux forces à l’intérieur de l'actionneur
3. Frottement de roulement entre la fente et le piston
Réduction du frottement
4. Bielle-manivelle avec frottement de roulement (transformation du mouvement linéaire en mouvement de rotation par piston et arbre sans engrenages).
Moins de frottement entre le piston et l'arbre, ce qui réduit l'usure des pièces
Moment de torsion accru en phase d’ouverture et fermeture
Encombrement réduit par rapport aux actionneurs à pignon et crémaillère, donc moins d'espace requis
Moins de poids par rapport aux actionneurs à pignon et crémaillère (-30 % Kg/Nm), ce qui entraîne des économies sur la construction de la structure de l'installation
Réduction de la consommation d'air par rapport aux actionneurs à pignon et crémaillère (-40 % air cm³/Nm double effet et -20 % air cm³/Nm simple effet) avec une charge de travail réduite du compresseur en conséquence ou possibilité d'utiliser un compresseur de dimensions réduites
5. Vérin laminé
Usure moindre des bandes sous tension grâce à la faible rugosité de la surface
6. Stainless Steel shaft
Higher corrosion resistance
Plan de pose pour électrovannes NAMUR intégré par le DAN15
Ne nécessite aucune embase supplémentaire
Processus de production entièrement réalisé chez OMAL
Contrôle maximum dans toutes les phases de d’usinage
Certificat ATEX
Permet son installation en présence d'un milieu potentiellement explosif
Certifié jusqu'à SIL 3
Niveau élevé garanti de sécurité fonctionnelle
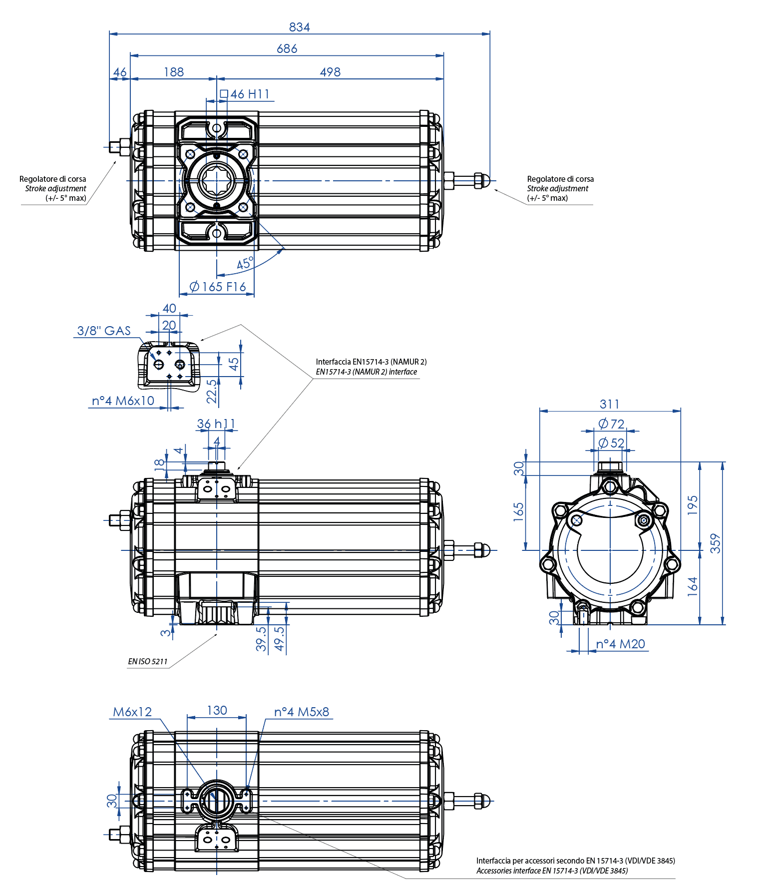
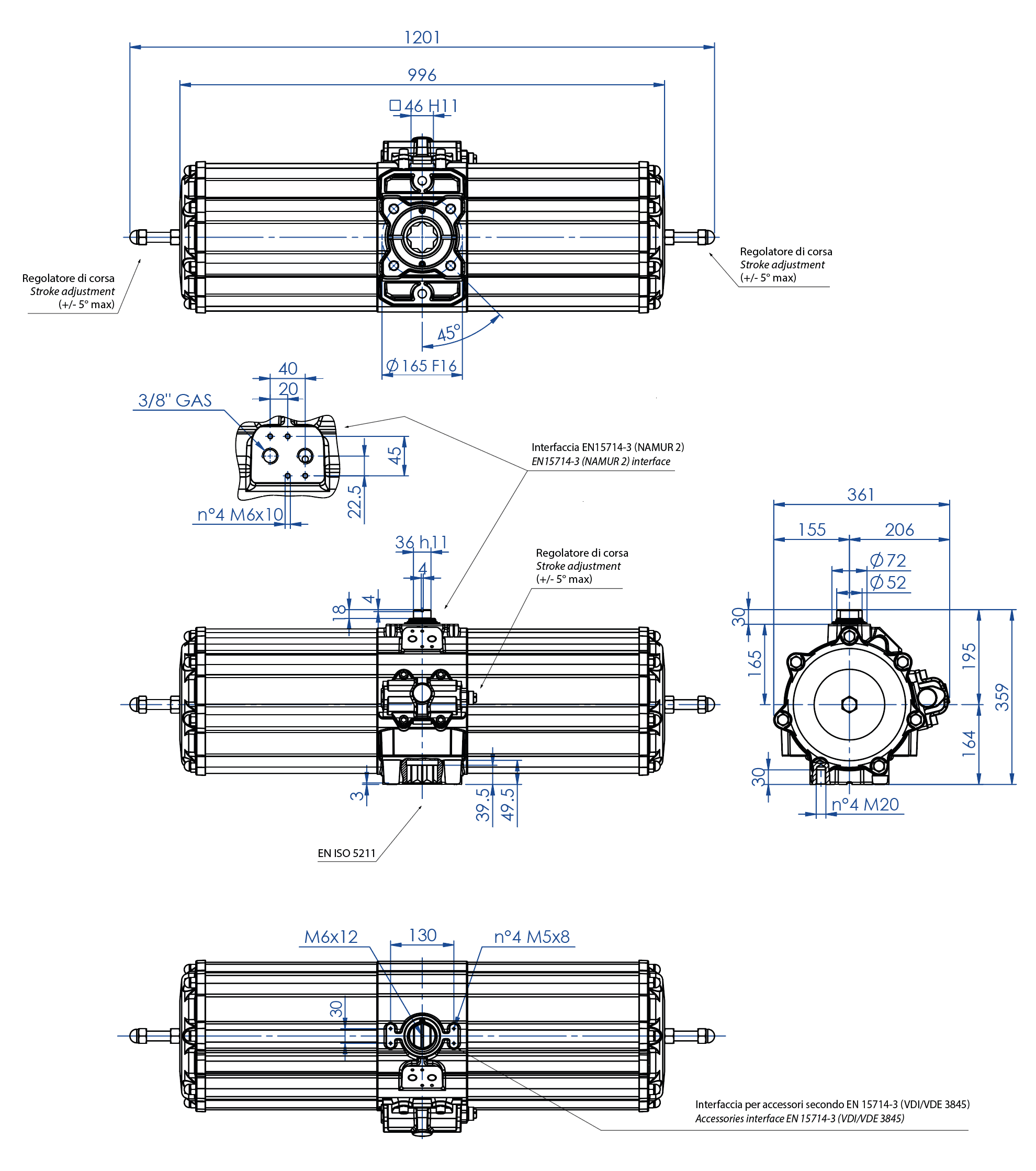
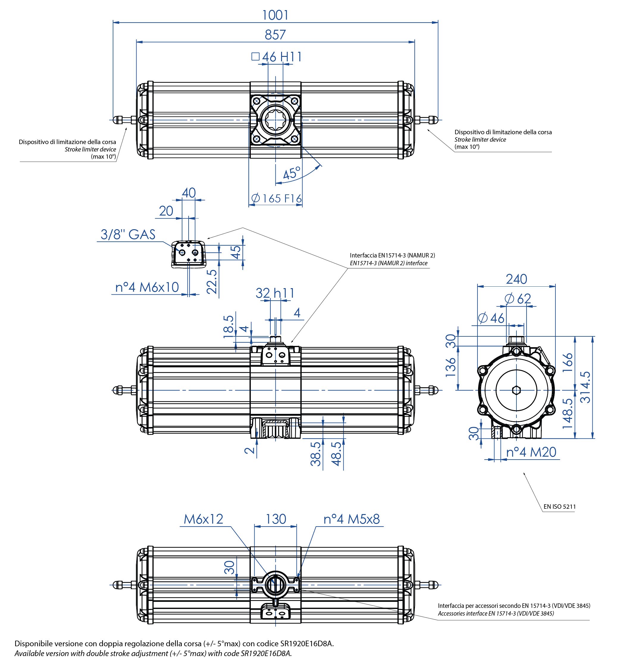
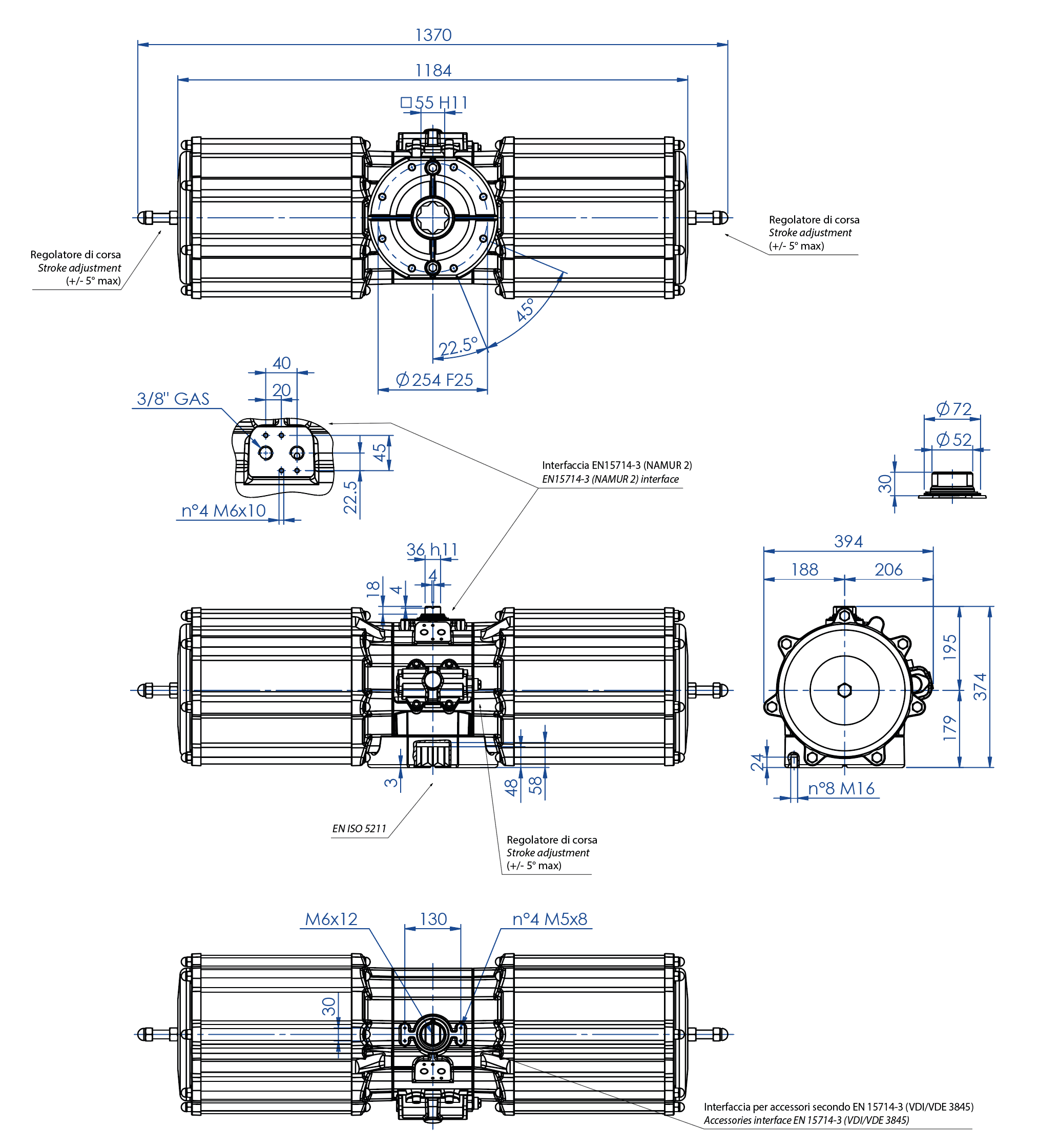
CARACTÉRISTIQUES TECHNIQUES
Couple compris entre 15 Nm et 4000 Nm.
Bride de raccordement: EN ISO 5211
F03 - F04 - F05 - F07 - F10 - F12 - F14 - F16 - F25.
Conforme à la norme EN 15714-3
Angle de rotation: 92° (-1°, +91°)
Moment de torsion: Le moment de torsion de rappel dépend uniquement de l'action du ressort, indépendamment de la pression d'alimentation. Il existe 4 réglages de ressort différents disponibles; voir tableau.
La fermeture automatique au moyen des ressorts s’effectue dans le sens des aiguilles d'une montre.Dans chaque actionneur, le chiffre qui suit le sigle SR/SRN correspond à la valeur du couple de démarrage en Nm à une pression de 5,6 bar.Version ATEX conformément à la directive 2014/34/UE.
Pour la version ATEX, ajouter YX à la fin du code.
CONDITIONS DE TRAVAIL
Température: de -20°C à +80°C. (Versions spéciales: températures élevées: -20°C + 150°C; basses températures: -50°C + 60°C) Pression nominale: 5,6 bar; maximum de fonctionnement 8,4 bar.
Fluide d'alimentation: air comprimé filtré sec pas nécessairement lubrifié.
En cas de lubrification, utilisez une huile non détergente, compatible avec NBR.
FICHE TECHNIQUE du SRN15 (Nm) au SRN53 (Nm) | ||||||
| Code | SRN0015401S | SRN0015402S | SRN0030401S | SRN0030402S | SRN0053401S | |
| Garnitures de rechange | KGGI0014 | KGGI0016 | KGGI0060 | |||
| Mesure | SRN15 | SRN30 | SRN53 | |||
| ISO | F03/F05 | F04 | F04 | F05/F07 | F05/F07 | |
| A | 233,3 | 233,3 | 259 | 259 | 304,3 | |
| A1 (2,8 Bar) | 203,8 | 203,8 | 228,5 | 228,5 | 270,7 | |
| B | 11 | 11 | 14 | 14 | 17 | |
| C x profondeur | M5x8 | M5x8 | M5x8 | M6x9 | M6x9 | |
| D x profondeur | M6x9 | - | - | M8x12 | M8x12 | |
| E | 36 | 42 | 42 | 50 | 50 | |
| F | 50 | - | - | 70 | 70 | |
| G | 10 | 10 | 13 | 13 | 13 | |
| H | 30,3 | 30,3 | 35,7 | 35,7 | 42,8 | |
| I | 9 | 9 | 10 | 10 | 12 | |
| L | 79,2 | 79,2 | 90,4 | 90,4 | 103,3 | |
| M | 31,5 | 31,5 | 37,7 | 37,7 | 44,8 | |
| N | 47,7 | 47,7 | 52,7 | 52,7 | 58,5 | |
| O | 13,2 | 13,2 | 16,5 | 16,5 | 19,3 | |
| P | 27,7 | 27,7 | 32,7 | 32,7 | 38,5 | |
| Q | 31,5 | 31,5 | 37,7 | 37,7 | 44,8 | |
| R | 10,9 | 10,9 | 14,5 | 14,5 | 16,2 | |
| S | 20 | 20 | 20 | 20 | 20 | |
| T | 59,2 | 59,2 | 70,4 | 70,4 | 83,3 | |
| W (Gaz) | 1/8" | 1/8" | 1/8" | 1/8" | 1/8" | |
| Ch | 13 | 13 | 13 | 13 | 17 | |
| Poids (Kg) | 1,2 | 1,2 | 1,95 | 1,95 | 3 | |
| Air (dm3/cycle) | 0,09 | 0,09 | 0,17 | 0,17 | 0,3 | |
| H = CENTRE DES FIXATIONS EMBASE | ||||||
FICHE TECHNIQUE du SRN60 (Nm) au SRN360 (Nm) | |||||||
| Code | SRN0060401S | SRN0090401S | SRN0120401S | SRN0180401S | SRN0240401S | SRN0360401S | |
| Garnitures de rechange | KGGI0018 | KGGI0019 | KGGI0020 | KGGI0021 | KGGI0022 | KGGI0023 | |
| Mesure | SRN60 | SRN90 | SRN120 | SRN180 | SRN240 | SRN360 | |
| ISO | F05/F07 | F07/F10 | F07/F10 | F07/F10 | F10/F12 | F10/F12 | |
| A | 338,5 | 393,7 | 409,6 | 474 | 520,5 | 613 | |
| A1 (2,8 Bar) | 309,1 | 341,8 | 361,6 | 406,6 | 454,1 | 523 | |
| B | 17 | 22 | 22 | 22 | 27 | 27 | |
| C x profondeur | M6x9 | M8x12 | M8x12 | M8x12 | M10x15 | M10x15 | |
| D x profondeur | M8x12 | M10x15 | M10x15 | M10x15 | M12x18 | M12x18 | |
| E | 50 | 70 | 70 | 70 | 102 | 102 | |
| F | 70 | 102 | 102 | 102 | 125 | 125 | |
| G | 13 | 16 | 17 | 19 | 19 | 19,5 | |
| H | 44,8 | 54,5 | 58,1 | 60 | 57,4 | 61,5 | |
| I | 12 | 15 | 15 | 19 | 19 | 22 | |
| L | 107 | 137,5 | 141,1 | 148 | 164,9 | 178 | |
| M | 46,8 | 56,5 | 60,1 | 62 | 72,9 | 78,5 | |
| N | 60,2 | 81 | 81 | 86 | 92 | 99,5 | |
| O | 19,3 | 24,8 | 24,8 | 24,3 | 29,5 | 29,5 | |
| P | 40,2 | 51 | 51 | 56 | 62 | 69,5 | |
| Q | 46,8 | 56,5 | 60,1 | 62 | 72,9 | 78,5 | |
| R | 18 | 20,2 | 22,5 | 25,5 | 29 | 31,8 | |
| S | 20 | 30 | 30 | 30 | 30 | 30 | |
| T | 87 | 107,5 | 111,1 | 118 | 134,9 | 148 | |
| W (Gaz) | 1/8" | 1/8" | 1/8" | 1/8" | 1/4" | 1/4" | |
| Ch | 17 | 22 | 22 | 22 | 27 | 27 | |
| Poids (Kg) | 3,35 | 5,9 | 6,8 | 8,9 | 11,8 | 16,5 | |
| Air (dm3/cycle) | 0,33 | 0,55 | 0,8 | 1 | 1,5 | 2 | |
| H = CENTRE DES FIXATIONS EMBASE | |||||||
FICHE TECHNIQUE du SRN480 (Nm) au SRN960 (Nm) | |||||||
| Code | SRN0480401S | SRN0480402S | SRN0720402S | SRN0720401S | SRN0960402S | SRN0960401S | |
| Garnitures de rechange | KGGI0024 | KGGI0025 | KGGI0026 | ||||
| Mesure | SRN480 | SRN720 | SRN960 | ||||
| ISO | F10/F12 | F14 | F12 | F14 | F12/F16 | F14 | |
| A | 648,2 | 648,2 | 798 | 798 | 828 | 828 | |
| A1 (2,8 Bar) | 563,8 | 563,8 | 683 | 683 | 714,4 | 714,4 | |
| B | 36 | 36 | 36 | 36 | 46 | 46 | |
| C x profondeur | M10x15 | M16x24 | M12x18 | M16x24 | M12x18 | M16x24 | |
| D x profondeur | M12x18 | - | - | - | M20x30 | - | |
| E | 102 | 140 | 125 | 140 | 125 | 140 | |
| F | 125 | - | - | - | 165 | - | |
| G | 19,5 | 19,5 | 19,5 | 19,5 | 18,5 | 18,5 | |
| H | 78 | 78 | 86,5 | 86,5 | 99,2 | 99,2 | |
| I | 24 | 24 | 27 | 27 | 32 | 32 | |
| L | 198 | 198 | 216 | 216 | 237,7 | 237,7 | |
| M | 93,5 | 93,5 | 101,5 | 101,5 | 114,7 | 114,7 | |
| N | 104,5 | 104,5 | 114,5 | 114,5 | 123 | 123 | |
| O | 38,5 | 38,5 | 38,5 | 38,5 | 48,5 | 48,5 | |
| P | 74,5 | 74,5 | 84,5 | 84,5 | 93 | 93 | |
| Q | 93,5 | 93,5 | 101,5 | 101,5 | 114,7 | 114,7 | |
| R | 36,5 | 36,5 | 41 | 41 | 46 | 46 | |
| S | 30 | 30 | 30 | 30 | 30 | 30 | |
| T | 168 | 168 | 186 | 186 | 207,7 | 207,7 | |
| W (Gaz) | 1/4" | 1/4" | 1/4" | 1/4" | 1/4" | 1/4" | |
| Ch | 27 | 27 | 36 | 36 | 36 | 36 | |
| Poids (Kg) | 22,7 | 22,7 | 33 | 33 | 42 | 42 | |
| Air (dm3/cycle) | 2,8 | 2,8 | 4,2 | 4,2 | 5,9 | 5,9 | |
| H = CENTRE DES FIXATIONS EMBASE | |||||||
| FICHE TECHNIQUE SR 1440 (Nm) | |
| Code | SR1440E16D8A |
| Poids [Kg] | 74,0 |
| Volume air [dm3/cycle] | 11,0 |
| Garnitures de rechange | KGSI1035 |
| FICHE TECHNIQUE SR 1920 (Nm) | |
| Code | SR1920E1608A |
| Poids [Kg] | 67,0 |
| Volume air [dm3/cycle] | 12,0 |
| Garnitures de rechange | KGDI0030 |
| FICHE TECHNIQUE SR 2880 (Nm) | |
| Code | SR2880E16D8A |
| Poids [Kg] | 116,8 |
| Volume air [dm3/cycle] | 21,0 |
| Garnitures de rechange | KGSI2035 |
| FICHE TECHNIQUE SR 4000 (Nm) | |
| Code | SR4000E25D8A |
| Poids [Kg] | 183,0 |
| Volume air [dm3/cycle] | 29,1 |
| Garnitures de rechange | KGSI1040 |
COMPOSANTS ACTIONNEUR PNEUMATIQUE SIMPLE EFFET MESURE: SRN15-SRN960 | |||
| Pos | Désignation | Q.té | Matériau |
| 1 | Vérin | 1 | Alliage d'aluminium |
| 2 | Piston | 2 | Alliage d'aluminium |
| 3 | Bouchon | 2 | Alliage d'aluminium |
| 4 | Arbre | 1 | Acier inoxydable |
| 5 | Bielle-manivelle | 1 | Alliage d'acier |
| 6 | Douille de guidage | 1 | Résine acétal |
| 7 | Support arbre | 1 | Résine acétal |
| 8 | Douille | 2 | Alliage d'acier |
| 9 | Axe | 2 | Alliage d'acier |
| 10* | Bague d'étanchéité | 2 | Polyuréthane |
| 11* | Disque de support | 4 | P.T.F.E. carbo-graphite filled |
| 12* | Joint torique piston | 2 | Caoutchouc nitrile |
| 13 | Joint torique arbre supérieur | 1 | FKM |
| 14 | Bague de support extérieur | 1 | Résine acétal |
| 15 | Rondelle de calage | 1 | Acier inoxydable |
| 16 | Seeger | 1 | Acier inoxydable |
| 17 | Joint torique arbre inférieur | 1 | FKM |
| 18 | Écrou | 2 | Alliage d'aluminium |
| 19* | Joint torique bouchon | 2 | Caoutchouc nitrile |
| 20 | Vis | 8 | Acier inoxydable |
| 21 | Vis de précontrainte ressort | 2 | Alliage d'acier |
| 22 | Cuvette ressort | 2 | Alliage d'acier |
| 23 | Ressort | 2 | Alliage d'acier |
| 24* | Joint torique | 2 | Caoutchouc nitrile |
| 25 | Goupille élastique externe | 1 | Alliage d'acier |
| 26 | Goupille élastique interne | 1 | Alliage d'acier |
| 27 | Bague de centrage (OPTIONAL) | 1 | Alliage d'aluminium |
| * Détails du kit des pièces de rechange | |||
| COMPOSANTS ACTIONNEUR PNEUMATIQUE SIMPLE EFFET MESURE: SR1440 | |||
| Pos | Désignation | Q.té | Matériau |
| 1 | Douille acier | 1 | Acier |
| 2 | Goupille acier | 1 | Acier |
| 3 | Corps | 1 | Aluminium |
| 4 | Ressort interne | 1 | Acier |
| 5* | Joint torique | 2 | Nitrilic rubber |
| 6 | Arbre | 1 | Acier |
| 7 | Vis anti-éjection | 1 | Acier |
| 8* | Support inférieur | 1 | P.T.F.E. carbo-graphite filled |
| 9* | Joint torique | 1 | FKM |
| 10* | Joint torique | 1 | FKM |
| 11 | Douille de support inférieur | 1 | Aluminium |
| 12 | Vis pour douille | 2 | Acier |
| 13 | Douille de guidage | 1 | Résine acétal |
| 14 | Entretoise | 1 | Aluminium |
| 15 | Bouchon | 1 | Aluminium |
| 16 | Vis d'assemblage | 7 | Acier |
| 17 | Écrou borgne | 7 | Acier |
| 18 | Vis sans tête (bouchon) | 1 | Acier |
| 19 | Écrou | 1 | Acier |
| 20 | Vis sans tête de réglage | 1 | Acier |
| 21* | Joint torique | 1 | Nitrilic rubber |
| 22 | Bielle-manivelle | 1 | Acier |
| 23 | Douille de guidage/supp. | 1 | Résine acétal |
| 24* | Joint torique | 2 | Nitrilic rubber |
| 25* | Support supérieur | 1 | P.T.F.E. carbo-graphite filled |
| 26* | Joint torique | 1 | FKM |
| 27* | Bague de support extérieur | 1 | Résine acétal |
| 28 | Rondelle de calage | 1 | Acier |
| 29 | Seeger | 1 | Acier |
| 30 | Goupille anti-éjection | 1 | Acier |
| 31* | Disques | 2 | Résine acétal |
| 32 | Piston | 1 | Aluminium |
| 33* | Joint torique | 1 | Nitrilic rubber |
| 34* | Bague de guidage | 1 | P.T.F.E. Rempli de carbone de graphite |
| 35 | Vérin latéral | 1 | Acier |
| 36* | Joint torique | 2 | Nitrilic rubber |
| 37 | Bouchon | 1 | Acier |
| 38 | Vis d'assemblage | 7 | Acier |
| 39 | Écrou borgne | 7 | Acier |
| 40* | Joint torique | 1 | Nitrilic rubber |
| 41 | Écrou | 1 | Acier |
| 42 | Écrou borgne | 1 | Acier |
| 43 | Vis de précontrainte du ressort | 1 | Acier |
| 44 | Joint torique | 1 | Nitrilic rubber |
| 45 | Petite cuvette ressort | 1 | Aluminium |
| 46 | Joint torique | 1 | Nitrilic rubber |
| 47 | Grande cuvette ressort | 1 | Aluminium |
| 48 | Ressort externe | 1 | Acier |
| * Détails du kit des pièces de rechange | |||
| COMPOSANTS ACTIONNEUR PNEUMATIQUE SIMPLE EFFET MESURE: SR1920 | |||
| Pos | Désignation | Q.té | Matériau |
| 1 | Vérin | 1 | Alliage d'aluminium |
| 2 | Piston | 2 | Alliage d'aluminium |
| 3 | Bouchon | 2 | Alliage d'aluminium |
| 4 | Arbre | 1 | Acier inoxydable |
| 5 | Bielle-manivelle | 1 | Alliage d'acier |
| 6 | Douille de guidage | 1 | Résine acétal |
| 7 | Douille guidage/support | 1 | Résine acétal |
| 8 | Bande supp. inf. | 1 | P.T.F.E. carbo-graphite filled |
| 9 | Bande supp. sup. | 1 | P.T.F.E. carbo-graphite filled |
| 10 | Douille acier | 2 | Alliage d'acier |
| 11 | Goupille acier | 2 | Alliage d'acier |
| 12 | Bague de guidage | 2 | P.T.F.E. Rempli de carbone de graphite |
| 13* | Disque de support | 4 | Résine acétal |
| 14* | Joint torique piston | 2 | Nitrilic rubber |
| 15* | Joint torique arbre sup. | 1 | FKM |
| 16 | Bague de support ext. | 1 | Résine acétal |
| 17 | Rondelle de calage | 1 | Acier inoxydable |
| 18 | Seeger | 1 | Acier inoxydable |
| 19* | Joint torique cond. air | 2 | Nitrilic rubber |
| 20* | Joint torique arbre inférieur | 1 | FKM |
| 21* | Joint torique bouchon | 2 | Nitrilic rubber |
| 22* | Joint torique corps-vérin | 2 | Nitrilic rubber |
| 23 | Écrou borgne | 12 | Acier inoxydable |
| 24 | Vis sans tête de réglage | 2 | Acier inoxydable |
| 25* | Joint torique vis sans tête | 2 | Nitrilic rubber |
| 26 | Écrou | 2 | Acier inoxydable |
| 27 | Ressort | 4 | Alliage d'acier |
| 28* | Joint torique réglage | 2 | Nitrilic rubber |
| 29 | Écrou | 2 | Acier inoxydable |
| 30 | Écrou borgne | 2 | Acier inoxydable |
| 31 | Cuvette ressort | 2 | Alliage d'aluminium |
| 32 | Vis de précontrainte ressort | 2 | Acier inoxydable |
| 33 | Vérin latéral | 2 | Alliage d'aluminium |
| 34 | Vis anti-éjection | 1 | Acier inoxydable |
| 35** | Bague de centrage (OPTIONAL) | 1 | Alliage d'aluminium |
| 36 | Vis d'assemblage | 12 | Acier |
| 37 | Goupille anti-éjection | 2 | Alliage d'acier |
| * Détails du kit des pièces de rechange | |||
| **EN OPTION | |||
COMPOSANTS ACTIONNEUR PNEUMATIQUE SIMPLE EFFET MESURE: SR2880 | |||
| Pos | Désignation | Q.té | Matériau |
| 1 | Douille acier | 2 | Acier |
| 2 | Goupille acier | 2 | Acier |
| 3 | Vis de réglage | 1 | Acier |
| 4 | Butée gauche | 1 | Acier |
| 5* | Joint torique | 2 | Nitrilic rubber |
| 6 | Bouchon de protection | 1 | Aluminium |
| 7 | Rondelle anti-rotation | 1 | Acier |
| 8 | Bague passante | 1 | Acier inoxydable |
| 9* | Joint torique | 1 | Nitrilic rubber |
| 10 | Carter de réglage | 1 | Aluminium |
| 11 | Vis pour carter | 4 | Acier |
| 12 | Bague aveugle | 1 | Acier inoxydable |
| 13 | Butée droite | 1 | Acier |
| 14 | Vis anti-éjection | 1 | Acier |
| 15 | Arbre | 1 | Acier |
| 16 | Support inférieur | 1 | P.T.F.E. carbo-graphite filled |
| 17 | Douille de support inférieure | 1 | Aluminium |
| 18 | Vis pour douille | 2 | Acciaio |
| 19* | Joint torique | 1 | FKM |
| 20 | Douille de guidage | 1 | Résine acétal |
| 21* | Disques | 4 | Résine acétal |
| 22 | Goupille anti-éjection | 2 | Acier |
| 23 | Vérin latéral | 2 | Aluminium |
| 24* | Joint torique bouchon | 2 | Nitrilic rubber |
| 25 | Bouchon | 2 | Aluminium |
| 26 | Vis d'assemblage | 14 | Acier |
| 27 | Écrou borgne | 14 | Acier |
| 28 | Écrou borgne | 2 | Acier |
| 29 | Écrou | 2 | Acier |
| 30* | Joint torique | 2 | Nitrilic rubber |
| 31* | Bague de guidage | 2 | P.T.F.E. Rempli de carbone de graphite |
| 32* | Joint torique piston | 2 | Nitrilic rubber |
| 33 | Piston | 2 | Aluminium |
| 34 | Bielle-manivelle | 1 | Acier |
| 35 | Douille de guidage/supp. | 1 | Résine acétal |
| 36* | Joint torique | 2 | Nitrilic rubber |
| 37* | Joint torique | 2 | Nitrilic rubber |
| 38 | Corps | 1 | Aluminium |
| 39* | Support supérieur | 1 | P.T.F.E. carbo-graphite filled |
| 40* | Joint torique | 1 | FKM |
| 41* | Bague de support extérieur | 1 | Résine acétal |
| 42 | Rondelle de calage | 1 | Acier |
| 43 | Seeger | 1 | Acier |
| 44 | Vis précontrainte ressort | 2 | Acier |
| 45* | Joint torique | 2 | Nitrilic rubber |
| 46 | Petite cuvette ressort | 2 | Aluminium |
| 47* | Joint torique | 2 | Nitrilic rubber |
| 48 | Grande cuvette ressort | 2 | Aluminium |
| 49 | Ressort externe | 2 | Acier |
| 50 | Ressort interne | 2 | Acier |
| 51* | Garniture carter | 1 | Nitrilic rubber |
| 52* | Joint torique | 1 | FKM |
| 53 | Rondelle de support | 1 | Acier |
| 54 | Seeger | 2 | Acier |
| * Détails du kit des pièces de rechange | |||
| COMPOSANTS ACTIONNEUR PNEUMATIQUE SIMPLE EFFET MESURE: SR4000 | |||
| Pos | Désignation | Q.té | Matériau |
| 1 | Douille acier | 2 | Acier |
| 2 | Goupille acier | 2 | Acier |
| 3 | Vis de réglage | 1 | Acier |
| 4 | Butée gauche | 1 | Acier |
| 5* | Joint torique | 2 | Nitrilic rubber |
| 6 | Bouchon de protection | 1 | Aluminium |
| 7 | Rondelle anti-rotation | 1 | Acier |
| 8 | Bague passante | 1 | Acier inoxydable |
| 9* | Joint torique | 1 | Nitrilic rubber |
| 10 | Carter de réglage | 1 | Aluminium |
| 11 | Vis pour carter | 4 | Acier |
| 12 | Bague aveugle | 1 | Acier inoxydable |
| 13 | Butée droite | 1 | Acier |
| 14 | Vis anti-éjection | 1 | Acier |
| 15 | Arbre | 1 | Acier |
| 16 | Support inférieur | 1 | P.T.F.E. carbo-graphite filled |
| 17 | Plan de pose F25 | 1 | Aluminium |
| 18 | Vis pour plan de pose | 2 | Acciaio |
| 19* | Joint torique | 1 | FKM |
| 20 | Douille de guidage | 1 | Résine acétal |
| 21* | Disques | 4 | Résine acétal |
| 22 | Goupille anti-éjection | 2 | Acier |
| 23 | Vérin latéral | 2 | Aluminium |
| 24* | Joint torique bouchon | 2 | Nitrilic rubber |
| 25 | Bouchon | 2 | Aluminium |
| 26 | Vis d'assemblage | 14 | Acier |
| 27 | Écrou borgne | 28 | Acier |
| 28 | Écrou | 2 | Acier |
| 29 | Vis précontrainte ressort | 2 | Acier |
| 30* | Joint torique | 2 | Nitrilic rubber |
| 31* | Bague de guidage | 2 | P.T.F.E. Rempli de carbone de graphite |
| 32* | Joint torique piston | 2 | NBR |
| 33 | Piston | 2 | Aluminium |
| 34 | Bielle-manivelle | 1 | Acier |
| 35 | Douille de guidage/supp. | 1 | Résine acétal |
| 36* | Joint torique | 2 | Nitrilic rubber |
| 37* | Joint torique | 18 | Nitrilic rubber |
| 38 | Corps | 1 | Aluminium |
| 39* | Support supérieur | 1 | P.T.F.E. carbo-graphite filled |
| 40* | Joint torique | 1 | FKM |
| 41* | Bague de support extérieur | 1 | Résine acétal |
| 42 | Rondelle de calage | 1 | Acier |
| 43 | Seeger | 1 | Acier |
| 44* | Garniture carter | 1 | Nitrilic rubber |
| 45 | Rondelle de support | 1 | Acier |
| 46 | Seeger | 2 | Acier |
| 47 | Bride réduite vérin | 2 | Aluminium |
| 48 | Vis bride | 14 | Acier |
| 49 | Vis sans tête | 2 | Acier |
| 50 | Bride réduite piston | 2 | Aluminium |
| 51* | Joint torique | 2 | Nitrilic rubber |
| 52 | Écrou borgne | 2 | Acier |
| 53 | Ressort externe | 2 | Acier |
| 54 | Ressort interne | 2 | Acier |
| 55 | Grande cuvette ressort | 2 | Aluminium |
| 56 | Joint torique | 2 | Nitrilic rubber |
| 57 | Joint torique | 2 | Nitrilic rubber |
| 58 | Petite cuvette ressort | 2 | Aluminium |
| * Détails du kit des pièces de rechange | |||
TABLEAU DES COUPLES (Nm) α ° = ANGLE DE ROTATION | |||||||||
| MESURE | α° | 2,8 bar ÷ 40 PSI | 3,5 bar ÷ 50 PSI | 4,2 bar ÷ 60 PSI | 5,6 bar ÷ 80 PSI | ||||
| air | ressort | air | ressort | air | ressort | air | ressort | ||
| SRN 15 | 0° | 7,5 | 5 | 9,4 | 6,3 | 11,3 | 7,5 | 15 | 10 |
| 50° | 3,7 | 3,7 | 4,7 | 4,7 | 5,6 | 5,6 | 7,5 | 7,5 | |
| 90° | 5 | 7,5 | 6,3 | 9,4 | 7,5 | 11,3 | 10 | 15 | |
| SRN 30 | 0° | 15 | 10 | 18,8 | 12,5 | 22,5 | 15 | 30 | 20 |
| 50° | 7,5 | 7,5 | 9,4 | 9,4 | 11,3 | 11,3 | 15 | 15 | |
| 90° | 10 | 15 | 12,5 | 18,8 | 15 | 22,5 | 20 | 30 | |
| SRN 53 | 0° | 26,5 | 17,5 | 33 | 22 | 40 | 26 | 53 | 35 |
| 50° | 13 | 13 | 16,5 | 16,5 | 19,5 | 19,5 | 26 | 26 | |
| 90° | 17,5 | 26,5 | 22 | 33 | 26 | 40 | 35 | 53 | |
| SRN 60 | 0° | 30 | 20 | 37,5 | 25 | 45 | 30 | 60 | 40 |
| 50° | 15 | 15 | 18,8 | 18,8 | 22,5 | 22,5 | 30 | 30 | |
| 90° | 20 | 30 | 25 | 37,5 | 30 | 45 | 40 | 60 | |
| SRN 90 | 0° | 45 | 30 | 56,3 | 37,5 | 67,5 | 45 | 90 | 60 |
| 50° | 22,5 | 22,5 | 28,1 | 28,1 | 33,9 | 33,9 | 45 | 45 | |
| 90° | 30 | 45 | 37,5 | 56,3 | 45 | 67,5 | 60 | 90 | |
| SRN 120 | 0° | 60 | 40 | 75 | 50 | 90 | 60 | 120 | 80 |
| 50° | 30 | 30 | 37,5 | 37,5 | 45 | 45 | 60 | 60 | |
| 90° | 40 | 60 | 50 | 75 | 60 | 90 | 80 | 120 | |
| SRN 180 | 0° | 90 | 60 | 112,5 | 75 | 135 | 90 | 180 | 120 |
| 50° | 45 | 45 | 56,3 | 56,3 | 67,5 | 67,5 | 90 | 90 | |
| 90° | 60 | 90 | 75 | 112,5 | 90 | 135 | 120 | 180 | |
| SRN 240 | 0° | 120 | 80 | 150 | 100 | 180 | 120 | 240 | 160 |
| 50° | 60 | 60 | 75 | 75 | 90 | 90 | 120 | 120 | |
| 90° | 80 | 120 | 100 | 150 | 120 | 180 | 160 | 240 | |
| SRN 360 | 0° | 180 | 120 | 225 | 150 | 270 | 180 | 360 | 240 |
| 50° | 90 | 90 | 112,5 | 112,5 | 135 | 135 | 180 | 180 | |
| 90° | 120 | 180 | 150 | 225 | 180 | 270 | 240 | 360 | |
| SRN 480 | 0° | 240 | 160 | 300 | 200 | 360 | 240 | 480 | 320 |
| 50° | 120 | 120 | 150 | 150 | 180 | 180 | 240 | 240 | |
| 90° | 160 | 240 | 200 | 300 | 240 | 360 | 320 | 480 | |
| SRN 720 | 0° | 360 | 240 | 450 | 300 | 540 | 360 | 720 | 480 |
| 50° | 180 | 180 | 225 | 225 | 270 | 270 | 360 | 360 | |
| 90° | 240 | 360 | 300 | 450 | 360 | 540 | 480 | 720 | |
| SRN 960 | 0° | 480 | 320 | 600 | 400 | 720 | 480 | 960 | 640 |
| 50° | 240 | 240 | 300 | 300 | 360 | 360 | 480 | 480 | |
| 90° | 320 | 480 | 400 | 600 | 480 | 720 | 640 | 960 | |
| SR 1440 | 0° | --- | --- | 900 | 600 | --- | --- | 1440 | 960 |
| 50° | --- | --- | 450 | 450 | --- | --- | 720 | 720 | |
| 90° | --- | --- | 600 | 900 | --- | --- | 960 | 1440 | |
| SR 1920 | 0° | 960 | 640 | 1200 | 800 | 1440 | 960 | 1920 | 1280 |
| 50° | 480 | 480 | 600 | 600 | 720 | 720 | 960 | 960 | |
| 90° | 640 | 960 | 800 | 1200 | 960 | 1440 | 1280 | 1920 | |
| SR 2880 | 0° | 1440 | 960 | 1800 | 1200 | 2160 | 1440 | 2880 | 1920 |
| 50° | 720 | 720 | 900 | 900 | 1080 | 1080 | 1440 | 1440 | |
| 90° | 960 | 1440 | 1200 | 1800 | 1440 | 2160 | 1920 | 2880 | |
| SR 4000 | 0° | 2000 | 1333 | 2500 | 1666,3 | 3000 | 1999,5 | 4000 | 2666 |
| 50° | 1000 | 1000 | 1250 | 1250 | 1500 | 1500 | 2000 | 2000 | |
| 90° | 1333 | 2000 | 1666,3 | 2500 | 1999,5 | 3000 | 2666 | 4000 | |