1.Kendinden yağlamalı, enerjili sızdırmaz ve kayan bantlar
Piston ve silindir arasında daha az sürtünme
Conta uzun süre durduktan sonra bile silindire yapışması önlenir.
2.50 HRC'den büyük çelik sertliği olan yuvalar, burçlar ve soketler
Aktüatör içindeki mevcut kuvvetlere daha fazla mukavemet
3.Yiv ve piston arasındaki yuvarlanma sürtünmesi
Daha az sürtünme
4.Yuvarlanma sürtünmeli iskoç boyunduruğu (doğrusal hareketin bir piston ve dişlisiz mil vasıtasıyla döner harekete dönüşümü).
Piston ile mil arasında daha az sürtünme, parçalarda daha az aşınma
Açma ve kapama sırasında artan dönme momenti
Pinyon ve kremayer aktüatörlere nazaran daha küçük boyutlarda, dolayısıyla daha az alan gerektirir
Pinyon ve kremayer aktüatörlere nazaran daha az ağırlıkta (-30% Kg/Nm) ve bunun sonucunda tesisat yapımında tasarruf
Kompresörde daha düşük çalışma yükü veya kompresörün küçültülen boyutlarda kullanılması olasılığıyla pinyon ve kremayer aktüatörlere nazaran daha az hava tüketimi (% -40 hava cm3/Nm çift etkili ve %-20 hava cm3/Nm tek etkili)
5.Haddelenmiş silindir
Düşük yüzey pürüzlülüğü sayesinde enerjili bantlarda daha az aşınma
6. Stainless Steel shaft
Higher corrosion resistance
DAN15 ile entegre NAMUR solenoit vana arayüzü
İlave taban plakası gerektirmez
Üretim süreci tümüyle OMAL’de gerçekleşmektedir
Tüm işlem aşamalarında maksimum kontrol
ATEX Sertifikası
Potansiyel olarak patlayıcı ortamlarda montaja olanak sağlar
SIL 3'e kadar sertifikalı
Yüksek düzeyde işlevsel güvenlik garantisi
TEKNİK BİLGİLER
15 Nm ile 4000 Nm arasında moment
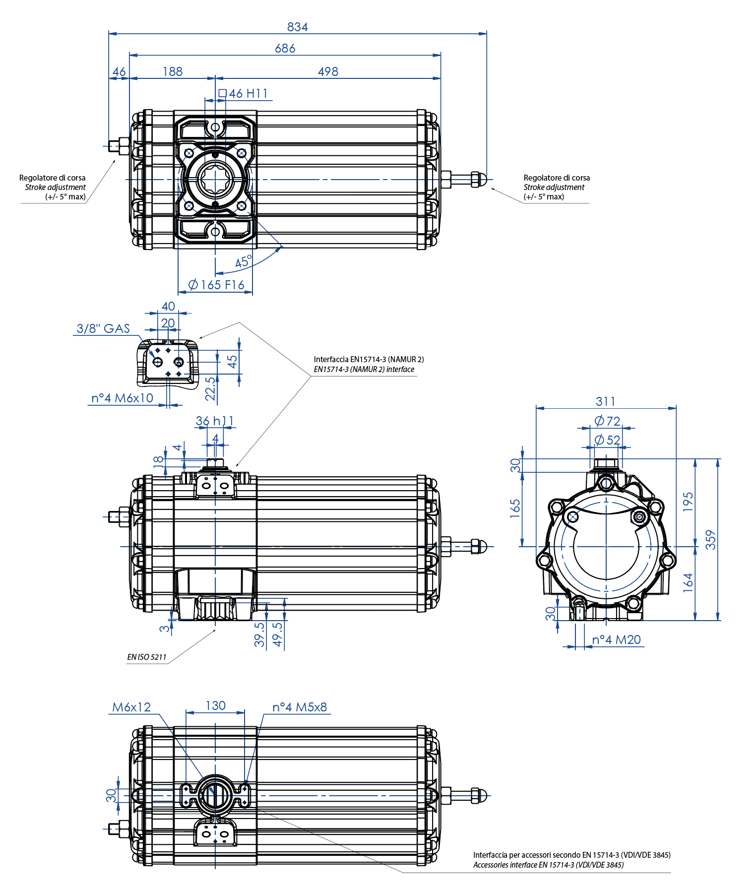
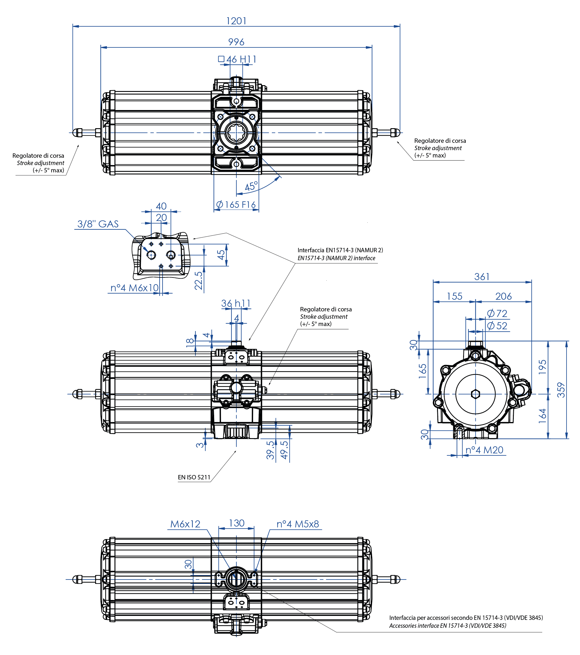
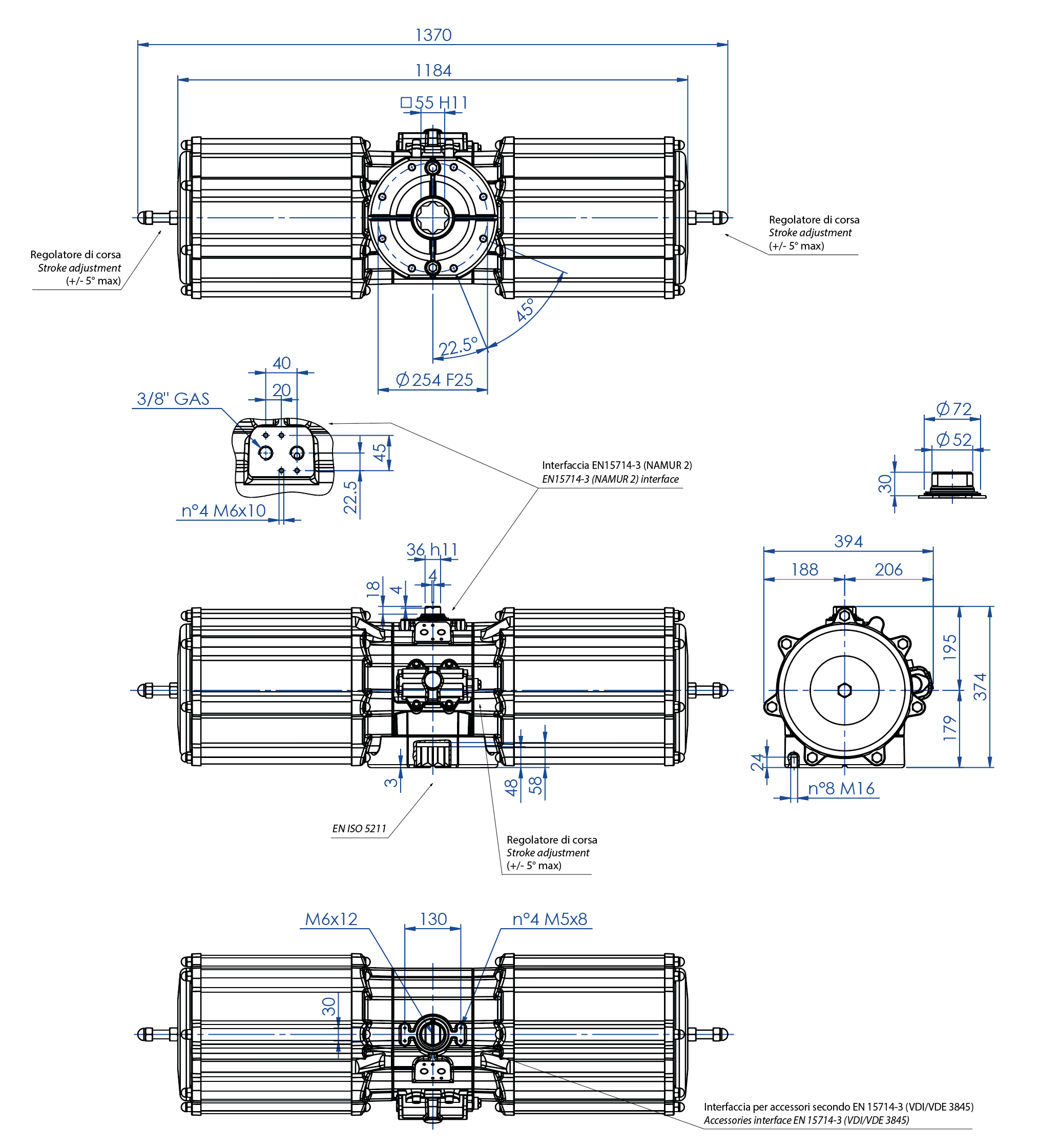
Bağlantı flanşı: EN ISO 5211
F03 - F04 - F05 - F07 - F10 - F12 - F14 - F16 - F25
EN 15714-3 standardına uygun
Dönme açısı: 92° (-1°, +91°)
Dönme momenti: Dönüş momenti sadece yayın hareketine bağlıdır ve besleme basıncından bağımsızdır. 4 farklı yay ayarı vardır; tabloya bakınız
Yaylar vasıtasıyla otomatik kapanma saat yönünde gerçekleşir
Her aktüatörde SR/SRN kısaltmasını takip eden simge 5.6 bar basınçta Nm cinsinden başlangıç torkunun değerine karşılık gelir
2014/34 / EU direktifine uygun ATEX versiyonu. ATEX versiyonu için kodun sonuna YX ekleyin
ÇALIŞMA KOŞULLARI
Sıcaklık: -20°C ile +80°C arası (Özel versiyonlar: Yüksek sıcaklık: -20° C ila +150° C; düşük sıcaklık: -50°C +60°C)
Nominal basınç: 5,6 bar; Maksimum çalışma 8.4 bar
Besleme sıvısı: kuru olarak filtrelenmiş basınçlı yağlı ya da yağlı olmayan hava
Yağlama durumunda, deterjan içermeyen veya NBR uyumlu yağ kullanınız
TEKNİK BİLGİ FORMU SRN15 (Nm) ile SRN53 (Nm) arasında | ||||||
| Kod | SRN0015401S | SRN0015402S | SRN0030401S | SRN0030402S | SRN0053401S | |
| Yedek keçeler | KGGI0014 | KGGI0016 | KGGI0060 | |||
| Ölçü | SRN15 | SRN30 | SRN53 | |||
| ISO | F03/F05 | F04 | F04 | F05/F07 | F05/F07 | |
| A | 233,3 | 233,3 | 259 | 259 | 304,3 | |
| A1 (2,8 Bar) | 203,8 | 203,8 | 228,5 | 228,5 | 270,7 | |
| B | 11 | 11 | 14 | 14 | 17 | |
| C x derinlik | M5x8 | M5x8 | M5x8 | M6x9 | M6x9 | |
| D x derinlik | M6x9 | - | - | M8x12 | M8x12 | |
| E | 36 | 42 | 42 | 50 | 50 | |
| F | 50 | - | - | 70 | 70 | |
| G | 10 | 10 | 13 | 13 | 13 | |
| H | 30,3 | 30,3 | 35,7 | 35,7 | 42,8 | |
| I | 9 | 9 | 10 | 10 | 12 | |
| L | 79,2 | 79,2 | 90,4 | 90,4 | 103,3 | |
| M | 31,5 | 31,5 | 37,7 | 37,7 | 44,8 | |
| N | 47,7 | 47,7 | 52,7 | 52,7 | 58,5 | |
| O | 13,2 | 13,2 | 16,5 | 16,5 | 19,3 | |
| P | 27,7 | 27,7 | 32,7 | 32,7 | 38,5 | |
| Q | 31,5 | 31,5 | 37,7 | 37,7 | 44,8 | |
| R | 10,9 | 10,9 | 14,5 | 14,5 | 16,2 | |
| S | 20 | 20 | 20 | 20 | 20 | |
| T | 59,2 | 59,2 | 70,4 | 70,4 | 83,3 | |
| W (Gaz) | 1/8" | 1/8" | 1/8" | 1/8" | 1/8" | |
| Ch | 13 | 13 | 13 | 13 | 17 | |
| Ağırlık (Kg) | 1,2 | 1,2 | 1,95 | 1,95 | 3 | |
| Hava (dm3/devir) | 0,09 | 0,09 | 0,17 | 0,17 | 0,3 | |
| H = TABAN PLAKASI SABİTLEMELERİ MERKEZİ | ||||||
TEKNİK BİLGİ FORMU SRN60 (Nm) ile SRN360 (Nm) arası | |||||||
| Kod | SRN0060401S | SRN0090401S | SRN0120401S | SRN0180401S | SRN0240401S | SRN0360401S | |
| Yedek keçeler | KGGI0018 | KGGI0019 | KGGI0020 | KGGI0021 | KGGI0022 | KGGI0023 | |
| Ölçü | SRN60 | SRN90 | SRN120 | SRN180 | SRN240 | SRN360 | |
| ISO | F05/F07 | F07/F10 | F07/F10 | F07/F10 | F10/F12 | F10/F12 | |
| A | 338,5 | 393,7 | 409,6 | 474 | 520,5 | 613 | |
| A1 (2,8 Bar) | 309,1 | 341,8 | 361,6 | 406,6 | 454,1 | 523 | |
| B | 17 | 22 | 22 | 22 | 27 | 27 | |
| C x derinlik | M6x9 | M8x12 | M8x12 | M8x12 | M10x15 | M10x15 | |
| D x derinlik | M8x12 | M10x15 | M10x15 | M10x15 | M12x18 | M12x18 | |
| E | 50 | 70 | 70 | 70 | 102 | 102 | |
| F | 70 | 102 | 102 | 102 | 125 | 125 | |
| G | 13 | 16 | 17 | 19 | 19 | 19,5 | |
| H | 44,8 | 54,5 | 58,1 | 60 | 57,4 | 61,5 | |
| I | 12 | 15 | 15 | 19 | 19 | 22 | |
| L | 107 | 137,5 | 141,1 | 148 | 164,9 | 178 | |
| M | 46,8 | 56,5 | 60,1 | 62 | 72,9 | 78,5 | |
| N | 60,2 | 81 | 81 | 86 | 92 | 99,5 | |
| O | 19,3 | 24,8 | 24,8 | 24,3 | 29,5 | 29,5 | |
| P | 40,2 | 51 | 51 | 56 | 62 | 69,5 | |
| Q | 46,8 | 56,5 | 60,1 | 62 | 72,9 | 78,5 | |
| R | 18 | 20,2 | 22,5 | 25,5 | 29 | 31,8 | |
| S | 20 | 30 | 30 | 30 | 30 | 30 | |
| T | 87 | 107,5 | 111,1 | 118 | 134,9 | 148 | |
| W (Gaz) | 1/8" | 1/8" | 1/8" | 1/8" | 1/4" | 1/4" | |
| Ch | 17 | 22 | 22 | 22 | 27 | 27 | |
| Ağırlık(Kg) | 3,35 | 5,9 | 6,8 | 8,9 | 11,8 | 16,5 | |
| Hava (dm3/devir) | 0,33 | 0,55 | 0,8 | 1 | 1,5 | 2 | |
| H = TABAN PLAKASI SABİTLEMELERİ MERKEZİ | |||||||
TEKNİK BİLGİ FORMU SRN480 (Nm) ile SRN960 (Nm) arası | |||||||
| Kod | SRN0480401S | SRN0480402S | SRN0720402S | SRN0720401S | SRN0960402S | SRN0960401S | |
| Yedek keçeler | KGGI0024 | KGGI0025 | KGGI0026 | ||||
| Ölçü | SRN480 | SRN720 | SRN960 | ||||
| ISO | F10/F12 | F14 | F12 | F14 | F12/F16 | F14 | |
| A | 648,2 | 648,2 | 798 | 798 | 828 | 828 | |
| A1 (2,8 Bar) | 563,8 | 563,8 | 683 | 683 | 714,4 | 714,4 | |
| B | 36 | 36 | 36 | 36 | 46 | 46 | |
| C x derinlik | M10x15 | M16x24 | M12x18 | M16x24 | M12x18 | M16x24 | |
| D x derinlik | M12x18 | - | - | - | M20x30 | - | |
| E | 102 | 140 | 125 | 140 | 125 | 140 | |
| F | 125 | - | - | - | 165 | - | |
| G | 19,5 | 19,5 | 19,5 | 19,5 | 18,5 | 18,5 | |
| H | 78 | 78 | 86,5 | 86,5 | 99,2 | 99,2 | |
| I | 24 | 24 | 27 | 27 | 32 | 32 | |
| L | 198 | 198 | 216 | 216 | 237,7 | 237,7 | |
| M | 93,5 | 93,5 | 101,5 | 101,5 | 114,7 | 114,7 | |
| N | 104,5 | 104,5 | 114,5 | 114,5 | 123 | 123 | |
| O | 38,5 | 38,5 | 38,5 | 38,5 | 48,5 | 48,5 | |
| P | 74,5 | 74,5 | 84,5 | 84,5 | 93 | 93 | |
| Q | 93,5 | 93,5 | 101,5 | 101,5 | 114,7 | 114,7 | |
| R | 36,5 | 36,5 | 41 | 41 | 46 | 46 | |
| S | 30 | 30 | 30 | 30 | 30 | 30 | |
| T | 168 | 168 | 186 | 186 | 207,7 | 207,7 | |
| W (Gaz) | 1/4" | 1/4" | 1/4" | 1/4" | 1/4" | 1/4" | |
| Ch | 27 | 27 | 36 | 36 | 36 | 36 | |
| Ağırlık (Kg) | 22,7 | 22,7 | 33 | 33 | 42 | 42 | |
| Hava (dm3/devir) | 2,8 | 2,8 | 4,2 | 4,2 | 5,9 | 5,9 | |
| H = TABAN PLAKASI SABİTLEMELERİ MERKEZİ | |||||||
| TEKNİK BİLGİ FORMU SR 1440 (Nm) | |
| Kod | SR1440E16D8A |
| Ağırlık [Kg] | 74,0 |
| Hava hacmi [dm3/devir] | 11,0 |
| Yedek contalar | KGSI1035 |
| TEKNİK BİLGİ FORMU SR 1920 (Nm) | |
| Kod | SR1920E1608A |
| Ağırlık [Kg] | 67,0 |
| Hava hacmi [dm3/devir] | 12,0 |
| Yedek contalar | KGDI0030 |
| TEKNİK BİLGİ FORMU SR 2880 (Nm) | |
| Kod | SR2880E16D8A |
| Ağırlık [Kg] | 116,8 |
| Hava hacmi [dm3/devir] | 21,0 |
| Yedek contalar | KGSI2035 |
| TEKNİK BİLGİ FORMU SR 4000 (Nm) | |
| Kod | SR4000E25D8A |
| Ağırlık [Kg] | 183,0 |
| Hava hacmi [dm3/devir] | 29,1 |
| Yedek contalar | KGSI1040 |
TEK ETKİ ÖLÇÜ PNÖMATİK AKTÜATÖR BİLEŞENLERİ: SRN15-SRN960 | |||
| Poz. | Adı: | Q.ty | Malzeme |
| 1 | Silindir | 1 | Alüminyum alaşımı |
| 2 | Piston | 2 | Alüminyum alaşımı |
| 3 | Tapa | 2 | Alüminyum alaşımı |
| 4 | Mil | 1 | Paslanmaz çelik |
| 5 | Çatal | 1 | Çelik alaşımı |
| 6 | Kaydırma burcu | 1 | Asetal reçine |
| 7 | Mil desteği | 1 | Asetal reçine |
| 8 | Ara burcu | 2 | Çelik alaşımı |
| 9 | Pim | 2 | Çelik alaşımı |
| 10* | Sızdırmaz halkası | 2 | Poliüretan |
| 11* | Destek diski | 4 | P.T.F.E. carbo-graphite filled |
| 12* | Piston o-ringi | 2 | Nitril kauçuk |
| 13 | Üst mil o-ringi | 1 | FKM |
| 14 | Dış destek halkası | 1 | Asetal reçine |
| 15 | Şim pulu | 1 | Paslanmaz çelik |
| 16 | Seeger | 1 | Paslanmaz çelik |
| 17 | Alt mil o-ringi | 1 | FKM |
| 18 | Somun | 2 | Alüminyum alaşımı |
| 19* | Tapa o-ringi | 2 | Nitril kauçuk |
| 20 | Vidalar | 8 | Paslanmaz çelik |
| 21 | Yya takılı vidalar | 2 | Çelik alaşımı |
| 22 | Yay muhafazası | 2 | Çelik alaşımı |
| 23 | Yay | 2 | Çelik alaşımı |
| 24* | O-ring | 2 | Nitril kauçuk |
| 25 | Dış elastik soket | 1 | Çelik alaşımı |
| 26 | İç elastik soket | 1 | Çelik alaşımı |
| 27 | Merkezleme halkası (OPTIONAL) | 1 | Alüminyum alaşımı |
| *Yedek parça kitinin detayları | |||
| TEK ETKİ ÖLÇÜ PNÖMATİK AKTÜATÖR BİLEŞENLERİ: SR1440 | |||
| Poz | Adı: | Q.ty | Malzeme |
| 1 | Çelik burç | 1 | Çelik |
| 2 | Çelik soket | 1 | Çelik |
| 3 | Gövde | 1 | Alüminyum |
| 4 | İç yay | 1 | Çelik |
| 5* | O-ring | 2 | Nitrilic rubber |
| 6 | Mil | 1 | Çelik |
| 7 | Anti-ekstrüzyon vidası | 1 | Çelik |
| 8* | Alt destek | 1 | P.T.F.E. carbo-graphite filled |
| 9* | O-ring | 1 | FKM |
| 10* | O-ring | 1 | FKM |
| 11 | Alt destek ara burcu | 1 | Alüminyum |
| 12 | Burç vidası | 2 | Çelik |
| 13 | Kaydırma burcu | 1 | Asetal reçine |
| 14 | Ara parça | 1 | Alüminyum |
| 15 | Tapa | 1 | Alüminyum |
| 16 | Montaj vidası | 7 | Çelik |
| 17 | Başlık somunu | 7 | Çelik |
| 18 | Pim (tapa) | 1 | Çelik |
| 19 | Somun | 1 | Çelik |
| 20 | Ayar pimi | 1 | Çelik |
| 21* | O-ring | 1 | Nitrilic rubber |
| 22 | Çatal | 1 | Çelik |
| 23 | Kaydr./dest. burcu | 1 | Asetal reçine |
| 24* | O-ring | 2 | Nitrilic rubber |
| 25* | Üst destek | 1 | P.T.F.E. carbo-graphite filled |
| 26* | O-ring | 1 | FKM |
| 27* | Dış destek halkası | 1 | Asetal reçine |
| 28 | Şim pulu | 1 | Çelik |
| 29 | Seeger | 1 | Çelik |
| 30 | Anti-ekstrüzyon soketi | 1 | Çelik |
| 31* | Diskler | 2 | Asetal reçine |
| 32 | Piston | 1 | Alüminyum |
| 33* | O-ring | 1 | Nitrilic rubber |
| 34* | Kılavuz halka | 1 | P.T.F.E. Karbon grafit dolgulu |
| 35 | Yan silindir | 1 | Çelik |
| 36* | O-ring | 2 | Nitrilic rubber |
| 37 | Tapa | 1 | Çelik |
| 38 | Montaj vidası | 7 | Çelik |
| 39 | Başlık somunu | 7 | Çelik |
| 40* | O-ring | 1 | Nitrilic rubber |
| 41 | Somun | 1 | Çelik |
| 42 | Başlık somunu | 1 | Çelik |
| 43 | Yay takılı vida | 1 | Çelik |
| 44 | O-ring | 1 | Nitrilic rubber |
| 45 | Küçük yay. .... | 1 | Alüminyum |
| 46 | O-ring | 1 | Nitrilic rubber |
| 47 | Büyük yay .... | 1 | Alüminyum |
| 48 | Dış yay | 1 | Çelik |
| * Yedek parça kitinin detayları. | |||
| TEK ETKİ ÖLÇÜ PNÖMATİK AKTÜATÖR BİLEŞENLERİ: SR1920 | |||
| Poz. | Adı: | Q.ty | Malzeme |
| 1 | Silindir | 1 | Alüminyum alaşımı |
| 2 | Piston | 2 | Alüminyum alaşımı |
| 3 | Tapa | 2 | Alüminyum alaşımı |
| 4 | Mil | 1 | Paslanmaz çelik |
| 5 | Çatal | 1 | Çelik alaşımı |
| 6 | Kaydırma burcu | 1 | Asetal reçine |
| 7 | Kaydırma/destek burcu | 1 | Asetal reçine |
| 8 | Alt destek kelepçesi | 1 | P.T.F.E. carbo-graphite filled |
| 9 | Üst destek kelepçesi | 1 | P.T.F.E. carbo-graphite filled |
| 10 | Çelik burç | 2 | Çelik alaşımı |
| 11 | Çelik soket | 2 | Çelik alaşımı |
| 12 | Kılavuz halka | 2 | P.T.F.E. Karbon grafit dolgulu |
| 13* | Destek diski | 4 | Asetal reçine |
| 14* | Piston o-ringi | 2 | Nitrilic rubber |
| 15* | Destek mil o-ringi | 1 | FKM |
| 16 | Dış destek halkası | 1 | Asetal reçine |
| 17 | Şim pulu | 1 | Paslanmaz çelik |
| 18 | Seeger | 1 | Paslanmaz çelik |
| 19* | İkincil o-ring | 2 | Nitrilic rubber |
| 20* | Alt mil o-ringi | 1 | FKM |
| 21* | Tapa o-ringi | 2 | Nitrilic rubber |
| 22* | Gövde-silindir o-ringi | 2 | Nitrilic rubber |
| 23 | Başlık somunu | 12 | Paslanmaz çelik |
| 24 | Ayar pimi | 2 | Paslanmaz çelik |
| 25* | Pim o-ringi | 2 | Nitrilic rubber |
| 26 | Somun | 2 | Paslanmaz çelik |
| 27 | Yay | 4 | Çelik alaşımı |
| 28* | Ayar o-ringi | 2 | Nitrilic rubber |
| 29 | Somun | 2 | Paslanmaz çelik |
| 30 | Başlık somunu | 2 | Paslanmaz çelik |
| 31 | Yay muhafazası | 2 | Alüminyum alaşımı |
| 32 | Yay takılı vida | 2 | Paslanmaz çelik |
| 33 | Yan silindir | 2 | Alüminyum alaşımı |
| 34 | Yan silindir | 1 | Paslanmaz çelik |
| 35** | Merkezleme halkası (OPTIONAL) | 1 | Alüminyum alaşımı |
| 36 | Montaj vidası | 12 | Çelik |
| 37 | Anti-ekstrüzyon soketi | 2 | Çelik alaşımı |
| * Yedek parça kitinin detayları. | |||
| **İSTEĞE BAĞLI | |||
TEK ETKİ ÖLÇÜ PNÖMATİK AKTÜATÖR BİLEŞENLERİ: SR2880 | |||
| Poz | Adı: | Q.ty | Malzeme |
| 1 | Çelik burç | 2 | Çelik |
| 2 | Çelik soket | 2 | Çelik |
| 3 | Ayar vidası | 1 | Çelik |
| 4 | Sol tespit parçası | 1 | Çelik |
| 5* | O-ring | 2 | Nitrilic rubber |
| 6 | Koruyucu tapa | 1 | Alüminyum |
| 7 | Dönüş önleyici rondela | 1 | Çelik |
| 8 | Geçiş halkası | 1 | Paslanmaz çelik |
| 9* | O-ring | 1 | Nitrilic rubber |
| 10 | Ayar kapağı | 1 | Alüminyum |
| 11 | Kapak vidası | 4 | Çelik |
| 12 | Kör halka | 1 | Paslanmaz çelik |
| 13 | Sağ tampon | 1 | Çelik |
| 14 | Anti-ekstrüzyon vidası | 1 | Çelik |
| 15 | Mil | 1 | Çelik |
| 16 | Alt destek | 1 | P.T.F.E. carbo-graphite filled |
| 17 | Alt destek ara burcu | 1 | Alüminyum |
| 18 | Burç vidası | 2 | Çelik |
| 19* | O-ring | 1 | FKM |
| 20 | Kaydırma burcu | 1 | Asetal reçine |
| 21* | Diskler | 4 | Asetal reçine |
| 22 | Anti-ektrüzyon soketi | 2 | Çelik |
| 23 | Yan silindir | 2 | Alüminyum |
| 24* | Tapa o-ringi | 2 | Nitrilic rubber |
| 25 | Tapa | 2 | Alüminyum |
| 26 | Montaj vidası | 14 | Çelik |
| 27 | Başlık somunu | 14 | Çelik |
| 28 | Başlık somunu | 2 | Çelik |
| 29 | Somun | 2 | Çelik |
| 30* | O-ring | 2 | Nitrilic rubber |
| 31* | Klavuz halka | 2 | P.T.F.E. Karbon grafit dolgulu |
| 32* | Piston o-ringi | 2 | Nitrilic rubber |
| 33 | Piston | 2 | Alüminyum |
| 34 | Çatal | 1 | Çelik |
| 35 | Kaydır./dest. | 1 | Asetal reçine |
| 36* | O-ring | 2 | Nitrilic rubber |
| 37* | O-ring | 2 | Nitrilic rubber |
| 38 | Gövde | 1 | Alüminyum |
| 39* | Üst destek | 1 | P.T.F.E. carbo-graphite filled |
| 40* | O-ring | 1 | FKM |
| 41* | Dış destek halkası | 1 | Asetal reçine |
| 42 | Şim pulu | 1 | Çelik |
| 43 | Seeger | 1 | Çelik |
| 44 | Yay takılı vida | 2 | Çelik |
| 45* | O-ring | 2 | Nitrilic rubber |
| 46 | Küçük yay..... | 2 | Alüminyum |
| 47* | O-ring | 2 | Nitrilic rubber |
| 48 | Büyük yay. .... | 2 | Alüminyum |
| 49 | Dış yay | 2 | Çelik |
| 50 | İç yay | 2 | Çelik |
| 51* | Kapak contası | 1 | Nitrilic rubber |
| 52* | O-ring | 1 | FKM |
| 53 | Destek rondelası | 1 | Çelik |
| 54 | Seeger | 2 | Çelik |
| * Yedek parça kitinin detayları. | |||
| TEK ETKİ ÖLÇÜ PNÖMATİK AKTÜATÖR BİLEŞENLERİ: SR4000 | |||
| Poz. | Adı: | Q.ty | Malzeme |
| 1 | Çelik burç | 2 | Çelik |
| 2 | Çelik soket | 2 | Çelik |
| 3 | Ayar vidası | 1 | Çelik |
| 4 | Sol tespit parçası | 1 | Çelik |
| 5* | O-ring | 2 | Nitrilic rubber |
| 6 | Koruyucu tapa | 1 | Alüminyum |
| 7 | Dönüş önleyici rondela | 1 | Çelik |
| 8 | Geçiş halkası | 1 | Paslanmaz çelik |
| 9* | O-ring | 1 | Nitrilic rubber |
| 10 | Ayar kapağı | 1 | Alüminyum |
| 11 | Kapak vidası | 4 | Çelik |
| 12 | Kör halka | 1 | Paslanmaz çelik |
| 13 | Sağ tampon | 1 | Çelik |
| 14 | Anti-ekstrüzyon vidası | 1 | Çelik |
| 15 | Mil | 1 | Çelik |
| 16 | Alt destek | 1 | P.T.F.E. carbo-graphite filled |
| 17 | Arayüz F25 | 1 | Alüminyum |
| 18 | Arayüz vidası | 2 | Çelik |
| 19* | O-ring | 1 | FKM |
| 20 | Kaydırma burcu | 1 | Asetal reçine |
| 21* | Diskler | 4 | Asetal reçine |
| 22 | Anti-ekstrüzyon soketi | 2 | Çelik |
| 23 | Yan silindir | 2 | Alüminyum |
| 24* | Tapa o-ringi | 2 | Nitrilic rubber |
| 25 | Tapa | 2 | Alüminyum |
| 26 | Montaj vidası | 14 | Çelik |
| 27 | Başlık somunu | 28 | Çelik |
| 28 | Somun | 2 | Çelik |
| 29 | Yay takılı vida | 2 | Çelik |
| 30* | O-ring | 2 | Nitrilic rubber |
| 31* | Kılavuz halka | 2 | P.T.F.E. Karbon grafit dolgulu |
| 32* | Piston o-ringi | 2 | NBR |
| 33 | Piston | 2 | Alüminyum |
| 34 | Çatal | 1 | Çelik |
| 35 | Kaydr./dest. burcu | 1 | Asetal reçine |
| 36* | O-ring | 2 | Nitrilic rubber |
| 37* | O-ring | 18 | Nitrilic rubber |
| 38 | Gövde | 1 | Alüminyum |
| 39* | Üst destek | 1 | P.T.F.E. carbo-graphite filled |
| 40* | O-ring | 1 | FKM |
| 41* | Dış destek halkası | 1 | Asetal reçine |
| 42 | Şim pulu | 1 | Çelik |
| 43 | Seeger | 1 | Çelik |
| 44* | Kapak contası | 1 | Nitrilic rubber |
| 45 | Destek rondelası | 1 | Çelik |
| 46 | Seeger | 2 | Çelik |
| 47 | Silindir rid. flanşı | 2 | Alüminyum |
| 48 | Flanş vidaları | 14 | Çelik |
| 49 | Pim | 2 | Çelik |
| 50 | Piston flanşı | 2 | Alüminyum |
| 51* | O-ring | 2 | Nitrilic rubber |
| 52 | Başlık somunu | 2 | Çelik |
| 53 | Dış yay | 2 | Çelik |
| 54 | İç yay | 2 | Çelik |
| 55 | Büyük yay ...... | 2 | Alüminyum |
| 56 | O-ring | 2 | Nitrilic rubber |
| 57 | O-ring | 2 | Nitrilic rubber |
| 58 | Küçük yay. .... | 2 | Alüminyum |
| * Yedek parça kitinin detayları. | |||
DÖNME MOMENTLERİ TABLOSU (Nm) α°= DÖNME AÇISI | |||||||||
| ÖLÇÜ | α° | 2,8 bar ÷ 40 PSI | 3,5 bar ÷ 50 PSI | 4,2 bar ÷ 60 PSI | 5,6 bar ÷ 80 PSI | ||||
| hava | yay | hava | yay | hava | yay | hava | yay | ||
| SRN 15 | 0° | 7,5 | 5 | 9,4 | 6,3 | 11,3 | 7,5 | 15 | 10 |
| 50° | 3,7 | 3,7 | 4,7 | 4,7 | 5,6 | 5,6 | 7,5 | 7,5 | |
| 90° | 5 | 7,5 | 6,3 | 9,4 | 7,5 | 11,3 | 10 | 15 | |
| SRN 30 | 0° | 15 | 10 | 18,8 | 12,5 | 22,5 | 15 | 30 | 20 |
| 50° | 7,5 | 7,5 | 9,4 | 9,4 | 11,3 | 11,3 | 15 | 15 | |
| 90° | 10 | 15 | 12,5 | 18,8 | 15 | 22,5 | 20 | 30 | |
| SRN 53 | 0° | 26,5 | 17,5 | 33 | 22 | 40 | 26 | 53 | 35 |
| 50° | 13 | 13 | 16,5 | 16,5 | 19,5 | 19,5 | 26 | 26 | |
| 90° | 17,5 | 26,5 | 22 | 33 | 26 | 40 | 35 | 53 | |
| SRN 60 | 0° | 30 | 20 | 37,5 | 25 | 45 | 30 | 60 | 40 |
| 50° | 15 | 15 | 18,8 | 18,8 | 22,5 | 22,5 | 30 | 30 | |
| 90° | 20 | 30 | 25 | 37,5 | 30 | 45 | 40 | 60 | |
| SRN 90 | 0° | 45 | 30 | 56,3 | 37,5 | 67,5 | 45 | 90 | 60 |
| 50° | 22,5 | 22,5 | 28,1 | 28,1 | 33,9 | 33,9 | 45 | 45 | |
| 90° | 30 | 45 | 37,5 | 56,3 | 45 | 67,5 | 60 | 90 | |
| SRN 120 | 0° | 60 | 40 | 75 | 50 | 90 | 60 | 120 | 80 |
| 50° | 30 | 30 | 37,5 | 37,5 | 45 | 45 | 60 | 60 | |
| 90° | 40 | 60 | 50 | 75 | 60 | 90 | 80 | 120 | |
| SRN 180 | 0° | 90 | 60 | 112,5 | 75 | 135 | 90 | 180 | 120 |
| 50° | 45 | 45 | 56,3 | 56,3 | 67,5 | 67,5 | 90 | 90 | |
| 90° | 60 | 90 | 75 | 112,5 | 90 | 135 | 120 | 180 | |
| SRN 240 | 0° | 120 | 80 | 150 | 100 | 180 | 120 | 240 | 160 |
| 50° | 60 | 60 | 75 | 75 | 90 | 90 | 120 | 120 | |
| 90° | 80 | 120 | 100 | 150 | 120 | 180 | 160 | 240 | |
| SRN 360 | 0° | 180 | 120 | 225 | 150 | 270 | 180 | 360 | 240 |
| 50° | 90 | 90 | 112,5 | 112,5 | 135 | 135 | 180 | 180 | |
| 90° | 120 | 180 | 150 | 225 | 180 | 270 | 240 | 360 | |
| SRN 480 | 0° | 240 | 160 | 300 | 200 | 360 | 240 | 480 | 320 |
| 50° | 120 | 120 | 150 | 150 | 180 | 180 | 240 | 240 | |
| 90° | 160 | 240 | 200 | 300 | 240 | 360 | 320 | 480 | |
| SRN 720 | 0° | 360 | 240 | 450 | 300 | 540 | 360 | 720 | 480 |
| 50° | 180 | 180 | 225 | 225 | 270 | 270 | 360 | 360 | |
| 90° | 240 | 360 | 300 | 450 | 360 | 540 | 480 | 720 | |
| SRN 960 | 0° | 480 | 320 | 600 | 400 | 720 | 480 | 960 | 640 |
| 50° | 240 | 240 | 300 | 300 | 360 | 360 | 480 | 480 | |
| 90° | 320 | 480 | 400 | 600 | 480 | 720 | 640 | 960 | |
| SR 1440 | 0° | --- | --- | 900 | 600 | --- | --- | 1440 | 960 |
| 50° | --- | --- | 450 | 450 | --- | --- | 720 | 720 | |
| 90° | --- | --- | 600 | 900 | --- | --- | 960 | 1440 | |
| SR 1920 | 0° | 960 | 640 | 1200 | 800 | 1440 | 960 | 1920 | 1280 |
| 50° | 480 | 480 | 600 | 600 | 720 | 720 | 960 | 960 | |
| 90° | 640 | 960 | 800 | 1200 | 960 | 1440 | 1280 | 1920 | |
| SR 2880 | 0° | 1440 | 960 | 1800 | 1200 | 2160 | 1440 | 2880 | 1920 |
| 50° | 720 | 720 | 900 | 900 | 1080 | 1080 | 1440 | 1440 | |
| 90° | 960 | 1440 | 1200 | 1800 | 1440 | 2160 | 1920 | 2880 | |
| SR 4000 | 0° | 2000 | 1333 | 2500 | 1666,3 | 3000 | 1999,5 | 4000 | 2666 |
| 50° | 1000 | 1000 | 1250 | 1250 | 1500 | 1500 | 2000 | 2000 | |
| 90° | 1333 | 2000 | 1666,3 | 2500 | 1999,5 | 3000 | 2666 | 4000 | |