1.Energized and self-lubricated strips
Less friction between piston and cylinder
It prevents the bonding of the seal to the cylinder even after long periods of inactivity
2.Slots, bushes and pins made by steel with hardness higher than 50 HRC
Higher resistance to the forces inside the actuator
3.Rolling friction between piston and slot
Less friction
4.Scotch yoke with rolling friction (transforming rotary motion into linear motion using piston and shaft without teeths/gears)
Reduced friction between piston and shaft with consequently less wear on the relevant parts
Empowered Breakaway Torque (BTO & BTC)
Smaller volume/size than rack and pinion actuators (with the same torque) therefore less space required for installation
Less weight than the rack and pinion (-30% kg / Nm), with consequent savings on the construction sizing of the plant/equipment
Lower air consumption compared to the rack and pinion actuators (-40% air cm3/Nm for Double Acting and -20% air cm3/Nm for Spring Return) therefore less load on the compressor or the possibility of using a smaller compressor's size.
5.Rolled cylinder
Less wear of the energized ties thanks to the low roughness of the surface
6. Stainless Steel shaft
Higher corrosion resistance
From sizes bigger than DAN15, NAMUR interface for solenoid valve is already integrated.
No need for extra plate.
100% in- house manufacturing process technology
Maximum control and accuracy in all the stages of the manufacturing process
ATEX Certificate
Installation is allowed in a potential explosive environment
Up to SIL 3 Certified
Guarantee of the high level of functional safety.
TECHNICAL FEATURES
Torque from 15 Nm to 4000 Nm.
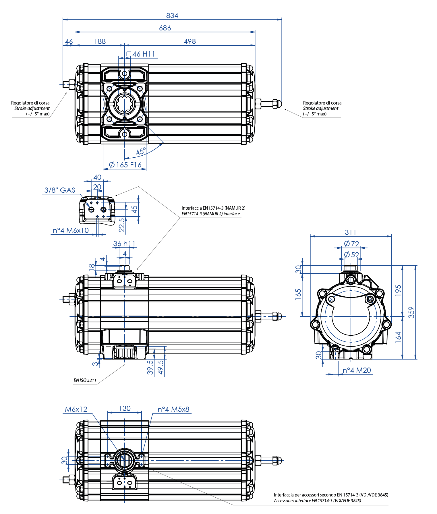
Mounting flange according to EN ISO 5211
F03 - F04 - F05 - F07 - F10 - F12 - F14 - F16 -F25.
In compliance with EN 15714-3
Rotation angle: 92° (-1°, +91°)
Torque: the return torque depends on spring action only notwithstanding the air supply. The spring is provided in four different sizes (see table).
The code numbers after the letters SR/SRN, always correspond to the breakaway torque in Nm by 5,6 bar air supply.
The actuator automatic closing takes place in clockwise direction by means of its springs.
ATEX version in conformity with directive 2014/34/EU. Please add YX at the end of the code for ATEX version.
WORKING CONDITION
Temperature: from -20°C to +80°C. (Special versions: high temperature: -20°C +150°C; low temperature: -50°C +60°)
Air supply: 5,6 bar; maximum 8,4 bar.
Actuating media: filtered dry compressed air, not necessarily lubricated.
In case of lubricated air, either non detergent oil, NBR compatible oil, must be used.
DATA SHEET FROM SRN15 (Nm) to SRN53 (Nm) | ||||||
| Code | SRN0015401S | SRN0015402S | SRN0030401S | SRN0030402S | SRN0053401S | |
| Spare seals | KGGI0014 | KGGI0016 | KGGI0060 | |||
| Size | SRN15 | SRN30 | SRN53 | |||
| ISO | F03/F05 | F04 | F04 | F05/F07 | F05/F07 | |
| A | 233,3 | 233,3 | 259 | 259 | 304,3 | |
| A1 (2,8 Bar) | 203,8 | 203,8 | 228,5 | 228,5 | 270,7 | |
| B | 11 | 11 | 14 | 14 | 17 | |
| C x depth | M5x8 | M5x8 | M5x8 | M6x9 | M6x9 | |
| D x depth | M6x9 | - | - | M8x12 | M8x12 | |
| E | 36 | 42 | 42 | 50 | 50 | |
| F | 50 | - | - | 70 | 70 | |
| G | 10 | 10 | 13 | 13 | 13 | |
| H | 30,3 | 30,3 | 35,7 | 35,7 | 42,8 | |
| I | 9 | 9 | 10 | 10 | 12 | |
| L | 79,2 | 79,2 | 90,4 | 90,4 | 103,3 | |
| M | 31,5 | 31,5 | 37,7 | 37,7 | 44,8 | |
| N | 47,7 | 47,7 | 52,7 | 52,7 | 58,5 | |
| O | 13,2 | 13,2 | 16,5 | 16,5 | 19,3 | |
| P | 27,7 | 27,7 | 32,7 | 32,7 | 38,5 | |
| Q | 31,5 | 31,5 | 37,7 | 37,7 | 44,8 | |
| R | 10,9 | 10,9 | 14,5 | 14,5 | 16,2 | |
| S | 20 | 20 | 20 | 20 | 20 | |
| T | 59,2 | 59,2 | 70,4 | 70,4 | 83,3 | |
| W (Gas) | 1/8" | 1/8" | 1/8" | 1/8" | 1/8" | |
| Ch | 13 | 13 | 13 | 13 | 17 | |
| Weight (Kg) | 1,2 | 1,2 | 1,95 | 1,95 | 3 | |
| Air (dm3/cycle) | 0,09 | 0,09 | 0,17 | 0,17 | 0,3 | |
| H = CENTER OF PLATE'S FIXING | ||||||
DATA SHEET FROM SRN60 (Nm) al SRN360 (Nm) | |||||||
| Code | SRN0060401S | SRN0090401S | SRN0120401S | SRN0180401S | SRN0240401S | SRN0360401S | |
| Spare seals | KGGI0018 | KGGI0019 | KGGI0020 | KGGI0021 | KGGI0022 | KGGI0023 | |
| Size | SRN60 | SRN90 | SRN120 | SRN180 | SRN240 | SRN360 | |
| ISO | F05/F07 | F07/F10 | F07/F10 | F07/F10 | F10/F12 | F10/F12 | |
| A | 338,5 | 393,7 | 409,6 | 474 | 520,5 | 613 | |
| A1 (2,8 Bar) | 309,1 | 341,8 | 361,6 | 406,6 | 454,1 | 523 | |
| B | 17 | 22 | 22 | 22 | 27 | 27 | |
| C x depth | M6x9 | M8x12 | M8x12 | M8x12 | M10x15 | M10x15 | |
| D x depth | M8x12 | M10x15 | M10x15 | M10x15 | M12x18 | M12x18 | |
| E | 50 | 70 | 70 | 70 | 102 | 102 | |
| F | 70 | 102 | 102 | 102 | 125 | 125 | |
| G | 13 | 16 | 17 | 19 | 19 | 19,5 | |
| H | 44,8 | 54,5 | 58,1 | 60 | 57,4 | 61,5 | |
| I | 12 | 15 | 15 | 19 | 19 | 22 | |
| L | 107 | 137,5 | 141,1 | 148 | 164,9 | 178 | |
| M | 46,8 | 56,5 | 60,1 | 62 | 72,9 | 78,5 | |
| N | 60,2 | 81 | 81 | 86 | 92 | 99,5 | |
| O | 19,3 | 24,8 | 24,8 | 24,3 | 29,5 | 29,5 | |
| P | 40,2 | 51 | 51 | 56 | 62 | 69,5 | |
| Q | 46,8 | 56,5 | 60,1 | 62 | 72,9 | 78,5 | |
| R | 18 | 20,2 | 22,5 | 25,5 | 29 | 31,8 | |
| S | 20 | 30 | 30 | 30 | 30 | 30 | |
| T | 87 | 107,5 | 111,1 | 118 | 134,9 | 148 | |
| W (Gas) | 1/8" | 1/8" | 1/8" | 1/8" | 1/4" | 1/4" | |
| Ch | 17 | 22 | 22 | 22 | 27 | 27 | |
| Weight (Kg) | 3,35 | 5,9 | 6,8 | 8,9 | 11,8 | 16,5 | |
| Air (dm3/cycle) | 0,33 | 0,55 | 0,8 | 1 | 1,5 | 2 | |
| H = CENTER OF PLATE'S FIXING | |||||||
DATA SHEET FROM SRN480 (Nm) al SRN960 (Nm) | |||||||
| Code | SRN0480401S | SRN0480402S | SRN0720402S | SRN0720401S | SRN0960402S | SRN0960401S | |
| Spare seals | KGGI0024 | KGGI0025 | KGGI0026 | ||||
| Size | SRN480 | SRN720 | SRN960 | ||||
| ISO | F10/F12 | F14 | F12 | F14 | F12/F16 | F14 | |
| A | 648,2 | 648,2 | 798 | 798 | 828 | 828 | |
| A1 (2,8 Bar) | 563,8 | 563,8 | 683 | 683 | 714,4 | 714,4 | |
| B | 36 | 36 | 36 | 36 | 46 | 46 | |
| C x depth | M10x15 | M16x24 | M12x18 | M16x24 | M12x18 | M16x24 | |
| D x depth | M12x18 | - | - | - | M20x30 | - | |
| E | 102 | 140 | 125 | 140 | 125 | 140 | |
| F | 125 | - | - | - | 165 | - | |
| G | 19,5 | 19,5 | 19,5 | 19,5 | 18,5 | 18,5 | |
| H | 78 | 78 | 86,5 | 86,5 | 99,2 | 99,2 | |
| I | 24 | 24 | 27 | 27 | 32 | 32 | |
| L | 198 | 198 | 216 | 216 | 237,7 | 237,7 | |
| M | 93,5 | 93,5 | 101,5 | 101,5 | 114,7 | 114,7 | |
| N | 104,5 | 104,5 | 114,5 | 114,5 | 123 | 123 | |
| O | 38,5 | 38,5 | 38,5 | 38,5 | 48,5 | 48,5 | |
| P | 74,5 | 74,5 | 84,5 | 84,5 | 93 | 93 | |
| Q | 93,5 | 93,5 | 101,5 | 101,5 | 114,7 | 114,7 | |
| R | 36,5 | 36,5 | 41 | 41 | 46 | 46 | |
| S | 30 | 30 | 30 | 30 | 30 | 30 | |
| T | 168 | 168 | 186 | 186 | 207,7 | 207,7 | |
| W (Gas) | 1/4" | 1/4" | 1/4" | 1/4" | 1/4" | 1/4" | |
| Ch | 27 | 27 | 36 | 36 | 36 | 36 | |
| Weight (Kg) | 22,7 | 22,7 | 33 | 33 | 42 | 42 | |
| Air (dm3/cycle) | 2,8 | 2,8 | 4,2 | 4,2 | 5,9 | 5,9 | |
| H = CENTER OF PLATE'S FIXING | |||||||
| DATA SHEET SR 1440 (Nm) | |
| Code | SR1440E16D8A |
| Weight [Kg] | 74,0 |
| Air volume [dm3/cycle] | 11,0 |
| Spare seals | KGSI1035 |
| DATA SHEET SR 1920 (Nm) | |
| Code | SR1920E1608A |
| Weight [Kg] | 67,0 |
| Air volume [dm3/cycle] | 12,0 |
| Spare seals | KGDI0030 |
| DATA SHEET SR 2880 (Nm) | |
| Code | SR2880E16D8A |
| Weight [Kg] | 116,8 |
| Air volume [dm3/cycle] | 21,0 |
| Spare seals | KGSI2035 |
| DATA SHEET SR 4000 (Nm) | |
| Code | SR4000E25D8A |
| Weight [Kg] | 183,0 |
| Air volume [dm3/cycle] | 29,1 |
| Spare seals | KGSI1040 |
SPRING RETURN PNEUMATIC ACTUATOR COMPONENTS SIZE: SRN15-SRN960 | |||
| Pos | Denomination | Q.ty | Material |
| 1 | Cylinder | 1 | Aluminium alloy |
| 2 | Piston | 2 | Aluminium alloy |
| 3 | Cap | 2 | Aluminium alloy |
| 4 | Shaft | 1 | Stainless steel |
| 5 | Scotch yoke | 1 | Steel alloy |
| 6 | Support bush | 1 | Acetalic resin |
| 7 | Shaft support | 1 | Acetalic resin |
| 8 | Bush | 2 | Steel alloy |
| 9 | Rotative sleeve | 2 | Steel alloy |
| 10* | Dynamic seal | 2 | Polyurethan |
| 11* | Piston's suport | 4 | P.T.F.E. carbo-graphite filled |
| 12* | O-ring | 2 | Nitrilic rubber |
| 13 | O-ring (upper sealing shaft) | 1 | FKM |
| 14 | External support ring | 1 | Acetalic resin |
| 15 | Ron Washer | 1 | Stainless steel |
| 16 | Seeger | 1 | Stainless steel |
| 17 | O-ring (lower sealing shaft) | 1 | FKM |
| 18 | Nut | 2 | Aluminium alloy |
| 19* | End-cap O-ring | 2 | Nitrilic rubber |
| 20 | Screws | 8 | Stainless steel |
| 21 | Spring loading screw | 2 | Steel alloy |
| 22 | Spring cap | 2 | Steel alloy |
| 23 | Spring | 2 | Steel alloy |
| 24* | O-ring | 2 | Nitrilic rubber |
| 25 | External elastic pin of the yoke | 1 | Steel alloy |
| 26 | Internal elastic pin of the yoke | 1 | Steel alloy |
| 27 | Centering ring (OPTIONAL) | 1 | Aluminium alloy |
| * Components of spare part kit | |||
| SPRING RETURN PNEUMATIC ACTUATOR COMPONENTS SIZE: SR1440 | |||
| Pos | Denomination | Q.ty | Material |
| 1 | Steel bush | 1 | Steel alloy |
| 2 | Steel pin | 1 | Steel alloy |
| 3 | Body | 1 | Aluminium |
| 4 | Internal spring | 1 | Steel alloy |
| 5* | O-ring | 2 | Nitrilic rubber |
| 6 | Shaft | 1 | Steel alloy |
| 7 | Screw | 1 | Steel alloy |
| 8* | Bearing (shaft bottom) | 1 | P.T.F.E. carbo-graphite filled |
| 9* | O-ring | 1 | FKM |
| 10* | O-ring | 1 | FKM |
| 11 | Low bearing bush | 1 | Aluminium |
| 12 | Screw | 2 | Steel alloy |
| 13 | Bearing shaft | 1 | Acetalic resin |
| 14 | Spacer | 1 | Aluminium |
| 15 | Cap | 1 | Aluminium |
| 16 | Cap screw | 7 | Steel alloy |
| 17 | Cap nut | 7 | Steel alloy |
| 18 | Grub screw | 1 | Steel alloy |
| 19 | Nut | 1 | Steel alloy |
| 20 | Grub screw | 1 | Steel alloy |
| 21* | O-ring | 1 | Nitrilic rubber |
| 22 | Scotch yoke | 1 | Steel alloy |
| 23 | Bearing shaft | 1 | Acetalic resin |
| 24* | O-ring | 2 | Nitrilic rubber |
| 25* | Bearing (shaft top) | 1 | P.T.F.E. carbo-graphite filled |
| 26* | O-ring | 1 | FKM |
| 27* | Thrust bearing | 1 | Acetalic resin |
| 28 | Washer | 1 | Steel alloy |
| 29 | Seeger | 1 | Steel alloy |
| 30 | Spring pin | 1 | Steel alloy |
| 31* | Bearing (piston back) | 2 | Acetalic resin |
| 32 | Piston | 1 | Aluminium |
| 33* | O-ring | 1 | Nitrilic rubber |
| 34* | Bearing (piston head) | 1 | P.T.F.E. Carbo-Graphite filled |
| 35 | Lateral Cylinder | 1 | Steel alloy |
| 36* | O-ring | 2 | Nitrilic rubber |
| 37 | Cap | 1 | Steel alloy |
| 38 | Cap screws | 7 | Steel alloy |
| 39 | Nut | 7 | Steel alloy |
| 40* | O-ring | 1 | Nitrilic rubber |
| 41 | Nut | 1 | Steel alloy |
| 42 | Cap Nut | 1 | Steel alloy |
| 43 | Screw | 1 | Steel alloy |
| 44 | O-ring | 1 | Nitrilic rubber |
| 45 | Spring cap | 1 | Aluminium |
| 46 | O-ring | 1 | Nitrilic rubber |
| 47 | Spring cup | 1 | Aluminium |
| 48 | External spring | 1 | Steel alloy |
| * Components of spare part kit | |||
| SPRING RETURN PNEUMATIC ACTUATOR COMPONENTS SIZE: SR1920 | |||
| Pos | Denomination | Q.ty | Material |
| 1 | Cylinder | 1 | Aluminium alloy |
| 2 | Piston | 2 | Aluminium alloy |
| 3 | Cap | 2 | Aluminium alloy |
| 4 | Shaft | 1 | Stainless steel |
| 5 | Scotch yoke | 1 | Steel alloy |
| 6 | Bearing shaft | 1 | Acetalic resins |
| 7 | Bearing shaft | 1 | Acetalic resins |
| 8 | Bearing (shaft bottom) | 1 | P.T.F.E. carbo-graphite filled |
| 9 | Bearing (shaft top) | 1 | P.T.F.E. carbo-graphite filled |
| 10 | Steel bush | 2 | Steel alloy |
| 11 | Steel pin | 2 | Steel alloy |
| 12 | Bearing (piston head) | 2 | P.T.F.E. Carbo-Graphite filled |
| 13* | Bearing (piston back) | 4 | Acetalic resins |
| 14* | O-ring | 2 | Nitrilic rubber |
| 15* | O-ring | 1 | FKM |
| 16 | Thrust bearing | 1 | Acetalic resins |
| 17 | Washer | 1 | Stainless steel |
| 18 | Seeger | 1 | Stainless steel |
| 19* | O-ring | 2 | Nitrilic rubber |
| 20* | O-ring | 1 | FKM |
| 21* | O-ring | 2 | Nitrilic rubber |
| 22* | O-ring | 2 | Nitrilic rubber |
| 23 | Cap nut | 12 | Stainless steel |
| 24 | Grub screws | 2 | Stainless steel |
| 25* | O-ring | 2 | Nitrilic rubber |
| 26 | Nut | 2 | Stainless steel |
| 27 | Spring | 4 | Steel alloy |
| 28* | O-ring | 2 | Nitrilic rubber |
| 29 | Nut | 2 | Stainless steel |
| 30 | Cap nut | 2 | Stainless steel |
| 31 | Spring cap | 2 | Aluminium alloy |
| 32 | Screw | 2 | Stainless steel |
| 33 | Cylinder | 2 | Aluminium alloy |
| 34 | Screw | 1 | Stainless steel |
| 35** | Center ring (OPTIONAL) | 1 | Aluminium alloy |
| 36 | Cap screw | 12 | Steel alloy |
| 37 | Spring pin | 2 | Steel alloy |
| * Components of spare part kit | |||
| **OPTIONAL | |||
SPRING RETURN PNEUMATIC ACTUATOR COMPONENTS SIZE: SR2880 | |||
| Pos | Denomination | Q.ty | Material |
| 1 | Steel bush | 2 | Steel alloy |
| 2 | Steel pin | 2 | Steel alloy |
| 3 | Adjustment screw | 1 | Steel alloy |
| 4 | Left stop | 1 | Steel alloy |
| 5* | O-ring | 2 | Nitrilic rubber |
| 6 | Protection cap | 1 | Aluminium |
| 7 | Antirotation washer | 1 | Steel alloy |
| 8 | Metal ring | 1 | Stainless steel |
| 9* | O-ring | 1 | Nitrilic rubber |
| 10 | Carter | 1 | Aluminium |
| 11 | Screw | 4 | Steel alloy |
| 12 | Metal ring | 1 | Stainless steel |
| 13 | Right stop | 1 | Steel alloy |
| 14 | Screw | 1 | Steel alloy |
| 15 | Shaft | 1 | Steel alloy |
| 16 | Bearing (shaft bottom) | 1 | P.T.F.E. carbo-graphite filled |
| 17 | low bearing bush | 1 | Aluminium |
| 18 | Screw | 2 | Steel alloy |
| 19* | O-ring | 1 | FKM |
| 20 | Bearing shaft | 1 | Acetalic resins |
| 21* | Bearing (piston back) | 4 | Acetalic resins |
| 22 | Spring pin | 2 | Steel alloy |
| 23 | Lateral cylinder | 2 | Aluminium |
| 24* | O-ring | 2 | Nitrilic rubber |
| 25 | Cap | 2 | Aluminium |
| 26 | Cap screws | 14 | Steel alloy |
| 27 | Cap nut | 14 | Steel alloy |
| 28 | Cap nut | 2 | Steel alloy |
| 29 | Nut | 2 | Steel alloy |
| 30* | O-ring | 2 | Nitrilic rubber |
| 31* | Bearing (piston head) | 2 | P.T.F.E. Carbo-Graphite filled |
| 32* | O-ring | 2 | Nitrilic rubber |
| 33 | Piston | 2 | Aluminium |
| 34 | Scotch yoke | 1 | Steel alloy |
| 35 | Bearing shaft | 1 | Acetalic resins |
| 36* | O-ring | 2 | Nitrilic rubber |
| 37* | O-ring | 2 | Nitrilic rubber |
| 38 | Body | 1 | Aluminium |
| 39* | Bearing (shaft top) | 1 | P.T.F.E. carbo-graphite filled |
| 40* | O-ring | 1 | FKM |
| 41* | Thrust bearing | 1 | Acetalic resins |
| 42 | Washer | 1 | Steel alloy |
| 43 | Seeger | 1 | Steel alloy |
| 44 | Screw | 2 | Steel alloy |
| 45* | O-ring | 2 | Nitrilic rubber |
| 46 | Spring cap | 2 | Aluminium |
| 47* | O-ring | 2 | Nitrilic rubber |
| 48 | Spring cap | 2 | Aluminium |
| 49 | External spring | 2 | Steel alloy |
| 50 | Internal spring | 2 | Steel alloy |
| 51* | Gasket | 1 | Nitrilic rubber |
| 52* | O-ring | 1 | FKM |
| 53 | Washer | 1 | Steel alloy |
| 54 | Seeger | 2 | Steel alloy |
| * Components of spare part kit | |||
| SPRING RETURN PNEUMATIC ACTUATOR COMPONENTS SIZE: SR4000 | |||
| Pos | Denomination | Q.ty | Material |
| 1 | Steel bush | 2 | Steel Alloy |
| 2 | Steel pin | 2 | Steel Alloy |
| 3 | Regulation screw | 1 | Steel Alloy |
| 4 | Left stop | 1 | Steel Alloy |
| 5* | O-ring | 2 | Nitrilic rubber |
| 6 | Protection cap | 1 | Aluminium |
| 7 | Antirotation washer | 1 | Steel Alloy |
| 8 | Metal ring | 1 | Stainless steel |
| 9* | O-ring | 1 | Nitrilic rubber |
| 10 | Carter | 1 | Aluminium |
| 11 | Screw | 4 | Steel Alloy |
| 12 | Metal ring | 1 | Stainless steel |
| 13 | Right stop | 1 | Steel Alloy |
| 14 | Screw | 1 | Steel Alloy |
| 15 | Shaft | 1 | Steel Alloy |
| 16 | Bearing (shaft bottom) | 1 | P.T.F.E. carbo-graphite filled |
| 17 | Interface F25 | 1 | Aluminium |
| 18 | Screw | 2 | Steel Alloy |
| 19* | O-ring | 1 | FKM |
| 20 | Bearing shaft | 1 | Acetalic Resins |
| 21* | Bearing (piston back) | 4 | Acetalic Resins |
| 22 | Spring pin | 2 | Steel Alloy |
| 23 | Lateral cylinder | 2 | Aluminium |
| 24* | O-ring | 2 | Nitrilic rubber |
| 25 | Cap | 2 | Aluminium |
| 26 | Cap screws | 14 | Steel Alloy |
| 27 | Cap nut | 28 | Steel Alloy |
| 28 | Nut | 2 | Steel Alloy |
| 29 | Screw | 2 | Steel Alloy |
| 30* | O-ring | 2 | Nitrilic rubber |
| 31* | Bearing (piston head) | 2 | P.T.F.E. Carbo-Graphite filled |
| 32* | O-ring | 2 | NBR |
| 33 | Piston | 2 | Aluminium |
| 34 | Scotch Yoke | 1 | Steel alloy |
| 35 | Bearing shaft | 1 | Acetalic Resins |
| 36* | O-ring | 2 | Nitrilic rubber |
| 37* | O-ring | 18 | Nitrilic rubber |
| 38 | Body | 1 | Aluminium |
| 39* | Bearing (Shaft top) | 1 | P.T.F.E. carbo-graphite filled |
| 40* | O-ring | 1 | FKM |
| 41* | Thrust bearing | 1 | Acetalic resins |
| 42 | Washer | 1 | Steel alloy |
| 43 | Seeger | 1 | Steel alloy |
| 44* | Gasket | 1 | Nitrilic rubber |
| 45 | Washer | 1 | Steel alloy |
| 46 | Seeger | 2 | Steel alloy |
| 47 | Flange | 2 | Aluminium |
| 48 | Screw | 14 | Steel alloy |
| 49 | Grub screw | 2 | Steel alloy |
| 50 | Flange | 2 | Aluminium |
| 51* | O-ring | 2 | Nitrilic rubber |
| 52 | Cap nut | 2 | Steel alloy |
| 53 | External spring | 2 | Steel alloy |
| 54 | Internal spring | 2 | Steel alloy |
| 55 | Spring cap | 2 | Aluminium |
| 56 | O-ring | 2 | Nitrilic rubber |
| 57 | O-ring | 2 | Nitrilic rubber |
| 58 | Spring cap | 2 | Aluminium |
| * Components of spare part kit | |||
OUTPUT TORQUE TABLE (Nm) α°= ROTATION ANGLE | |||||||||
| SIZE | α° | 2,8 bar ÷ 40 PSI | 3,5 bar ÷ 50 PSI | 4,2 bar ÷ 60 PSI | 5,6 bar ÷ 80 PSI | ||||
| air | spring | air | spring | air | spring | air | spring | ||
| SRN 15 | 0° | 7,5 | 5 | 9,4 | 6,3 | 11,3 | 7,5 | 15 | 10 |
| 50° | 3,7 | 3,7 | 4,7 | 4,7 | 5,6 | 5,6 | 7,5 | 7,5 | |
| 90° | 5 | 7,5 | 6,3 | 9,4 | 7,5 | 11,3 | 10 | 15 | |
| SRN 30 | 0° | 15 | 10 | 18,8 | 12,5 | 22,5 | 15 | 30 | 20 |
| 50° | 7,5 | 7,5 | 9,4 | 9,4 | 11,3 | 11,3 | 15 | 15 | |
| 90° | 10 | 15 | 12,5 | 18,8 | 15 | 22,5 | 20 | 30 | |
| SRN 53 | 0° | 26,5 | 17,5 | 33 | 22 | 40 | 26 | 53 | 35 |
| 50° | 13 | 13 | 16,5 | 16,5 | 19,5 | 19,5 | 26 | 26 | |
| 90° | 17,5 | 26,5 | 22 | 33 | 26 | 40 | 35 | 53 | |
| SRN 60 | 0° | 30 | 20 | 37,5 | 25 | 45 | 30 | 60 | 40 |
| 50° | 15 | 15 | 18,8 | 18,8 | 22,5 | 22,5 | 30 | 30 | |
| 90° | 20 | 30 | 25 | 37,5 | 30 | 45 | 40 | 60 | |
| SRN 90 | 0° | 45 | 30 | 56,3 | 37,5 | 67,5 | 45 | 90 | 60 |
| 50° | 22,5 | 22,5 | 28,1 | 28,1 | 33,9 | 33,9 | 45 | 45 | |
| 90° | 30 | 45 | 37,5 | 56,3 | 45 | 67,5 | 60 | 90 | |
| SRN 120 | 0° | 60 | 40 | 75 | 50 | 90 | 60 | 120 | 80 |
| 50° | 30 | 30 | 37,5 | 37,5 | 45 | 45 | 60 | 60 | |
| 90° | 40 | 60 | 50 | 75 | 60 | 90 | 80 | 120 | |
| SRN 180 | 0° | 90 | 60 | 112,5 | 75 | 135 | 90 | 180 | 120 |
| 50° | 45 | 45 | 56,3 | 56,3 | 67,5 | 67,5 | 90 | 90 | |
| 90° | 60 | 90 | 75 | 112,5 | 90 | 135 | 120 | 180 | |
| SRN 240 | 0° | 120 | 80 | 150 | 100 | 180 | 120 | 240 | 160 |
| 50° | 60 | 60 | 75 | 75 | 90 | 90 | 120 | 120 | |
| 90° | 80 | 120 | 100 | 150 | 120 | 180 | 160 | 240 | |
| SRN 360 | 0° | 180 | 120 | 225 | 150 | 270 | 180 | 360 | 240 |
| 50° | 90 | 90 | 112,5 | 112,5 | 135 | 135 | 180 | 180 | |
| 90° | 120 | 180 | 150 | 225 | 180 | 270 | 240 | 360 | |
| SRN 480 | 0° | 240 | 160 | 300 | 200 | 360 | 240 | 480 | 320 |
| 50° | 120 | 120 | 150 | 150 | 180 | 180 | 240 | 240 | |
| 90° | 160 | 240 | 200 | 300 | 240 | 360 | 320 | 480 | |
| SRN 720 | 0° | 360 | 240 | 450 | 300 | 540 | 360 | 720 | 480 |
| 50° | 180 | 180 | 225 | 225 | 270 | 270 | 360 | 360 | |
| 90° | 240 | 360 | 300 | 450 | 360 | 540 | 480 | 720 | |
| SRN 960 | 0° | 480 | 320 | 600 | 400 | 720 | 480 | 960 | 640 |
| 50° | 240 | 240 | 300 | 300 | 360 | 360 | 480 | 480 | |
| 90° | 320 | 480 | 400 | 600 | 480 | 720 | 640 | 960 | |
| SR 1440 | 0° | --- | --- | 900 | 600 | --- | --- | 1440 | 960 |
| 50° | --- | --- | 450 | 450 | --- | --- | 720 | 720 | |
| 90° | --- | --- | 600 | 900 | --- | --- | 960 | 1440 | |
| SR 1920 | 0° | 960 | 640 | 1200 | 800 | 1440 | 960 | 1920 | 1280 |
| 50° | 480 | 480 | 600 | 600 | 720 | 720 | 960 | 960 | |
| 90° | 640 | 960 | 800 | 1200 | 960 | 1440 | 1280 | 1920 | |
| SR 2880 | 0° | 1440 | 960 | 1800 | 1200 | 2160 | 1440 | 2880 | 1920 |
| 50° | 720 | 720 | 900 | 900 | 1080 | 1080 | 1440 | 1440 | |
| 90° | 960 | 1440 | 1200 | 1800 | 1440 | 2160 | 1920 | 2880 | |
| SR 4000 | 0° | 2000 | 1333 | 2500 | 1666,3 | 3000 | 1999,5 | 4000 | 2666 |
| 50° | 1000 | 1000 | 1250 | 1250 | 1500 | 1500 | 2000 | 2000 | |
| 90° | 1333 | 2000 | 1666,3 | 2500 | 1999,5 | 3000 | 2666 | 4000 | |