images/testate/JTPiQQ_Template-Header-Sito-OMAL2560x768-RACKON-V2-ok.jpg

RACKON - efeito duplo DA

  • benefícios
  • características
  • dimensões
  • materiais
  • diagramas e torques de partida
  • especificações
  • documentos

TRANSMISSÃO DE MOVIMENTO PINHÃO CREMALHEIRA

AJUSTE DUPLO

DA EFEITO DUPLO

SR EFEITO SIMPLES

1. Faixas de vedação e deslizamento energizadas autolubrificantes.

Menos atrito entre o pistão e cilindro.

Se evita que a guarnição grude no cilindro mesmo após longos períodos de inatividade.


2. Came de ajuste em aço.

Possibilidade de regular o fechamento e/ou a abertura com um atuador standard (±5° para cada regulação).

Simplicidade e confiabilidade da regulação.


3. Transformação do movimento linear em movimento rotativo através da cinemática Pinhão e Cremalheira.

Momento de torção linear durante a abertura e fechamento (adequado para válvulas de esfera).

Alta precisão de regulação graças à rigidez do sistema pinhão cremalheira  e ao batente mecânico entre o came e o grão de regulação.

Velocidade de rotação uniforme.


4. Cilindro laminado.

Menor desgaste das faixas energizadas graças à baixa rugosidade superficial (0,15 μm Ra).


5. Sistema modular de molas a cartucho.

Alta flexibilidade e precisão de configuração do momento de torção gerado pelas molas.

Ampla gama de configurações.


Possibilidade de interface para válvulas solenóide NAMUR em toda a gama.

Com base reportada de RK10 para RK240. - Integrada para RK 300 e RK480.


Roscas dos furos de ar NPT disponíveis a pedido.

Obtida com base reportada em todos os tamanhos.


Processo de produção inteiramente realizado na OMAL.

Controle máximo em todas as fases de manufatura.


ATEX compliance.

Permite a instalação na presença de um ambiente potencialmente explosivo.


Certificados até SIL 3

Alto nível de segurança funcional

DADOS TÉCNICOS
• Torque de 10 Nm a 474 Nm.
• Flange de conexão: EN ISO 5211: F03 - F04 - F05 - F07 - F10 - F12.
• Em conformidade com a EN 15714-3.
• Em conformidade com a diretiva ATEX 2014/34/UE.
• Ângulo de rotação: 100° (-5°, +95°).
• Ajuste duplo -5° e + 5° para cada interruptor de interruptor de limite (0° e 90°).
• Momento de torção: Diretamente proporcional à pressão de alimentação (ver a tabela).
• Em cada atuador, o valor que segue a sigla RK corresponde ao valor do torque de partida em Nm. à pressão de 5,6 bar.

CONDIÇÕES DE OPERAÇÃO
• Temperatura standard: de -20°C a + 80°C.
Versões especiais:
- alta temperatura: -20°C + 150°C.
- baixa temperatura: -50°C +60°C.
• Pressão nominal: 5,5 bar; máxima de operação 8 bar.
• Fluido de alimentação: ar comprimido filtrado não necessariamente lubrificado de acordo com UNI EN 15714-3:2009.
• Em caso de lubrificação usar óleo não detergente, compatível com as vedações internas.

VERSÕES ESPECIAIS A PEDIDO, CHAVE DE CODIFICAÇÃO


CARACTERÍSTICA
Atuador oscilante
RK
Corte
0010, 0020, 0040, 0060, 0080, 00120, 00160, 0240, 0300, 0480
Cliente
VOOMAL
Ângulo de rotação [°]
A90°
B*180°
C*120°
D*135°
Direção de fechamento
RFechamento em sentido horário
LFechamento em sentido anti-horário
Operação
SEfeito simples N.C.
OEfeito simples N.O.
DEfeito duplo
Molas usadas
00Sem molas
20Molas para 2,0 bar
25Molas para 2,5 bar
30Molas para 3,0 bar
35Molas para 3,5 bar
40Molas para 4,0 bar
45Molas para 4,5 bar
50Molas para 5,0 bar
55Molas para 5,5 bar
60Molas para 6,0 bar
Tipo de Flange, no caso de flange duplo a menor
03F03
04F04
05F05
07F07
10F10
12F12
Forma da sede do eixo inferior
QEixo a estrela
D*Eixo plano duplo
Dimensão do assento do eixo inferior
09Quadro de 9 mm
11Quadro de 11 mm
14Quadro de 14 mm
17Quadro de 17 mm
22Quadro de 22 mm
27Quadro de 27 mm
Conexão de ar
GBase Namur, roscas GAS
NBase Namur, roscas NPT
0Rosca Gas no cilindro sem base (sem interface Namur)
IInterface Namur, roscas Gas integradas
Versão
-Standard
6*Temperatura baixa
4*Temperatura alta

* Apenas a pedido.
N.B. Para versões especiais, contatar a OMAL.



EXEMPLO DE CODIFICAÇÃO PARA RACKON

Chave de codificação: RK0040VOARD0005Q11G
Descrição do produto: RACKON 40 EFEITO DUPLO ISO F05 07 EIXO ESTRELA 11mm COM BASE NAMUR GAS.

Chave de codificação: RK0300VOARD0007Q22I
Descrição do produto: RACKON 300 EFEITO DUPLO ISO F07 10 EIXO ESTRELA 22mm COM INTERFACE NAMUR GAS INTEGRADA NO CILINDRO.

Chave de codificaçãoRK0040VOARS6005Q11G
Descrição do produto: RACKON 40 EFEITO SIMPLES A 6 BAR ISO F05 07 EIXO ESTRELA 11mm COM BASE NAMUR GAS.

Chave de codificação: RK0300VOARS6007Q22I
Descrição do produto: RACKON 300 DE EFEITO SIMPLES A 6 BAR ISO F07 10 EIXO ESTRELA 22mm COM INTERFACE NAMUR GAS INTEGRADA NO CILINDRO.

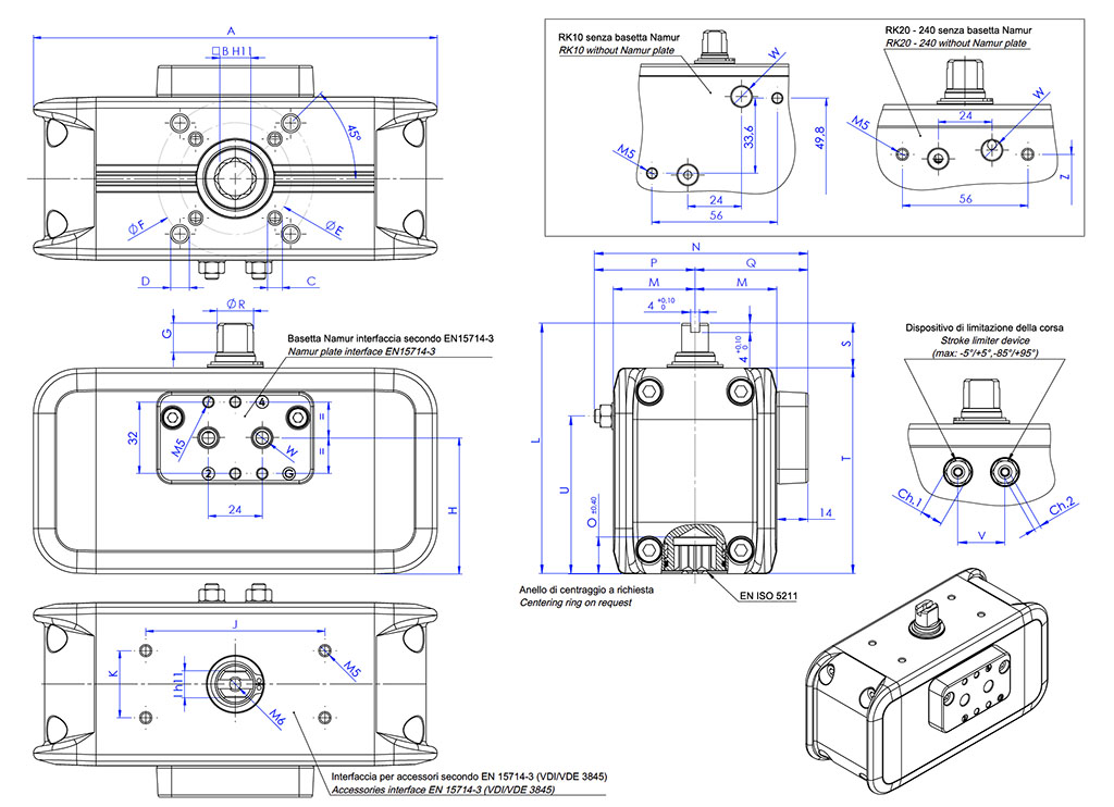
RK10 ÷ RK240

DIMENSÕES [mm]
Tamanho
RK10RK10RK20RK20RK20RK20RK40RK40RK40RK40RK60RK80RK120RK160RK240
ISOF03F04F03/F05F03/F05F04F04F04F04F05/F07F05/F07F05/F07
F05/F07
F05/F07
F07/F10F07/F10
A121,7
121,7
153,7
153,7
153,7
153,7
180,4
180,4
180,4
180,4
215,4
235,5
265,9
285,9
318,4
B9
9
911911
11
14
11
141417172222
C x profundidadeM5x8
M5x8
M5x8
M5x8
M5x8
M5x8
M5x8
M5x8
M6x9
M6x9
M6x9
M6x9
M6x9
M8x12
M8x12
D x profundidade--M6x9
M6x9
----M8x12
M8x12
M8x12
M8x12
M8x12M10x15
M10x15
E36
4236
36
4242424250
50
50
50
50
7070
F--5050----70
70
70
70
70
102102
G101010101010
1313
13
13
13
13
13
13
19,5
H333350,950,950,9
50,9
60,8
60,8
60,8
60,8
68,7
75,6
87,6
97,5
112
I999999
12
12
12
12
12
15151922
J505080808080
80
80
80
80
80
80
80
80
80
K252530303030
30
30
30
30
30
30
30
30
30
L8080100100100100
112
112
112
112
122
130143154180
M24,524,530303030
36,5
36,5
36,5
36,5
41,5
46
51
56,5
64
N71*
71*
82,5*
82,5*
82,5*82,5*
95,5*
95,5*
95,5*
95,5*
107,8*
116,5*
127*
141*
159*
O10,7
10,7
13,213,2
13,2
13,2
16,5
16,5
16,5
16,5
16,5
19,3
19,3
24,3
24,3
P32,5*
32,5*
38,5*38,5*
38,5*
38,5*
45*
45*
45*
45*
52,3*
56,5*
62*
70,5*
81*
Q38,5
38,5
4444
44
44
50,5
50,5
50,5
50,5
55,5606570,578
R10,9
10,9
12,712,7
12,7
12,7
16,2
16,2
16,2
16,2
1820,222,525,531,8
S15
152020
20
20
20
20
20
20
20
20
20
20
30
T65658080
80
80
92
92
92
92102110123134150
U494959,7559,75
59,75
59,75
70,5
70,5
70,5
70,5
70,5
8697,75106,25120,5
V16161919
19
19
21
21
21
212426323641
W standard (GAS)1/8"
1/8"
1/8"
1/8"
1/8"
1/8"
1/8"
1/8"
1/8"
1/8"
1/8"
1/8"
1/4"
1/4"
1/4"
W especial (NPT)
1/8"-27
1/8"-27
1/8"-27
1/8"-27
1/8"-27
1/8"-27
1/8"-27
1/8"-27
1/8"-27
1/8"-27
1/8"-27
1/8"-27
1/4"-18
1/4"-18
1/4"-18
Ch.11010101010
1010
1010
10
1313131618
Ch.23333333
33344456
Peso (kg)0,90,91,41,41,41,42,1
2,12,12,1
2,93,75,16,59
Ar (dm3/ciclo)0,120,120,250,250,250,250,48
0,480,48
0,48
0,75
1,04
1,481,99
2,91
Z49,849,8
59,959,959,959,969,8
69,869,8
69,8
77,7
84,6
96,6
106,6
121
W1/8"
1/8"
1/8"
1/8"
1/8"
1/8"
1/8"
1/8"
1/8"
1/8"
1/8"
1/8"
1/4"
1/4"
1/4"

H = CENTRO DAS FIXAÇÕES DA BASE.
* Variável dependendo da configuração.

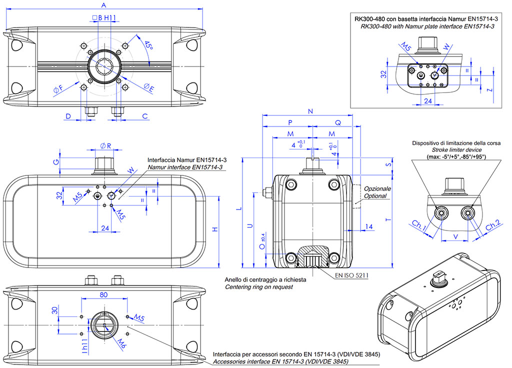
RK300 ÷ RK480

DIMENSÕES [mm]
Tamanho
RK300RK480
ISOF07/F10
F10/F12
A352,4
393,4
B22
27
C x profundidadeM8x12
M10x15
D x profundidadeM10x15
M12x18
E70
102
F102
125
G19,5
19,5
H125
145
I2227
L192214
M69,580
N156,5*180*
O24,329,5
P87*100*
Q83,594
R31,838
S3030
T162184
U131149,5
V4652
W standard (GAS)1/4"1/4"
W especial (NPT)1/4"-18
1/4"-18
Ch.11821
Ch.266
Peso (kg)11,416,3
Ar (dm3/ciclo)3,775,8
Z124,5144,5
W1/4"
1/4"


H = CENTRO DAS FIXAÇÕES DA BASE.
* Variável dependendo da configuração.

RK10 ÷ RK480

MATERIAIS
Pos.
Descrição
Qtd
Material
1Cilindro
1Liga de alumínio
2Eixo
1Liga de aço
3*Braçadeira (suporte superior do eixo)
1Resina acetálica
4*Braçadeira (suporte inferior do eixo)
1Resina acetálica
5*O-Ring (guarnição inferior do eixo)
1Borracha nitrílica
6Came
1Liga de aço
7*Anel de suporte interno
1Resina acetálica
8*Anel de suporte externo
1Resina acetálica
9Arruela de regulagem de espessura
1Aço inoxidável
10*Seeger
1Aço inoxidável
11*O-ring**
2Borracha nitrílica
12*O-ring do eixo superior
1Borracha nitrílica
13Base Namur**
1Liga de alumínio
14Parafusos**
2Aço inoxidável
15*O-ring
2Borracha nitrílica
16*Roseta (ajuste de curso)
2Aço inoxidável
17*Porca (ajuste de curso)
2Aço inoxidável
18*Grão de regulação
2Aço inoxidável
19Pistão
2Liga de alumínio
20*Sapata de suporte do pistão
4Resina acetálica
21*Anel de vedação
2Poliuretano
22*O-ring
2Borracha nitrílica
23*O-ring da tampa
2Borracha nitrílica
24Tampa
2Liga de alumínio
25Parafusos
8Aço inoxidável

* Detalhes do kit sobressalente.
** Ausente para alguns modelos, consultar a tabela de códigos.

DIAGRAMA DE MOMENTO DE TORÇÃO “DA” (Nm)

TABELA DE MOMENTO DE TORÇÃO RACKON "DA" (Nm)
TamanhoAr bar
2 bar2,5 bar3 bar3,5 bar4 bar4,5 bar5 bar5,5 bar5,6 bar6 bar7 bar8 bar
RK103,74,75,66,67,58,49,410,310,511,213,115,0
RK207,39,111,012,814,616,418,320,120,521,925,629,2
RK4013,917,420,924,427,931,334,838,339,041,848,755,7
RK60
21,226,531,937,242,547,853,158,459,563,774,384,9
RK80
30,037,544,952,459,967,474,982,483,989,9104,9119,9
RK120
42,753,464,074,785,496,1106,7117,4119,5128,1149,4170,8
RK160
58,573,287,8102,5117,1131,7146,4161,0163,9175,6204,9234,2
RK240
85,2106,5127,8149,1170,4191,7213,0234,3238,6255,6298,2340,8
RK300
109,8137,2164,7192,1219,6247,0274,5301,9307,4329,3384,2439,1
RK480
172,4215,5258,5301,6344,7387,8430,9474,0482,6517,1603,3689,5

Para momentos de torção em diferentes pressões, entre em contato com a OMAL.

DIAGRAMA DE OPERAÇÃO DO ATUADOR DE EFEITO DUPLO

ESQUEMA DE FUNCIONAMENTO
Ao introduzir ar no furo 4 de alimentação, os pistões se movem em direção ao centro e o eixo gira no sentido horário, a posição final é a mostrada no desenho.

ESQUEMA DE OPERAÇÃO
Ao introduzir ar no furo 2 de alimentação, os pistões se movem para fora e o eixo gira no sentido anti-horário, a posição final é a mostrada no desenho.

INSTRUÇÕES DE REGULAÇÃO DO CURSO DO ATUADOR DE EFEITO DUPLO

REGULAÇÃO EM ABERTURA

REGULAÇÃO EM FECHAMENTO

A) Certificar-se que não exista ar pressurizado no atuador (em qualquer uma das duas câmaras).
B) Afrouxar a contraporca A1.
C) Introduzir o ar no furo “2” a baixa pressão (suficiente para movimento apenas) de modo que os pistões fiquem na posição de interruptor de limite.
D) Com uma chave Allen, apertar ou desapertar o grão A para obter a regulação desejada (intervalo máximo de regulação ±5°).
E) Uma vez obtida a regulação desejada, usar uma chave Allen para parar o grão A, enquanto com uma chave inglesa apertar a contraporca A1.

N.B. Se necessário, repetir as operações até obter a regulaçã desejada.

A) Certificar-se que não exista ar pressurizado no atuador (em qualquer uma das duas câmaras).
B) Afrouxar a contraporca B1.
C) Introduzir o ar no furo “4” a baixa pressão (suficiente para movimento apenas) de modo que os pistões fiquem na posição de interruptor de limite.
D) Com uma chave Allen, apertar ou desapertar o grão B para obter a regulação desejada (intervalo máximo de regulação ±5°).
E) Uma vez obtida a regulação desejada, usar uma chave Allen para parar o grão B, enquanto com uma chave inglesa apertar a contraporca A1.

N.B. Se necessário, repetir as operações até obter a regulaçã desejada.

SELEÇÃO TAMANHO
Selecionar os parâmetros de pesquisa
PESQUISA DE ITEM
X FECHAR

PRÓXIMO EVENTO

IVS - Industrial Valve Summit 2026
IVS - Industrial Valve Summit 2026
Bergamo, Italy, 19 - 21 may 2026