images/testate/JTPiQQ_Template-Header-Sito-OMAL2560x768-RACKON-V2-ok.jpg

RACKON - çi̇ft etki̇li̇ DA

  • faydaları
  • özellikleri
  • boyutlar
  • malzemeler
  • şemalar ve başlangıç momentleri
  • özellikler
  • belgeler

KREMAYER DİŞLİSİ KİNEMATİĞİ

ÇİFT AYARLAMA

DA ÇİFT ETKİLİ

SR TEK ETKİLİ

1. Kendinden yağlamalı, elektrikli sızdırmaz ve kayar bantlar.

Piston ve silindir arasındaki daha az sürtünme.

Uzun süreli çalışmama kaldıktan sonra bile contanın silindire yapıştırılması önlenir.


2. Çelik ayarlama kamı.

Standart bir aktüatör ile kapatma ve/veya açmayı ayarlama olasılığı (her ayar için ± 5°).

Ayarlamanın basitliği ve güvenilirliği


3. Pinyon ve Kremayer kinematiği ile doğrusal hareketin dönme hareketine dönüştürülmesi.

Açma ve kapama esnasında doğrusal tork (küresel vanalar için uygundur).

Kremayer ve pinyon sisteminin sertliği ve kam ile ayar vidası arasındaki mekanik durdurucu sayesinde yüksek ayar hassasiyeti.

Düzgün dönme hızı.


4. Haddelenmiş silindir.

Düşük yüzey pürüzlülüğü (0,15 μm Ra) sayesinde elektrikli kayışların daha az aşınması.


5. Modüler kartuşlu yay sistemi

Yaylar tarafından üretilen torkun yüksek esnekliği ve konfigürasyon hassasiyeti.

Geniş konfigürasyon yelpazesi.


Tüm seride NAMUR solenoid valfleri için arayüze sahip olma imkanı.

RK10’dan RK240’a döndürülen tabana sahip. - RK 300 ve RK480 için entegre.


NPT hava deliği vida dişleri istek üzerine mevcuttur.

Tüm boyutlarda belirtilen taban ile elde edilir.


Üretim süreci tamamen OMAL'de gerçekleştirilmiştir.

Tüm süreç aşamalarında maksimum kontrol.


ATEX compliance.

Potansiyel olarak patlayıcı ortamlarda montaja olanak sağlar.


SIL 3'e kadar sertifikalı

Yüksek düzeyde işlevsel güvenlik

TEKNİK VERİLER
• Tork 10 Nm ile 474 Nm arası tork.
• Bağlantı flanşı: EN ISO 5211: F03 - F04 - F05 - F07 - F10 - F12.
• EN 15714-3 ile uyumludur.
• ATEX 2014/34 / EU yönergesine uygundur.
• Dönme açısı: • 100° (-5°, +95°).
• Her limit anahtarı için (0° ve 90°) -5° ve +5° çift ayarı.
• Tork: Güç basıncı ile doğrudan orantılı (tabloya bakınız).
Her aktüatörde RK kısaltmasını takip eden simge 5.6 bar basınçta Nm cinsinden başlangıç torkunun değerine karşılık gelir.

ÇALIŞMA KOŞULLARI
Standart sıcaklık: -20°C ile +80°C arası.
Özel versiyonlar:
- yüksek sıcaklık -20°C ila +150 ° C
- düşük sıcaklık: -50°C +60°C
• Nominal basınç: 5,5 bar; Maksimum çalışma 8 bar.
• Besleme sıvısı: filtrelenmiş sıkıştırılmış hava, UNI EN 15714-3: 2009'a göre yağlanması gerekmez.
• Yağlama olması durumunda, kullanılan contalarla uyumlu deterjan içermeyen yağ kullanın.

TALEP ÜZERİNE ÖZEL VERSİYONLAR, KARAKTERİSTİK


KODLAMA ANAHTARI
Salınımlı aktüatör
RK
Ölçü
0010, 0020, 0040, 0060, 0080, 00120, 00160, 0240, 0300, 0480
Müşteri
VOOMAL
Dönme açısı [°]
A90°
B*180°
C*120°
D*135°
Kapanma yönü
RSaat yönünde kapanma
LSaat yönünün ters yönünde kapanma
Çalıştırma
STek etkili N.C.
OTek etkili N.O.
DÇift etkili
Kullanılan yaylar
00Yaysız
202,0 barlık yaylar
252,5 barlık yaylar
303,0 barlık yaylar
353,5 barlık yaylar
404,0 barlık yaylar
454,5 barlık yaylar
505,0 barlık yaylar
555,5 barlık yaylar
606,0 barlık yaylar
Flanş tipi, çift flanş durumunda
daha küçük olan
03F03
04F04
05F05
07F07
10F10
12F12
Alt mil yuvası şekli
QYıldız mil
D*Çift düzlem mil
Alt mil yuvası ölçüsü
099 mm panel
1111 mm panel
1414 mm panel
1717 mm panel
2222 mm panel
2727 mm panel
Hava bağlantı
GNAMUR taban, GAZ vida dişleri
NNAMUR taban, NPT vida dişleri
0Tabansız silindir üzerinde Gaz Vida Dişleri
(Namur arayüzü yok)
INamur arayüzü, entegre gaz vida dişleri
Versiyon
-Standart
6*Düşük sıcaklık
4*Yüksek sıcaklık

* Sadece istek üzerine.
NOT: Özel uygulamalar için lütfen Omal ile iletişim kurunuz.



RACKON İÇİN KODLAMA ÖRNEĞİ

Kodlama anahtarı: RK0040VOARD0005Q11G
Ürün Açıklaması: RACKON 40 ÇİFT ETKİLİ ISO F05 07 YILDIZ MİL 11mm GAZ NAMUR TABANLI.

Kodlama anahtarı: RK0300VOARD0007Q22I
Ürün Açıklaması: RACKON 300 ÇİFT ETKİLİ ISO F07 10 YILDIZ MİL 22mm, SİLİNDİRE ENTEGRE NAMUR GAZ ARAYÜZLÜ.

Kodlama anahtarıRK0040VOARS6005Q11G
Ürün Açıklaması: RACKON 40 TEK ETKİLİ ISO F05 07 YILDIZ MİL 11mm GAZ NAMUR TABANLI.

Kodlama anahtarı: RK0300VOARS6007Q22I
Ürün Açıklaması: RACKON 300 ÇİFT ETKİLİ 6 BAR ISO F07 10 YILDIZ MİL 22mm, SİLİNDİRE ENTEGRE NAMUR GAZ ARAYÜZLÜ.

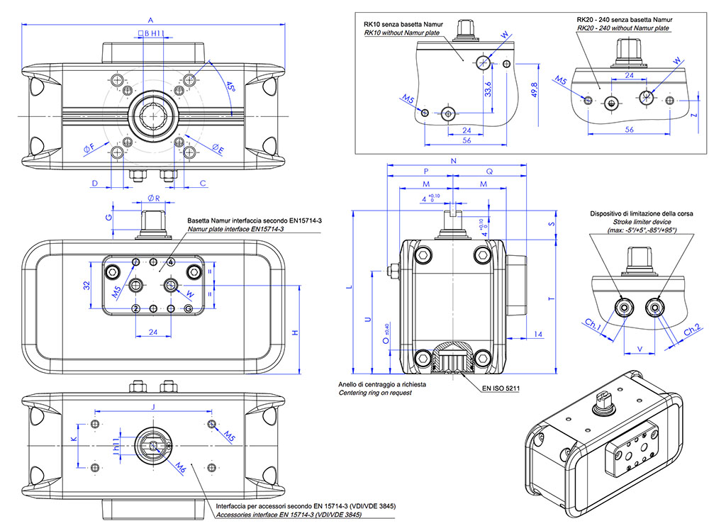
RK10 ÷ RK240

ÖLÇÜLER [mm]
Ölçü
RK10RK10RK20RK20RK20RK20RK40RK40RK40RK40RK60RK80RK120RK160RK240
ISOF03F04F03/F05F03/F05F04F04F04F04F05/F07F05/F07F05/F07
F05/F07
F05/F07
F07/F10F07/F10
A121,7
121,7
153,7
153,7
153,7
153,7
180,4
180,4
180,4
180,4
215,4
235,5
265,9
285,9
318,4
B9
9
911911
11
14
11
141417172222
C x derinlikM5x8
M5x8
M5x8
M5x8
M5x8
M5x8
M5x8
M5x8
M6x9
M6x9
M6x9
M6x9
M6x9
M8x12
M8x12
D x derinlik--M6x9
M6x9
----M8x12
M8x12
M8x12
M8x12
M8x12M10x15
M10x15
E36
4236
36
4242424250
50
50
50
50
7070
F--5050----70
70
70
70
70
102102
G101010101010
1313
13
13
13
13
13
13
19,5
H333350,950,950,9
50,9
60,8
60,8
60,8
60,8
68,7
75,6
87,6
97,5
112
I999999
12
12
12
12
12
15151922
J505080808080
80
80
80
80
80
80
80
80
80
K252530303030
30
30
30
30
30
30
30
30
30
L8080100100100100
112
112
112
112
122
130143154180
M24,524,530303030
36,5
36,5
36,5
36,5
41,5
46
51
56,5
64
N71*
71*
82,5*
82,5*
82,5*82,5*
95,5*
95,5*
95,5*
95,5*
107,8*
116,5*
127*
141*
159*
O10,7
10,7
13,213,2
13,2
13,2
16,5
16,5
16,5
16,5
16,5
19,3
19,3
24,3
24,3
P32,5*
32,5*
38,5*38,5*
38,5*
38,5*
45*
45*
45*
45*
52,3*
56,5*
62*
70,5*
81*
Q38,5
38,5
4444
44
44
50,5
50,5
50,5
50,5
55,5606570,578
R10,9
10,9
12,712,7
12,7
12,7
16,2
16,2
16,2
16,2
1820,222,525,531,8
S15
152020
20
20
20
20
20
20
20
20
20
20
30
T65658080
80
80
92
92
92
92102110123134150
U494959,7559,75
59,75
59,75
70,5
70,5
70,5
70,5
70,5
8697,75106,25120,5
V16161919
19
19
21
21
21
212426323641
W standart (GAZ)
1/8"
1/8"
1/8"
1/8"
1/8"
1/8"
1/8"
1/8"
1/8"
1/8"
1/8"
1/8"
1/4"
1/4"
1/4"
W özel (NPT)
1/8"-27
1/8"-27
1/8"-27
1/8"-27
1/8"-27
1/8"-27
1/8"-27
1/8"-27
1/8"-27
1/8"-27
1/8"-27
1/8"-27
1/4"-18
1/4"-18
1/4"-18
Ch.11010101010
1010
1010
10
1313131618
Ch.23333333
33344456
Ağırlık (kg)0,90,91,41,41,41,42,1
2,12,12,1
2,93,75,16,59
Hava (dm3/devir)0,120,120,250,250,250,250,48
0,480,48
0,48
0,75
1,04
1,481,99
2,91
Z49,849,8
59,959,959,959,969,8
69,869,8
69,8
77,7
84,6
96,6
106,6
121
W1/8"
1/8"
1/8"
1/8"
1/8"
1/8"
1/8"
1/8"
1/8"
1/8"
1/8"
1/8"
1/4"
1/4"
1/4"

H = TABAN PLAKASI SABİTLEMELERİ MERKEZİ.
* Ayarına bağlı değişken.

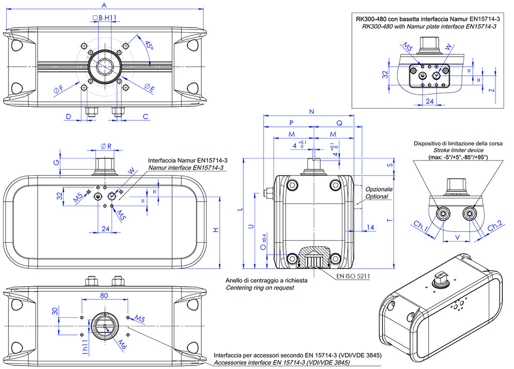
RK300 ÷ RK480

ÖLÇÜLER [mm]
Ölçü
RK300RK480
ISOF07/F10
F10/F12
A352,4
393,4
B22
27
C x derinlikM8x12
M10x15
D x derinlikM10x15
M12x18
E70
102
F102
125
G19,5
19,5
H125
145
I2227
L192214
M69,580
N156,5*180*
O24,329,5
P87*100*
Q83,594
R31,838
S3030
T162184
U131149,5
V4652
W standart (GAZ)1/4"1/4"
W özel (NPT)1/4"-18
1/4"-18
Ch.11821
Ch.266
Ağırlık (kg)11,416,3
Hava (dm3/devir)3,775,8
Z124,5144,5
W1/4"
1/4"


H = TABAN PLAKASI SABİTLEMELERİ MERKEZİ.
 * Ayarına bağlı değişken.

RK10 ÷ RK480

MALZEMELER
Poz.
Tanım
Mikt.
Malzeme
1Silindir
1Alüminyum alaşımı
2Mil
1Çelik alaşımı
3*Kelepçe (Mil üst desteği)
1Asetal reçine
4*Kelepçe (Mil alt desteği)
1Asetal reçine
5*O-ring (mil alt o-ringi)
1Nitril kauçuk
6Kam
1Çelik alaşımı
7*İç destek halkası
1Asetal reçine
8*Dış destek halkası
1Asetal reçine
9Şim pulu
1Paslanmaz çelik
10*Seeger
1Paslanmaz çelik
11*O-ring**
2Nitril kauçuk
12*Üst mil o-ringi
1Nitril kauçuk
13NAMUR taban plakası**
1Alüminyum alaşımı
14Vidalar**
2Paslanmaz çelik
15*O-ring
2Nitril kauçuk
16*Pul (kurs boyu ayarı)
2Paslanmaz çelik
17*Somun (kurs boyu ayarı)
2Paslanmaz çelik
18*Ayar pimi
2Paslanmaz çelik
19Piston
2Alüminyum alaşımı
20*Piston destek pabucu
4Asetal reçine
21*Sızdırmaz halkası
2Poliüretan
22*O-ring
2Nitril kauçuk
23*Tapa o-ringi
2Nitril kauçuk
24Tapa
2Alüminyum alaşımı
25Vidalar
8Paslanmaz çelik

* Yedek parça kitinin detayları..
** Bazı modellerde yoktur, kod tablosuna bakınız.

“DA” BÜKÜLME MOMENTİ DİYAGRAMI (Nm)

RACKON "DA”BÜKÜLME MOMENTİ DİYAGRAMI (Nm)
Ölçü
Hava bar
2 bar2,5 bar3 bar3,5 bar4 bar4,5 bar5 bar5,5 bar5,6 bar6 bar7 bar8 bar
RK103,74,75,66,67,58,49,410,310,511,213,115,0
RK207,39,111,012,814,616,418,320,120,521,925,629,2
RK4013,917,420,924,427,931,334,838,339,041,848,755,7
RK60
21,226,531,937,242,547,853,158,459,563,774,384,9
RK80
30,037,544,952,459,967,474,982,483,989,9104,9119,9
RK120
42,753,464,074,785,496,1106,7117,4119,5128,1149,4170,8
RK160
58,573,287,8102,5117,1131,7146,4161,0163,9175,6204,9234,2
RK240
85,2106,5127,8149,1170,4191,7213,0234,3238,6255,6298,2340,8
RK300
109,8137,2164,7192,1219,6247,0274,5301,9307,4329,3384,2439,1
RK480
172,4215,5258,5301,6344,7387,8430,9474,0482,6517,1603,3689,5

Farklı basınçlarda bükülme momentleri için OMAL ile iletişime geçiniz.

ÇİFT ETKİLİ AKTÜATÖR ÇALIŞMA ŞEMASI

ÇALIŞMA ŞEMASI
4 besleme deliğine hava verilmesiyle birlikte pistonlar merkeze doğru hareket eder ve milin saat yönünde dönüşü gerçekleşir, nihai konum resimde gösterilen şekildedir.

ÇALIŞMA ŞEMASI
2 besleme deliğine  hava verilmesiyle birlikte, pistonlar dışarı doğru hareket eder ve şaft saat yönünün tersine döner, nihai konum resimde gösterilen şekildedir.

ÇİFT ETKİLİ AKTÜATÖR KURS BOYU AYARLAMA TALİMATLARI

AÇILIŞ AYARI

KAPANIŞ AYARI

A) Aktüatörde (iki haznede de) basınçlı hava olmadığından emin olun.
B) A1 Kilit somununu gevşetin.
C) Pistonlar limit anahtarı pozisyonunda olacak şekilde, düşük basınçtaki (yalnızca hareket için yeterli) “2” deliğe hava verin.
D) Allen anahtarla, istenen ayarı elde edecek biçimde A vidasını vidalayın. veya sökün (maksimum ayar aralığı ± 5°)
E) İstenilen ayar elde edildiğinde, A vidasını durdurmak için bir Allen anahtarı kullanın ve bir ingiliz anahtarıyla kilit somununu sıkın.

NOT: Gerekirse, istenen ayar elde edilene kadar işlemleri tekrarlayın.

A) Aktüatörde (iki haznede de) basınçlı hava olmadığından emin olun.
B) B1 Kilit somununu gevşetin.
C) Pistonlar limit anahtarı pozisyonunda olacak şekilde, düşük basınçtaki (yalnızca hareket için yeterli) “4” deliğe hava verin.
D) Allen anahtarla, istenen ayarı elde edecek biçimde B vidasını vidalayın. veya sökün (maksimum ayar aralığı ± 5°)
E) İstenilen ayar elde edildiğinde, B vidasını durdurmak için bir Allen anahtarı kullanın ve bir ingiliz anahtarıyla B1 kilit somununu sıkın.

NOT: Gerekirse, istenen ayar elde edilene kadar işlemleri tekrarlayın.

SEÇİN BOYUT
Arama parametrelerini seçin
MAKALE ARAYIN
X KAPAT

GELECEK ETKİNLİK

IVS - Industrial Valve Summit 2026
IVS - Industrial Valve Summit 2026
Bergamo, Italy, 19 - 21 may 2026