images/testate/JTPiQQ_Template-Header-Sito-OMAL2560x768-RACKON-V2-ok.jpg

RACKON - Doppio effetto DA

  • benefits
  • caratteristiche
  • dimensioni
  • materiali
  • diagrammi e coppie di spunto
  • specifiche
  • documenti

CINEMATISMO PIGNONE CREMAGLIERA

DOPPIA REGOLAZIONE

DA DOPPIO EFFETTO

SR SEMPLICE EFFETTO

1. Fasce di tenuta e scorrimento energizzate autolubrificanti.
Minor attrito tra pistone e cilindro.
Si evita l’incollaggio della guarnizione al cilindro anche dopo lunghi periodi di fermo.

2. Camma di regolazione in acciaio.
Possibilità di regolare la chiusura e/o l’apertura con un attuatore standard (±5° per ogni regolazione).
Semplicità e affidabilità di regolazione.

3. Trasformazione del moto lineare in movimento rotatorio attraverso il cinematismo Pignone e Cremagliera.
Momento torcente lineare in fase di apertura e chiusura (adatto a valvole a sfera).
Precisione di regolazione elevata grazie alla rigidità del sistema pignone cremagliera e alla battuta meccanica tra camma e grano di regolazione.
Velocità di rotazione uniforme.

4. Cilindro rullato.
Minor usura delle fascette energizzate grazie alla bassa rugosità della superficie (0,15 μm Ra).

5. Sistema modulare di molle a cartuccia.
Alta flessibilità e precisione di configurazione del momento torcente generato dalle molle.
Ampia gamma di configurazioni.

Possibilità di avere interfaccia per elettrovalvole NAMUR su tutta la gamma.
Con basetta riportata dal RK10 al RK240. - Integrata per RK 300 e RK480.

Filettature fori aria NPT disponibili su richiesta.
Ottenuta con basetta riportata su tutte le taglie.

Processo produttivo interamente eseguito in OMAL.
Massimo controllo in tutte le fasi di lavorazione.

Conformità ATEX.
Ne consente l'installazione in presenza di ambiente potenzialmente esplosivo.

Certificato fino a SIL 3.
Elevato livello di sicurezza funzionale garantito.

DATI TECNICI
• Coppia da 10 Nm a 474 Nm.
• Flangia d’attacco: EN ISO 5211: F03 - F04 - F05 - F07 - F10 - F12.
• Conforme alla EN 15714-3.
• Conforme alla direttiva ATEX 2014/34/UE.
• Angolo di rotazione: 100° (-5°, +95°).
• Doppia regolazione -5° e +5° per ogni fine corsa (0° e 90°).
• Momento torcente: Direttamente proporzionale alla pressione di alimentazione (vedi tabella).
• In ciascun attuatore la cifra che segue la sigla RK corrisponde al valore della coppia in Nm erogata alla pressione di 5,6 bar.

CONDIZIONI DI ESERCIZIO
• Temperatura standard: da -20°C a +80°C.
    Versioni speciali:
    - alta temperatura: -20°C +150°C.
    - bassa temperatura: -50°C +60°C.
• Pressione nominale: 5,5 bar; massima di esercizio 8 bar.
• Fluido di alimentazione: aria compressa filtrata non necessariamente lubrificata in accordo con UNI EN 15714-3:2009.
• In caso di lubrificazione usare olio non detergente, compatibile con le tenute interne.

VERSIONI SPECIALI A RICHIESTA, CHIAVE DI CODIFICA


CARATTERISTICHE
Attuatore oscillante
RK
Taglia
0010, 0020, 0040, 0060, 0080, 00120, 00160, 0240, 0300, 0480
Cliente
VOOMAL
Angolo di rotazione [°]
A90°
B*180°
C*120°
D*135°
Direzione di chiusura
RChiusura oraria
LChiusura antioraria
Funzionamento
SSemplice effetto N.C.
OSemplice effetto N.O.
DDoppio effetto
Molle utilizzate
00Senza molle
20Molle per 2,0 bar
25Molle per 2,5 bar
30Molle per 3,0 bar
35Molle per 3,5 bar
40Molle per 4,0 bar
45Molle per 4,5 bar
50Molle per 5,0 bar
55Molle per 5,5 bar
60Molle per 6,0 bar
Tipo di Flangia, nel caso di doppia flangia quella minore
03F03
04F04
05F05
07F07
10F10
12F12
Forma sede albero inferiore
QAlbero a stella
D*Albero doppio piano
Dimensione sede albero inferiore
09Quadro da 9 mm
11Quadro da 11 mm
14Quadro da 14 mm
17Quadro da 17 mm
22Quadro da 22 mm
27Quadro da 27 mm
Connessione aria
GBasetta Namur, filetti GAS
NBasetta Namur, filetti NPT
0Filettatura Gas sul cilindro senza basetta (no interfaccia Namur)
IInterfaccia Namur, filetti Gas integrati
Versione
-Standard
6*Bassa temperatura
4*Alta temperatura

*Solo su richiesta.
N.B. Per versioni speciali contattare OMAL.



ESEMPIO DI CODIFICA PER RACKON

Chiave di codifica: RK0040VOARD0005Q11G
Descrizione del prodotto: RACKON 40 DOPPIO EFFETTO ISO F05 07 ALBERO STELLA 11mm CON BASETTA NAMUR GAS.

Chiave di codifica: RK0300VOARD0007Q22I
Descrizione del prodotto: RACKON 300 DOPPIO EFFETTO ISO F07 10 ALBERO STELLA 22mm CON INTERFACCIA NAMUR GAS INTEGRATA NEL CILINDRO

Chiave di codificaRK0040VOARS6005Q11G
Descrizione del prodotto: RACKON 40 SEMPLICE EFFETTO A 6 BAR ISO F05 07 ALBERO STELLA 11mm CON BASETTA NAMUR GAS.

Chiave di codifica: RK0300VOARS6007Q22I
Descrizione del prodotto: RACKON 300 SEMPLICE EFFETTO A 6 BAR ISO F07 10 ALBERO STELLA 22mm CON INTERFACCIA NAMUR GAS INTEGRATA NEL CILINDRO.

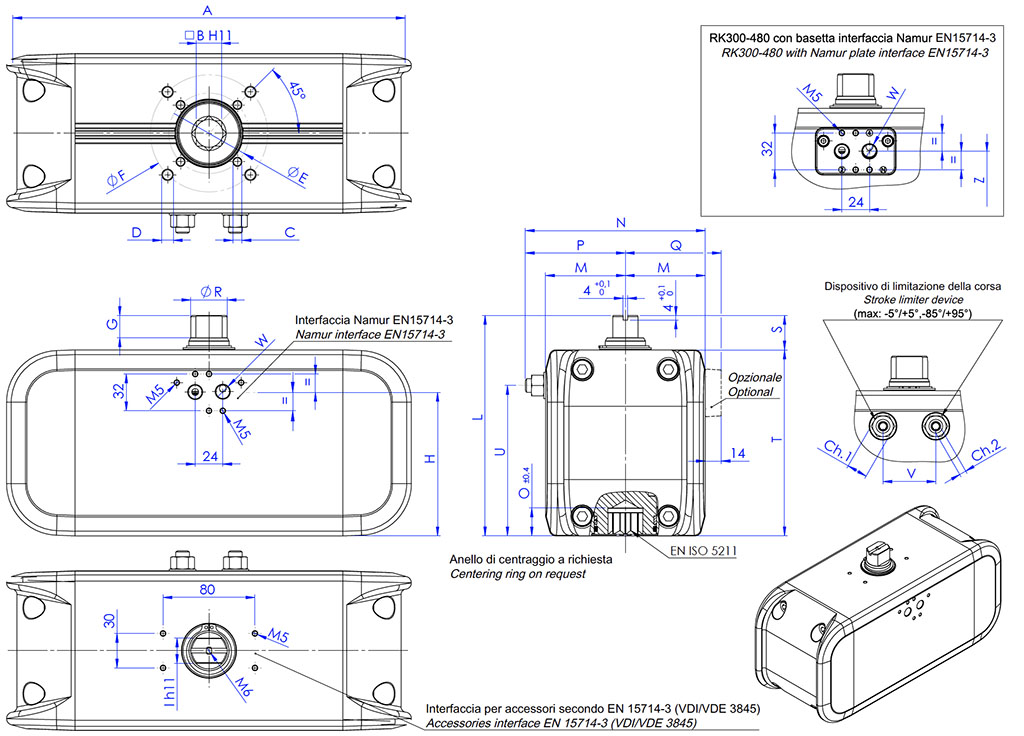
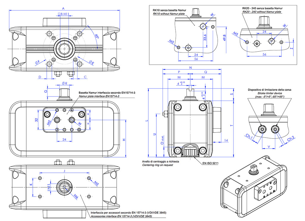
RK10 ÷ RK240

DIMENSIONI [mm]
MisuraRK10RK10RK20RK20RK20RK20RK40RK40RK40RK40RK60RK80RK120RK160RK240
ISOF03F04F03/F05F03/F05F04F04F04F04F05/F07F05/F07F05/F07
F05/F07
F05/F07
F07/F10F07/F10
A121,7
121,7
153,7
153,7
153,7
153,7
180,4
180,4
180,4
180,4
215,4
235,5
265,9
285,9
318,4
B9
9
911911
11
14
11
141417172222
C x depthM5x8
M5x8
M5x8
M5x8
M5x8
M5x8
M5x8
M5x8
M6x9
M6x9
M6x9
M6x9
M6x9
M8x12
M8x12
D x depth--M6x9
M6x9
----M8x12
M8x12
M8x12
M8x12
M8x12M10x15
M10x15
E36
4236
36
4242424250
50
50
50
50
7070
F--5050----70
70
70
70
70
102102
G101010101010
1313
13
13
13
13
13
13
19,5
H333350,950,950,9
50,9
60,8
60,8
60,8
60,8
68,7
75,6
87,6
97,5
112
I999999
12
12
12
12
12
15151922
J505080808080
80
80
80
80
80
80
80
80
80
K252530303030
30
30
30
30
30
30
30
30
30
L8080100100100100
112
112
112
112
122
130143154180
M24,524,530303030
36,5
36,5
36,5
36,5
41,5
46
51
56,5
64
N71*
71*
82,5*
82,5*
82,5*82,5*
95,5*
95,5*
95,5*
95,5*
107,8*
116,5*
127*
141*
159*
O10,7
10,7
13,213,2
13,2
13,2
16,5
16,5
16,5
16,5
16,5
19,3
19,3
24,3
24,3
P32,5*
32,5*
38,5*38,5*
38,5*
38,5*
45*
45*
45*
45*
52,3*
56,5*
62*
70,5*
81*
Q38,5
38,5
4444
44
44
50,5
50,5
50,5
50,5
55,5606570,578
R10,9
10,9
12,712,7
12,7
12,7
16,2
16,2
16,2
16,2
1820,222,525,531,8
S15
152020
20
20
20
20
20
20
20
20
20
20
30
T65658080
80
80
92
92
92
92102110123134150
U494959,7559,75
59,75
59,75
70,5
70,5
70,5
70,5
70,5
8697,75106,25120,5
V16161919
19
19
21
21
21
212426323641
W standard (GAS)1/8"
1/8"
1/8"
1/8"
1/8"
1/8"
1/8"
1/8"
1/8"
1/8"
1/8"
1/8"
1/4"
1/4"
1/4"
W special (NPT)1/8"-27
1/8"-27
1/8"-27
1/8"-27
1/8"-27
1/8"-27
1/8"-27
1/8"-27
1/8"-27
1/8"-27
1/8"-27
1/8"-27
1/4"-18
1/4"-18
1/4"-18
Ch.11010101010
1010
1010
10
1313131618
Ch.23333333
33344456
Weight (kg)0,90,91,41,41,41,42,1
2,12,12,1
2,93,75,16,59
Air (dm3/cycle)0,120,120,250,250,250,250,48
0,480,48
0,48
0,75
1,04
1,481,99
2,91
Z49,849,8
59,959,959,959,969,8
69,869,8
69,8
77,7
84,6
96,6
106,6
121
W1/8"
1/8"
1/8"
1/8"
1/8"
1/8"
1/8"
1/8"
1/8"
1/8"
1/8"
1/8"
1/4"
1/4"
1/4"

H = CENTRO DEI FISSAGGI BASETTA.
* Variabile a seconda della regolazione.

RK300 ÷ RK480

DIMENSIONI [mm]
MisuraRK300RK480
ISOF07/F10
F10/F12
A352,4
393,4
B22
27
C x depthM8x12
M10x15
D x depthM10x15
M12x18
E70
102
F102
125
G19,5
19,5
H125
145
I2227
L192214
M69,580
N156,5*180*
O24,329,5
P87*100*
Q83,594
R31,838
S3030
T162184
U131149,5
V4652
W standard (GAS)1/4"1/4"
W special (NPT)1/4"-18
1/4"-18
Ch.11821
Ch.266
Weight (kg)11,416,3
Air (dm3/cycle)3,775,8
Z124,5144,5
W1/4"
1/4"


H = CENTRO DEI FISSAGGI BASETTA.

* Variabile a seconda della regolazione.

RK10 ÷ RK480

MATERIALI
Pos.
Descrizione
Q.ty
Materiale
1Cilindro
1Lega di alluminio
2Albero
1Lega di acciaio
3*Fascetta (supporto superiore albero)
1Resina acetalica
4*Fascetta (supporto inferiore albero)
1Resina acetalica
5*O-Ring (guarnizione inferiore albero)
1Gomma nitrilica
6Camma
1Lega di acciaio
7*Anello supporto interno
1Resina acetalica
8*Anello supporto esterno
1Resina acetalica
9Rondella di spessoramento
1Acciaio inox
10*Seeger
1Acciaio inox
11*O-ring**
2Gomma nitrilica
12*O-ring albero superiore
1Gomma nitrilica
13Basetta Namur**
1Lega di alluminio
14Viti**
2Acciaio inox
15*O-ring
2Gomma nitrilica
16*Rosetta (regolazione corsa)
2Acciaio inox
17*Dado (regolazione corsa)
2Acciaio inox
18*Grano regolazione
2Acciaio inox
19Pistone
2Lega di alluminio
20*Pattino supporto pistone
4Resina acetalica
21*Anello di tenuta
2Poliuretano
22*O-ring
2Gomma nitrilica
23*O-ring del tappo
2Gomma nitrilica
24Tappo
2Lega di alluminio
25Viti
8Acciaio inox

* Particolari del kit di ricambio.
** Assente per alcuni modelli, vedi tabella codici.

DIAGRAMMA MOMENTO TORCENTE "DA" (Nm)

TABELLA MOMENTO TORCENTE RACKON "DA" (Nm)
MisuraAria bar
2 bar2,5 bar3 bar3,5 bar4 bar4,5 bar5 bar5,5 bar5,6 bar6 bar7 bar8 bar
RK103,74,75,66,67,58,49,410,310,511,213,115,0
RK207,39,111,012,814,616,418,320,120,521,925,629,2
RK4013,917,420,924,427,931,334,838,339,041,848,755,7
RK60
21,226,531,937,242,547,853,158,459,563,774,384,9
RK80
30,037,544,952,459,967,474,982,483,989,9104,9119,9
RK120
42,753,464,074,785,496,1106,7117,4119,5128,1149,4170,8
RK160
58,573,287,8102,5117,1131,7146,4161,0163,9175,6204,9234,2
RK240
85,2106,5127,8149,1170,4191,7213,0234,3238,6255,6298,2340,8
RK300
109,8137,2164,7192,1219,6247,0274,5301,9307,4329,3384,2439,1
RK480
172,4215,5258,5301,6344,7387,8430,9474,0482,6517,1603,3689,5

Per momenti torcenti a pressioni diverse contattare OMAL.

SCHEMA DI FUNZIONAMENTO ATTUATORE DOPPIO EFFETTO

SCHEMA DI FUNZIONAMENTO
Immettendo aria nel foro 4 di alimentazione, i pistoni si muovono verso centro e si ha una rotazione oraria dell’albero, la posizione finale e quella rappresentata nel disegno.

SCHEMA DI FUNZIONAMENTO
Immettendo aria nel foro 2 di alimentazione, i pistoni si muovono verso l’esterno e si ha una rotazione antioraria dell’albero, la posizione finale e quella rappresentata nel disegno.

ISTRUZIONI PER LA REGOLAZIONE DELLA CORSA ATTUATORE DOPPIO EFFETTO

REGOLAZIONE IN APERTURA

REGOLAZIONE IN CHIUSURA

A) Assicurarsi che non ci sia aria in pressione nell’attuatore (in nessuna delle due camere).
B) Allentare il controdado A1.
C) Immettere aria nel foro “2” a bassa pressione (sufficiente al solo movimento) in modo che i pistoni si vengano a trovare in posizione di finecorsa.
D) Con una chiave a brugola avvitare o svitare il grano A in modo da ottenere la regolazione desiderata (intervallo massimo di regolazione ± 5°).
E) Ottenuta la regolazione desiderata, con un chiave a brugola fermare il grano A, mentre con una chiave inglese serrare il controdado A1.


N.B. Eventualmente ripetere le operazioni fino ad ottenere la regolazione desiderata.

A) Assicurarsi che non ci sia aria in pressione nell’attuatore (in nessuna delle due camere).
B) Allentare il controdado B1.
C) Immettere aria nel foro “4” a bassa pressione (sufficiente al solo movimento) in modo che i pistoni si vengano a trovare in posizione di finecorsa.
D) Con una chiave a brugola avvitare o svitare il grano B in modo da ottenere la regolazione desiderata (intervallo massimo di regolazione ± 5°).
E) Ottenuta la regolazione desiderata, con un chiave a brugola fermare il grano B, mentre con una chiave inglese serrare il controdado B1.

N.B. Eventualmente ripetere le operazioni fino ad ottenere la regolazione desiderata.

SELEZIONA MISURA
Seleziona i parametri di ricerca
CERCA ARTICOLO
X CHIUDI

PROSSIMO EVENTO

IVS - Industrial Valve Summit 2026
IVS - Industrial Valve Summit 2026
Bergamo, Italia, 19 - 21 maggio 2026