images/testate/Template-Header-Sito-OMALBALLVALVES.jpg

Válvula de esfera PROCHEMIE 60 Split Body PN 16-40 aço inoxidável

  • benefícios
  • características
  • dimensões
  • materiais
  • acessórios
  • informação sobre acionamentos
  • versões especiais
  • documentos

1 Vedação elástica em grafite
Garante uma vedação independente das variações de temperatura às quais a válvula está sujeita

2 Anel antifricção duplo
Garante um menor torque de acionamento da válvula
Menor desgaste em relação à execução com anel único

3 Dispositivo antiestático (continuidade elétrica entre esfera, haste e corpo)
Evita-se a eletricidade estática que pode causar faíscas em um ambiente explosivo ou inflamável.
Segurança garantida do contato durante toda a vida útil da válvula

4 Molas de copo com pré-carga independente
A pré-carga das molas de copo é independente da rotação do eixo: a abrasão do pacote-guarnições em "V" é portanto reduzida ainda mais, garantindo uma elevada ciclicidade da válvula.
Permitem manter energizadas as guarnições tipo “chevron” (em V), evitando perdas para o exterior, diante de consideráveis variações de temperatura.

5 Pacote de guarnições em “V” com três guarnições mais o-ring

Uma vedação perfeita é garantida mesmo após um grande número de ciclos

6 Casquilho a haste
Guia adicional a haste

6/7 Guarnição da cobertura + casquilho haste
Câmara de vedação secundária independente do pacote Chevron

Maior precisão no alinhamento dos eixos, graças ao processamento do bruto ao acabado com um único posicionamento.
Maior vida útil da própria válvula. Menor torque de acionamento

Manutenção fácil diretamente na planta

Contenção dos custos durante a fase de manutenção

Certificado “Fire safe”
Garante a vedação da válvula também em caso de incêndio

Certificado ATEX
Permite a instalação na presença de ambiente potencialmente explosivo

Certificação TA LUFT fugitive emission
Garante um alto grau de segurança da vedação para o exterior

Certificado PED
Conformidade total com as normas europeias de segurança para os dispositivos sob pressão

Certificação AD2000
De acordo com os standards alemãos

Certificados até SIL 3
Alto nível de segurança funcional

CARACTERÍSTICAS GERAIS
• Válvulas projetadas especificamente para a indústria química.
• Esfera flutuante, passagem total.
• Vedação sede-macia RPTFE
• Normas para flanges de conexão: EN 1092-1
• Classe de pressão: PN16-40
• Espaçamento: short and long pattern
• Dispositivo antiestático EN12662-2
• Vedação da haste: pacote em V
• Haste anti-expulsão
• Perfuração do plano para atuador conforme ISO 5211
• Ângulo de fechamento >7°
• Operating temperature: -40°C +150°C

EXECUÇÕES A PEDIDO
• PROCHEMIE com sedes em PTFE+25% C.F. (Operating temperature: -40°C +200°C)
• PROCHEMIE com sedes em Modified PTFE (Operating temperature: -40°C +150°C)
• Alavanca com tranca e Extensão da haste
• Para outros tipos de execução entrar em contato com nosso departamento de vendas.

CERTIFICAÇÕES
• Em conformidade com as diretrizes europeias PED 2014/68/UE; AD2000 HP0/A4;
• Fugitive Emission UNI EN ISO 15848, (ISO-FE-AH-C03-SSA); TA-LUFT (60000 ciclos) VDI 2440;
• FIRE SAFE: ISO 10497 Third ed. 2010 / API 607 Sixth ed. 2010 (DN150 ONLY FIRE SAFE DESIGN)
• Até SIL 3 - IEC 61508
• Em conformidade com a diretiva ATEX 2014/34/UE , certificado ATEX A PEDIDO.
• EAC.

NORMAS DE DESIGN
 • Espessuras do corpo de acordo com: ASME B16.34, ASME VIII div.1, EN 12516; PAS 1085

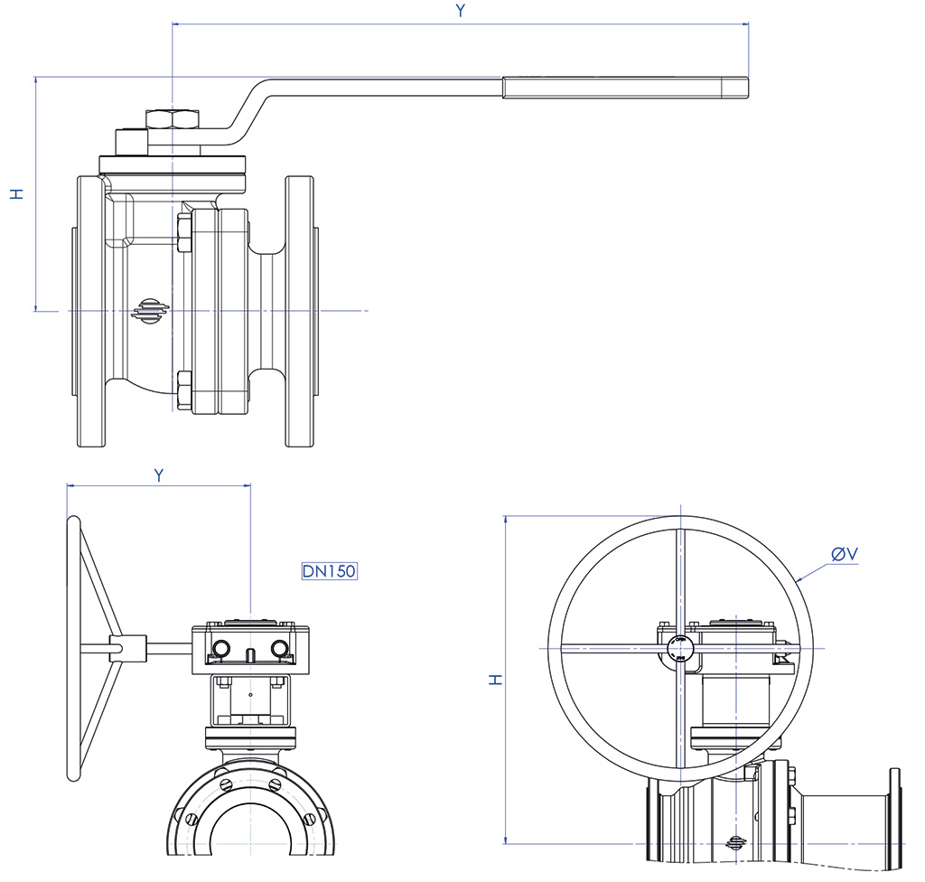
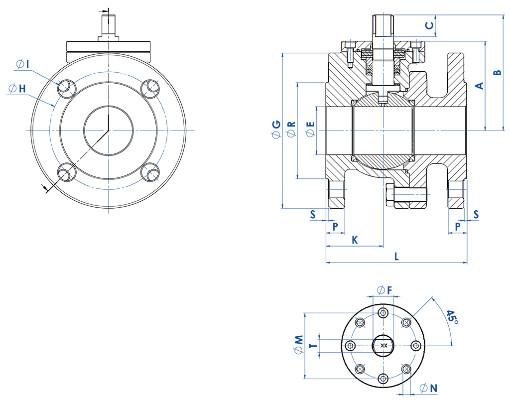
DIMENSÕES
MEDIDA
PNØEABCØGØRSPØHFUROS
ØIISO 5211ØMØNØF/TKL (F1)L (F4)PESO Kg (F1)PESO Kg (F4)
DN [mm][polegada]
DN 151/2"16-4013476112954521665414F0442M512/8481301152,932,86
DN 203/4"16-40195064121055821875414F0442M512/8511501203,623,56
DN 251"16-40256279151156821885414F0550M616/10491601254,734,63
DN 321" 1/416-403267841514078218100418F0550M616/10521801307,136,55
DN 401" 1/216-403885,5113,52315088318110418F0770M822/145520014011,510,9
DN 502"16-40519512323165102320125418F0770M822/146123015013,612,6
DN 652" 1/2166413116430185122318145418F10102M1030/187129017022,218,7
25-402281824,320,5
DN 803"16-407613817130200138324160818F10102M1030/18783101802926
DN 1004"1610216820130220158320180818F10102M1030/189635019038,132,6
25-40235162241908229443,837,8
DN 1506"16152220262,535285212322240822F14140M1645/30168480350 (F5)
98,591 (F5)

DIMENSÕES
MEDIDAS
PNESPAÇAMENTO
CÓDIGO DO ARTIGO
HYØVKIT ALAVANCA
DN [mm][polegada]
DN 151/2"16/40F4LP004F000A0000N00082152---KLVVP004
F1LP004F100A0000N000
DN 203/4"16/40F4LP005F000A0000N00085152---KLVVP004
F1LP005F100A0000N000
DN 251"16/40F4LP006F000A0000N000102277---KLVVP006
F1LP006F100A0000N000
DN 321" 1/416/40F4LP007F000A0000N000107277---KLVVP006
F1LP007F100A0000N000
DN 401" 1/216/40F4LP008F000A0000N000132352---KLVVP008
F1LP008F100A0000N000
DN 502"16/40F4LP009F000A0000N000142352---KLVVP008
F1LP009F100A0000N000
DN 652" 1/216F4LP010E000A0000N000195452---KLVVP010
F1LP010E100A0000N000
25/40F4LP010I000A0000N000195452---KLVVP010
F1LP010I100A0000N000
DN 803"16/40F4LP011F000A0000N000203452---KLVVP010
F1LP011F100A0000N000
DN 1004"16F4LP012E000A0000N000233452---KLVVP010
F1LP012E100A0000N000
25/40F4LP012I000A0000N000233452---KLVVP010
F1LP012I100A0000N000
DN 1506"16F5RP014E000A0000N000
618346500*RRM011G00Q36001004 + SG500 Kit: KCF145596
F1
RP014E100A0000N000
* Reductor

MATERIAIS
DESCRIÇÃO
MATERIAL
1Cuerpo
1.4408
2Terminal
1.4408
3Esfera
1.4408/CF8M
4Haste
1.4404/316 S.S.
5Sedes
PTFE+15% Preenchido com Vidro
6Guarnição Corpo-Terminal
Grafito
7Anéis anti-fricção
Modified PTFE
8Pacote em V Chevron
Modified PTFE
9V pacote Chevron
Modified PTFE
10Pacote em V Chevron
Modified PTFE
11Anel aperta guarnição
1.4404/316 S.S.
12Molas de copo
1.4310/301 S.S.
13Guarnição Corpo-Cobertura Superior
Grafite
14Anel aperta molas de copo
1.4404/316 S.S.
15Casquilho haste
Devlon
16Cobertura superior
1.4404/316 S.S.
17Parafusos da cobertura superior
A4-70
18Parafusos Corpo-Terminal
A4-70
19Anel espaçador
PTFE+25% Preenchido com Carbono
20Alavanca
1.4301/304 S.S.
21Porca da Haste
A4-70
22Trava da alavanca
1.4404/316 S.S.
23Parafuso de parada da alavanca
A4-70
24Redutor
Ferro fundido (pintado)
25Volante
Aço carbono (pintado)

EXTENSÃO GUIADA POR FUSÃO A ALAVANCA

MATERIAIS   
PART. N°
DESCRIÇÃO
MATERIAL
1
Extensão
AISI304 S.S.
2
Pino
AISI 430 F
3
Bucha
DELRIN
4
O-RING  
NBR
5
Alavanca
Fe 37 galvanizado(*)
6
Porca
aço carbono galvanizado (*)
7
Trava da alavanca
aço carbono galvanizado (*)
8
Parafuso de parada da alavanca
A2-70
9
Espaçador
PTFE Carbon Filled


(*): A pedido disponível em 304 S.S.


DIMENSÕES
ISO VÁLVULA
ØA
ØB
ØM
ØN
F/T
X
Y
F03
36
5,5365,5
10/638,5141,5
F04
425,542M512/845,5151,5
F05
506,5506,516/1048,5276,5
F07
708,5708,522/1457,5351,5
F10
102111021130/1879,5451,5


NOTA: O código da extensão depende do tipo de acionamento e da conexão da válvula; requerer junto com o pedido

EXTENSÃO GUIADA POR FUSÃO PARA ATUADOR

 MATERIAIS
PART. N°
 DESCRIÇÃO
MATERIAL
1
Extensão
ASTM A351 CF8M
2
Pino
AISI 430 F
3
Bucha
DELRIN
4
O-RING
NBR


NOTA: O código da extensão depende do tipo de acionamento e da conexão da válvula; requerer junto com o pedido.

EXTENSÃO GUIADA SOLDADA A ALAVANCA

MATERIAIS    
PART. N°
DESCRIÇÃO
MATERIAL
1
Extensão
304 s.s.
2
Pino
AISI 430 F
3
Bucha
DELRIN
4
O-Ring
NBR
5
Alavanca
Fe 37 galvanizado (*)
6
Porca
aço carbono galvanizado  (*)
7
Parada da alavanca
aço carbono galvanizado  (*)
8
Parafuso de parada da alavanca
A2-70
9
Porca de parada da alavanca
A2-70 (**)
10
Espaçador
PTFE Carbon Filled


(*): A pedido disponível em 304 S.S.
(**): não presente nas válvulas com conexão iso F04.

DIMENSÕES
ISO VÁLVULA
ØA
ØB
ØM
ØN
F/T
X
Y
F03
36
5,5365,510/638,5141,5
F04
425,542M512/845,5151,5
F05
506,5506,516/1048,5276,5
F07
70970922/1457,5351,5
F10
102111021130/1879,5451,5


NOTA: O código da extensão depende do tipo de acionamento e da conexão da válvula; requerer junto com o pedido.

EXTENSÃO GUIADA SOLDADA PARA ATUADOR

MATERIAIS    
PART. N°
DESCRIÇÃO
MATERIAL
1
Extensão
304 S.S.
2
Pino
AISI 430 F
3
Bucha
DELRIN
4
O-RING  
NBR


NOTA: O código da extensão depende do tipo de acionamento e da conexão da válvula; requerer junto com o pedido.

EXTENSÃO COM VEDAÇÃO ADICIONAL

MATERIAIS    
PART. N°
DESCRIÇÃO
MATERIAL
1
Extensão
304 s.s.
2
Pino
AA564 TP.630 (17-4ph)
3
Anel Anti-fricção
TFM1600
4
O-Ring
FKM
5
Gaxeta Em V
TFM1600
6
Anel Aperta-guarnição
304 s.s.
7
Molas prato
50CrV4 Galvanizado
8
Porca de haste
UNI 3740-1 6S Galvanizado
9
Placa de Bloqueio da Porca
304 s.s.
10
Guarnição de vedação
GRAFOIL


DIMENSÕES
ISO VÁLVULA
ØA
ØB
ØM
ØN
F/T
CD
F03
36
5,5
36M510/6
2010,2
F04
42
5,5
42M512/8
2615,1
F05
50
6,550M616/10
3521,2
F07
70
8,570M822/14
47,528,4
F10
102
10,5102M1030/18
6135,2

NOTA: O código da extensão depende do tipo de acionamento e da conexão da válvula; requerer junto com o pedido.

Atuador de efeito duplo e efeito simples em aço inoxidável

Atuador elétrico

Dispositivo trancável

 É possível pintar o dispositivo trancável.

Dispositivo trancável com extensão

Alavanca e box com interruptor de limite

Redutor manual

Furo de liberação da pressão

Versão com sede pré-carregada por OR-RING

CONFIGURAR DIRIGIR
Selecionar os parâmetros de pesquisa
PESQUISA DE ITEM
X FECHAR

PRÓXIMO EVENTO

IVS - Industrial Valve Summit 2026
IVS - Industrial Valve Summit 2026
Bergamo, Italy, 19 - 21 may 2026