images/testate/Template-Header-Sito-OMALBALLVALVES.jpg

Valvola a sfera PROCHEMIE 60 Split Body PN 16-40 acciaio inox

  • benefits
  • caratteristiche
  • dimensioni
  • materiali
  • accessori
  • info azionamenti
  • versioni speciali
  • documenti

1 Tenuta elasticizzata in grafite    
Garantisce una tenuta indipendente dalle escursioni termiche a cui è sottoposta la valvola

2 Doppio anello antifrizione     
     
Garantisce una minor coppia di azionamento della valvola
Minor usura rispetto all’esecuzione con singolo anello

3  Antistatic device (continuità elettrica tra sfera, stelo e corpo)   
Si evita l’elettricità statica che può causare scintille in un ambiente esplosivo o infiammabile.
Sicurezza garantita del contatto durante tutta la vita della valvola

4 Molle a tazza con precarico indipendente           
Il precarico delle molle a tazza è indipendente dalla rotazione dell’albero: l’abrasione del pacco-guarnizioni a “V” è quindi ulteriormente ridotta, garantendo un’elevata ciclicità alla valvola.
Consentono di mantenere energizzate le guarnizioni tipo “chevron” (a V), evitando perdite verso l’esterno, a fronte di notevoli escursioni termiche.

5 Pacco guarnizioni a “V” con tre guarnizioni più o-ring    
Si garantisce una perfetta tenuta anche dopo un numero elevato di cicli

6 Boccola a stelo
Ulteriore guida a stelo

6/7 Guarnizione coperchio + boccola stelo
Camera di tenuta secondaria indipendente dal pacco Chevron

Maggior precisione nell’allineamento degli assi grazie alla lavorazione dal grezzo al finito con un unico posizionamento.
Maggior vita della valvola stessa. Minor coppia in azionamento              

Facile manutenibilità direttamente sull’impianto             
Contenimento dei costi durante la fase di manutenzione
               
Certificato “Fire safe”   
Garantisce la tenuta della valvola anche in caso di incendio
               
Certificato ATEX               
Ne consente l’installazione in presenza di ambiente potenzialmente esplosivo
               
Certificazione TA LUFT fugitive emission             
Garantisce un elevato grado di sicurezza della tenuta verso l’esterno
                
Certificato PED 

Piena conformità alle norme di sicurezza europee per i dispositivi in pressione
               
Certificazione AD2000   
In accordo con gli standard tedeschi

Certificato fino a SIL 3
Elevato livello di sicurezza funzionale

CARATTERISTICHE GENERALI
• Valvole specificatamente progettate per l’industria della chimica
• Sfera flottante, passaggio totale.
• Tenuta soft-seat RPTFE
• Norme per flange d’attacco: EN 1092-1
• Classe di pressione: PN16-40
• Scartamento: short and long pattern
• Antistatic device EN12662-2
• Tenuta stelo: pacco a V
• Stelo anti espulsione
• Foratura piano per attuatore a norma ISO 5211
• Angolo di chiusura >7°
• Temperatura di utilizzo: -40°C +150°C
 
ESECUZIONI A RICHIESTA
• PROCHEMIE con seggi in PTFE+25% C.F. (Temperatura di utilizzo: -40°C +200°C)
• PROCHEMIE con seggi in PTFE Modificato (Temperatura di utilizzo: -40°C +150°C)
• Leva con lucchettaggio e Prolunga stelo
• Per altri tipi di esecuzione contattare il nostro ufficio commerciale
 
CERTIFICAZIONI
• Conforme alle direttive europee PED 2014/68/EU; AD2000 HP0/A4;
• Fugitive Emission UNI EN ISO 15848, (ISO-FE-AH-C03-SSA); TA-LUFT (60000 cicli) VDI 2440;
• FIRE SAFE: ISO 10497 Third ed. 2010 / API 607 Sixth ed. 2010 (DN150 SOLO FIRE SAFE DESIGN)

• Fino a SIL 3 - IEC 61508
• Conforme alla direttiva ATEX 2014/34/UE , certificato ATEX A RICHIESTA.
• EAC.
 
NORME DI PROGETTAZIONE
• Spessori corpo in accordo a: ASME B16.34, ASME VIII div.1, EN 12516; PAS 1085

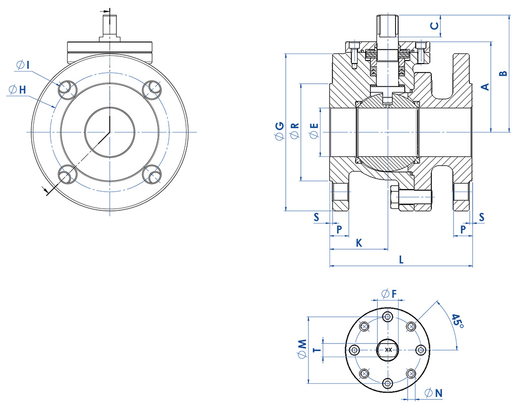
DIMENSIONI
MISURAPNØEABCØGØRSPØHFORIØIISO 5211ØMØNØF/TKL (F1)L (F4)PESO Kg (F1)PESO Kg (F4)
DN [mm][inch]
DN 151/2"16-4013476112954521665414F0442M512/8481301152,932,86
DN 203/4"16-40195064121055821875414F0442M512/8511501203,623,56
DN 251"16-40256279151156821885414F0550M616/10491601254,734,63
DN 321" 1/416-403267841514078218100418F0550M616/10521801307,136,55
DN 401" 1/216-403885,5113,52315088318110418F0770M822/145520014011,510,9
DN 502"16-40519512323165102320125418F0770M822/146123015013,612,6
DN 652" 1/2166413116430185122318145418F10102M1030/187129017022,218,7
25-402281824,320,5
DN 803"16-407613817130200138324160818F10102M1030/18783101802926
DN 1004"1610216820130220158320180818F10102M1030/189635019038,132,6
25-40235162241908229443,837,8
DN 1506"16152220262,535285212322240822F14140M1645/30168480350 (F5)98,591 (F5)

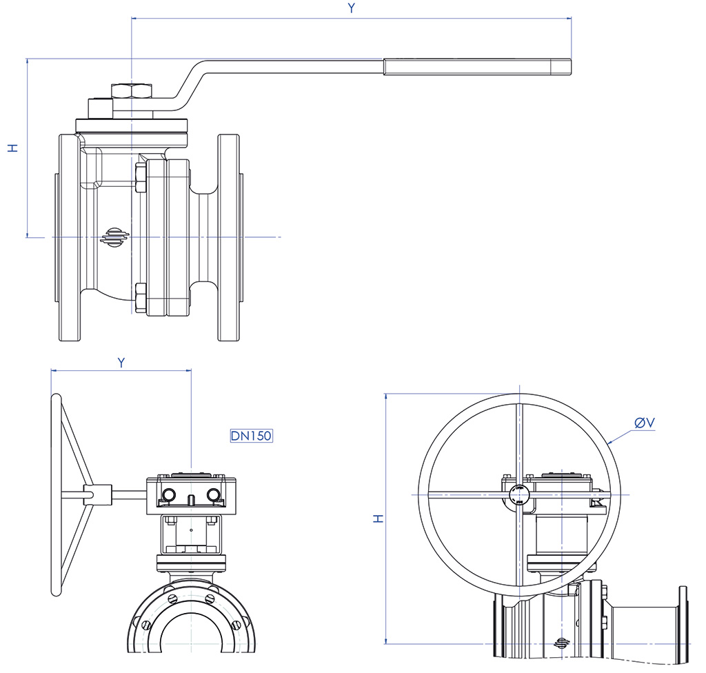
DIMENSIONI
MISUREPNSCARTAMENTOCODICE ARTICOLOHYØVKIT LEVA
DN [mm][inch]
DN 151/2"16/40F4LP004F000A0000N00082152---KLVVP004
F1LP004F100A0000N000
DN 203/4"16/40F4LP005F000A0000N00085152---KLVVP004
F1LP005F100A0000N000
DN 251"16/40F4LP006F000A0000N000102277---KLVVP006
F1LP006F100A0000N000
DN 321" 1/416/40F4LP007F000A0000N000107277---KLVVP006
F1LP007F100A0000N000
DN 401" 1/216/40F4LP008F000A0000N000132352---KLVVP008
F1LP008F100A0000N000
DN 502"16/40F4LP009F000A0000N000142352---KLVVP008
F1LP009F100A0000N000
DN 652" 1/216F4LP010E000A0000N000195452---KLVVP010
F1LP010E100A0000N000
25/40F4LP010I000A0000N000195452---KLVVP010
F1LP010I100A0000N000
DN 803"16/40F4LP011F000A0000N000203452---KLVVP010
F1LP011F100A0000N000
DN 1004"16F4LP012E000A0000N000233452---KLVVP010
F1LP012E100A0000N000
25/40F4LP012I000A0000N000233452---KLVVP010
F1LP012I100A0000N000
DN 1506"16F5RP014E000A0000N000
618346500*RRM011G00Q36001004 + SG500 Kit: KCF145596
F1
RP014E100A0000N000
* Riduttore

MATERIALI
DESCRIZIONEMATERIALE
1Corpo1.4408
2Terminale1.4408
3Sfera1.4408/CF8M
4Stelo1.4404/316 S.S.
5SeggiPTFE+15% Glass Filled
6Guarnizione Corpo-TerminaleGraphite
7Anelli antifrizionePTFE Modificato
8Pacco a V ChevronPTFE Modificato
9Pacco a V ChevronPTFE Modificato
10Pacco a V ChevronPTFE Modificato
11Anello premi guarnizione1.4404/316 S.S.
12Molle a tazza1.4310/301 S.S.
13Guarnizione Corpo-Coperchio SuperioreGraphite
14Anello premi molle a tazza1.4404/316 S.S.
15Boccola steloDevlon
16Coperchio superiore1.4404/316 S.S.
17Viti coperchio superioreA4-70
18Viti Corpo-TerminaleA4-70
19Anello distanzialePTFE+25% Carbon Filled
20Leva1.4301/304 S.S.
21Dado SteloA4-70
22Fermo leva1.4404/316 S.S.
23Vite fermo levaA4-70
24RiduttoreGhisa (verniciato)
25VolantinoAcciaio Carbonio (verniciato)

PROLUNGA GUIDATA DA FUSIONE A LEVA

MATERIALI    
PART. N°
DESCRIZIONE
MATERIALE
1
Prolunga  
AISI304 S.S.
2
Perno
AISI 430 F
3
Bussola
DELRIN
4
O-RING  
NBR
5
Leva  
Fe 37 galvanized (*)
6
Dado  
galvanized carbon steel (*)
7
Fermo leva  
galvanized carbon steel (*)
8
Vite fermo leva  
A2-70
9
Distanziale
PTFE Carbon Filled

(*): A richiesta disponibili in 304 S.S.

DIMENSIONI   
ISO VALVOLA
ØA
ØB
ØM
ØN
F/T
X
Y
F03
36
5,5365,5
10/638,5141,5
F04
425,542M512/845,5151,5
F05
506,5506,516/1048,5276,5
F07
708,5708,522/1457,5351,5
F10
102111021130/1879,5451,5

NOTA: Il codice della prolunga dipende dal tipo di azionamento e dall’attacco valvola; richiedere in fase d’ordine.

PROLUNGA GUIDATA DA FUSIONE PER ATTUATORE

MATERIALI    
PART. N°
DESCRIZIONE
MATERIALE
1
Prolunga
ASTM A351 CF8M
2
Perno  
AISI 430 F
3
Bussola  
DELRIN
4
O-RING  
NBR

NOTA: Il codice della prolunga dipende dal tipo di azionamento e dall’attacco valvola; richiedere in fase d’ordine

PROLUNGA GUIDATA SALDATA A LEVA

MATERIALI    
PART. N°
DESCRIZIONE
MATERIALE
1
Prolunga  
304 s.s.
2
Perno
AISI 430 F
3
Bussola
DELRIN
4
O-Ring
NBR
5
Leva
Fe 37 galvanized (*)
6
Dado
galvanized carbon steel  (*)
7
Fermo leva
galvanized carbon steel  (*)
8
Vite fermo leva
A2-70
9
Dado fermo leva
A2-70 (**)
10
Distanziale
PTFE Carbon Filled


(*): a richiesta disponibili in 304 S.S.

(**): non presente su valvole con attacco iso F04.

DIMENSIONI   
ISO VALVOLA
ØA
ØB
ØM
ØN
F/T
X
Y
F03
36
5,5365,510/638,5141,5
F04
425,542M512/845,5151,5
F05
506,5506,516/1048,5276,5
F07
70970922/1457,5351,5
F10
102111021130/1879,5451,5


NOTA: Il codice della prolunga dipende dal tipo di azionamento e dall’attacco valvola; richiedere in fase d’ordine.

PROLUNGA GUIDATA SALDATA PER ATTUATORE

MATERIALI    
PART. N°
DESCRIZIONE
MATERIALE
1
Prolunga
304 S.S.
2
Perno  
AISI 430 F
3
Bussola  
DELRIN
4
O-RING  
NBR


NOTA: Il codice della prolunga dipende dal tipo di azionamento e dall’attacco valvola; richiedere in fase d’ordine

PROLUNGA CON TENUTA AGGIUNTIVA

MATERIALI    
PART. N°
DESCRIZIONE
MATERIALE
1
Prolunga  
304 s.s.
2
Perno
A564 TP.630 (17-4ph)
3
Anello Antifrizione  
TFM1600
4
O-Ring
FKM
5
Pacco A V  
TFM1600
6
Anello Premiguarnizione  
304 s.s.
7
Molle A Tazza  
50CrV4 Zincato
8
Dado Stelo
UNI 3740-1 6S Zincato
9
Piastra Blocca Dado  
304 s.s.
10
Guarnizione di tenuta
GRAFOIL

DIMENSIONI
ISO VALVOLA
ØA
ØB
ØM
ØN
F/T
CD
F03
36
5,5
36M510/6
2010,2
F04
42
5,5
42M512/8
2615,1
F05
50
6,550M616/10
3521,2
F07
70
8,570M822/14
47,528,4
F10
102
10,5102M1030/18
6135,2

NOTA: Il codice della prolunga dipende dal tipo di azionamento e dall’attacco valvola; richiedere in fase d’ordine.

Attuatore doppio effetto e singolo effetto in acciaio inossidabile

Attuatore elettrico

Dispositivo lucchettabile

E' possibile verniciare il dispositivo lucchettabile.

Dispositivo lucchettabile con prolunga

Leva e box finecorsa

Riduttore manuale

Foro di rilascio della pressione

Versione con sedile precaricato da OR-RING

CONFIGURA AZIONAMENTO
Seleziona i parametri di ricerca
CERCA ARTICOLO
X CHIUDI

PROSSIMO EVENTO

IVS - Industrial Valve Summit 2026
IVS - Industrial Valve Summit 2026
Bergamo, Italia, 19 - 21 maggio 2026