images/testate/JjHdsW_Template-Header-Sito-OMAL2560x768-AGO-ok.jpg

AGO 316 - привод типа SR из цельного бруска стали маки INOX 316

  • преимущества
  • характеристики
  • размеры
  • материалы
  • спецификации
  • аксессуары
  • документы

1. Самосмазывающиеся и самоуплотняющиеся ленточные скользящие уплотнения
Меньше трение между поршнем и цилиндром
Уплотнение не прилипает к цилиндру даже после продолжительных простоев

2. Паз, втулки и штыри из стали твёрдостью более 50 ед. по Роквеллу (HRC)

Больше сопротивление силам внутри привода

3. Трение качения между пазом и поршнем

Меньше трение

4. Шотландский механизм с трением качения (преобразование прямолинейного движения во вращательное с помощью поршня и вала без зубчатых передач).

Меньше трение между поршнем и валом, и, как следствие, меньше износ деталей
Возрастает крутящий момент при открывании и закрывании
Меньше габариты по сравнению с реечными приводами, следовательно, необходимо меньше места
Меньше вес по сравнению с реечными приводами (-30% кг/Н·м) и, как следствие, экономия на конструкции системы
Меньше потребление воздуха по сравнению с реечными приводами (-40% воздуха в см³/Н·м в случае привода двойного действия и -20% воздуха в см³/Н·м в случае привода простого действия) и, как следствие, меньше рабочая нагрузка на компрессор, или можно использовать меньший компрессор

5. Цилиндр изготовлен методом прокатки

Меньше износ лент самоуплотняющихся уплотнений благодаря низкой шероховатости поверхности

6. Stainless Steel shaft
Higher corrosion resistance

Начиная от DAN15, встроенный присоединительный адаптер для электромагнитного пневмораспределителя NAMUR

Не требуется никакой дополнительной монтажной колодки

Производственный процесс полностью осуществляет «OMAL»

Максимальный контроль на всех этапах обработки

Сертификат взрывобезопасности (ATEX)

Позволяет монтаж даже в потенциально взрывоопасной среде

Сертифицирован до УПБ (SIL) 3

Гарантирован повышенный уровень функциональной безопасности

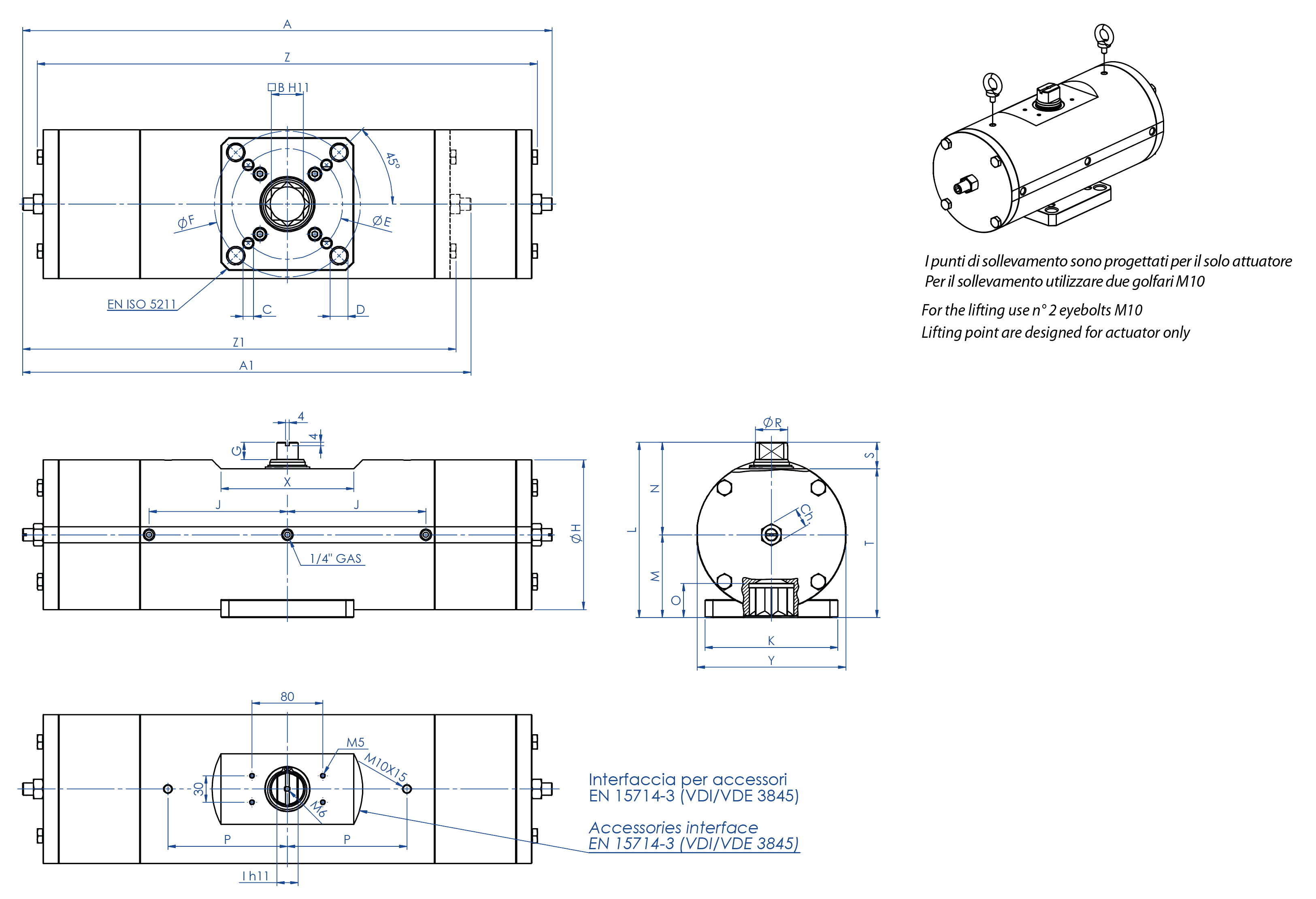
ТЕХНИЧЕСКИЕ ДАННЫЕ
Момент от 360 Н·м до 960 Н·м.
Присоединительный фланец: EN
; F10 - F12 - F14 - F16.
Соответствует EN 15714-3
Угол поворота: 92° (-1°, +91°)
Крутящий момент: Возвратный момент кручения зависит только от действия пружины и не зависит  от давления питания.
Предусмотрены 4 разных калибровки пружины; см. таблицу пневмоприводов с пружинным возвратом
(SR) в общем каталоге.
Автоматическое закрывание с помощью пружин происходит по часовой стрелке. В каждом приводе цифра, следующая за аббревиатурой «SR», соответствует значению момента страгивания в Н·м при давлении 5,6 бар.
Взрывобезопасное исполнение (ATEX) в соответствии с Директивой 2014/34/ЕС. Для взрывобезопасного исполнения (ATEX) добавить «YX» в конце кода.

УСЛОВИЯ ЭКСПЛУАТАЦИИ

Температура: от -20°C до +80°C.
Номинальное давление: 5,6 бар; максимальное рабочее 8,4 бар.
Среда питания: фильтрованный осушённый сжатый воздух, необязательно промасленный. В случае промасливания использовать немоющее масло или совместимое с каучуком NBR.

НОМЕНКЛАТУРА

Код
SR0360416S
SR0480416S
SR0720424S
SR0720416S
SR0960416S

Запасные уплотнения
KGXI0023
KGXI0024
KGXI0025
KGXI0025
KGXI0026

Типоразмер
SR0360
F10/F12

SR0480
F12/F16

SR0720
F12

SR0720
F14

SR0960
F12/F16


A
565,5
598
736,8
736,8
769,6

A1 (2,8 Bar)
483,5
506
630,8
630,8
645

B
27
36
36
36
46

C x глубину
M10x11,5
M12x20
M12x18
M16x18
M12x23

D x глубину
M12x11,5
M20x20
-
-
M20x23

ØE
102
125
125
140
125

ØF
125
165
-
-
165

G
19,5
19,5
19,5
19,5
18,5

ØH
156
169
188
188
211

I
22
24
27
27
32

J
138,5
156,3
179,5
179,5
192

K
115
150
130
130
150

L
178
198
216
216
237,7

M
78,5
93,5
101,5
101,5
114,7

N
99,5
104,5
114,5
114,5
123

O
29,5
38,5
38,5
38,5
48,5

P
116
135
160
160
160

Q
-
-
-
-
-

Q2
-
-
-
-
-

ØR
31,8
36,5
41
41
46

S
30
30
30
30
30

S2
-
-
-
-
-

T
148
168
186
186
207,7

T2
-
-
-
-
-

X
150
150
150
150
150

Y
155
168
187
187
209

Z
525,8
565
685
685
718,4

Z1 (2,8 Bar)
435,8
473
559,4
559,4
593,8

Ch
22
22
24
24
24

Ch1 (2,8 Bar)
24
24
30
30
30

Масса (kg)
45,5
60
82,5
82,5
112

Масса (2,8 bar) (kg)
37,5
51
77
77
96

Воздух, дм3/цикл, л/цикл
2,00
2,8
4,20
4,20
5,9


ДЕТАЛИ ПНЕВМАТИЧЕСКОГО ПРИВОДА ДВОЙНОГО И ПРОСТОГО ЭФФЕКТА 316 ПРУТКОВАЯ ЗАГОТОВКА

ДЕТАЛИ ПНЕВМАТИЧЕСКОГО ПРИВОДА ДВОЙНОГО И ПРОСТОГО ЭФФЕКТА 316 ПРУТКОВАЯ ЗАГОТОВКА
Поз
Наименование
Кол-во
Материал
1Цилиндр
1Cталь нержавеющая
2Поршень
2Cплав алюминиевый
3Пробка
2Cталь нержавеющая
4Вал
1Cталь нержавеющая
5Шатун
1Cталь легированная
6Втулка скольжения/опорная
1Полиформальдегид
7Кольцо опорное верхнее
1Полиформальдегид
8Втулка скольжения
1Полиформальдегид
9Штифт разрезной внешний
1Cталь легированная
10Штифт разрезной внутренний
1Cталь легированная
11Втулка стальная
2Cталь легированная
12Втулка вращения
2Cталь легированная
13*Уплотнение кольцевое
2Полиуретан
14*Шайба опорная
4P.T.F.E. carbo-graphite filled
15*Кольцо уплотнительное поршня
2Каучук нитрильный
16Кольцо уплотнит. вала верхнее
1FKM
17Кольцо опорное внешнее
1Полиформальдегид
18Шайба прокладочная
1Cталь нержавеющая
19Кольцо стопорное
1Cталь нержавеющая
20Хомут опор. нижн
1P.T.F.E. carbo-graphite filled
21Кольцо уплотнит. вала нижнее
1FKM
22*Кольцо уплотнительное пробки
2Nitrilic rubber
23Винты8Cталь нержавеющая
24Винт установочный
2Cталь нержавеющая
25Кольцо уплотнит. регулировочное
2Каучук нитрильный
26Контргайка
2Cталь нержавеющая
27Фланец фиксации
1Cталь нержавеющая
28Винты
4Cталь нержавеющая
29*Кольцо уплотнительное пробки
4Nitrilic rubber
30Цилиндр распорный
2Cталь нержавеющая
31Пружина
2Cталь легированная
32Тарелка пружины
2Cплав алюминиевый
33Винт преднатяга пружины
2Cталь нержавеющая
*Входит в комплект запасных частей  

СХЕМА РАБОТЫ ПНЕВМОПРИВОДА С ПРУЖИННЫМ ВОЗВРАТОМ (SR)

СИГНАЛЬНАЯ КОРОБКА С КОНЦЕВЫМИ ВЫКЛЮЧАТЕЛЯМИ

РУЧНОЙ ПРИВОД-ДУБЛЁР

ИНДУКТИВНЫЕ КОНЕЧНЫЕ ВЫКЛЮЧАТЕЛИ NAMUR

ИНДУКТИВНЫЕ КОНЕЧНЫЕ ВЫКЛЮЧАТЕЛИ

ЭЛЕКТРОПНЕВМАТИЧЕСКИЙ ПОЗИЦИОНЕР (С ИСКРОБЕЗОПАСНОЙ ЭЛЕКТРИЧЕСКОЙ ЦЕПЬЮ)

ПНЕВМАТИЧЕСКИЙ ПОЗИЦИОНЕР

БЕСКОНТАКТНЫЕ КОНЕЧНЫЕ ВЫКЛЮЧАТЕЛИ

ЭЛЕКТРОМЕХАНИЧЕСКИЕ КОНЕЧНЫЕ ВЫКЛЮЧАТЕЛИ

ПНЕВМАТИЧЕСКИЕ КОНЕЧНЫЕ ВЫКЛЮЧАТЕЛИ

ВЗРЫВОЗАЩИЩЁННЫЕ КОНЕЧНЫЕ ВЫКЛЮЧАТЕЛИ II2GD ExdIIC

ВЫБРАТЬ РАЗМЕР
Выберите параметры поиска
ПОИСК ИЗДЕЛИЯ
X ЗАКРЫТЬ

СЛЕДУЮЩЕЕ СОБЫТИЕ

Asia Water 2026
Asia Water 2026
Kuala Lumpur, 7-9 April 2026