images/testate/Template-Header-Sito-OMALBALLVALVES.jpg

Кран шаровой из углеродистой стали, артикул 545

Кран шаровой из углеродистой стали, артикул 545

Кран шаровой из углеродистой стали трёхходовой, межфланцевый, Г-образный Сужённый проход.

НАСТРОЙКА Привод
ЗАПРОС ИНФОРМАЦИИ
РАСПЕЧАТАТЬ СТРАНИЦУ
  • характеристики
  • размеры
  • материалы
  • диаграммы и пусковые моменты
  • спецификации

ОБЩИЕ ХАРАКТЕРИСТИКИI:
Кран работает только на переключение потоков. Не позволяет перекрывать поток, который может поступать только центральным ходом; см. схему.
• Стандарты на присоединительные фланцы: EN 1092-1 PN 40 до DN 50; PN 16 DN 65, 80, 100.
• Рабочая температура: от -10°C до +150°C (+200°C со специальными прокладками).
• Рабочее давление: см. график.
• Рабочая среда: вода, жидкие нефтепродукты и нефтехимические продукты.
• Сужённый проход.

СПЕЦИАЛЬНЫЕ ИСПОЛНЕНИЯ ПОД ЗАКАЗ

• Корпус из стали A350 LF2 для -20°C
• Уплотнительные прокладки из:

  • PTFE со стеклом;
  • PTFE с углеграфитом.
  • T-образная пробка с входом только через отверстие 3.
• По другим применениям обращаться в наш технический отдел.

СЕРТИФИКАЦИИ:
• Взрывобезопасное исполнение (ATEX) в соответствии с европейской Директивой 2014/34/ЕС
• Сертификат взрывобезопасности (ATEX) по запросу

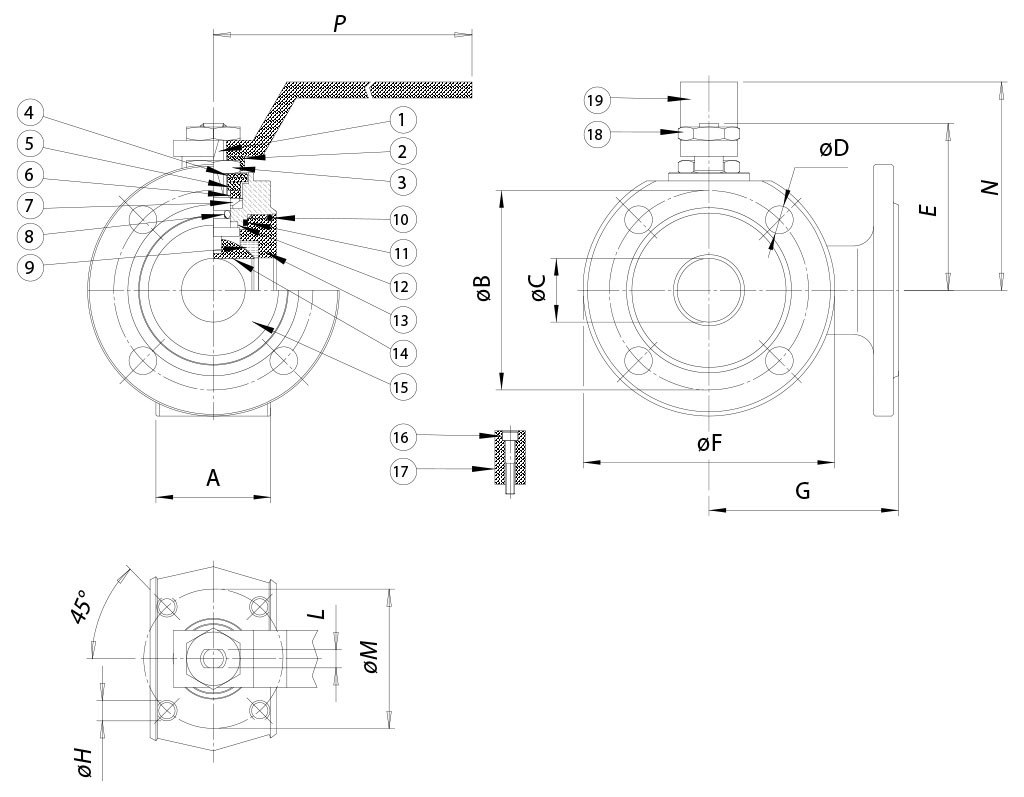
РАЗМЕРЫ
УСЛОВНЫЙ ПРОХОД
AøBøCøDEøFGøHLøMNP
DN [mm][дюймы]
DN 151/2"356510M12X4489085M563665140
DN 203/4"387515M12X45110090M563670140
DN 251"438520M12X462,511090M584282180
DN 321" 1/45410025M16X467130105M584285180
DN 401" 1/26611032M16X480140120M61050102230
DN 502"8312540M16X487150130M61050110230
DN 652" 1/210314550M16X4119,5175150M81470137,5350
DN 803"12216065M16X8129,5190175M81470150350
DN 1004"15318078M16X8148,5220185M1016102165508

МАТЕРИАЛЫ    
1
Шпиндель
сталь нерж. 316 S.S.
1.4401
UNI X5CrNiMo 17 12
2
Планка стопорная гайки  
сталь нерж.304 S.S.
1.4301
UNI X5CrNi 18 10
3
Гайка стопорная
Сталь углеродистая


4
Пружина тарельчатая
50Crv4


5
Шайба прокладочная
сталь нерж. 304 S.S.
1.4301
UNI X5CrNi 18 10
6*
Кольцо сальника
сталь нерж. 304 S.S.
1.4301
UNI X5CrNi 18 10
7*
Уплотнение двойное верхнее
П.Т.Ф.Э.


8*
Кольцо уплотнительное промежуточное
FKM


9*
Прокладки уплотнения бокового
П.Т.Ф.Э.


10*
Кольцо уплотнительное кольца нажимного
FKM


11*
Прокладки кольца нажимного
П.Т.Ф.Э.


12*
Уплотнение нижнее
П.Т.Ф.Э.


13
Кольцо нажимное
A105


14
Пробка шаровая DN15-DN50
сталь нерж. 316 S.S.
1.4401
UNI X5CrNiMo 17 12
14
Пробка шаровая DN65-DN100
сталь нерж. 304 S.S.
1.4301
UNI X5CrNi 18 10
15
Корпус
A105


16
Винт крепления упора-ограничителя конечного положения
Сталь углеродистая


17
Упор-ограничитель конечного положения
сталь нерж. 304 S.S.
1.4301
UNI X5CrNi 18 10
18
Гайка стопорная рукоятки
Сталь углеродистая


19
Рукоятка ручного управления
Сталь углеродистая


* Входит в комплект запасных частей KGBV63...

ГРАФИК ДАВЛЕНИЕ/ТЕМПЕРАТУРА

МОМЕНТЫ СТРАГИВАНИЯ в Н·м  
УСЛОВНЫЙ ПРОХОД  
DN 15
1/2"
DN 20
3/4"
DN 25
1"
DN 32 1"1/4
DN 40 1"1/2
DN 50
2"
DN 65 2"1/2
DN 80
3"
DN 100
4"

PN 16 bar






85
128
212
PN 40 bar
8
13
20
30
42
61




Значения момента могут варьировать в зависимости от температуры и типа рабочей среды. Применять коэффициент запаса прочности, равный 1,4. При часто повторяющихся циклах открывания и закрывания рабочий момент может значительно снижаться по сравнению с первоначальным. Показанные на последующих страницах присоединения привода к арматуре относятся к арматуре, перекрывающей чистые жидкие или газообразные среды при средних температурах. Для получения более подробной информации и иным применениям проконсультироваться с нашим коммерческим отделом.

Схема рабочих положений пробки с Г-образным проходом

N.B.:
В случае привода С ПРУЖИННЫМ ВОЗВРАТОМ (SR) НОРМАЛЬНО ЗАКРЫТОГО исходным положением пробки должно быть «A».
В случае привода С ПРУЖИННЫМ ВОЗВРАТОМ (SR) НОРМАЛЬНО ОТКРЫТОГО исходным положением пробки должно быть «B».

Вид сверху

Схема рабочих положений пробки с T-образным проходом (под заказ)

С приводом возможны только два положения с поворотом на 90°: о конфигурации пробки обязательно сообщить в наш коммерческий отдел.

N.B.:
В случае привода С ПРУЖИННЫМ ВОЗВРАТОМ (SR) НОРМАЛЬНО ЗАКРЫТОГО выбрать исходное положение пробки; при подаче питания привод поворачивается против часовой стрелки.
В случае привода С ПРУЖИННЫМ ВОЗВРАТОМ (SR) НОРМАЛЬНО ОТКРЫТОГО выбрать исходное положение пробки; при подаче питания привод поворачивается по часовой стрелке.

Вид сверху

НАСТРОЙКА ВОДИТЬ МАШИНУ
Выберите параметры поиска
ПОИСК ИЗДЕЛИЯ
X ЗАКРЫТЬ

СЛЕДУЮЩЕЕ СОБЫТИЕ

Asia Water 2026
Asia Water 2026
Kuala Lumpur, 7-9 April 2026