images/testate/Template-Header-Sito-OMALBALLVALVES.jpg

Кран шаровой MAGNUM Wafer PN 16-40 ANSI 150-300, из углеродистой стали

Кран шаровой MAGNUM Wafer PN 16-40 ANSI 150-300, из углеродистой стали
Категория MAGNUM
Подкатегория MAGNUM Wafer

Семейство MAGNUM Wafer PN 16-40 ANSI 150-300

НАСТРОЙКА Привод
ЗАПРОС ИНФОРМАЦИИ
РАСПЕЧАТАТЬ СТРАНИЦУ
РАСШИФРОВКА КОДА
  • преимущества
  • характеристики
  • размеры
  • материалы
  • диаграммы и моменты страгивания
  • аксессуары
  • документы

1. Антистатическое устройство (непрерывная электропроводимость между шаром, шпинделем и корпусом)
Предотвращает возникновение электростатических зарядов, которые могут вызвать возгорание в легковоспламеняющихся и (или) взрывоопасных средах
Надёжный контакт обеспечен в течение всего срока службы крана

2. Двойное антифрикционное кольцо

Снижает крутящий момент привода крана и уменьшает износ по сравнению с одинарным

3. Шевронный пакет: 3 манжеты и уплотнительное кольцо 
Идеальное уплотнение обеспечивается даже после повышенного числа циклов

4. Тарельчатые пружины в уплотнении шпинделя

Обеспечивают устранение люфта, обусловленного износом вследствие поворачивания вала, предотвращая утечку наружу
Позволяют поддерживать прижим шевронных манжет (кольцевых уплотнений V-образного профиля), предотвращая утечки при значительных термических нагрузках

5. Эластичное уплотнение из графита по запросу

Обеспечивает герметичность наружу, независимо от термических нагрузок, которым подвергается кран

Повышенная точность центрирования благодаря обработке заготовки до готового изделия с одной установки

Увеличение срока службы крана
Снижение крутящего момента привода

Корпус крана в стандартном исполнении из углеродистой стали, нормализованной по сертифицированной Национальной ассоциацией инженеров-коррозионистов (NACE) технологии

Обеспечивается большая стойкость к коррозии
Большая ковкость материала

Производственный процесс полностью осуществляет «OMAL»

Максимальный контроль на всех этапах обработки
Возможность поставки изделий в специальных исполнениях, требуемых заказчиком

Сертификат пожарной безопасности (Fire Safe)

Герметичность крана обеспечивается даже в случае пожара

Сертификат взрывобезопасности (ATEX)

Позволяет монтаж даже в потенциально взрывоопасной среде

Сертификация по летучим выбросам (TA LUFT fugitive emission)

Обеспечивает повышенную степень надёжности герметизации шпинделя наружу

Сертификат соответствия Директиве 97/23/EC (PED)

Полное соответствие европейским стандартам безопасности оборудования, работающего под давлением

Сертифицирован до УПБ 3

Повышенный уровень функциональной безопасности

СТАНДАРТНОЕ ИСПОЛНЕНИЕ
• С плавающей пробкой, не выступающей за края корпуса, полнопроходной
• Мягкое уплотнение седла из Modified PTFE
• Стандарты на присоединительные фланцы: EN 1092-1; ASME B16.5
• Рабочие температуры см. на графике «давление-температура»
• Класс давления: PN 16-40; ANSI 150-300
• Класс герметичности затвора: EN 12266-1, класс герметичности «A»
• Рабочая среда: воздух, вода, газ, нефтепродукты и нефтехимические продукты.
• Антистатическое устройство по EN 12266-2
• Уплотнение шпинделя: шевронный пакет из Modified PTFE
• Дополнительное уплотнение шпинделя уплотнительным кольцом из FKM
• Шпиндель с защитой от выталкивания
• Расположение отверстий для крепления привода по ISO 5211
• Угол закрытия >7°
• Поверхностная обработка оксидированием
ИСПОЛНЕНИЯ ПОД ЗАКАЗ
• Исполнение на температуру -40 C° из стали LF2, по другим типам фланцев обращаться в наш коммерческий отдел
• Нагревательная рубашка.
• Уплотнительные прокладки из: PTFE со стеклом (PTFE-GF), PTFE с углеграфитом (PTFE-CF). По другим типам материалов обращаться в наш коммерческий отдел
• Однонаправленное исполнение с разгрузочным отверстием в шаровой пробке
• Рукоятка из нержавеющей стали; гайки и пружины шпинделя из нержавеющей стали. По исполнениям (корпуса, пробки, шпинделя) из материалов, иных, чем в стандартном, обращаться в наш коммерческий отдел
• Поверхностная обработка: белое цинкование, окраска эпоксидной краской (по другим видам обработки обращаться в наш коммерческий отдел).
• Маркировка и сертификат взрывобезопасности (ATEX) ПО ЗАПРОСУ

СЕРТИФИКАЦИИ

• Соответствует европейской Директиве 2014/68/ЕС по оборудованию, работающему под давлением (PED).
• Летучие выбросы по ISO 15848 (ISO FE BH-C03-SSA 0).
• TA-LUFT VDI 2440.
• Огнестойкость (FIRE SAFE): ISO 10497 Third ed. 2010 / API 607 Sixth ed. 2010.
• Уровень функциональной безопасности до УПБ (SIL) 3 согласно МЭК 61508.
Соответствует европейской Директиве 2014/34/ЕС по оборудованию и защитным системам, предназначенным для использования в потенциально взрывоопасных средах (ATEX), сертификат взрывобезопасности (ATEX) ПО ЗАПРОСУ

НОРМЫ И СТАНДАРТЫ ПРОЕКТИРОВАНИЯ

• Толщины корпуса согласно: ASME B16.34, ASME VIII, разд. 1, EN 12516.
• Материалы и номинальные значения согласно ASME B16.34 для арматуры по ANSI и EN 12516 для арматуры на PN

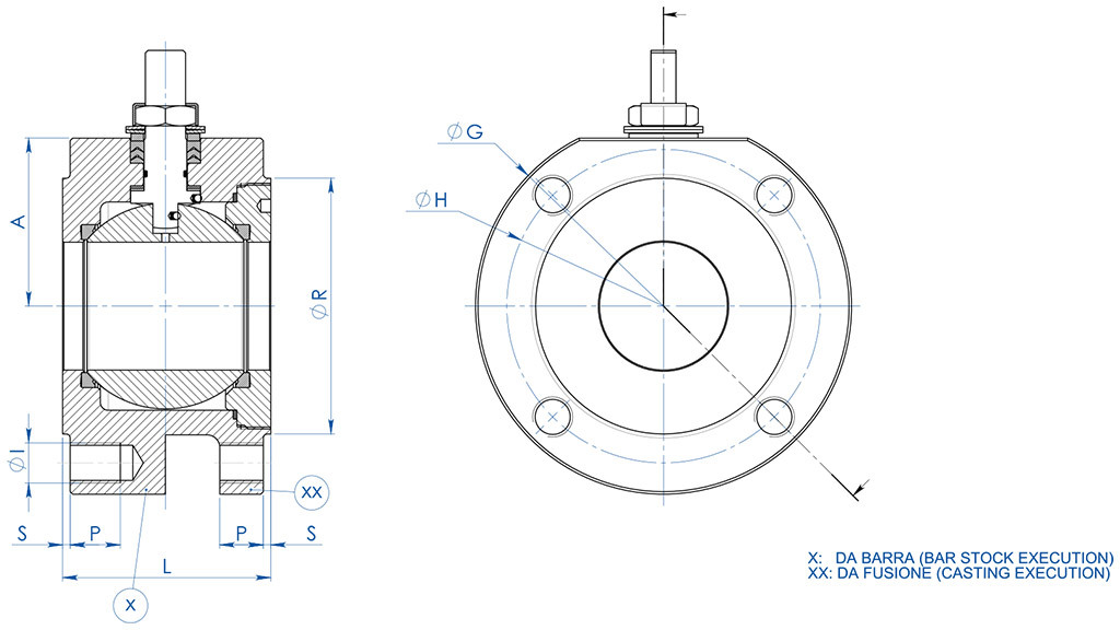
РАЗМЕРЫ 
ПРОХОД УСЛОВНЫЙ   
∅E
L
B
C
ПРИС. ПО ИСО
∅M
∅N
F/T
H
Y
НАБОР РУКОЯТКИ

DN [mm]
[дюймы
DN 15
1/2"
13
36
52
10
F03
36
M5
10/6
71
140
KLV58004
DN 20
3/4"
19
39
55
10
F03
36
M5
10/6
73
140
KLV58004
DN 25
1"
25
43
68
15
F04
42
M5
12/8
87
150
KLV58006
DN 32
1" 1/4
32
51 o 54
73
15
F04
42
M5
12/8
91
150
KLV58006
DN 40
1" 1/2
38
63
93
21
F05
50
M6
16/10
108
275
KLV58008
DN 50
2"
51
83
102
21
F05
50
M6
16/10
118
275
KLV58008
DN 65
2" 1/2
64
107
130,5
28
F07
70
M8
22/14
143
350
KLV58010
DN 80
3"
76
120
137,5
28
F07
70
M8
22/14
150
350
KLV58010
DN 100
4"
95
152
166
35
F10
102
M10
30/18
192
450
KLV58012

У всех кранов, кроме DN 32 со строительной длиной 51 мм, шар не выступает за края корпуса.

РАЗМЕРЫ   -PN-
УСЛОВНЫЙ ПРОХОД
PN
A
∅G
∅R
S
∅H
К-ВО ОТВЕРСТИЙ
∅I
P
L
Kg. (X)
Kg. (XX)
КОМПЛЕКТ УПЛОТНЕНИЙ
DN [mm]
[дюймы]
DN 15
1/2"
PN 16-40
32
90
45
1
65
4
M12
14
36
1,4
-
KGBV480040
DN 20
3/4"
PN 16-40
35
100
58
2
75
4
M12
14
39
1,8
-
KGBV480050
DN 25
1"
PN 16-40
42
110
68
2
85
4
M12
16
43
2,5
-
KGBV480060
DN 32
1" 1/4
PN 16-40
47
130
78
2
100
4
M16
20
51*
4,0
-
KGBV480070
DN 32
1" 1/4
PN 16-40
47
130
78
2
100
4
M16
20
54
4,3
-
KGBV480070
DN 40
1" 1/2
PN 16-40
58
140
88
3
110
4
M16
20
63
5,9
-
KGBV480080
DN 50
2"
PN 16-40
67
150
102
3
125
4
M16
20
83
8,9
6,3
KGBV480090
DN 65
2" 1/2
PN16
83
178
122
3
145
4
M16
20
107
16,2
9,7
KGBV480100
DN 65
2" 1/2
PN 25-40
83
178
122
3
145
8
M16
20
107
16,1
-
KGBV480100
DN80
3"
PN 16-40
90
190
138
3
160
8
M16
20
120
20,0
12,5
KGBV480110
DN 100
4"
PN16
101
220
160
3
180
8
M16
20
152
34,0
20,3
KGBV480120
DN 100
4"
PN 25-40
105
235
162
3
190
8
M20
25
152
39,1
-
KGBV480120

РАЗМЕРЫ   -ANSI-
УСЛОВНЫЙ ПРОХОД
ANSI
A
∅G
∅R
S
∅H
К-ВО ОТВЕРСТИЙ
∅I
P
L
Kg. (X)
КОМПЛЕКТ УПЛОТНЕНИЙ
DN [mm]
[дюймы]
DN 15
1/2"
ANSI 150
32
90
45
1
60,5
4
1/2”UNC
14
36
1,4
KGBV480040
DN 15
1/2"
ANSI 300
34
90
45
1
66,5
4
1/2”UNC
14
36
1,4
KGBV480040
DN 20
3/4"
ANSI 150
35
100
52
1,6
69,8
4
1/2”UNC
14
39
1,8
KGBV480050
DN 20
3/4"
ANSI 300
40
110
52
1,6
82,6
4
5/8”UNC
15
39
2,1
KGBV480050
DN 25
1"
ANSI 150
42
110
60
1,6
79,2
4
1/2”UNC
16
43
2,5
KGBV480060
DN 25
1"
ANSI 300
45
118
60
1,6
88,9
4
5/8”UNC
16
43
2,9
KGBV480060
DN 32
1" 1/4
ANSI 150
47
118
72
1,6
88,9
4
1/2”UNC
20
54
3,8
KGBV480070
DN 32
1" 1/4
ANSI 300
47
130
72
1,6
98,6
4
5/8”UNC
20
54
4,3
KGBV480070
DN 40
1" 1/2
ANSI 150
58
127
82
1,6
98,6
4
1/2”UNC
20
63
5,1
KGBV480080
DN 40
1" 1/2
ANSI 300
58
150
82
1,6
114,3
4
3/4”UNC
25
63
7,0
KGBV480080
DN 50
2"
ANSI 150
67
150
102
1,6
120,6
4
5/8”UNC
20
83
9,1
KGBV480090
DN 50
2"
ANSI 300
73
160
102
1,6
127,0
8
5/8”UNC
20
83
10,4
KGBV480090
DN 65
2" 1/2
ANSI 150
83
178
122
1,6
139,7
4
5/8”UNC
20
107
16,4
KGBV480100
DN 65
2" 1/2
ANSI 300
89
190
122
1,6
149,4
8
3/4”UNC
25
107
18,6
KGBV480100
DN 80
3"
ANSI 150
90
190
135
1,6
152,4
4
5/8”UNC
20
120
20,4
KGBV480110
DN 80
3"
ANSI 300
96
205
138
1,6
168,1
8
3/4”UNC
25
120
24,0
KGBV480110
DN 100
4"
ANSI 150
101
220
160
1,6
190,5
8
5/8”UNC
20
152
34,0
KGBV480120
DN 100
4"
ANSI 300
115
250
160
1,6
200,2
8
3/4”UNC
25
152
46,4
KGBV480120

 *Шар выступает за края корпуса

N°  
  Наименование   
 Сталь углеродистая A105 
  Сталь углеродистая LF2 A350
  1  
  Корпус
  ASTM A105  
  ASTM A350 LF2  
  2  
  Кольцо нажимное
  3  
  Пробка шаровая
ASTM A351 CF8(*) (1.4308/Gx5CrNi19-10)
  4  
  Шпиндель
ASTM A182F6A/A479 Tp.410 (**)
  5*  
  Седло
  Modified PTFE (.)  
  6*  
  Прокладка между корпусом и кольцом нажимным
  Modified PTFE (.)  
  7*  
  Уплотнение шпинделя нижнее
  Modified PTFE (.)  
  8*  
    Пакет шевронный
  Modified PTFE (.)  
  9*  
  Кольцо уплотнительное шпинделя
  FKM (.)  
  10  
  Кольцо сальника
сталь углеродистая, оцинкованная  (x)  
  11  
  Шайба стопорная гайки
 сталь нерж. 304 S.S.
  12  
  Гайка шпинделя  
    сталь углеродистая, оцинкованная (x)
  13  
  Пружины тарельчатые
  сталь углеродистая, оцинкованная (xx)
  14  
  Устройство антистатическое  
 сталь нерж. 316 S.S.
  15  
Контргайка  
  сталь углеродистая, оцинкованная (x)  
  16  
Винт крепления упора-ограничителя
сталь A2-70 (304 S.S.)  
  17  
    Упор-ограничитель конечного положения  
сталь углеродистая, оцинкованная (x)
  18  
   Рукоятка  
 сталь Fe37, оцинкованная (x)
* Входит в комплект уплотнений


Под заказ возможно изготовление из:
(*): A351 CF8M
(**): A564 TP.630 (17-4PH)
(x): сталь нерж. 304 S.S.
(xx): сталь нерж. 301 S.S.
(.): Под заказ возможны другие материалы

Диаграмма соотношения давлений и температур для кранов с корпусом из углеродистой стали

Диаграмма соотношения давлений и температур для кранов с корпусом из нержавеющей стали

Расход/падение напора и номинальный коэффициент Kv

Значение Kv численно равно расходу в м3/ч (воды при температуре 15°C), при котором потери напора (на арматуре) составят 1 бар.

МОМЕНТЫ СТРАГИВАНИЯ В Н·М В СЛУЧАЕ СЕДЛА ИЗ ТЕФЛОНА TFM 1600 И ВОДЫ В КАЧЕСТВЕ РАБОЧЕЙ СРЕДЫ (*)
УСЛОВНЫЙ ПРОХОД
DN 15 DN 20 DN 25 DN 32 DN 40 DN 50 DN 65 DN 80 DN 100 
0 bar 








PN16 bar 8131827376180120215
PN25 bar 9,5152029406795130230
PN40 bar 111721314175110165280
ANSI 150-20 bar 9141928386590128220
ANSI 300-50 bar 121921324280120170290


(*): если рабочие среды являются обезжиривающими и (или) содержат твёрдые частицы, рабочие крутящие моменты могут быть выше, чем указано в таблице
Значения момента в Н·м могут варьировать в зависимости от температуры и рабочей среды. Применять коэффициент запаса прочности, равный 1,4. При часто повторяющихся циклах открытия и закрытия рабочий момент может значительно снижаться по сравнению с первоначальным.
Пневмоприводы назначены исходя из минимального давления питания 5,6 бар изб.

УДЛИНИТЕЛЬ ЛИТОЙ С РУКОЯТКОЙ И ОГРАНИЧЕНИЕМ ХОДА

МАТЕРИАЛЫ  
ДЕТ. №
НАИМЕНОВАНИЕ
МАТЕРИАЛ
1
Удлинитель  AISI 304 S.S.
2
Ось
AISI 430 F
3
Втулка
DELRIN
4
Кольцо уплотнительное
NBR
5
Рукоятка
Fe 37 оцинков (*)
6
Гайка
сталь углеродистая,оцинкованная (*)
7
Упор-ограничитель рукоятки
сталь углеродистая,оцинкованная (*)
8
Винт крепления упора-ограничителя рукоятки
A2-70
9
Шайба прокладочная
PTFE угленаполн


(*): По запросу возможно из нерж. стали 304 SS


РАЗМЕРЫ
АРМАТУРА ПО ISO
ØA
ØB
ØM
ØN
F/T
X
Y
F03
36
5,5365,510/638,5141,5
F04
425,542M512/845,5151,5
F05
506,5506,516/1048,5276,5
F07
708,5708,522/1457,5351,5
F10
102111021130/1879,5451,5


ПРИМЕЧАНИЕ: Код удлинителя зависит от типа привода и присоединения арматуры; запрашивать при заказе.

УДЛИНИТЕЛЬ ЛИТОЙ С ОГРАНИЧЕНИЕМ ХОДА ДЛЯ ПРИВОДА

 МАТЕРИАЛЫ
ПОЗ. N°
 НАИМЕНОВАНИЕ
МАТЕРИАЛ
1
Удлинитель
ASTM A351 CF8M
2
Ось
AISI 430 F
3
Втулка
DELRIN
4
Кольцо уплотнительное
NBR


ПРИМЕЧАНИЕ: Код удлинителя зависит от типа привода и присоединения арматуры; запрашивать при заказе.

УДЛИНИТЕЛЬ ПРИВАРНОЙ С РУКОЯТКОЙ И ОГРАНИЧЕНИЕМ ХОДА

МАТЕРИАЛЫ     
ПОЗ. №
НАИМЕНОВАНИЕ
МАТЕРИАЛ
1
Удлинитель
304 s.s.
2
Ось
AISI 430 F
3
Втулка
DELRIN
4
Кольцо уплотнительное
NBR
5
Рукоятка
Fe 37 оцинков (*)
6
Гайка
сталь углеродистая, оцинков  (*)
7
Упор-ограничитель рукоятки
сталь углеродистая, оцинков  (*)
8
Винт крепления упора-ограничителя рукоятки
A2-70
9
Гайка крепления упора-ограничителя рукоятки
A2-70 (**)
10
Шайба прокладочная
PTFE угленаполн


(*): по запросу возможно из нерж. стали 304 SS
(**): отсутствует на кранах с присоединением ISO F04

РАЗМЕРЫ
АРМАТУРА ПО ISO
ØA
ØB
ØM
ØN
F/T
X
Y
F03
36
5,5365,510/638,5141,5
F04
425,542M512/845,5151,5
F05
506,5506,516/1048,5276,5
F07
70970922/1457,5351,5
F10
102111021130/1879,5451,5


ПРИМЕЧАНИЕ: Код удлинителя зависит от типа привода и присоединения арматуры; запрашивать при заказе.

УДЛИНИТЕЛЬ ПРИВАРНОЙ С ОГРАНИЧЕНИЕМ ХОДА ДЛЯ ПРИВОДА

МАТЕРИАЛЫ    
ПОЗ. N°
НАИМЕНОВАНИЕ
МАТЕРИАЛ
1
Удлинитель
304 S.S.
2
Ось
AISI 430 F
3
Втулка
DELRIN
4
Кольцо уплотнительное
NBR


ПРИМЕЧАНИЕ: Код удлинителя зависит от типа привода и присоединения арматуры; запрашивать при заказе.

УДЛИНИТЕЛЬ С ДОПОЛНИТЕЛЬНЫМ УПЛОТНЕНИЕМ

МАТЕРИАЛЫ    
ПОЗ. N°
НАИМЕНОВАНИЕ
МАТЕРИАЛ
1
Удлинитель 304 S.S.
2
Ось
AA564 TP.630 (17-4ph)
3
Кольцо антифрикционное
TFM 1600
4
Кольцо уплотнительное
FKM
5
Пакет шевронный
TFM 1600
6
Кольцо сальника
304 S.S.
7
Пружина тарельчатая
50 CrV4, оцинков
8
Гайка шпинделя
UNI 3740-1 6S, оцинков
9
Пластина стопорная гайки
304 S.S.
10
 Прокладка уплотнительная  GRAFOIL


РАЗМЕРЫ
АРМАТУРА ПО ISO
ØA
ØB
ØM
ØN
F/T
CD
F03
36
5,5
36M510/6
2010,2
F04
42
5,5
42M512/8
2615,1
F05
50
6,550M616/10
3521,2
F07
70
8,570M822/14
47,528,4
F10
102
10,5102M1030/18
6135,2

ПРИМЕЧАНИЕ: Код удлинителя зависит от типа привода и присоединения арматуры; запрашивать при заказе.

НАСТРОЙКА ВОДИТЬ МАШИНУ
Выберите параметры поиска
ПОИСК ИЗДЕЛИЯ
X ЗАКРЫТЬ

СЛЕДУЮЩЕЕ СОБЫТИЕ

Asia Water 2026
Asia Water 2026
Kuala Lumpur, 7-9 April 2026