images/testate/Template-Header-Sito-OMALBALLVALVES.jpg

Кран шаровой разборной THOR Split Body трёхходовой, с 4 уплотнениями, PN 16-40 ANSI 150, из углеродистой стали

Кран шаровой разборной THOR Split Body трёхходовой, с 4 уплотнениями, PN 16-40 ANSI 150, из углеродистой стали
Категория THOR

Семейство THOR Split Body 3-х ходовой, с 4 уплотнениями PN 16-40 ANSI 150

НАСТРОЙКА Привод
ЗАПРОС ИНФОРМАЦИИ
РАСПЕЧАТАТЬ СТРАНИЦУ
РАСШИФРОВКА КОДА
  • преимущества
  • характеристики
  • размеры
  • материалы
  • диаграммы и моменты страгивания
  • спецификации
  • аксессуары
  • документы

1. Антистатическое устройство (непрерывная электропроводимость между шаром, шпинделем и корпусом)
Предотвращает возникновение электростатических зарядов, которые могут вызвать возгорание в легковоспламеняющихся и (или) взрывоопасных средах
Надёжный контакт обеспечен в течение всего срока службы крана

2. Двойное антифрикционное кольцо

Снижает крутящий момент привода крана и уменьшает износ по сравнению с одинарным

3. Шевронный пакет: 3 манжеты и уплотнительное кольцо
 
Идеальное уплотнение обеспечивается даже после повышенного числа циклов

4. Тарельчатые пружины в уплотнении шпинделя
 
Обеспечивают устранение люфта, обусловленного износом вследствие поворачивания вала, предотвращая утечку наружу
Позволяют поддерживать прижим шевронных манжет (кольцевых уплотнений V-образного профиля), предотвращая утечки при значительных термических нагрузках

5. Эластичное уплотнение из графита
 
Обеспечивает герметичность наружу, независимо от термических нагрузок, которым подвергается кран

Повышенная точность центрирования благодаря обработке заготовки до готового изделия с одной установки

Увеличение срока службы самого крана
Снижение крутящего момента привода

Простое обслуживание непосредственно в системе

Сокращение затрат на этапе технического обслуживания

Корпус крана в стандартном исполнении из углеродистой стали, нормализованной по сертифицированной Национальной ассоциацией инженеров-коррозионистов (NACE) технологии

Обеспечивается большая стойкость к коррозии
Большая ковкость материала

Производственный процесс полностью осуществляет «OMAL»

Максимальный контроль на всех этапах обработки
Возможность поставки изделий в специальном исполнении, требуемых заказчиком

Сертификат взрывобезопасности (ATEX)

Позволяет монтаж даже в потенциально взрывоопасной среде

Сертификация по летучим выбросам (TA LUFT fugitive emission)

Обеспечивает повышенную степень надёжности герметизации шпинделя наружу

Сертификат соответствия Директиве 97/23/EC (PED)

Полное соответствие европейским стандартам безопасности оборудования, работающего под давлением

СТАНДАРТНОЕ ИСПОЛНЕНИЕ
• С плавающей пробкой, полнопроходной
• Уплотнение мягкого седла из ТФМ 1600
• Стандарты на присоединительные фланцы: EN 1092-1, ASME B16.5
• Классы давления: ANSI 150; PN 16-40
• Класс герметичности затвора: EN 12266-1, класс герметичности «A»
• Рабочая температура: -20°C – +150°C
• Рабочая среда: воздух, вода, газ, нефтепродукты и нефтехимические продукты, агрессивные текучие среды.
• Антистатическое устройство по EN 12266-2
• Уплотнение шпинделя: шевронный пакет из Modified PTFE
• Дополнительное уплотнение шпинделя уплотнительным кольцом из FKM
• Шпиндель с защитой от выталкивания
• Расположение отверстий для крепления привода по ISO 5211

ИСПОЛНЕНИЯ ПОД ЗАКАЗ

• Исполнение на температуру -40 C° из стали A350 LF2
• По другим типам фланцев обращаться в наш коммерческий отдел.
• Уплотнительные прокладки из: PTFE со стеклом (PTFE-GF), PTFE с углеграфитом (PTFE-CF). По другим типам материалов обращаться в наш коммерческий отдел
• Рукоятка, гайки и пружины шпинделя из нержавеющей стали
• По специальным исполнениям (корпуса, пробки, шпинделя) из материалов, иных, чем в стандартном, обращаться в наш коммерческий отдел
• Обработка поверхности: белое цинкование, окраска эпоксидной краской (по другим видам обработки обращаться в наш коммерческий отдел).
• Маркировка и сертификат взрывобезопасности (ATEX) ПО ЗАПРОСУ

СЕРТИФИКАЦИИ

• Соответствует европейской Директиве 2014/68/ЕС по оборудованию, работающему под давлением (PED); летучие выбросы по ISO 15848 (ISO FE BH-C03-SSA 0); TA-LUFT VDI: 2440
• Уровень функциональной безопасности до УПБ (SIL) 3 согласно МЭК 61508
• Соответствует Директиве 2014/34/ЕС по оборудованию и защитным системам, предназначенным для использования в потенциально взрывоопасных средах (ATEX), сертификат взрывобезопасности (ATEX) ПО ЗАПРОСУ

НОРМЫ И СТАНДАРТЫ ПРОЕКТИРОВАНИЯ

• Толщины корпуса согласно ASME B16.34, ASME VIII разд. 1, EN12516
• Материалы и номинальные значения согласно ASME B16.34 для арматуры по ANSI и EN 12516 для арматуры на PN

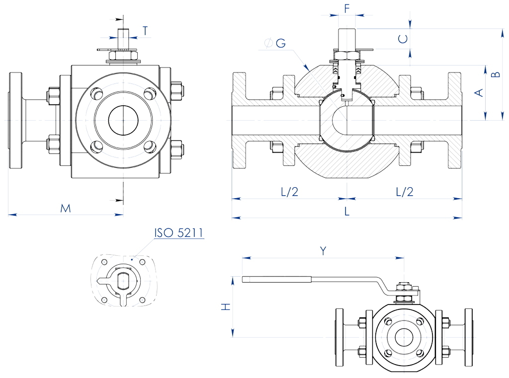
РАЗМЕРЫ  -PN-
УСЛОВНЫЙ ПРОХОД  PN∅ELMABCПРИС. ПО ИСО
F/T∅G∅J∅RSP∅KК-ВО ОТВЕРСТИЙ
∅IHYKgНАБОР РУКОЯТКИ
КОМПЛЕКТ  УПЛОТНЕНИЙ
DN [mm][дюймы]
DN 151/2"16-40131708535559,2F0310/684954521665414741405,8KLV58004KGBV462040
DN 203/4"16-4019200100457113F0412/8105105582187541490,515010,2KLV58006KGBV462050
DN 251"16-402523011555,590,519,1F0516/10128115682188541410727516,4KLV58008KGBV462060
DN 321" 1/416-4032240120609519,1F0516/1013514078218100418111,327519,1KLV58008KGBV462070
DN 401" 1/216-403830015072119,526,4F0722/1416015088318110418134,535027,6KLV58010KGBV462080
DN 502"16-405132016081128,526,4F0722/14178165102320125418143,535039,2KLV58010KGBV462090
DN 652" 1/216643501759315433,1F1030/18205185122318145418182,345057,3KLV58012KGBV462100
DN 803"167637018510116233,1F1030/18220200138324160818190,345071,2KLV58012KGBV462110
DN 1004"1610240020012418233,1F1030/18270220158320180818210,5450100,2KLV58012KGBV462120

РАЗМЕРЫ -ANSI-
УСЛОВНЫЙ ПРОХОД
ANSI∅ELMABCПРИС. ПО ИСО
F/T∅G∅J∅RSP∅KК-ВО ОТВЕРСТИЙ
∅IHYKgНАБОР РУКОЯТКИ
КОМПЛЕКТ  УПЛОТНЕНИЙ
DN [mm][дюймы]
DN 151/2"150131708535559,2F0310/6849035,11,611,660,5416741404,9KLV58004KGBV462040
DN 203/4"15019200100457113F0412/810510042,91,613,269,841690,51509,1KLV58006KGBV462050
DN 251"1502523011555,590,519,1F0516/1012811050,81,615,079,241610727515,6KLV58008KGBV462060
DN 321" 1/415032240120609519,1F0516/1013511863,51,616,188,9416111,327516,7KLV58008KGBV462070
DN 401" 1/21503830015072119,526,4F0722/14160128731,618,098,6416134,535025,8KLV58010KGBV462080
DN 502"1505132016081128,526,4F0722/1417815391,91,620,0120,6419143,535037,7KLV58010KGBV462090
DN 652" 1/2150643501759315433,1F1030/18205180104,61,623,0139,7419182,345059,1KLV58012KGBV462100
DN 803"1507637018510116233,1F1030/182201901271,624,6152,4419190,345070,6KLV58012KGBV462110
DN 1004"15010240020012418233,1F1030/18270230157,21,624,5190,5819210,5450105,1KLV58012KGBV462120

Примечание: для трёхходовых шаровых кранов размеры остаются неизменными.

МАТЕРИАЛЫ
РАЗБОРНОЙ (SPLIT BODY) PN 16-40 ANSI 150

Наименование  
Сталь углеродистая LF2 A350
Сталь углеродистая A105
1
Корпус
ASTM A350 LF2
ASTM A105
2
Крышка
3
Патрубок фланцевый
4
Пробка шаровая
ASTM A351 CF8M
5
Шпиндель
A564 TP.630 (17-4PH)
6*
Седло
Modified PTFE
7*
Уплотнение шпинделя нижнее
Modified PTFE
8*
Пакет шевронный
Modified PTFE
9*
Кольцо уплотнительное шпинделя
FKM
10
Кольцо сальника
Сталь углеродистая, оцинкованная (x)
11
Пружины шпинделя
Сталь углеродистая, оцинкованная  (xx)
12
Гайка шпинделя
Сталь углеродистая, оцинкованная (x)
13
Шайба стопорная гайки
сталь нерж. 304 S.S.
14
Указатель
сталь нерж. 304 S.S.
15*
Прокладка между корпусом и крышкой  
Grafoil
16*
Прокладка между корпусом и патрубком фланцевым
Grafoil
17
Шпильки
ASTM A320 L7M
ASTM A193-B7
18
Гайки
ASTM A194-марка.7M
ASTM A194-марка.2H
19
Устройство антистатическое
сталь нерж. 316 S.S.
20
Контргайка
Сталь углеродистая, оцинкованная (x)
21
Винт крепления упора-ограничителя
сталь A2-70 (304 S.S.)
22
Упор-ограничитель конечного положения
Сталь углеродистая, оцинкованная  (x)
23
Рукоятка
сталь Fe37, оцинкованная (x)
* Входит в комплект уплотнений  


Под заказ возможно изготовление из:
(x): сталь нерж. 304 s.s.
(xx): сталь нерж. 301 s.s.

Расход/падение напора и номинальный коэффициент Kv

Значение Kv численно равно расходу в м3/ч (воды при температуре 15°C), при котором потери напора (на арматуре) составят 1 бар.

Схема рабочих положений пробки с Г-образным проходом

N.B.:
В случае привода С ПРУЖИННЫМ ВОЗВРАТОМ (SR) НОРМАЛЬНО ЗАКРЫТОГО исходным положением пробки должно быть «A».
В случае привода С ПРУЖИННЫМ ВОЗВРАТОМ (SR) НОРМАЛЬНО ОТКРЫТОГО исходным положением пробки должно быть «B».

Схема рабочих положений пробки с T-образным проходом

С приводом возможны только два положения с поворотом на 90°: о конфигурации пробки обязательно сообщить в наш коммерческий отдел.

N.B.:
В случае привода С ПРУЖИННЫМ ВОЗВРАТОМ (SR) НОРМАЛЬНО ЗАКРЫТОГО выбрать исходное положение пробки; при подаче питания привод поворачивается против часовой стрелки.
В случае привода С ПРУЖИННЫМ ВОЗВРАТОМ (SR) НОРМАЛЬНО ОТКРЫТОГО выбрать исходное положение пробки; при подаче питания привод поворачивается по часовой стрелке.

УДЛИНИТЕЛЬ ЛИТОЙ С РУКОЯТКОЙ И ОГРАНИЧЕНИЕМ ХОДА

МАТЕРИАЛЫ  
ДЕТ. №
НАИМЕНОВАНИЕ
МАТЕРИАЛ
1
Удлинитель  AISI 304 S.S.
2
Ось
AISI 430 F
3
Втулка
DELRIN
4
Кольцо уплотнительное
NBR
5
Рукоятка
Fe 37 оцинков (*)
6
Гайка
сталь углеродистая,оцинкованная (*)
7
Упор-ограничитель рукоятки
сталь углеродистая,оцинкованная (*)
8
Винт крепления упора-ограничителя рукоятки
A2-70
9
Шайба прокладочная
PTFE угленаполн


(*): По запросу возможно из нерж. стали 304 SS


РАЗМЕРЫ
АРМАТУРА ПО ISO
ØA
ØB
ØM
ØN
F/T
X
Y
F03
36
5,5365,510/638,5141,5
F04
425,542M512/845,5151,5
F05
506,5506,516/1048,5276,5
F07
708,5708,522/1457,5351,5
F10
102111021130/1879,5451,5


ПРИМЕЧАНИЕ: Код удлинителя зависит от типа привода и присоединения арматуры; запрашивать при заказе.

УДЛИНИТЕЛЬ ЛИТОЙ С ОГРАНИЧЕНИЕМ ХОДА ДЛЯ ПРИВОДА

 МАТЕРИАЛЫ
ПОЗ. N°
 НАИМЕНОВАНИЕ
МАТЕРИАЛ
1
Удлинитель
ASTM A351 CF8M
2
Ось
AISI 430 F
3
Втулка
DELRIN
4
Кольцо уплотнительное
NBR


ПРИМЕЧАНИЕ: Код удлинителя зависит от типа привода и присоединения арматуры; запрашивать при заказе.

УДЛИНИТЕЛЬ ПРИВАРНОЙ С РУКОЯТКОЙ И ОГРАНИЧЕНИЕМ ХОДА

МАТЕРИАЛЫ     
ПОЗ. №
НАИМЕНОВАНИЕ
МАТЕРИАЛ
1
Удлинитель
304 s.s.
2
Ось
AISI 430 F
3
Втулка
DELRIN
4
Кольцо уплотнительное
NBR
5
Рукоятка
Fe 37 оцинков (*)
6
Гайка
сталь углеродистая, оцинков  (*)
7
Упор-ограничитель рукоятки
сталь углеродистая, оцинков  (*)
8
Винт крепления упора-ограничителя рукоятки
A2-70
9
Гайка крепления упора-ограничителя рукоятки
A2-70 (**)
10
Шайба прокладочная
PTFE угленаполн


(*): по запросу возможно из нерж. стали 304 SS
(**): отсутствует на кранах с присоединением ISO F04

РАЗМЕРЫ
АРМАТУРА ПО ISO
ØA
ØB
ØM
ØN
F/T
X
Y
F03
36
5,5365,510/638,5141,5
F04
425,542M512/845,5151,5
F05
506,5506,516/1048,5276,5
F07
70970922/1457,5351,5
F10
102111021130/1879,5451,5


ПРИМЕЧАНИЕ: Код удлинителя зависит от типа привода и присоединения арматуры; запрашивать при заказе.

УДЛИНИТЕЛЬ ПРИВАРНОЙ С ОГРАНИЧЕНИЕМ ХОДА ДЛЯ ПРИВОДА

МАТЕРИАЛЫ    
ПОЗ. N°
НАИМЕНОВАНИЕ
МАТЕРИАЛ
1
Удлинитель
304 S.S.
2
Ось
AISI 430 F
3
Втулка
DELRIN
4
Кольцо уплотнительное
NBR


ПРИМЕЧАНИЕ: Код удлинителя зависит от типа привода и присоединения арматуры; запрашивать при заказе.

УДЛИНИТЕЛЬ С ДОПОЛНИТЕЛЬНЫМ УПЛОТНЕНИЕМ

МАТЕРИАЛЫ    
ПОЗ. N°
НАИМЕНОВАНИЕ
МАТЕРИАЛ
1
Удлинитель 304 S.S.
2
Ось
AA564 TP.630 (17-4ph)
3
Кольцо антифрикционное
TFM 1600
4
Кольцо уплотнительное
FKM
5
Пакет шевронный
TFM 1600
6
Кольцо сальника
304 S.S.
7
Пружина тарельчатая
50 CrV4, оцинков
8
Гайка шпинделя
UNI 3740-1 6S, оцинков
9
Пластина стопорная гайки
304 S.S.
10
 Прокладка уплотнительная  GRAFOIL


РАЗМЕРЫ
АРМАТУРА ПО ISO
ØA
ØB
ØM
ØN
F/T
CD
F03
36
5,5
36M510/6
2010,2
F04
42
5,5
42M512/8
2615,1
F05
50
6,550M616/10
3521,2
F07
70
8,570M822/14
47,528,4
F10
102
10,5102M1030/18
6135,2

ПРИМЕЧАНИЕ: Код удлинителя зависит от типа привода и присоединения арматуры; запрашивать при заказе.

НАСТРОЙКА ВОДИТЬ МАШИНУ
Выберите параметры поиска
ПОИСК ИЗДЕЛИЯ
X ЗАКРЫТЬ

СЛЕДУЮЩЕЕ СОБЫТИЕ

IVS - Industrial Valve Summit 2026
IVS - Industrial Valve Summit 2026
Bergamo, Italy, 19 - 21 may 2026