images/testate/Template-Header-Sito-OMALBALLVALVES.jpg

Valvola a sfera THOR Split Body 3 vie 4 guarnizioni PN 16-40 ANSI 150 acciaio al carbonio

Valvola a sfera THOR Split Body 3 vie 4 guarnizioni PN 16-40 ANSI 150 acciaio al carbonio
Categoria THOR

Famiglia THOR Split Body 3 vie 4 guarnizioni PN 16-40 ANSI 150

CONFIGURA Azionamento
RICHIEDI INFORMAZIONI
STAMPA PAGINA
DECODIFICA CODICE
  • benefits
  • caratteristiche
  • dimensioni
  • materiali
  • diagrammi e coppie di spunto
  • specifiche
  • accessori
  • documenti

1. Antistatic device (continuità elettrica tra sfera, stelo e corpo)
Si evitano cariche elettrostatiche che potrebbero essere causa d'innesco in ambienti infiammabili e/o esplosivi
Sicurezza garantita del contatto durante tutta la vita della valvola

2. Doppio anello antifrizione
Garantisce una minor coppia di azionamento della valvola
Minor usura rispetto all'esecuzione con singolo anello

3. Pacco guarnizioni a "v" con 3 guarnizioni più o-ring
Si garantisce una perfetta tenuta anche dopo un numero elevato di cicli

4. Molle a tazza sulla tenuta dello stelo
Garantiscono il recupero dei giochi dovuti all'usura causata dal movimento semirotatorio dell'albero evitando perdite vero l'esterno
Consentono di mantenere energizzate le guarnizoini tipo "chevron" (a V), evitando perdite verso l'esterno, a fronte di notevoli escursioni termiche

5. Tenuta elasticizzata in grafite
Garantisce una tenuta verso l'esterno indipendentemente dalle escursioni termiche a cui è sottoposta la valvola

Maggiore precisione nell'allineamento degli assi grazie alla lavorazione dal grezzo al finito con un unico posizionamento
Maggior vita della valvola stessa
Minor coppia di azionamento

Facile manutenibilità direttamente sull'impianto

Contenimento dei costi durante la fase di manutenzione

Corpo valvola in acciaio al carbonio realizzato con materiale normalizzato certificato NACE in esecuzione standard

Garantisce una maggior resistenza alla corrosione
Maggior duttilità del materiale

Processo produttivo interamente eseguito in OMAL
Massimo controllo in tutte le fasi di lavorazione
Possibilità di fornire rapidamente esecuzioni speciali richieste dal cliente

Certificato ATEX
Ne consente l'installazione in presenza di ambiente potenzialmente esplosivo

Certificazione "TA LUFT fugitive emission"
Garantisce un elevato grado di sicurezza della tenuta stelo verso l'esterno

Certificato PED
Piena conformità alle norme di sicurezza europee per i dispositivi in pressione

ESECUZIONE STANDARD
• Sfera flottante, passaggio totale
• Tenuta soft seat TFM 1600
• Norme per flange d’attacco: EN1092-1, ASME B16.5
• Classi di pressione : ansi 150; PN16-40
• Classe di tenuta: EN12266-1 rate A
• Temperatura di utilizzo: -20°C +150°C
• Fluido intercettato: aria, acqua, gas, prodotti petroliferi e petrolchimici, fluidi aggressivi.
• Antistatic device EN12266-2
• Tenuta stelo: pacco a V di serie in PTFE Modificato
• Tenuta addizionale su stelo con O-ring FKM
• Stelo anti Blow-out
• Foratura piano per attuatore a norma ISO 5211

ESECUZIONI A RICHIESTA
• Esecuzione per temperatura -40°C in A350 LF2
• Per altri tipi di flangiatura contattare il nostro ufficio commerciale.
• Guarnizioni di tenuta in: PTFE caricato vetro (PTFE-GF), PTFE caricato carbografite (PTFE-CF). Per altri tipi di materiale contattare il nostro ufficio commerciale.
• Leva, Dadi e molle stelo inox
• Per esecuzioni speciali con materiali (corpo/sfera/stelo) diversi dallo standard contattare il nostro ufficio commerciale
• Trattamento superficiale: zincatura bianca, verniciatura epossidica (per altri trattamenti contattare il nostro ufficio commerciale).
• Marcatura e certificato ATEX A RICHIESTA

CERTIFICAZIONI
• Conforme alla direttiva Europea 2014/68/UE PED; Fugitive Emission ISO 15848 (ISO FE BH-C03-SSA 0); Ta-Luft VDI: 2440
• Livello di sicurezza funzionale fino a SIL 3 in accordo a IEC 61508
• Conforme alla direttiva ATEX 2014/34/UE, certificato ATEX A RICHIESTA

NORME DI PROGETTAZIONE

• Spessori corpo in accordo a ASME B16.34, ASME VIII div.1, EN12516
• Materiali e rating in accordo ad ASME B16.34 per valvole ANSI ed EN12516 per valvole PN

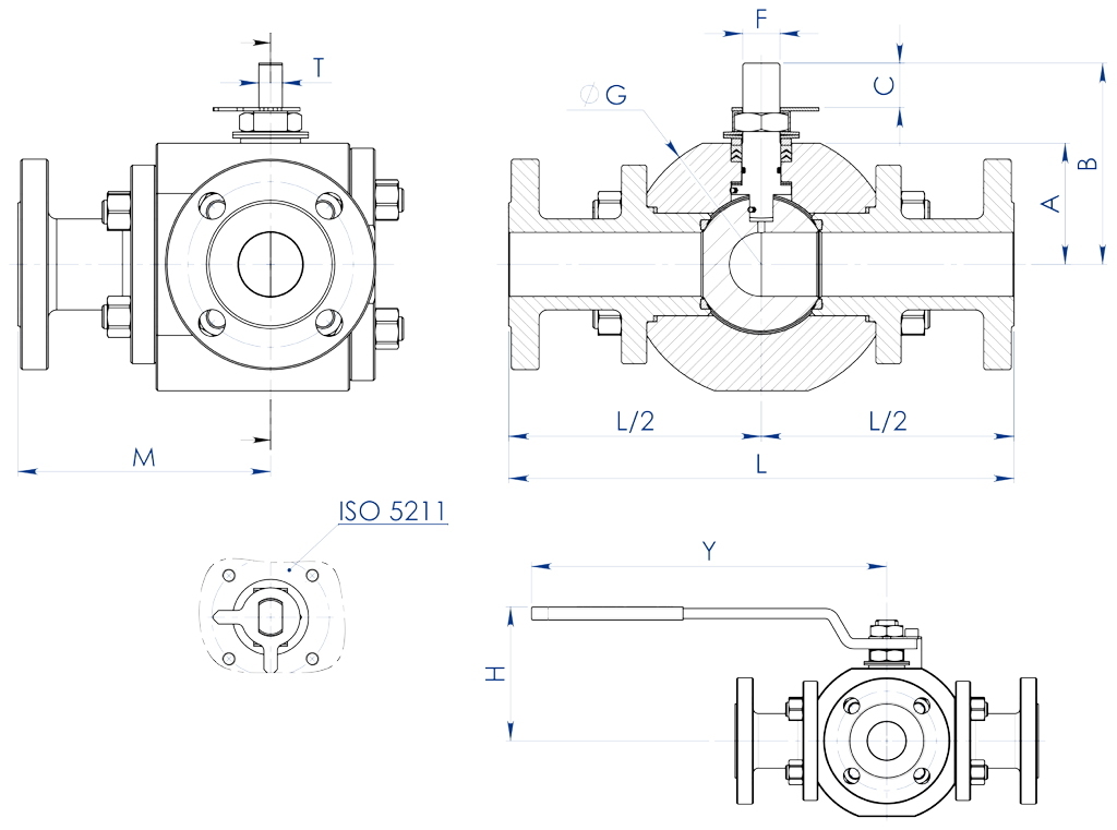
DIMENSIONI  -PN-
MISURA  PN∅ELMABCATT. ISOF/T∅G∅J∅RSP∅KN° FORI∅IHYKgKIT LEVA
KIT GUARNIZIONI
DN [mm][inch]
DN 151/2"16-40131708535559,2F0310/684954521665414741405,8KLV58004KGBV462040
DN 203/4"16-4019200100457113F0412/8105105582187541490,515010,2KLV58006KGBV462050
DN 251"16-402523011555,590,519,1F0516/10128115682188541410727516,4KLV58008KGBV462060
DN 321" 1/416-4032240120609519,1F0516/1013514078218100418111,327519,1KLV58008KGBV462070
DN 401" 1/216-403830015072119,526,4F0722/1416015088318110418134,535027,6KLV58010KGBV462080
DN 502"16-405132016081128,526,4F0722/14178165102320125418143,535039,2KLV58010KGBV462090
DN 652" 1/216643501759315433,1F1030/18205185122318145418182,345057,3KLV58012KGBV462100
DN 803"167637018510116233,1F1030/18220200138324160818190,345071,2KLV58012KGBV462110
DN 1004"1610240020012418233,1F1030/18270220158320180818210,5450100,2KLV58012KGBV462120

DIMENSIONI -ANSI-
MISURAANSI∅ELMABCATT. ISOF/T∅G∅J∅RSP∅KN° FORI∅IHYKgKIT LEVA
KIT GUARNIZIONI
DN [mm][inch]
DN 151/2"150131708535559,2F0310/6849035,11,611,660,5416741404,9KLV58004KGBV462040
DN 203/4"15019200100457113F0412/810510042,91,613,269,841690,51509,1KLV58006KGBV462050
DN 251"1502523011555,590,519,1F0516/1012811050,81,615,079,241610727515,6KLV58008KGBV462060
DN 321" 1/415032240120609519,1F0516/1013511863,51,616,188,9416111,327516,7KLV58008KGBV462070
DN 401" 1/21503830015072119,526,4F0722/14160128731,618,098,6416134,535025,8KLV58010KGBV462080
DN 502"1505132016081128,526,4F0722/1417815391,91,620,0120,6419143,535037,7KLV58010KGBV462090
DN 652" 1/2150643501759315433,1F1030/18205180104,61,623,0139,7419182,345059,1KLV58012KGBV462100
DN 803"1507637018510116233,1F1030/182201901271,624,6152,4419190,345070,6KLV58012KGBV462110
DN 1004"15010240020012418233,1F1030/18270230157,21,624,5190,5819210,5450105,1KLV58012KGBV462120

Nota: per le valvole con la sfera a T, le dimensioni rimangono invariate.

MATERIALI   
SPLIT BODY PN16-40 ANSI 150

Descrizione  
A350 LF2  Carbon steel
A105 Carbon steel
1
Corpo  
ASTM A350 LF2
ASTM A105
2
Coperchio  
3
Terminale  
4
Sfera  
ASTM A351 CF8M
5
Stelo  
A564 TP.630 (17-4PH)
6*
Seggio  
PTFE Modificato
7*
Tenuta inferiore stelo
PTFE Modificato
8*
Pacco a V  
PTFE Modificato
9*
O-ring stelo  
FKM
10
Anello premi guarnizione  
Acciaio al carbonio zincato (x)
11
Molle stelo  
Acciaio al carbonio zincato  (xx)
12
Dado stelo  
Acciaio al carbonio zincato  (x)
13
Piastra blocca dado  
304 S.S.
14
Indicatore  
304 S.S.
15*
Guarnizione Corpo-Coperchio  
Grafoil
16*
Guarnizione Corpo-Terminale  
Grafoil
17
Tiranti  
ASTM A320 L7M
ASTM A193-B7
18
Dadi  
ASTM A194-Gr.7M
ASTM A194-Gr.2H
19
Dispositivo antistatico  
316 S.S.
20
Controdado  
Acciaio al carbonio zincato  (x)
21
Vite di fermo  
A2-70 (304 S.S.)
22
Fermo di posizione  
Acciaio al carbonio zincato  (x)
23
Leva
Fe37 zincato  (x)
* Componenti del kit di guarnizioni  


A richiesta disponibile in:
(x): 304 s.s.
(xx): 301 s.s.

Diagramma portata/perdita di carico e coefficiente nominale Kv

Il valore Kv è il valore di portata in m3/h (con acqua a 15°C) che provoca la caduta di pressione di 1 bar.

Schema sfera a "L" 

N.B.:
Con attuatore SR NORMALMENTE CHIUSO la posizione di riposo della sfera deve essere la “A”.
Con attuatore SR NORMALMENTE APERTO la posizione di riposo della sfera deve essere la “B”.

Schema sfera a "T" 

Con l’attuatore sono possibili solo due posizioni con rotazione di 90°: la configurazione della sfera deve essere sempre comunicata al nostro ufficio commerciale.

N.B.:
Con attuatore SR NORMALMENTE CHIUSO scegliere la posizione di riposo della sfera; alimentando, l’attuatore ruota in senso antiorario.
Con attuatore SR NORMALMENTE APERTO scegliere la posizione di riposo della sfera; alimentando, l’attuatore ruota in senso orario.

PROLUNGA GUIDATA DA FUSIONE A LEVA

MATERIALI    
PART. N°
DESCRIZIONE
MATERIALE
1
Prolunga  
AISI304 S.S.
2
Perno
AISI 430 F
3
Bussola
DELRIN
4
O-RING  
NBR
5
Leva  
Fe 37 galvanized (*)
6
Dado  
galvanized carbon steel (*)
7
Fermo leva  
galvanized carbon steel (*)
8
Vite fermo leva  
A2-70
9
Distanziale
PTFE Carbon Filled

(*): A richiesta disponibili in 304 S.S.

DIMENSIONI   
ISO VALVOLA
ØA
ØB
ØM
ØN
F/T
X
Y
F03
36
5,5365,5
10/638,5141,5
F04
425,542M512/845,5151,5
F05
506,5506,516/1048,5276,5
F07
708,5708,522/1457,5351,5
F10
102111021130/1879,5451,5

NOTA: Il codice della prolunga dipende dal tipo di azionamento e dall’attacco valvola; richiedere in fase d’ordine.

PROLUNGA GUIDATA DA FUSIONE PER ATTUATORE

MATERIALI    
PART. N°
DESCRIZIONE
MATERIALE
1
Prolunga
ASTM A351 CF8M
2
Perno  
AISI 430 F
3
Bussola  
DELRIN
4
O-RING  
NBR

NOTA: Il codice della prolunga dipende dal tipo di azionamento e dall’attacco valvola; richiedere in fase d’ordine

PROLUNGA GUIDATA SALDATA A LEVA

MATERIALI    
PART. N°
DESCRIZIONE
MATERIALE
1
Prolunga  
304 s.s.
2
Perno
AISI 430 F
3
Bussola
DELRIN
4
O-Ring
NBR
5
Leva
Fe 37 galvanized (*)
6
Dado
galvanized carbon steel  (*)
7
Fermo leva
galvanized carbon steel  (*)
8
Vite fermo leva
A2-70
9
Dado fermo leva
A2-70 (**)
10
Distanziale
PTFE Carbon Filled


(*): a richiesta disponibili in 304 S.S.

(**): non presente su valvole con attacco iso F04.

DIMENSIONI   
ISO VALVOLA
ØA
ØB
ØM
ØN
F/T
X
Y
F03
36
5,5365,510/638,5141,5
F04
425,542M512/845,5151,5
F05
506,5506,516/1048,5276,5
F07
70970922/1457,5351,5
F10
102111021130/1879,5451,5


NOTA: Il codice della prolunga dipende dal tipo di azionamento e dall’attacco valvola; richiedere in fase d’ordine.

PROLUNGA GUIDATA SALDATA PER ATTUATORE

MATERIALI    
PART. N°
DESCRIZIONE
MATERIALE
1
Prolunga
304 S.S.
2
Perno  
AISI 430 F
3
Bussola  
DELRIN
4
O-RING  
NBR


NOTA: Il codice della prolunga dipende dal tipo di azionamento e dall’attacco valvola; richiedere in fase d’ordine

PROLUNGA CON TENUTA AGGIUNTIVA

MATERIALI    
PART. N°
DESCRIZIONE
MATERIALE
1
Prolunga  
304 s.s.
2
Perno
A564 TP.630 (17-4ph)
3
Anello Antifrizione  
TFM1600
4
O-Ring
FKM
5
Pacco A V  
TFM1600
6
Anello Premiguarnizione  
304 s.s.
7
Molle A Tazza  
50CrV4 Zincato
8
Dado Stelo
UNI 3740-1 6S Zincato
9
Piastra Blocca Dado  
304 s.s.
10
Guarnizione di tenuta
GRAFOIL

DIMENSIONI
ISO VALVOLA
ØA
ØB
ØM
ØN
F/T
CD
F03
36
5,5
36M510/6
2010,2
F04
42
5,5
42M512/8
2615,1
F05
50
6,550M616/10
3521,2
F07
70
8,570M822/14
47,528,4
F10
102
10,5102M1030/18
6135,2

NOTA: Il codice della prolunga dipende dal tipo di azionamento e dall’attacco valvola; richiedere in fase d’ordine.

CONFIGURA AZIONAMENTO
Seleziona i parametri di ricerca
CERCA ARTICOLO
X CHIUDI

PROSSIMO EVENTO

IVS - Industrial Valve Summit 2026
IVS - Industrial Valve Summit 2026
Bergamo, Italia, 19 - 21 maggio 2026