images/testate/1600x499accattuatori.jpg

KPFE Позиционер электропневматический 4-20 мА

Взрывозащищенное исполнение
СТАНД. ИСПОЛНЕНИЕ
Золотниковый пневмоаппарат
СТАНД. ИСПОЛНЕНИЕ
Исполнение двойного действия
ДА
Коллектор в сборе с манометрами
ДА
Алюминиевый кожух, окрашенный эпоксидной краской
СТАНД. ИСПОЛНЕНИЕ
Кожух из нержавеющей стали
ДОП. КОМПЛЕКТАЦИЯ

ПОЗИЦИОНЕР ПРОДАЕТСЯ УЖЕ ОТКАЛИБРОВАННЫМ, ЕСЛИ ПРИОБРЕТАЕТСЯ ВМЕСТЕ С ПНЕВМАТИЧЕСКИМ ПРИВОДОМ ПРОИЗВОДСТВА «OMAL S.P.A.»; ЕСЛИ ЖЕ ПРОДАЕТСЯ ОТДЕЛЬНО, ЗА КАЛИБРОВКУ ОТВЕЧАЕТ ЗАКАЗЧИК. «OMAL S.p.A.» НЕ НЕСЕТ ОТВЕТСТВЕННОСТИ ЗА НАСТРОЙКИ.

ОСНОВНЫЕ ХАРАКТЕРИСТИКИ
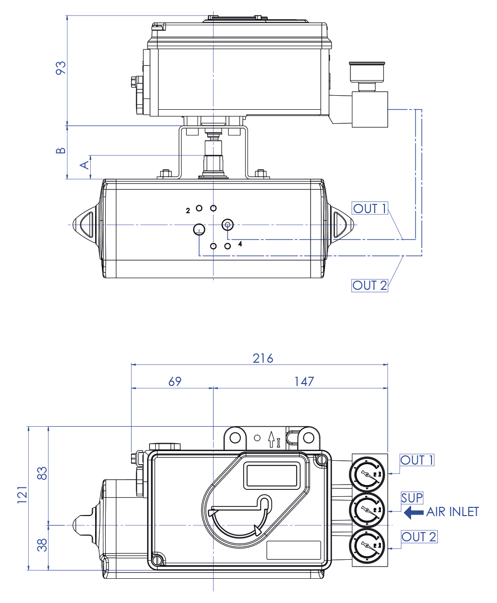
- Позиционер электропневматический аналоговый с входным сигналом 4-20 мА. Спроектирован для управления пневматическими приводами. Простая настройка с помощью переключателей и поценциометров. В исполнении с обратной связью снабжен функцией ретрансляции сигнала положения для непрерывного контроля арматуры (4 – 20 мА).
- Алюминиевый кожух с эпоксидным лакокрасочным покрытием Рабочая температура: от -40°C до 80°C
- ИСПОЛНЕНИЕ: одинарного или двойного действия
- ВХОД: сигнал 4-20 мА.
- ДОПОЛНИТЕЛЬНЫЕ ВХОДЫ И ВЫХОДЫ: нет
- ВНУТРЕННИЕ КОНЦЕВЫЕ ВЫКЛЮЧАТЕЛИ: нет
- ЭЛЕКТРИЧЕСКОЕ ПОДКЛЮЧЕНИЕ: M20x1.5, в комплекте с кабельным вводом
- Степень защиты: IP65 (IP66 по требованию)

ПРИЛАГАЕМЫЕ ПРИНАДЛЕЖНОСТИ
- Усилитель пневматический типа золотникового пневмоаппарата
- Коллектор с манометрами и присоединительными фитингами 1/4-18 NPT
- Набор для монтажа поворотного привода в соответствии с VDI/VDE 3845

ДОПОЛНИТЕЛЬНО ПО ТРЕБОВАНИЮ
- Передатчик положения арматуры 4-20 мА искробезопасный
- 2 концевых выключателя NAMUR или искробезопасных микровыключателей PNP-типа
- Кожух из нержавеющей стали 316
- Кожух и манометры из нержавеющей стали 316

СЕРТИФИКАТЫ
- По требованию

FOXBORO ECKART-SRI990

ПРИМЕЧАНИЯ
По требованию позиционеры пневматические и электропневматические поставляются отрегулированными и смонтированным с использованием алюминиевых трубок с покрытием и  быстроразъемных соединений.

Регулировка A = 0° - 90°:
- Управляющий сигнал 4 мА: положение «закрыто»
- Управляющий сигнал 20 мА: положение «открыто»
Регулировка D = 90° - 0°:
- Управляющий сигнал 4 мА: положение «открыто»
- Управляющий сигнал 20 мА: положение «закрыто»

Более подробно см. в руководстве по эксплуатации и техническому обслуживанию.

Позиционер с приводом двойного действия

Позиционер с приводом простого действия

Размеры A и B см. на стр. 19.

Искать по коду 
X ЗАКРЫТЬ

СЛЕДУЮЩЕЕ СОБЫТИЕ

IVS - Industrial Valve Summit 2026
IVS - Industrial Valve Summit 2026
Bergamo, Italy, 19 - 21 may 2026