images/testate/Template-Header-Sito-OMALBALLVALVES.jpg

วาล์วบอลสเตนเลสสตีล รุ่น 445

วาล์วบอลสเตนเลสสตีล รุ่น 445
มาโคร วาล์วบอล

วาล์วบอลสเตนเลสสตีล แบบ 3 ทาง ตัวเรือนแบน หน้าแปลน พอร์ตแบบ “L” รูลดขนาด

กำหนดค่า ระบบขับเคลื่อน
ขอข้อมูล
พิมพ์หน้าเว็บ
  • คุณลักษณะ
  • ขนาด
  • วัสดุ
  • แผนภาพและแรงบิดเริ่มต้น
  • ข้อมูลจำเพาะ

คุณลักษณะทั่วไป:
• วาล์วทำงานได้เฉพาะในโหมดเปลี่ยนทิศทางการไหลเท่านั้น การปิดสามารถทำได้จากทางกลางเท่านั้น โปรดดูแผนภาพประกอบ
• หน้าแปลนตามมาตรฐาน: EN 1092-1 PN40 ถึง DN50; PN16 สำหรับ DN65, 80, 100
• อุณหภูมิการทำงาน: ตั้งแต่ -20°C ถึง +150°C (+200°C เมื่อใช้ซีลพิเศษ)
• ความดันการทำงาน: PN40 ถึง DN50 และ PN16 สำหรับขนาดที่สูงกว่า
• ของไหลที่ควบคุมได้: น้ำ ผลิตภัณฑ์ปิโตรเลียม ปิโตรเคมี และของเหลวที่มีฤทธิ์กัดกร่อนอื่น ๆ
• รูลดขนาด

ตามคำขอ:
• ซีลทำจาก: PTFE ผสมใยแก้ว, PTFE ผสมคาร์บอนกราไฟต์
• พอร์ตแบบ “T” โปรดดูแผนผังการติดตั้ง
• สำหรับการใช้งานอื่น ๆ กรุณาติดต่อแผนกเทคนิคของเรา

การรับรองมาตรฐาน:
• รุ่น ATEX เป็นไปตามข้อกำหนดของสหภาพยุโรป Directive 2014/34/EU
• ใบรับรอง ATEX มีให้ตามคำขอ

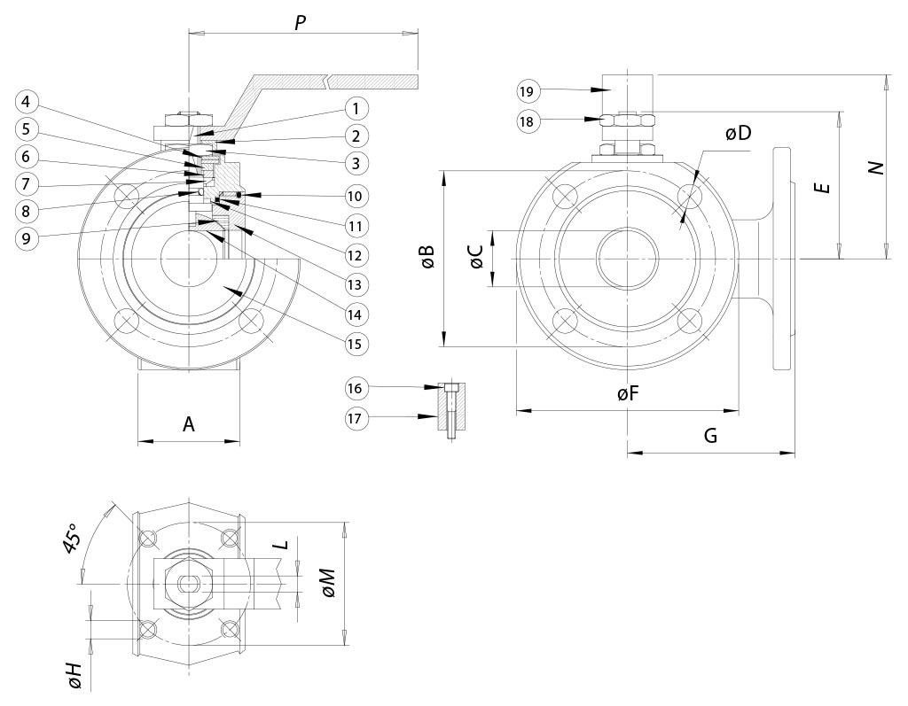
ขนาด
ขนาดAøBøCøDEøFGøHLøMNP
DN [มม.][นิ้ว]
DN 151/2"356510M12X4489085M563665140
DN 203/4"387515M12X45110090M563670140
DN 251"438520M12X462,511090M584282180
DN 321" 1/45410025M16X467130105M584285180
DN 401" 1/26611032M16X480140120M61050102230
DN 502"8312540M16X487150130M61050110230
DN 652" 1/210314550M16X4119,5175150M81470137,5350
DN 803"12216065M16X8129,5190175M81470150350
DN 1004"15318078M16X8148,5220185M1016102165508

วัสดุ    
1
เพลา
316 S.S.
1.4401
UNI X5CrNiMo 17 12
2
ตัวยึดน็อต
304 S.S.1.4301
UNI X5CrNi 18 10
3
น็อตล็อก  
304 S.S.
1.4301
UNI X5CrNi 18 10
4
แหวนสปริงเบลล์วิลล์
301 S.S.
1.4310
UNI X5CrNiMo 17 12
5
แหวน
304 S.S.
1.4301
UNI X5CrNi 18 10
6*
แหวนกดกแลนด์
304 S.S.
1.4301
UNI X5CrNi 18 10
7*
ซีลด้านบน
P.T.F.E.


8*
โอริง
FKM


9*
ซีล
P.T.F.E.


10*
โอริง  
FKM


11*
ซีลน็อตวงแหวน
P.T.F.E.


12*
ซีลด้านล่าง
P.T.F.E.


13
น็อตวงแหวน
316 S.S.
1.4401
UNI X5CrNiMo 17 12
14
ลูกบอล
316 S.S.
1.4401
UNI X5CrNiMo 17 12
15
ตัวเรือน
316 S.S.
1.4408

16
สกรูยึด
304 S.S.
1.4301
UNI X5CrNi 18 10
17
ตัวยึด
304 S.S.
1.4301
UNI X5CrNi 18 10
18
น็อตคันโยก
304 S.S.
1.4301
UNI X5CrNi 18 10
19
คันโยก
304 S.S.
1.4301
UNI X5CrNi 18 10
* ชิ้นส่วนในชุดอะไหล่ KGBV44...

แผนภาพความดัน/อุณหภูมิ

แรงบิดเริ่มต้น Nm
ขนาด
DN 15
1/2"
DN 20
3/4"
DN 25
1"
DN 32
1"1/4
DN 40
1"1/2
DN 50
2"
DN 65
2"1/2
DN 80
3"
DN 100
4"

PN 16 bar






85
128
212
PN 40 bar
8
13
20
30
42
61





ค่าแรงบิดอาจเปลี่ยนแปลงได้ตามอุณหภูมิและประเภทของของไหล ควรใช้ค่าความปลอดภัย 1.4 แรงบิดอาจลดลงเมื่อมีการใช้งานบ่อยครั้ง การคำนวณขนาดของแอคชูเอเตอร์/วาล์วที่แสดงในหน้าถัดไปเป็นข้อมูลสำหรับวาล์วที่ใช้กับของเหลวหรือก๊าซที่สะอาดและอุณหภูมิปานกลาง สำหรับข้อมูลเพิ่มเติมหรือการใช้งานอื่น ๆ กรุณาติดต่อแผนกขายของเรา

แผนผังสำหรับพอร์ต “L”

หมายเหตุ:
A” ต้องเป็นตำแหน่งพักของลูกบอลเมื่อใช้แอคชูเอเตอร์แบบ SR FAIL CLOSE
B” ต้องเป็นตำแหน่งพักของลูกบอลเมื่อใช้แอคชูเอเตอร์แบบ SR FAIL OPEN

แผนผังสำหรับพอร์ตแบบ L

แผนผังสำหรับพอร์ตแบบ “T” (สั่งทำพิเศษ)

เมื่อใช้แอคชูเอเตอร์ สามารถหมุนได้เพียง 2 ตำแหน่ง โดยมีมุมการหมุน 90° เท่านั้น การกำหนดรูปแบบของลูกบอลต้องแจ้งให้แผนกขายของเราทราบทุกครั้ง

หมายเหตุ:
เลือกตำแหน่งพักของลูกบอลเมื่อใช้แอคชูเอเตอร์แบบ SR FAIL CLOSE; เมื่อจ่ายลม แอคชูเอเตอร์จะหมุนทวนเข็มนาฬิกา
เลือกตำแหน่งพักของลูกบอลเมื่อใช้แอคชูเอเตอร์แบบ SR FAIL OPEN; เมื่อจ่ายลม แอคชูเอเตอร์จะหมุนตามเข็มนาฬิกา

แผนผังสำหรับพอร์ตแบบ T (สั่งทำพิเศษ)

กำหนดค่า ไดรฟ์
เลือกมาตรฐานการค้นหา
ค้นหารายการ
ปิด X

กิจกรรมถัดไป

IVS - Industrial Valve Summit 2026
IVS - Industrial Valve Summit 2026
Bergamo, Italy, 19 - 21 may 2026