images/testate/header-valvole-farfalla.jpg

Kelebek vana Item 270-474

Kelebek vana Item 270-474

Kelebek vana “Wafer” tipi flanş arasına montajı için “metal-metal”

ITEM 270

Gövde: Dökme Demir
Lens: Dökme demir.*
ITEM 474

Gövde: CF8M
Lens: CF8M 

KONFİGÜRE İşlem
BİLGİ İSTEYİN
SAYFAYI YAZDIRIN
  • özellikleri
  • boyutlar
  • malzemeler

STANDART UYGULAMALAR:
- Vana serisi 270: dökme demir gövdesi ve lens.*
- Vana serisi 474: CF8M’e göre gövde ve lens.

- Mevcut aralık: DN 40 ile DN 200 (other sizes on request) arası PN10 - PN16 - ANSI 150
- Standart flanş: PN10 - PN16 - ANSI 150
- ISO 5752 standardında yüz yüze boyutlar.
- ISO 5211 standardındaki vana kafası.
- Metal-metal contalı valf, from -10°C to +180°C cast iron type; from -50°C to +180°C CF8M type sahip kojenerasyon tesislerinde atık gazlarının, endüstriyel fırın dumanlarının kesilmesi için tasarlanmıştır.
- : Çalışma sıcaklığı: DN 40÷200 için PN 16 bar
- Bu vananın sızdırmazlığı, tahmini %1.5-2 değerindeki kaçakları içerir.

*DN100'e kadar ve dahil olan valfler için CF8M

İSTEĞE GÖRE UYGULAMALAR:

- cast iron -10°C/+350°C, CF8M -50°C/+600°C DN 40 ile DN 600 arası versiyonlar.
- Daha fazla bilgi için lütfen teknik servisimize başvurunuz.

SERTİFİKALAR:

Sipariş sırasında talep edilmesi gereken ATEX 2014/34 / UE konfigürasyonu.

Çift etkili pnömatik aktüatör ile
DN [mm]
[inç]
ÜrünAktüatörMontaj kitiL [mm]
H [mm]
A [mm]
Kg
DN 40
1" 1/2
DG*XM68
DAN0015411S
KCNADDD5438
159,0
272,2
33
4,2
DN 50
2"
DG*XM69
DAN0015411S
KCNADDD5438
159,0
288,2
43
5,7
DN 65
2" 1/2
DG*XM70
DAN0015411S
KCNADDD5439
159,0
293,2
46
6,7
DN 80
3"
DG*XM71
DAN0030411S
KCNCDDD5440
174,2
308,2
46
7,7
DN 100
4"
DG*XM72
DAN0030411S
KCNCDDD5440
174,2
326,2
52
9,2
DN 125
5"
DG*XM73
DAN0030411S
KCNCDDD5442
174,2
345,2
56
10,8
DN 150
6"
DG*XM74
DAN0030411S
KCNCDDD5442
174,2
354,2
56
11,8
DN 200
8"
DG*XM75
DAN0060412S
KCNDDDD5444
198,0
405,4
60
18,7

Tek etkili pnömatik aktüatör ile
DN [mm]
[inç]
Ürün
Aktüatör
Montaj kiti
L [mm]H [mm]A [mm]Kg
DN 40
1" 1/2
SG*XM68SRN0015401SKCNADDD5438233,2279,2334,7
DN 50
2"
SG*XM69SRN0015401SKCNADDD5438233,2295,2436,2
DN 65
2" 1/2
SG*XM70SRN0015401SKCNADDD5439233,2300,2467,2
DN 80
3"
SG*XM71SRN0030402SKCNCDDD5441258,8319,4468,6
DN 100
4"
SG*XM72SRN0030402SKCNCDDD5441258,8337,45210,1
DN 125
5"
SG*XM73SRN0030402SKCNCDDD5443258,8356,45611,7
DN 150
6"
SG*XM74SRN0030402SKCNCDDD5443258,8365,45612,7
DN 200
8"
SG*XM75SRN0060401SKCNDDDD5445338,5422,06020,4

*= 270 Dökme Demir Vana * = 474 Vana CF8M
Pnömatik aktüatörlerin boyutlandırılması, minimum 5,6 barg besleme basıncı dikkate alınarak yapılmaktadır.

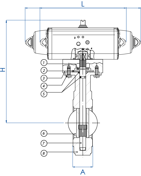
ÜRÜN 270-474 MALZEMELER
1) Elastik emniyet halkası
Nikel kaplama çelik
2) Baskı pulu O-Ring
Nikel kaplama çelik
3) Adaptör
Boyalı alüminyum
4) Vidalar
Nikel kaplama çelik
5) O-ring
FKM
6) Lens
Sfero döküm GGG50 - CF8M
7) Kumanda mili
420 S.S. - 303 S.S.
8) Gövde
Sfero döküm GGG50 - CF8M

KONFİGÜRE SÜRÜCÜ
Arama parametrelerini seçin
MAKALE ARAYIN
X KAPAT

GELECEK ETKİNLİK

Asia Water 2026
Asia Water 2026
Kuala Lumpur, 7-9 April 2026