images/testate/Template-Header-Sito-OMALBALLVALVES.jpg

Küresel vana MAGNUM Wafer PN 16-40 ANSI 150-300 paslanmaz çelik

Küresel vana MAGNUM Wafer PN 16-40 ANSI 150-300 paslanmaz çelik
Kategori MAGNUM
Alt kategori MAGNUM Wafer

Aile MAGNUM Wafer PN 16-40 ANSI 150-300

KONFİGÜRE İşlem
BİLGİ İSTEYİN
SAYFAYI YAZDIRIN
ÜRÜN KODUNU ÇÖZÜMÜ
  • faydaları
  • özellikleri
  • boyutlar
  • malzemeler
  • şemalar ve başlangıç momentleri
  • aksesuarlar
  • belgeler

1. Antistatik cihaz (bilye, sap ve gövde arasındaki elektriksel devamlılık) 
Yanıcı ve/veya patlayıcı ortamlarda tutuşmaya neden olabilecek elektrostatik şarjlar önlenir.  
Vananın kullanım ömrü boyunca garanti edilen temas güvenliği

2. Çift sürtünme önleyici halka

Düşük vana çalıştırma momentiu sağlar  
Tek halkalı uygulama ile karşılaştırıldığında daha az aşınma

3. 3 contalı artı o-ringli "V” packing

Çok sayıdaki devir sonrası bile mükemmel bir sızdırmazlık sağlanır.

4. Sap contası üzerindeki çanak yaylar
 
Milin yarım dönme hareketinin neden olduğu aşınma nedeniyle dışa doğru kaçak oluşumunu önleyerek boşlukların telafi edilmesini sağlarlar.  
Büyük çaptaki sıcaklık değişimleri karşısında dışa doğru kaçakları önleyen "chevron" tipi contaları (V-şekilli) enerjik olarak muhafaza olmasını sağlarlar.

5. Isteğe göre Elastik grafitli conta

Vananın maruz kaldığı sıcaklık değişiklikleri ne olursa olsun dışarıya sızdırmazlığı garanti eder.

Kabadan bitmiş ürüne kadar tek bir yerleştirme ile işleme sayesinde eksenler hizasında daha fazla hassasiyet

Daha uzun vana ömrü
Daha az çalışma momenti

Standart uygulamada standardize edilmiş NACE sertifikalı malzemeden üretilen karbon çeliğinden vana gövdesi

Korozyona karşı daha fazla direnç sağlar  
Daha fazla fazla sünekliği

Üretim süreci tamamen OMAL’de gerçekleştirilmiştir

Tüm işlem aşamalarında maksimum kontrol  
Müşterinin talep ettiği özel uygulamaları hızlı bir şekilde tedarik etme imkanı

"Fire Safe" Sertifikası

Yangın durumunda bile vana sızdırmazlığı sağlar

ATEX
Sertifikası
Potansiyel olarak patlayıcı bulunan ortamlarda kuruluma olanak sağlar

"TA LUFT fugitive emission" sertifikası

Sap contasının dışa doğru yüksek derecede emniyetini sağlar

PED Sertifikası

Basınçlı cihazlar konusunda Avrupa güvenlik standartlarına tam uyum

SIL 3'e kadar sertifikalı

Yüksek düzeyde işlevsel güvenlik

STANDART UYGULAMA

  • Şamandıra bilye içerikli, tam hatveli
  • Conta soft-seat Modified PTFE
  • EN 1092-1; ASME B16.5 bağlantı flanşı standartları
  • Çalışma sıcaklığı bkz. Sıcaklık basıncı şeması
  • Basınç sınıfı: PN16-40; ANSI 150-300
  • Sızdırmazlık sınıfı: EN12266-1 derece A
  • Tutulan sıvı: hava, su, gaz, petrol ve petrokimya ürünleri, agresif sıvılar.
  • Antistatik cihaz EN12266-2
  • Sap contası: Modified PTFE olarak standart V takım conta
  • FKM O-ringli sap üzerinde ek conta; Patlama önleyici sap
  • ISO 5211'e göre aktüatör için delme düzlemi
  • Kapanma açısı >7°
İSTEĞE GÖRE UYGULAMALAR
  • Diğer flanş türleri için satış bölümümüz ile iletişime geçiniz
  • Isıtma gömleği
  • Aşağıdaki malzemeden üretilen sızdırmazlık contaları: PTFE cam takviyeli (PTFE-GF), PTFE karbografit takviyeli (PTFE-CF). Diğer malzeme türleri için satış bölümümüz ile iletişime geçiniz
  • Bilye içindeki basınç dengeleme deliği ile tek yönlü uygulama
  • Paslanmaz çelik kol; paslanmaz çelik sap somun ve yayları
  • Standarttan farklı malzemelerle (gövde/bilye/sap) yapılan uygulamalar için satış bölümümüzle iletişime geçiniz.
  • İSTEĞE GÖRE ATEX markalama ve sertifikası
SERTİFİKALAR
  • Avrupa Direktifi 2014/68/AB PED ile uyumlu;
  • Kaçak Emisyon ISO 15848 (ISO FE BH-C03-SSA 0); 
  • TA-LUFT VDI 2440; 
  • YANGIN GÜVENLİĞİ: ISO 10497 Third ed. 2010 / API 607 Sixth ed. 2010;
  • IEC 61508'e göre SIL 3'e kadar işlevsel güvenlik seviyesi.
  • 2014/34/EU ATEX Avrupa Direktifine uygundur, İSTEĞE GÖRE ATEX sertifikası
TASARIM STANDARTLARI
  • Gövde kalınlıkları aşağıdakilere uygundur: ASME B16.34, ASME VIII böl.1, EN 12516.
  • ANSI vanaları için ASME B16.34 ve PN vanaları için EN 12516‘ya uygun malzemeler ve dereceler

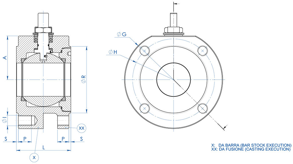
BOYUTLAR   
ÖLÇÜ  
∅E
L
B
C
ACT.ISO
∅M
∅N
F/T
H
Y
KOL KİTİ
DN [mm]
[inç]
DN 15
1/2"
13
36
52
10
F03
36
M5
10/6
71
140
KLV58004
DN 20
3/4"
19
39
55
10
F03
36
M5
10/6
73
140
KLV58004
DN 25
1"
25
43
68
15
F04
42
M5
12/8
87
150
KLV58006
DN 32
1" 1/4
32
51(*) o 54
73
15
F04
42
M5
12/8
91
150
KLV58006
DN 40
1" 1/2
38
63
93
21
F05
50
M6
16/10
108
275
KLV58008
DN 502"
4870(*)10021F0550M616/10108275KLV58008
DN 50
2"
51
83
102
21
F05
50
M6
16/10
118
275
KLV58008
DN 65
2" 1/2
64
107
130,5
28
F07
70
M8
22/14
143
350
KLV58010
DN 80
3"
76
120
137,5
28
F07
70
M8
22/14
150
350
KLV58010
DN 100
4"
95
152
166
35
F10
102
M10
30/18
192
450
KLV58012

 *Bilye içermez

BOYUTLAR   -PN-
ÖLÇÜ
PN
A
∅G
∅R
S
∅H
DELİK SAYISI
∅I
P
L
Kg. (X)
Kg. (XX)
CONTA KİTİ
DN [mm]
[inç]
DN 15
1/2"
PN 16-40
32
90
45
1
65
4
M12
14
36
1,4
-
KGBV480040
DN 20
3/4"
PN 16-40
35
100
58
2
75
4
M12
14
39
1,8
-
KGBV480050
DN 25
1"
PN 16-40
42
110
68
2
85
4
M12
16
43
2,5
-
KGBV480060
DN 32
1" 1/4
PN 16-40
47
130
78
2
100
4
M16
20
51*
4,0
-
KGBV480070
DN 32
1" 1/4
PN 16-40
47
130
78
2
100
4
M16
20
54
4,3
-
KGBV480070
DN 40
1" 1/2
PN 16-40
58
140
88
3
110
4
M16
20
63
5,9
-
KGBV480080
DN 50
2"
PN16
6515010231254M16
20837,5-KGBV48090C
DN 50
2"
PN 16-40
67
150
102
3
125
4
M16
20
83
8,9
6,3
KGBV480090
DN 65
2" 1/2
PN16
83
178
122
3
145
4
M16
20
107
16,2
9,7
KGBV480100
DN 65
2" 1/2
PN 25-40
83
178
122
3
145
8
M16
20
107
16,1
-
KGBV480100
DN80
3"
PN 16-40
90
190
138
3
160
8
M16
20
120
20,0
12,5
KGBV480110
DN 100
4"
PN16
101
220
160
3
180
8
M16
20
152
34,0
20,3
KGBV480120
DN 100
4"
PN 25-40
105
235
162
3
190
8
M20
25
152
39,1
-
KGBV480120

BOYUTLAR   -ANSI-
ÖLÇÜ
ANSI
A
∅G
∅R
S
∅H
DELİK SAYISI
∅I
P
L
Kg. (X)
CONTA KİTİ
DN [mm]
[inç]
DN 15
1/2"
ANSI 150
32
90
45
1
60,5
4
1/2”UNC
14
36
1,4
KGBV480040
DN 15
1/2"
ANSI 300
34
90
45
1
66,5
4
1/2”UNC
14
36
1,4
KGBV480040
DN 20
3/4"
ANSI 150
35
100
52
1,6
69,8
4
1/2”UNC
14
39
1,8
KGBV480050
DN 20
3/4"
ANSI 300
40
110
52
1,6
82,6
4
5/8”UNC
15
39
2,1
KGBV480050
DN 25
1"
ANSI 150
42
110
60
1,6
79,2
4
1/2”UNC
16
43
2,5
KGBV480060
DN 25
1"
ANSI 300
45
118
60
1,6
88,9
4
5/8”UNC
16
43
2,9
KGBV480060
DN 32
1" 1/4
ANSI 150
47
118
72
1,6
88,9
4
1/2”UNC
20
54
3,8
KGBV480070
DN 32
1" 1/4
ANSI 300
47
130
72
1,6
98,6
4
5/8”UNC
20
54
4,3
KGBV480070
DN 40
1" 1/2
ANSI 150
58
127
82
1,6
98,6
4
1/2”UNC
20
63
5,1
KGBV480080
DN 40
1" 1/2
ANSI 300
58
150
82
1,6
114,3
4
3/4”UNC
25
63
7,0
KGBV480080
DN 50
2"
ANSI 150
67
150
102
1,6
120,6
4
5/8”UNC
20
83
9,1
KGBV480090
DN 50
2"
ANSI 300
73
160
102
1,6
127,0
8
5/8”UNC
20
83
10,4
KGBV480090
DN 65
2" 1/2
ANSI 150
83
178
122
1,6
139,7
4
5/8”UNC
20
107
16,4
KGBV480100
DN 65
2" 1/2
ANSI 300
89
190
122
1,6
149,4
8
3/4”UNC
25
107
18,6
KGBV480100
DN 80
3"
ANSI 150
90
190
135
1,6
152,4
4
5/8”UNC
20
120
20,4
KGBV480110
DN 80
3"
ANSI 300
96
205
138
1,6
168,1
8
3/4”UNC
25
120
24,0
KGBV480110
DN 100
4"
ANSI 150
101
220
160
1,6
190,5
8
5/8”UNC
20
152
34,0
KGBV480120
DN 100
4"
ANSI 300
115
250
160
1,6
200,2
8
3/4”UNC
25
152
46,4
KGBV480120

 *Bilye içermez

ÇUBUK MALZEMELER
NO Tanım 316 Paslanmaz Çelik
1Gövde ASTM A 182 F316 / A479TP.316 (x)  (1.4401 / X5CrNiMo 17-12-2) 
2Yüzük  somun
3Bilye  ASTM A351 CF8M (1.4408/Gx5CrNiMo19-12-2) 
4Sap A564 TP.630 (17-4PH) 
5* Yuva  Modified PTFE (.) 
6* Sap alt contası  Modified PTFE (.) 
7* A V takım conta Modified PTFE (.) 
8* Conta gövde yüzük somun Modified PTFE (.) 
9* O-ring sap FKM (.) 
10Packing conta halkası  304 S.S. 
11Somun kilit plakası 304 S.S. 
12Sap somunuGalvanizli karbon çeliği (x) 
13Çanak yay  Galvanizli karbon çeliği(xx) 
14Antistatik chiaz316 S.S. 
15Kilit somunu Galvanizli karbon çeliği (x) 
16Tespit vidası  A2-70 (304 S.S.) 
17Pozisyon tespitiGalvanizli karbon çeliği (x) 
18Kol Fe37 Galvanizli (x) 
* Conta kiti bileşenleri


FÜZYON MALZEMELERİ
NO Tanım 
CF8M Paslanmaz Çelik
1Gövde
ASTM A351 CF8M (1.4408/Gx5CrNiMo19-12-2) 
2Yüzük  somun
3Bilye   ASTM A351 CF8M (1.4408/Gx5CrNiMo19-12-2) 
4SapA564 TP.630 (17-4PH) 
5* Yuva  Modified PTFE (.) 
6* Sap alt contası  Modified PTFE (.) 
7* A V takım conta   Modified PTFE (.) 
8* Conta gövde yüzük somun Modified PTFE (.) 
9* O-ring sap FKM (.) 
10Packing conta halkası  304 S.S. 
11Somun kilit plakası
304 S.S. 
12Sap somunu Galvanizli karbon çeliği (x) 
13Çanak yay  
Galvanizli karbon çeliği (xx) 
14Antistatik chiaz
316 S.S. 
15Kilit somunu
Galvanizli karbon çeliği (x) 
16Tespit vidası    A2-70 (304 S.S.) 
17Pozisyon tespiti Galvanizli karbon çeliği (x) 
18KolFe37 çinko-galvanili (x) 
* Conta kiti bileşenleri

 İsteğe göre şu malzemelerden imal edilebilir:
(x): 304 s.s.
(xx): 301 s.s.
(.): İstek üzerine temin edilebilecek diğer malzemeler:

Gövdesi karbon çeliğinden imal edilmiş olan vanalar için basınç/sıcaklık şemas

Paslanmaz çelik gövdeli vanalar için basınç/sıcaklık şeması

Basınç debisi/düşüşü ve Kv nominal katsayısı

Kv değeri, 1 bar'lık basınç düşüşüne neden olan  m3/sa (15°C'de su ile) cinsinden akış hızıdır.

TFM 1600 YUVALI VE SU KARIŞIMLI AKIŞKAN İÇEREN Nm BAŞLANGIÇ MOMENTLERİ (*)

ÖLÇÜDN 15 DN 20 DN 25 DN 32 DN 40 DN 50 DN 65 DN 80 DN 100 
0 bar 








PN16 bar 8131827376180120215
PN25 bar 9,5152029406795130230
PN40 bar 111721314175110165280
ANSI 150-20 bar 9141928386590128220
ANSI 300-50 bar 121921324280120170290

(*): Yağ alma ve/veya katı partiküllü akışkanların kesintiye uğratılması halinde, çalışma momentleri tabloda gösterilenlere kıyasla artırılabilir.

Nm cinsinden moment değerleri sıcaklığa ve sıvıya bağlı olarak değişebilir. ‘1.4’e eşdeğer  olan bir emniyet faktörünü dikkate alınız. Sık açılma ve kapanma döngülerinde hareket momenti başlangıçtakine nazaran önemli ölçüde azalmaktadır.

Pnömatik aktüatörlerin boyutlandırılması minimum 5,6 barg besleme basıncı dikkate alınarak yapılmıştır.

KOLLU DÖKÜM KILAVUZLU UZANTI

MALZEMELER   
PARÇA NO
TANIMMALZEME
1
Uzantı
AISI304 S.S.
2
Pim
AISI 430 F
3
Burç
DELRIN
4
O-RING  
NBR
5
Kol  
Fe 37 galvanizli (*)
6
Somun  
Galvanizli karbon çeliği (*)
7

Kol tespit parçası

Galvanizli karbon çeliği (*)
8
Kol tespit vidası
A2-70
9
Ara parça
PTFE Karbon Dolgulu


(*): İsteğe göre 304 S.S olabilir.


ÖLÇÜLER
ISO VANA
ØA
ØB
ØM
ØN
F/T
X
Y
F03
36
5,5365,510/638,5141,5
F04
425,542M512/845,5151,5
F05
506,5506,516/1048,5276,5
F07
708,5708,522/1457,5351,5
F10
102111021130/1879,5451,5


NOT: Uzantı kodu akış türüne ve vana bağlantısına bağlıdır; sipariş sırasında talep ediniz.

AKTÜATÖR İÇİN KILAVUZLU UZANTI

 MALZEMELER
PARÇA NO
 TANIM
MALZEME
1
Uzatma
ASTM A351 CF8M
2
Pim
AISI 430 F
3
Burç
DELRIN
4
O-RING
NBR


NOT: Uzantı kodu akış türüne ve vana bağlantısına bağlıdır; sipariş sırasında talep ediniz.

KOLLU DÖKÜM KILAVUZLU UZANTI

MALZEMELER    
PARÇA No
TANIM
MALZEME
1
Uzatma
304 s.s.
2
PimAISI 430 F
3
Burç
DELRIN
4
O-Ring
NBR
5
Kol
Fe 37 galvanizli (*)
6
Somun
galvanizli karbon çeliği  (*)
7
Kol tespit parçası
galvanizli karbon çeliği  (*)
8
Kol tespit vidası
A2-70
9
Kol tespit somunu
A2-70 (**)
10
Ara parça
PTFE Karbon Dolgulu


(*): İsteğe göre 304 S.S olabilir.
(**): İso F04 bağlantılı vanalarda mevcut değildir.

ÖLÇÜLER 
ISO VANA
ØA
ØB
ØM
ØN
F/T
X
Y
F03
36
5,5365,510/638,5141,5
F04
425,542M512/845,5151,5
F05
506,5506,516/1048,5276,5
F07
70970922/1457,5351,5
F10
102111021130/1879,5451,5


NOT: Uzatma kodu akış türüne ve vana bağlantısına bağlıdır; sipariş sırasında talep ediniz.

AKTÜATÖR İÇİN KILAVUZLU UZANTI

MALZEMELER    
PARÇA NO
TANIM
MALZEME
1
Uzatma
304 S.S.
2
Pim
AISI 430 F
3
Burç
DELRIN
4
O-RING  
NBR


NOT: Uzantı kodu akış türüne ve vana bağlantısına bağlıdır; sipariş sırasında talep ediniz.

İLAVE CONTALI UZANTI

 MALZEMELER
PARÇA NO
 TANIM
 MALZEME
1
Uzatma
304 s.s.
2
Pim
AA564 TP.630 (17-4ph)
3
Sürtünme önleyici halka
TFM1600
4
O-Ring
FKM
5
Chevron Yüzük
TFM1600
6
Salmastra somun halkası
304 s.s.
7
Çanak yay
50CrV4 galvanizli
8
Sap somunu
UNI 3740-1 6S galvanizli
9
Somun kilitleme plakası
304 s.s.
10
Sızdırmazlık contası
GRAFOIL


ÖLÇÜLER
ISO VANA
ØA
ØB
ØM
ØN
F/T
CD
F03
36
5,5
36M510/6
2010,2
F04
42
5,5
42M512/8
2615,1
F05
50
6,550M616/10
3521,2
F07
70
8,570M822/14
47,528,4
F10
102
10,5102M1030/18
6135,2

NOT: Uzatma kodu akış türüne ve vana bağlantısına bağlıdır; sipariş sırasında talep ediniz.

KONFİGÜRE SÜRÜCÜ
Arama parametrelerini seçin
MAKALE ARAYIN
X KAPAT

GELECEK ETKİNLİK

IVS - Industrial Valve Summit 2026
IVS - Industrial Valve Summit 2026
Bergamo, Italy, 19 - 21 may 2026