images/testate/Template-Header-Sito-OMALBALLVALVES.jpg

Válvula de bola MAGNUM Wafer PN 16-40 ANSI 150-300 acero inoxidable

Válvula de bola MAGNUM Wafer PN 16-40 ANSI 150-300 acero inoxidable
Categoría MAGNUM
Subcategoría MAGNUM Wafer

Familia MAGNUM Wafer PN 16-40 ANSI 150-300

CONFIGURA Accionamiento
SOLICITA INFORMACIÓN
IMPRIME PÁGINA
DECODIFICACIÓN DEL CÓDIGO
  • ventajas
  • características
  • dimensiones
  • materiales
  • diagramas y pares de aceleración
  • accesorios
  • documentos

1. Dispositivo antiestático (continuidad eléctrica entre la bola, el vástago y el cuerpo)
Se evita cargas electroestáticas que podrían provocar ignición en entornos inflamables y/o explosivos
Seguridad garantizada de contacto durante toda la vida útil de la válvula

2. Doble anillo antifricción
Garantiza un menor par de accionamiento de la válvula
Menor desgaste con respecto a la ejecución un un solo anillo

3. Paquete de juntas en "V" con 3 juntas más la junta tórica
Se garantiza un perfecto sellado incluso tras un número elevado de ciclos

4. Arandelas Belevilles en la junta de retención del vástago
Garantizan la recuperación de los juegos debido al desgaste provocado por el movimiento semirotatorio del eje evitando pérdidas hacia el exterior
Permite mantener energizadas las juntas tipo "chevron" (en V), evitando pérdidas hacia el exterior, ante variaciones térmicas considerables

5. Junta de retención elasticizada en grafito bajo pedido
Garantiza un sellado hacia el exterior independientemente de las variaciones térmicas a las que está sometida la válvula

Mayor precisión en la alineación de los ejes gracias a la fabricación desde el bruto hasta el acabado con un solo posicionamiento
Mayor vida útil de la válvula
Menor par de accionamiento

Cuerpo de la válvula en acero al carbono realizado con material normalizado certificado NACE en ejecución estándar
Garantiza una mayor resistencia a la corrosión
Mayor ductilidad del material

Proceso productivo realizado íntegramente en OMAL
Máximo control en todas las fases de elaboración
Posibilidad de proporcionar rápidamente ejecuciones especiales solicitadas por el cliente

Certificado "Fire Safe"
Garantiza el sellado de la válvula incluso en caso de incendio

Certificado ATEX
Permite la instalación en presencia de entornos potencialmente explosivos

Certificación "TA LUFT fugitive emission"
Garantiza un elevado grado de seguridad del sellado del vástago hacia el exterior

Certificado PED
Cumplimiento total de las normas de seguridad europeas para dispositivos presurizados

Certificado hasta SIL 3
Alto nivel de seguridad funcional

EJECUCIÓN ESTÁNDAR
•Esfera flotante contenida, paso total
•Junta de asiento blando: Modified PTFE
•Normas para bridas de conexión EN 1092-1; ASME B16.5
•Temperaturas de uso ver diagrama de presión temperatura
•Clase de presión: PN16-40; ANSI 150-300
•Clase de junta: EN12266-1 tasa A
•Fluido interceptado: aire, agua, gas, productos petrolíferos y petroquímicos, fluidos agresivos.
•Dispositivo antiestático EN12266-2
•Junta del vástago: paquete a V de serie en Modified PTFE
•Junta adicional en vástago con junta tórica FKM; Vástago antifugas
•Perforación plana para actuador según norma ISO 5211
•Ángulo de cierre >7°

EJECUCIONES BAJO PEDIDO
•Para otros tipos de entramado contactar con nuestro departamento comercial
•Envoltura de calentamiento
•Junta de sellado en: PTFE cargado vidrio (PTFE-GF), PTFE cargado carbografitos (PTFE-CF). Para otros tipos de material contactar con nuestro departamento comercial
•Ejecución monodireccional con orificio de compensación de la presión en la bola
•Palanca inox; tuercas y muelles del vástago inox
•Para ejecuciones con materiales (cuerpo/bola/vástago) diferentes del estándar contactar con nuestro departamento comercial
•Marcado y certificado ATEX BAJO PEDIDO

CERTIFICACIONES
•De acuerdo con la directiva Europea 2014/68/UE PED;
•Emisiones fugitivas ISO 15848 (ISO FE BH-C03-SSA 0);
•TA-LUFT VDI 2440;
•FIRE SAFE: ISO 10497 Third ed. 2010 / API 607 Sixth ed. 2010;
•Nivel de seguridad funcional hasta SIL 3 de acuerdo con IEC 61508
•Cumple con la directiva ATEX 2014/34/UE, certificado ATEX BAJO PEDIDO

NORMAS DE DISEÑO
•Espesores del cuerpo conforme a: ASME B16.34, ASME VIII div.1, EN 12516.
•Materiales y clasificación de acuerdo con ASME B16.34 para válvulas ANSI y EN 12516 para válvulas PN

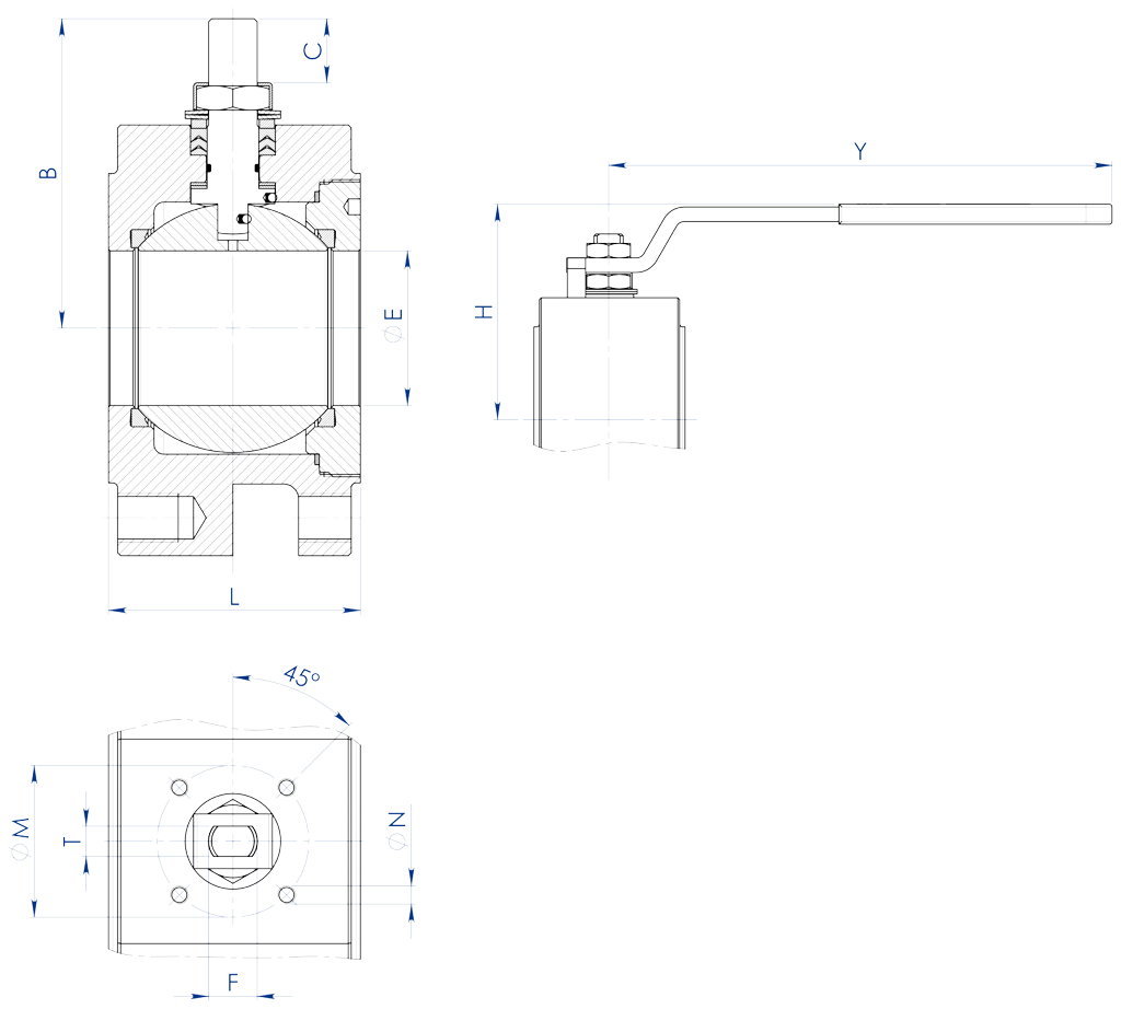
DIMENSIONES   
MEDIDA  
∅E
L
B
C
ACT.ISO
∅M
∅N
F/T
H
Y
KIT PALANCA
DN [mm]
[pulgadas]
DN 15
1/2"
13
36
52
10
F03
36
M5
10/6
71
140
KLV58004
DN 20
3/4"
19
39
55
10
F03
36
M5
10/6
73
140
KLV58004
DN 25
1"
25
43
68
15
F04
42
M5
12/8
87
150
KLV58006
DN 32
1" 1/4
32
51(*) o 54
73
15
F04
42
M5
12/8
91
150
KLV58006
DN 40
1" 1/2
38
63
93
21
F05
50
M6
16/10
108
275
KLV58008
DN 502"
4870(*)10021F0550M616/10108275KLV58008
DN 50
2"
51
83
102
21
F05
50
M6
16/10
118
275
KLV58008
DN 65
2" 1/2
64
107
130,5
28
F07
70
M8
22/14
143
350
KLV58010
DN 80
3"
76
120
137,5
28
F07
70
M8
22/14
150
350
KLV58010
DN 100
4"
95
152
166
35
F10
102
M10
30/18
192
450
KLV58012

*Bola no incluida

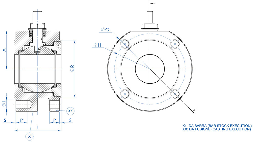
DIMENSIONES   -PN-
MEDIDA
PN
A
∅G
∅R
S
∅H
N° AGUJEROS
∅I
P
L
Kg. (X)
Kg. (XX)
KIT JUNTAS
DN [mm]
[pulgadas]
DN 15
1/2"
PN 16-40
32
90
45
1
65
4
M12
14
36
1,4
-
KGBV480040
DN 20
3/4"
PN 16-40
35
100
58
2
75
4
M12
14
39
1,8
-
KGBV480050
DN 25
1"
PN 16-40
42
110
68
2
85
4
M12
16
43
2,5
-
KGBV480060
DN 32
1" 1/4
PN 16-40
47
130
78
2
100
4
M16
20
51*
4,0
-
KGBV480070
DN 32
1" 1/4
PN 16-40
47
130
78
2
100
4
M16
20
54
4,3
-
KGBV480070
DN 40
1" 1/2
PN 16-40
58
140
88
3
110
4
M16
20
63
5,9
-
KGBV480080
DN 50
2"
PN16
6515010231254M16
20837,5-KGBV48090C
DN 50
2"
PN 16-40
67
150
102
3
125
4
M16
20
83
8,9
6,3
KGBV480090
DN 65
2" 1/2
PN16
83
178
122
3
145
4
M16
20
107
16,2
9,7
KGBV480100
DN 65
2" 1/2
PN 25-40
83
178
122
3
145
8
M16
20
107
16,1
-
KGBV480100
DN80
3"
PN 16-40
90
190
138
3
160
8
M16
20
120
20,0
12,5
KGBV480110
DN 100
4"
PN16
101
220
160
3
180
8
M16
20
152
34,0
20,3
KGBV480120
DN 100
4"
PN 25-40
105
235
162
3
190
8
M20
25
152
39,1
-
KGBV480120

DIMENSIONES   -ANSI-
MEDIDA
ANSI
A
∅G
∅R
S
∅H
N° AGUJEROS
∅I
P
L
Kg. (X)
KIT JUNTAS
DN [mm]
[pulgadas]
DN 15
1/2"
ANSI 150
32
90
45
1
60,5
4
1/2”UNC
14
36
1,4
KGBV480040
DN 15
1/2"
ANSI 300
34
90
45
1
66,5
4
1/2”UNC
14
36
1,4
KGBV480040
DN 20
3/4"
ANSI 150
35
100
52
1,6
69,8
4
1/2”UNC
14
39
1,8
KGBV480050
DN 20
3/4"
ANSI 300
40
110
52
1,6
82,6
4
5/8”UNC
15
39
2,1
KGBV480050
DN 25
1"
ANSI 150
42
110
60
1,6
79,2
4
1/2”UNC
16
43
2,5
KGBV480060
DN 25
1"
ANSI 300
45
118
60
1,6
88,9
4
5/8”UNC
16
43
2,9
KGBV480060
DN 32
1" 1/4
ANSI 150
47
118
72
1,6
88,9
4
1/2”UNC
20
54
3,8
KGBV480070
DN 32
1" 1/4
ANSI 300
47
130
72
1,6
98,6
4
5/8”UNC
20
54
4,3
KGBV480070
DN 40
1" 1/2
ANSI 150
58
127
82
1,6
98,6
4
1/2”UNC
20
63
5,1
KGBV480080
DN 40
1" 1/2
ANSI 300
58
150
82
1,6
114,3
4
3/4”UNC
25
63
7,0
KGBV480080
DN 50
2"
ANSI 150
67
150
102
1,6
120,6
4
5/8”UNC
20
83
9,1
KGBV480090
DN 50
2"
ANSI 300
73
160
102
1,6
127,0
8
5/8”UNC
20
83
10,4
KGBV480090
DN 65
2" 1/2
ANSI 150
83
178
122
1,6
139,7
4
5/8”UNC
20
107
16,4
KGBV480100
DN 65
2" 1/2
ANSI 300
89
190
122
1,6
149,4
8
3/4”UNC
25
107
18,6
KGBV480100
DN 80
3"
ANSI 150
90
190
135
1,6
152,4
4
5/8”UNC
20
120
20,4
KGBV480110
DN 80
3"
ANSI 300
96
205
138
1,6
168,1
8
3/4”UNC
25
120
24,0
KGBV480110
DN 100
4"
ANSI 150
101
220
160
1,6
190,5
8
5/8”UNC
20
152
34,0
KGBV480120
DN 100
4"
ANSI 300
115
250
160
1,6
200,2
8
3/4”UNC
25
152
46,4
KGBV480120

*Bola no incluida

MATERIALES DE BARRA
N° Descripción  Acero inoxidable 316 
1Cuerpo  ASTM A 182 F316 / A479TP.316 (x)  (1.4401 / X5CrNiMo 17-12-2)
2Abrazadera  
3Bola  ASTM A351 CF8M (1.4408/Gx5CrNiMo19-12-2)
4Vástago  A564 TP.630 (17-4PH)
5*Asiento  Modified PTFE (.)
6*Junta inferior vástago  Modified PTFE (.)
7*Paquete a V Modified PTFE (.)
8*Junta cuerpo abrazadera
Modified PTFE (.)
9*Junta tórica del vástago  FKM (.)
10Anillo prensajuntas  304 S.S.
11Placa bloquea tuerca
304 S.S.
12Tuerca para vástago  Acero al carbono galvanizado (x)
13Arandelas Belevilles  Acero al carbono galvanizado (xx)
14Dispositivo antiestático
316 S.S.
15Contratuerca
Acero al carbono galvanizado (x)
16Tornillos de retención  A2-70 (304 S.S.)
17Retención de posición  Acero al carbono galvanizado (x)
18Palanca
Fe37 galvanizado (x)
* Componentes del kit de juntas

MATERIALES DE FUSIÓN
N° Descripción  Acero inoxidable CF8M
1Cuerpo  ASTM A351 CF8M (1.4408/Gx5CrNiMo19-12-2)
2Abrazadera  
3Bola
ASTM A351 CF8M (1.4408/Gx5CrNiMo19-12-2)
4Vástago  A564 TP.630 (17-4PH)
5*Asiento  Modified PTFE (.)
6*Junta inferior vástago  Modified PTFE (.)
7*Paquete a V  Modified PTFE (.)
8*Junta cuerpo abrazadera
Modified PTFE (.)
9*Junta tórica del vástago  FKM (.)
10Anillo prensajuntas  304 S.S.
11Placa bloquea tuerca
304 S.S.
12Tuerca para vástago  Acero al carbono galvanizado (x)
13Arandelas Belevilles  Acero al carbono galvanizado (xx)
14Dispositivo antiestático
316 S.S.
15Contratuerca
Acero al carbono galvanizado (x)
16Tornillos de retención  A2-70 (304 S.S.)
17Retención de posición  Acero al carbono galvanizado (x)
18Palanca
Fe37 galvanizado-galvanized (x)
* Componentes del kit de juntas


Bajo pedido disponible en:
(x): 304 s.s.
(xx): 301 s.s.
(.): Otros materiales disponibles bajo pedido

Diagrama presión/temperatura para válvulas con cuerpo en acero al carbono

Diagrama presión/temperatura para válvulas con cuerpo en acero inoxidable

Capacidad de carga/pérdida de carga y coeficiente nominal Kv

El valor Kv es el valor de la capacidad de carga en m3/h (con agua a 15°C) que provoca una caída de presión de 1 bar.

PARES DE ACELERACIÓN EN Nm CON ASIENTO EN TFM 1600 Y CON FLUIDO INTERCEPTADO AGUA (*)
MEDIDADN 15 DN 20 DN 25 DN 32 DN 40 DN 50 DN 65 DN 80 DN 100 
0 bar 








PN16 bar 8131827376180120215
PN25 bar 9,5152029406795130230
PN40 bar 111721314175110165280
ANSI 150-20 bar 9141928386590128220
ANSI 300-50 bar 121921324280120170290


(*): en caso de que se intercepten fluidos desengrasantes y/o que contienen partículas sólidas los pares de maniobra pueden incrementarse con respecto a lo que se muestra en la tabla.

Los valores del par en Nm pueden variar según la temperatura y el fluido. Tener en cuenta un factor de seguridad igual a 1.4. Con frecuentes ciclos de apertura y cierre, el par de maniobra puede disminuir sensiblemente con respecto al inicial.

El tamaño de los actuadores neumáticos se realizó teniendo en cuenta una presión mínima de alimentación igual a 5,6 barg.

EXTENSIÓN POR FUSIÓN IMPULSADA POR PALANCA

MATERIALES    
PART. N°
DESCRIPCIÓN
MATERIAL
1
Alargadera
AISI304 S.S.
2
Perno
AISI 430 F
3
Brújula
DELRIN
4
Junta tórica
NBR
5
Palanca
Fe 37 galvanizado (*)
6
Tuerca
acero al carbono galvanizado (*)
7
Retención de palanca
acero al carbono galvanizado (*)
8
Tornillos de retención de la palanca
A2-70
9
Separador
PTFE Relleno con Carbono


(*): Bajo pedido están disponibles en 304 S.S.


DIMENSIONES  
VÁLVULA ISO
ØA
ØB
ØM
ØN
F/T
X
Y
F03
36
5,5365,5
10/638,5141,5
F04
425,542M512/845,5151,5
F05
506,5506,516/1048,5276,5
F07
708,5708,522/1457,5351,5
F10
102111021130/1879,5451,5


NOTA: El código de la alargadera depende del tipo de accionamiento y de la conexión de la válvula; solicitar en la fase de pedido.

ALARGADERA GUIADA POR FUSIÓN PARA ACCIONADOR

MATERIALES
PART. N°
DESCRIPCIÓN
MATERIAL
1
Alargadera
ASTM A351 CF8M
2
Perno  
AISI 430 F
3
Brújula
DELRIN
4
Junta tórica
NBR


NOTA: El código de la alargadera depende del tipo de accionamiento y de la conexión de la válvula; solicitar en la fase de pedido

ALARGADERA GUIADA SOLDADA DE PALANCA

MATERIALES    
PART. N°
DESCRIPCIÓN
MATERIAL
1
Alargadera
304 s.s.
2
Perno
AISI 430 F
3
Brújula
DELRIN
4
Junta tórica
NBR
5
Palanca
Fe 37 Galvanizado (*)
6
Tuerca
acero al carbono galvanizado  (*)
7
Retención de palanca
acero al carbono galvanizado  (*)
8
Tornillos de retención de la palanca
A2-70
9
Tuerca de retención de la palanca
A2-70 (**)
10
Separador
PTFE Relleno con Carbono


(* ) : disponibles bajo pedido en 304 S.S.
(**): no presente en válvulas con conexión ISO F04.

DIMENSIONES
VÁLVULA ISO
ØA
ØB
ØM
ØN
F/T
X
Y
F03
36
5,5365,510/638,5141,5
F04
425,542M512/845,5151,5
F05
506,5506,516/1048,5276,5
F07
70970922/1457,5351,5
F10
102111021130/1879,5451,5


NOTA: El código de la alargadera depende del tipo de accionamiento y de la conexión de la válvula; solicitar en la fase de pedido.

ALARGADERA SOLDADA PARA ACCIONADOR

MATERIALES    
PART. N°
DESCRIPCIÓN
MATERIAL
1
Alargadera
304 S.S.
2
PernoAISI 430 F
3
Brújula
DELRIN
4
Junta tórica
NBR


NOTA: El código de la alargadera depende del tipo de accionamiento y de la conexión de la válvula; solicitar en la fase de pedido

ALARGADERA CON SELLADO ADICIONAL

MATERIALES   
PART. N°
DESCRIPCIÓN
MATERIAL
1
Alargadera
304 s.s.
2
Perno
AA564 TP.630 (17-4ph)
3
Anillo Antifricción
TFM1600
4
Junta tórica
FKM
5
Paquete A V
TFM1600
6
Anillo Prensajuntas
304 s.s.
7
Arandelas Belevilles
50CrV4 Galvanizado
8
Tuerca para vástago
UNI 3740-1 6S Cincado
9
Placa Bloquea Tuerca
304 s.s.
10
Junta de sellado
GRAFOIL



DIMENSIONES
VÁLVULA ISO
ØA
ØB
ØM
ØN
F/T
CD
F03
36
5,5
36M510/6
2010,2
F04
42
5,5
42M512/8
2615,1
F05
50
6,550M616/10
3521,2
F07
70
8,570M822/14
47,528,4
F10
102
10,5102M1030/18
6135,2

NOTA: El código de la alargadera depende del tipo de accionamiento y de la conexión de la válvula; solicitar en la fase de pedido.

CONFIGURA CONDUCIR
Selecciona los parámetros de búsqueda
BUSCA ARTÍCULO
X CERRAR

SIGUIENTE EVENTO

IVS - Industrial Valve Summit 2026
IVS - Industrial Valve Summit 2026
Bergamo, Italy, 19 - 21 may 2026