images/testate/Template-Header-Sito-OMALBALLVALVES.jpg

Küresel Vana THOR Split Body PN 63-100 ANSI 600 karbon çelik

Küresel Vana THOR Split Body PN 63-100 ANSI 600 karbon çelik
Kategori THOR
Alt kategori THOR Split Body

Aile THOR Split Body PN 63-100 ANSI 600

KONFİGÜRE İşlem
BİLGİ İSTEYİN
SAYFAYI YAZDIRIN
ÜRÜN KODUNU ÇÖZÜMÜ
  • faydaları
  • özellikleri
  • boyutlar
  • malzemeler
  • şemalar ve başlangıç momentleri
  • aksesuarlar
  • belgeler

1. Antistatik cihaz (bilye, sap ve gövde arasındaki elektriksel devamlılık) 
Yanıcı ve/veya patlayıcı ortamlarda tutuşmaya neden olabilecek elektrostatik şarjlar önlenir.  
Vananın kullanım ömrü boyunca garanti edilen temas güvenliği

2. Çift sürtünme önleyici halka

Daha düşük vana çalışma momenti sağlar  
Tek halkalı uygulama ile karşılaştırıldığında daha az aşınma

3. 3 contalı artı o-ringli "V” packing

Çok sayıdaki devir sonrası bile mükemmel bir sızdırmazlık sağlanır.

4. Sap contası üzerindeki çanak yaylar  
Milin yarım dönme hareketinin neden olduğu aşınma nedeniyle dışa doğru kaçak oluşumunu önleyerek boşlukların telafi edilmesini sağlarlar.  
Büyük çaptaki sıcaklık değişimleri karşısında dışa doğru kaçakları önleyen "chevron" tipi contaları (V-şekilli) enerjik olarak muhafaza olmasını sağlarlar.

5. Elastik grafitli conta

Vananın maruz kaldığı sıcaklık değişiklikleri ne olursa olsun dışarıya sızdırmazlığı garanti eder.

Kabadan bitmiş ürüne kadar tek bir yerleştirme ile işleme sayesinde eksenler hizasında daha fazla hassasiyet

Daha uzun vana ömrü
Daha az çalışma momenti

Doğrudan sistem üzerinde bakım kolaylığı
Bakım sırasında maliyet tasarrufu

Standart uygulamada standardize edilmiş NACE sertifikalı malzemeden üretilen karbon çeliğinden vana gövdesi

Korozyona karşı daha fazla direnç sağlar  
Daha fazla fazla sünekliği

Üretim süreci tamamen OMAL’de gerçekleştirilmiştir

Tüm işlem aşamalarında maksimum kontrol  
Müşterinin talep ettiği özel uygulamaları hızlı bir şekilde tedarik etme imkanı

"Fire Safe" Sertifikası

Yangın durumunda bile vana sızdırmazlığı sağlar

ATEX
Sertifikası
Potansiyel olarak patlayıcı bulunan ortamlarda kuruluma olanak sağlar

"TA LUFT fugitive emission" sertifikası

Sap contasının dışa doğru yüksek derecede emniyetini sağlar

PED
Sertifikası
Basınçlı cihazlar için Avrupa güvenlik standartlarına tam uyum

SIL 3’e kadar Sertifikalı

Yüksek düzeyde işlevsel güvenlik

STANDART UYGULAMA
• Şamandıra bilye içerikli, tam hatve Düşük hatveli versiyonları mevcuttur.
• Conta soft-seat DEVLON
• Bağlantı flanşı standartları ASME B16.5; EN 1092-1,
• Çalışma sıcaklığı bkz. Sıcaklık basınç şeması
• Basınç sınıfı: ANSI 600 / PN63-100
• Sızdırmazlık sınıfı: EN12266-1 derece A
• Tutulan akışkan: petrol ürünleri, kendinden yağlamalı akışkanlar (sıvı ve gaz), yapı malzemeleri ile uyumlu olmaları şartıyla. Kendinden yağlamalı olmayan akışkanlar (su, ...) veya diğer uygulamalar için lütfen satış departmanıyla iletişime geçin.
• Antistatik cihaz EN12266-2
• Sap contası: Modified PTFE olarak V serisi takım conta
• Sap üzerinde ek conta O-ring FKM
• Patlama önleyici sap
• ISO 5211'e göre aktüatör için delme düzlemi
• Kapanma açısı >7°
• Yüzey işleme parlatma

İSTEĞE GÖRE UYGULAMALAR
• Sıcaklık uygulaması LF2 olarak -40°C
• Diğer flanş tipleri için satış bölümümüzle iletişime geçiniz.
• PTFE cam takviyeli  (PTFE-GF) sızdırmazlık contaları, karbografit takviyeli PTFE (PTFE-CF). Diğer malzeme türleri için satış bölümümüzle iletişime geçiniz.
• Bilye içindeki basınç dengeleme deliği ile tek yönlü uygulama
• Paslanmaz çelik kol
• Paslanmaz çelik somun ve yaylar
• Standart dışı malzemelerle (gövde/bilye/sap) yapılan uygulamalar için satış ofisimizle iletişime geçin.
• Yüzey işleme: beyaz çinko kaplama, epoksi boya (diğer işlemler için satış bölümümüzle iletişim geçiniz).
• İSTEĞE GÖRE ATEX Markalama ve sertifikası

SERTİFİKALAR

• Avrupa Direktifi 2014/68/AB PED ile uyumlu; Kaçak Emisyon ISO 15848 (ISO FE BH-C03-SSA 0); TA-LUFT VDI 2440; YANGIN GÜVENLİĞİ: ISO 10497 Third ed. 2010 / API 607 Sixth ed. 2010
• IEC 61508'e göre SIL 3'e kadar fonksiyonel güvenlik seviyesi
• ATEX 2014/34/EU yönergesine uygundur, İSTEĞE GÖRE ATEX Sertifikası

TASARIM STANDARTLARI
• Gövde kalınlıkları aşağıdaki standartlara göre: ASME B16.34, ASME VIII böl.1, EN 12516.
• API 6D İSTEĞE GÖRE
• ANSI vanaları için ASME B16.34 ve PN vanaları için EN 12516‘ya uygun malzemeler ve dereceler

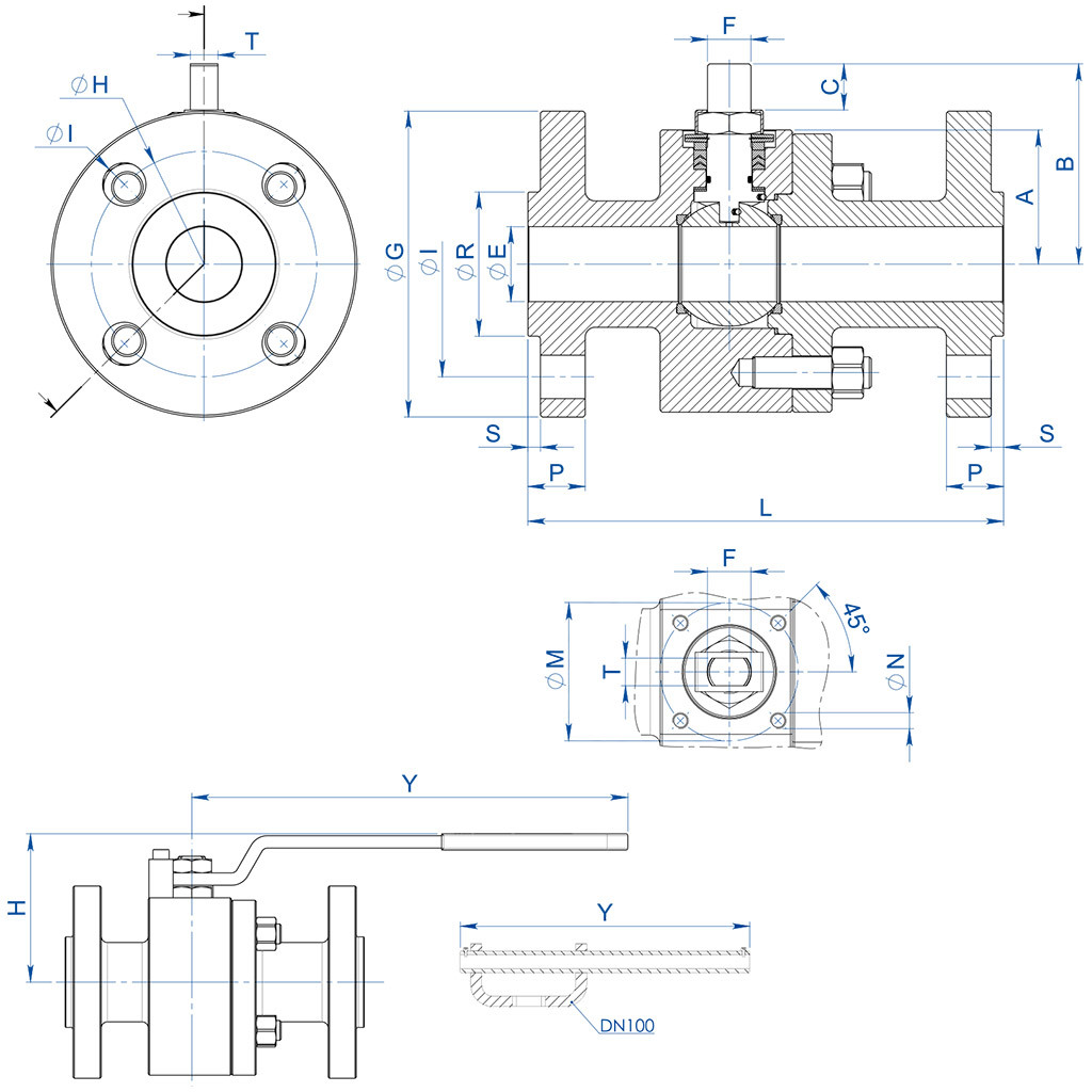
BOYUTLAR   -PN-
ÖLÇÜ
PN
∅E
A
B
C
ATT. ISO
∅M
∅N
F/T
∅G
∅R
S
∅H
DELİK SAYISI
∅I
P
Kg
L
H
Y
KOL KİTİ
CONTA KİTİ
DN [mm]
[inç]
DN15
1/2”
63-100
13
40
54,5
9,6
F04
42
M5
12/8
105
45
2
75
4
14
20
6,3
165
80
150
KLV58006
KGBV472040
DN20
3/4”
63-100
19
45
57,5
9,6
F04
42
M5
12/8
130
58
2
90
4
18
22
7,9
190
83
150
KLV58006
KGBV472050
DN25
1”
63-100
25
50
71,5
14,6
F05
50
M6
16/10
140
68
2
100
4
18
24
11,0
216
95
275
KLV58008
KGBV472060
DN32
1” 1/4
63-100
32
55
76,5
14,6
F05
50
M6
16/10
155
78
2
110
4
22
24
13,7
229
100
275
KLV58008
KGBV472070
DN40
1” 1/2
63-100
38
68
98,5
20,4
F07
70
M8
22/14
170
88
3
125
4
22
26
20,4
241
120
350
KLV58010
KGBV472080
DN50
2”
63
51
74
107,5
20,4
F07
70
M8
22/14
180
102
3
135
4
22
26
25,1
292
129
350
KLV58010
KGBV472090
DN50
2”
100
51
74
107,5
20,4
F07
70
M8
22/14
195
102
3
145
4
26
28
27,3
292
129
350
KLV58010
KGBV472090
DN65
2” 1/2
63
64
94
144
25,1
F10
102
M10
30/18
205
122
3
160
8
22
26
44,0
330
180
450
KLV58012
KGBV472100
DN65
2” 1/2
100
64
94
144
25,1
F10
102
M10
30/18
220
122
3
170
8
26
30
47,0
330
180
450
KLV58012
KGBV472100
DN80
3”
63
76
101,5
151,5
25,1
F10
102
M10
30/18
215
138
3
170
8
22
28
51,9
356
188
450
KLV58012
KGBV472110
DN80
3”
100
76
101,5
151,5
25,1
F10
102
M10
30/18
230
138
3
180
8
26
32
55,3
356
188
450
KLV58012
KGBV472110
DN100
4”
63
102
126
196,5
40,5
F14
140
M16
45/30
250
162
3
200
8
26
30
102
432
233
800
KLV58014
KGBV472120
DN100
4”
100
102
126
196,5
40,5
F14
140
M16
45/30
265
162
3
210
8
30
36
106
432
233
800
KLV58014
KGBV472120

BOYUTLAR  -ANSI-
ÖLÇÜ 
ANSI
∅E
A
B
C
ATT. ISO
∅M
∅N
F/T
∅G
∅R
S
∅H
DELİK SAYISI
∅I
P
Kg
L
H
Y
KOL KİTİ
CONTA KİTİ
DN [mm]
[inç]
DN15
1/2”
600
13
40
54,5
9,6
F04
42
M5
12/8
95
35,16,4
66,5
4
16
21,0
5,5
165
80
150
KLV58006
KGBV472040
DN20
3/4”
600
19
45
57,5
9,6
F04
42
M5
12/8
11842,9
6,4
82,6
4
19
22,6
6,5
190
83
150
KLV58006
KGBV472050
DN25
1”
600
25
50
71,5
14,6
F05
50
M6
16/10
125
50,8
6,4
88,9
4
19
24,4
9,3
216
95
275
KLV58008
KGBV472060
DN32
1” 1/4
600
32
55
76,5
14,6
F05
50
M6
16/10
135
63,5
6,4
98,6
4
19
27,4
12,1
229
100
275
KLV58008
KGBV472070
DN40
1” 1/2
600
38
68
98,5
20,4
F07
70
M8
22/14
155
73
6,4
114,3
4
22
29,1
18,9
241
120
350
KLV58010
KGBV472080
DN50
2”
600
51
74
107,5
20,4
F07
70
M8
22/14
165
91,96,4
127
8
19
32,1
23,9
292
129
350
KLV58010
KGBV472090
DN65
2” 1/2
600
64
94
144
25,1
F10
102
M10
30/18
190
104,6
6,4
149,4
8
22
36,1
44,3
330
180
450
KLV58012
KGBV472100
DN80
3”
600
76
101,5
151,5
25,1
F10
102
M10
30/18
210
127
6,4
168,1
8
22
39,1
54,0
356
188
450
KLV58012
KGBV472110
DN100
4”
600
102
126
196,5
40,5
F14
140
M16
45/30
275
157,2
6,4
215,9
8
25,5
45,1
113
432
233
800
KLV58014
KGBV472120

MALZEMELER
SPLIT BODY PN63-100 ANSI 600   karbon çeliği  
NO
TanımA105 Karbon çeliği 
A350 LF2 Karbon çeliği 
1
GövdeASTM A105
ASTM A350 LF2
2
Terminal
3
BilyeASTM A351 CF8 (*)(**) (1.4308/Gx5CrNi19-10)
4
Sap
A564 TP.630 (17-4PH)
5*
YuvaDEVLON (.)
6*
Conta gövdesi terminalGRAFOIL
7*
Sap alt contasıModified PTFE (.) (2)
8*
A V takım contaModified PTFE (.)
9*
O-ring sap
FKM (.)
10
Packing conta halkasıGalvanizli karbon çeliği  (x) (1)
11
Somun kilit plakası304 S.S.
12
Sap somunuGalvanizli karbon çeliği (x)
13
Çanak yayGalvanizli karbon çeliği (xx)
14
Antistatik cihaz316 S.S.
15
Bağlantı çubuklarıASTM A193-B7
ASTM A320-L7M
16
SomunlarASTM A194-Gr.2H
ASTM A194-Gr.7M
17
Kilit somunuGalvanizli karbon çeliği (x)
18
Tespit vidasıA2-70 (304 S.S.)
19
Pozisyon tespitiGalvanizli karbon çeliği  (x)
20
KolFe37 galvanizli  (x)
* Conta kiti bileşenler

İsteğe göre şu malzemelerden imal edilebilir:
(*): A351 CF8M
(**): ≤DN32 için sadece CF8M olarak mevcuttur.
(x): 304 s.s.
(xx): 301 s.s.
(2): ≤DN32 için sadece DEVLON olarak mevcuttur
(.): DN100 için sadece 304 olarak mevcuttur
(.): İsteğe göre fiğer malzemeler

Gövdesi karbon çeliğinden imal edilmiş olan vanalar için basınç/sıcaklık şemas

Paslanmaz çelik gövdeli vanalar için basınç/sıcaklık şeması

Basınç debisi/düşüşü ve Kv nominal katsayısı

Kv değeri, 1 bar'lık basınç düşüşüne neden olan  m3/sa (15°C'de su ile) cinsinden akış hızıdır.

KOLLU DÖKÜM KILAVUZLU UZANTI

MALZEMELER   
PARÇA NO
TANIMMALZEME
1
Uzantı
AISI304 S.S.
2
Pim
AISI 430 F
3
Burç
DELRIN
4
O-RING  
NBR
5
Kol  
Fe 37 galvanizli (*)
6
Somun  
Galvanizli karbon çeliği (*)
7

Kol tespit parçası

Galvanizli karbon çeliği (*)
8
Kol tespit vidası
A2-70
9
Ara parça
PTFE Karbon Dolgulu


(*): İsteğe göre 304 S.S olabilir.


ÖLÇÜLER
ISO VANA
ØA
ØB
ØM
ØN
F/T
X
Y
F03
36
5,5365,510/638,5141,5
F04
425,542M512/845,5151,5
F05
506,5506,516/1048,5276,5
F07
708,5708,522/1457,5351,5
F10
102111021130/1879,5451,5


NOT: Uzantı kodu akış türüne ve vana bağlantısına bağlıdır; sipariş sırasında talep ediniz.

AKTÜATÖR İÇİN KILAVUZLU UZANTI

 MALZEMELER
PARÇA NO
 TANIM
MALZEME
1
Uzatma
ASTM A351 CF8M
2
Pim
AISI 430 F
3
Burç
DELRIN
4
O-RING
NBR


NOT: Uzantı kodu akış türüne ve vana bağlantısına bağlıdır; sipariş sırasında talep ediniz.

KOLLU DÖKÜM KILAVUZLU UZANTI

MALZEMELER    
PARÇA No
TANIM
MALZEME
1
Uzatma
304 s.s.
2
PimAISI 430 F
3
Burç
DELRIN
4
O-Ring
NBR
5
Kol
Fe 37 galvanizli (*)
6
Somun
galvanizli karbon çeliği  (*)
7
Kol tespit parçası
galvanizli karbon çeliği  (*)
8
Kol tespit vidası
A2-70
9
Kol tespit somunu
A2-70 (**)
10
Ara parça
PTFE Karbon Dolgulu


(*): İsteğe göre 304 S.S olabilir.
(**): İso F04 bağlantılı vanalarda mevcut değildir.

ÖLÇÜLER 
ISO VANA
ØA
ØB
ØM
ØN
F/T
X
Y
F03
36
5,5365,510/638,5141,5
F04
425,542M512/845,5151,5
F05
506,5506,516/1048,5276,5
F07
70970922/1457,5351,5
F10
102111021130/1879,5451,5


NOT: Uzatma kodu akış türüne ve vana bağlantısına bağlıdır; sipariş sırasında talep ediniz.

AKTÜATÖR İÇİN KILAVUZLU UZANTI

MALZEMELER    
PARÇA NO
TANIM
MALZEME
1
Uzatma
304 S.S.
2
Pim
AISI 430 F
3
Burç
DELRIN
4
O-RING  
NBR


NOT: Uzantı kodu akış türüne ve vana bağlantısına bağlıdır; sipariş sırasında talep ediniz.

İLAVE CONTALI UZANTI

 MALZEMELER
PARÇA NO
 TANIM
 MALZEME
1
Uzatma
304 s.s.
2
Pim
AA564 TP.630 (17-4ph)
3
Sürtünme önleyici halka
TFM1600
4
O-Ring
FKM
5
Chevron Yüzük
TFM1600
6
Salmastra somun halkası
304 s.s.
7
Çanak yay
50CrV4 galvanizli
8
Sap somunu
UNI 3740-1 6S galvanizli
9
Somun kilitleme plakası
304 s.s.
10
Sızdırmazlık contası
GRAFOIL


ÖLÇÜLER
ISO VANA
ØA
ØB
ØM
ØN
F/T
CD
F03
36
5,5
36M510/6
2010,2
F04
42
5,5
42M512/8
2615,1
F05
50
6,550M616/10
3521,2
F07
70
8,570M822/14
47,528,4
F10
102
10,5102M1030/18
6135,2

NOT: Uzatma kodu akış türüne ve vana bağlantısına bağlıdır; sipariş sırasında talep ediniz.

KONFİGÜRE SÜRÜCÜ
Arama parametrelerini seçin
MAKALE ARAYIN
X KAPAT

GELECEK ETKİNLİK

IVS - Industrial Valve Summit 2026
IVS - Industrial Valve Summit 2026
Bergamo, Italy, 19 - 21 may 2026