images/testate/Template-Header-Sito-OMALBALLVALVES.jpg

Valvola a sfera THOR Split Body PN 63-100 ANSI 600 acciaio al carbonio

Valvola a sfera THOR Split Body PN 63-100 ANSI 600 acciaio al carbonio
Categoria THOR
Sottocategoria THOR Split Body

Famiglia THOR Split Body PN 63-100 ANSI 600

CONFIGURA Azionamento
RICHIEDI INFORMAZIONI
STAMPA PAGINA
DECODIFICA CODICE
  • benefits
  • caratteristiche
  • dimensioni
  • materiali
  • diagrammi e coppie di spunto
  • accessori
  • documenti

1. Antistatic device (continuità elettrica tra sfera, stelo e corpo)
Si evitano cariche elettrostatiche che potrebbero essere causa d'innesco in ambienti infiammabili e/o esplosivi
Sicurezza garantita del contatto durante tutta la vita della valvola

2. Doppio anello antifrizione
Garantisce una minor coppia di azionamento della valvola
Minor usura rispetto all'esecuzione con singolo anello

3. Pacco guarnizioni a "v" con 3 guarnizioni più o-ring
Si garantisce una perfetta tenuta anche dopo un numero elevato di cicli

4. Molle a tazza sulla tenuta dello stelo
Garantiscono il recupero dei giochi dovuti all'usura causata dal movimento semirotatorio dell'albero evitando perdite vero l'esterno
Consentono di mantenere energizzate le guarnizoini tipo "chevron" (a V), evitando perdite verso l'esterno, a fronte di notevoli escursioni termiche

5. Tenuta elasticizzata in grafite
Garantisce una tenuta verso l'esterno indipendentemente dalle escursioni termiche a cui è sottoposta la valvola

Maggiore precisione nell'allineamento degli assi grazie alla lavorazione dal grezzo al finito con un unico posizionamento
Maggior vita della valvola stessa
Minor coppia di azionamento

Facile manutenibilità direttamente sull'impianto
Contenimento dei costi durante la fase di manutenzione

Corpo valvola in acciaio al carbonio realizzato con materiale normalizzato certificato NACE in esecuzione standard
Garantisce una maggior resistenza alla corrosione
Maggior duttilità del materiale

Processo produttivo interamente eseguito in OMAL
Massimo controllo in tutte le fasi di lavorazione
Possibilità di fornire rapidamente esecuzioni speciali richieste dal cliente

Certificato "Fire Safe"
Garantisce la tenuta della valvola anche in caso di incendio

Certificato ATEX
Ne consente l'installazione in presenza di ambiente potenzialmente esplosivo

Certificazione "TA LUFT fugitive emission"
Garantisce un elevato grado di sicurezza della tenuta stelo verso l'esterno

Certificato PED
Piena conformità alle norme di sicurezza europee per i dispositivi in pressione

Certificato fino a SIL 3
Elevato livello di sicurezza funzionale

ESECUZIONE STANDARD
• Sfera flottante, passaggio totale. Disponibili versioni a passaggio ridotto.
• Tenuta soft-seat DEVLON
• Norme per flange d’attacco ASME B16.5; EN1092-1
• Temperature di utilizzo vedi diagramma pressione temperatura
• Classe di pressione: ANSI 600 / PN63-100
• Classe di tenuta: EN12266-1 rate A
• Fluido intercettato: prodotti petroliferi, fluidi autolubrificanti (liquidi e gassosi), purchè compatibili con i materiali costruttivi. Per fluidi non-autolubrificanti (acqua,…) o altre applicazioni rivolgersi all'ufficio commerciale.
• Antistatic device EN12266-2
• Tenuta stelo: pacco a V di serie in PTFE Modificato
• Tenuta addizionale su stelo con O-ring FKM
• Stelo anti Blow-out
• Foratura piano per attuatore a norma ISO 5211
• Angolo di chiusura >7°
• Trattamento superficiale brunitura

ESECUZIONI A RICHIESTA
• Esecuzione per temperatura -40 C° in LF2
• Per altri tipi di flangiature contattare il nostro ufficio commerciale.
• Guarnizioni di tenuta in:PTFE caricato vetro (PTFE-GF), PTFE caricato carbografite (PTFE-CF). Per altri tipi di materiale contattare il nostro ufficio commerciale
• Esecuzione monodirezionale con foro di compensazione della pressione nella sfera
• Leva inox
• Dadi e molle stelo inox
• Per esecuzioni speciali con materiali (corpo/sfera/stelo) diversi dallo standard contattare il nostro ufficio commerciale
• Trattamento superficiale: zincatura bianca, verniciatura epossidica, (per altri trattamenti contattare il nostro ufficio commerciale).
• Marcatura e certificato ATEX A RICHIESTA

CERTIFICAZIONI
• Conforme alla direttiva Europea 2014/68/UE PED; Fugitive Emission ISO 15848 (ISO FE BH-C03-SSA 0); TA-LUFT VDI 2440; FIRE SAFE: ISO 10497 Third ed. 2010 / API 607 Sixth ed. 2010
• Livello di sicurezza funzionale fino a SIL 3 in accordo a IEC 61508
• Conforme alla direttiva ATEX 2014/34/UE, certificato ATEX A RICHIESTA

NORME DI PROGETTAZIONE
• Spessori corpo in accordo a: ASME B16.34, ASME VIII div.1, EN 12516.
• API 6D A RICHIESTA
• Materiali e rating in accordo ad ASME B16.34 per valvole ANSI ed EN 12516 per valvole PN

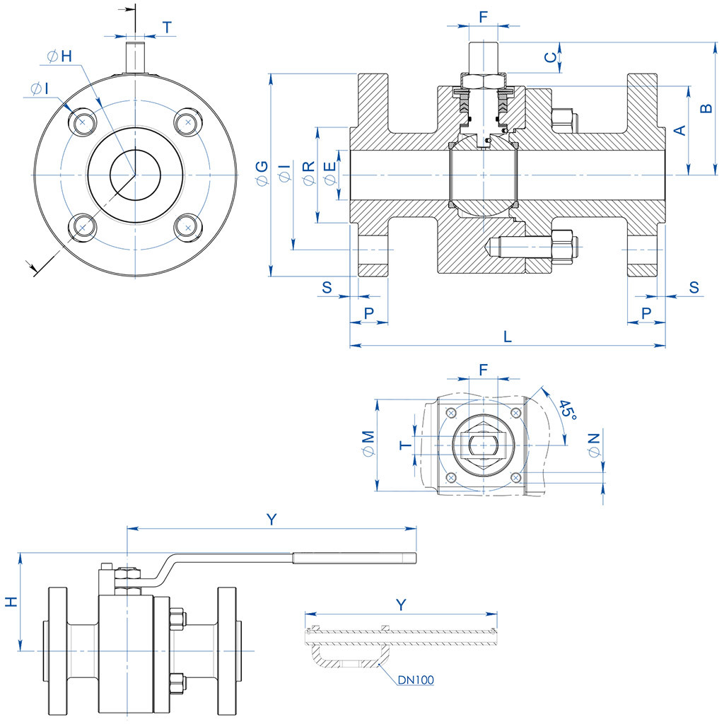
DIMENSIONI   -PN-
MISURA
PN
∅E
A
B
C
ATT. ISO
∅M
∅N
F/T
∅G
∅R
S
∅H
N° FORI

∅I
P
Kg
L
H
Y

KIT LEVA

KIT GUARNIZIONI

DN [mm]
[inch]
DN15
1/2”
63-100
13
40
54,5
9,6
F04
42
M5
12/8
105
45
2
75
4
14
20
6,3
165
80
150
KLV58006
KGBV472040
DN20
3/4”
63-100
19
45
57,5
9,6
F04
42
M5
12/8
130
58
2
90
4
18
22
7,9
190
83
150
KLV58006
KGBV472050
DN25
1”
63-100
25
50
71,5
14,6
F05
50
M6
16/10
140
68
2
100
4
18
24
11,0
216
95
275
KLV58008
KGBV472060
DN32
1” 1/4
63-100
32
55
76,5
14,6
F05
50
M6
16/10
155
78
2
110
4
22
24
13,7
229
100
275
KLV58008
KGBV472070
DN40
1” 1/2
63-100
38
68
98,5
20,4
F07
70
M8
22/14
170
88
3
125
4
22
26
20,4
241
120
350
KLV58010
KGBV472080
DN50
2”
63
51
74
107,5
20,4
F07
70
M8
22/14
180
102
3
135
4
22
26
25,1
292
129
350
KLV58010
KGBV472090
DN50
2”
100
51
74
107,5
20,4
F07
70
M8
22/14
195
102
3
145
4
26
28
27,3
292
129
350
KLV58010
KGBV472090
DN65
2” 1/2
63
64
94
144
25,1
F10
102
M10
30/18
205
122
3
160
8
22
26
44,0
330
180
450
KLV58012
KGBV472100
DN65
2” 1/2
100
64
94
144
25,1
F10
102
M10
30/18
220
122
3
170
8
26
30
47,0
330
180
450
KLV58012
KGBV472100
DN80
3”
63
76
101,5
151,5
25,1
F10
102
M10
30/18
215
138
3
170
8
22
28
51,9
356
188
450
KLV58012
KGBV472110
DN80
3”
100
76
101,5
151,5
25,1
F10
102
M10
30/18
230
138
3
180
8
26
32
55,3
356
188
450
KLV58012
KGBV472110
DN100
4”
63
102
126
196,5
40,5
F14
140
M16
45/30
250
162
3
200
8
26
30
102
432
233
800
KLV58014
KGBV472120
DN100
4”
100
102
126
196,5
40,5
F14
140
M16
45/30
265
162
3
210
8
30
36
106
432
233
800
KLV58014
KGBV472120

DIMENSIONI  -ANSI-
MISURA 
ANSI
∅E
A
B
C
ATT. ISO
∅M
∅N
F/T
∅G
∅R
S
∅H
N° FORI

∅I
P
Kg
L
H
Y

KIT LEVA

KIT GUARNIZIONI

DN [mm]
[inch]
DN15
1/2”
600
13
40
54,5
9,6
F04
42
M5
12/8
95
35,16,4
66,5
4
16
21,0
5,5
165
80
150
KLV58006
KGBV472040
DN20
3/4”
600
19
45
57,5
9,6
F04
42
M5
12/8
11842,9
6,4
82,6
4
19
22,6
6,5
190
83
150
KLV58006
KGBV472050
DN25
1”
600
25
50
71,5
14,6
F05
50
M6
16/10
125
50,8
6,4
88,9
4
19
24,4
9,3
216
95
275
KLV58008
KGBV472060
DN32
1” 1/4
600
32
55
76,5
14,6
F05
50
M6
16/10
135
63,5
6,4
98,6
4
19
27,4
12,1
229
100
275
KLV58008
KGBV472070
DN40
1” 1/2
600
38
68
98,5
20,4
F07
70
M8
22/14
155
73
6,4
114,3
4
22
29,1
18,9
241
120
350
KLV58010
KGBV472080
DN50
2”
600
51
74
107,5
20,4
F07
70
M8
22/14
165
91,96,4
127
8
19
32,1
23,9
292
129
350
KLV58010
KGBV472090
DN65
2” 1/2
600
64
94
144
25,1
F10
102
M10
30/18
190
104,6
6,4
149,4
8
22
36,1
44,3
330
180
450
KLV58012
KGBV472100
DN80
3”
600
76
101,5
151,5
25,1
F10
102
M10
30/18
210
127
6,4
168,1
8
22
39,1
54,0
356
188
450
KLV58012
KGBV472110
DN100
4”
600
102
126
196,5
40,5
F14
140
M16
45/30
275
157,2
6,4
215,9
8
25,5
45,1
113
432
233
800
KLV58014
KGBV472120

MATERIALI  
SPLIT BODY PN63-100 ANSI 600   acciaio carbonio   

Descrizione  
A105 Carbon steel
A350 LF2 Carbon steel
1
Corpo
ASTM A105
ASTM A350 LF2
2
Terminale
3
Sfera
ASTM A351 CF8 (*)(**) (1.4308/Gx5CrNi19-10)
4
Stelo
A564 TP.630 (17-4PH)
5*
Seggio
DEVLON (.)
6*
Guarnizione corpo-terminale  
GRAFOIL
7*
Tenuta inferiore stelo
PTFE Modificato (.) (2)
8*
Pacco a V
PTFE Modificato (.)
9*
O-ring stelo
FKM (.)
10
Anello premiguarnizione  
Acciaio al carbonio zincato  (x) (1)
11
Piastra blocca dado
304 S.S.
12
Dado stelo
Acciaio al carbonio zincato  (x)
13
Molle a tazza
Acciaio al carbonio zincato (xx)
14
Dispositivo antistatico
316 S.S.
15
Tiranti
ASTM A193-B7
ASTM A320-L7M
16
Dadi
ASTM A194-Gr.2H
ASTM A194-Gr.7M
17
Controdado
Acciaio al carbonio zincato (x)
18
Vite di fermo
A2-70 (304 S.S.)
19
Fermo di posizione
Acciaio al carbonio zincato  (x)
20
Leva
Fe37 zincato  (x)
* Componenti del kit di guarnizioni  


A richiesta disponibile in:
(*): A351 CF8M
(**): Per ≤DN32 disponibile solo in CF8M
(x): 304 s.s.
(xx): 301 s.s.
(2): per ≤DN32 disponibile solo in DEVLON
(1): Per DN100 disponibile solo in 304
(.): Altri materiali disponibili a richiesta

Diagramma pressione/temperatura per valvole con corpo in acciaio carbonio

Diagramma pressione/temperatura per valvole con corpo in acciaio inox

Diagramma portata/perdita di carico e coefficiente nominale Kv

Il valore Kv è il valore di portata in m3/h (con acqua a 15°C) che provoca la caduta di pressione di 1 bar.

PROLUNGA GUIDATA DA FUSIONE A LEVA

MATERIALI    
PART. N°
DESCRIZIONE
MATERIALE
1
Prolunga  
AISI304 S.S.
2
Perno
AISI 430 F
3
Bussola
DELRIN
4
O-RING  
NBR
5
Leva  
Fe 37 galvanized (*)
6
Dado  
galvanized carbon steel (*)
7
Fermo leva  
galvanized carbon steel (*)
8
Vite fermo leva  
A2-70
9
Distanziale
PTFE Carbon Filled

(*): A richiesta disponibili in 304 S.S.

DIMENSIONI   
ISO VALVOLA
ØA
ØB
ØM
ØN
F/T
X
Y
F03
36
5,5365,5
10/638,5141,5
F04
425,542M512/845,5151,5
F05
506,5506,516/1048,5276,5
F07
708,5708,522/1457,5351,5
F10
102111021130/1879,5451,5

NOTA: Il codice della prolunga dipende dal tipo di azionamento e dall’attacco valvola; richiedere in fase d’ordine.

PROLUNGA GUIDATA DA FUSIONE PER ATTUATORE

MATERIALI    
PART. N°
DESCRIZIONE
MATERIALE
1
Prolunga
ASTM A351 CF8M
2
Perno  
AISI 430 F
3
Bussola  
DELRIN
4
O-RING  
NBR

NOTA: Il codice della prolunga dipende dal tipo di azionamento e dall’attacco valvola; richiedere in fase d’ordine

PROLUNGA GUIDATA SALDATA A LEVA

MATERIALI    
PART. N°
DESCRIZIONE
MATERIALE
1
Prolunga  
304 s.s.
2
Perno
AISI 430 F
3
Bussola
DELRIN
4
O-Ring
NBR
5
Leva
Fe 37 galvanized (*)
6
Dado
galvanized carbon steel  (*)
7
Fermo leva
galvanized carbon steel  (*)
8
Vite fermo leva
A2-70
9
Dado fermo leva
A2-70 (**)
10
Distanziale
PTFE Carbon Filled


(*): a richiesta disponibili in 304 S.S.

(**): non presente su valvole con attacco iso F04.

DIMENSIONI   
ISO VALVOLA
ØA
ØB
ØM
ØN
F/T
X
Y
F03
36
5,5365,510/638,5141,5
F04
425,542M512/845,5151,5
F05
506,5506,516/1048,5276,5
F07
70970922/1457,5351,5
F10
102111021130/1879,5451,5


NOTA: Il codice della prolunga dipende dal tipo di azionamento e dall’attacco valvola; richiedere in fase d’ordine.

PROLUNGA GUIDATA SALDATA PER ATTUATORE

MATERIALI    
PART. N°
DESCRIZIONE
MATERIALE
1
Prolunga
304 S.S.
2
Perno  
AISI 430 F
3
Bussola  
DELRIN
4
O-RING  
NBR


NOTA: Il codice della prolunga dipende dal tipo di azionamento e dall’attacco valvola; richiedere in fase d’ordine

PROLUNGA CON TENUTA AGGIUNTIVA

MATERIALI    
PART. N°
DESCRIZIONE
MATERIALE
1
Prolunga  
304 s.s.
2
Perno
A564 TP.630 (17-4ph)
3
Anello Antifrizione  
TFM1600
4
O-Ring
FKM
5
Pacco A V  
TFM1600
6
Anello Premiguarnizione  
304 s.s.
7
Molle A Tazza  
50CrV4 Zincato
8
Dado Stelo
UNI 3740-1 6S Zincato
9
Piastra Blocca Dado  
304 s.s.
10
Guarnizione di tenuta
GRAFOIL

DIMENSIONI
ISO VALVOLA
ØA
ØB
ØM
ØN
F/T
CD
F03
36
5,5
36M510/6
2010,2
F04
42
5,5
42M512/8
2615,1
F05
50
6,550M616/10
3521,2
F07
70
8,570M822/14
47,528,4
F10
102
10,5102M1030/18
6135,2

NOTA: Il codice della prolunga dipende dal tipo di azionamento e dall’attacco valvola; richiedere in fase d’ordine.

CONFIGURA AZIONAMENTO
Seleziona i parametri di ricerca
CERCA ARTICOLO
X CHIUDI

PROSSIMO EVENTO

IVS - Industrial Valve Summit 2026
IVS - Industrial Valve Summit 2026
Bergamo, Italia, 19 - 21 maggio 2026