OMAL,<br>EMPOWERED<br>PERFORMANCE
OMAL,
EMPOWERED
PERFORMANCE
阀门和执行器。流体控制的理想解决方案

KPLEM4 气电定位器 4-20mA

成套采购的定位器已搭配 OMAL S.P.A.气动执行器完成校准;若单独订购,则 客户需自行完成校准。OMAL S.P.A.不承担配置责任。

介绍
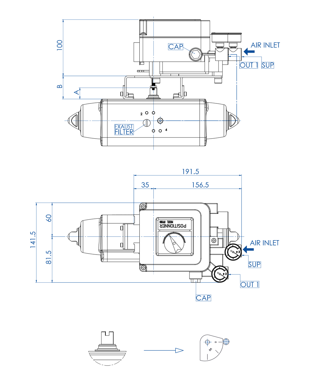
凸轮式气电定位器尤其适用于比例驱动的DAN 和SRN 型执行器。定位器通过 固定在相应孔位的托架来连接执行器。由温度调节器、粘度计、压力调节器 等装置发出的调整电信号将被发送至定位器,后者基于信号数值调整阀门的 开启或闭合角度。翻转内置凸轮或执行器的连接件,即可变更为顺时针或逆 时针运行,无需使用额外组件。

主要特性
- 兼容流体:5μ过滤的未润滑空气
- 输入电流:4~20mA DC
- 2 个压力计:1 个用于显示管路压力(供应),另1 个用于显示控制压 力(OUT1)。
- 输入电阻:235±15Ω(4~20mA DC)
- 气体设施连接:1/4 NPT
- 电力连接:M20 x 1.5
- 线性度:<±2% F.S.
- 敏感度:< 0.5% F.S.
- 耗气量:5Nl/min.(P=1.4bar)至11Nl/min.(P=4bar)
- 工作温度:-20℃~+80℃
- 环境防护等级:IP65(满足IEC Pub.60529)

认证
选配

SMC - IP 8100

备注
气动和气电定位器需选配 使用配备快速接头的涂漆铝管进行调整和装配。

A 调整幅度 = 0°„- 90°„:
• 控制信号 4mA:关闭位置
• 控制信号 20mA:开启位置
D 调整幅度 = 90°„- 0°„:
• 控制信号 4mA:开启位置
• 控制信号 20mA:关闭位置

了解其他信息,请查阅《使用和维护手册》。

配备双效执行器的定位器

配备单效执行器的定位器

尺寸
DAN15÷DAN120
SRN15 ÷ SRN60  
DAN180÷DAN1920
SRN90÷SRN960  
A (mm)2030
B (mm)4151

代码搜索 
X 关闭

下一新闻

IVS - Industrial Valve Summit 2026
IVS - Industrial Valve Summit 2026
Bergamo, Italy, 19 - 21 may 2026