images/testate/1600x499accattuatori.jpg

KPLEM4 Elektropneumatischer Stellungsregler 4-20 mA

DER STELLUNGSREGLER WIRD BEREITS KALIBRIERT VERKAUFT, WENN ER ZUSAMMEN MIT PNEUMATISCHEM STELLANTRIEB VON OMAL S.P.A. GEKAUFT WIRD, WENN EINZELN VERKAUFT, GEHT DIE KALIBRIERUNG ZU LASTEN DES KUNDEN. OMAL S.P.A. IST NICHT FÜR DAS SET-UP VERANTWORTLICH.

BESCHREIBUNG
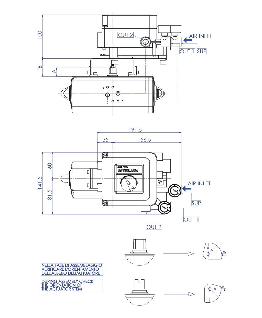
Der elektropneumatische Nocken-Stellungsregler eignet sich besonders für die proportionale Ansteuerung von DAN- und SRN-Stellantrieben. Der Stellungsregler ist mit dem Stellantrieb über einen Bügel verbunden, der in die Stellantriebsbohrung eingerastet wird. Ein elektrisches Regelsignal, gegeben von: Thermostat, Viskosimeter, Druckschalter usw. wird an den Stellungsregler gesendet, der basierend auf dem Wert dieses Signals den Öffnungs- oder Schließwinkel des Ventils einstellt. Der Rechts- oder Linkslauf kann ohne zusätzliche Teile geändert werden, einfach den internen Nocken umdrehen und die Anschlüsse zum Stellantrieb umkehren.

HAUPTMERKMALE
- Versorgung: nicht geölte und auf 5μ gefilterte Luft
- Eingangsstrom: 4 bis 20 mA Gleichstrom
- 2 Manometer: 1 für Leitungsdruck (SUPPLY), 1 für Steuerdruck (OUT1).
- Eingangswiderstand: 235 ± 15 Ohm (4 bis 20 mA Gleichstrom)
- Pneumatische Anschlüsse 1/4" NPT
- Elektrische Anschlüsse: M20 x 1,5
- Linearität: < ± 2 % F.S.
- Empfindlichkeit: < 0,5 % F.S.
- Luftverbrauch: ab 5 Nl/min. (P = 1,4 bar) bei 11 Nl/min. (P = 4 bar)
- Betriebstemperatur: von - 20 bis + 80 °C
- Schutzart: IP65 (gemäß IEC Pub. 60529)

ZERTIFIZIERUNGEN
Auf Anfrage

SMC - IP 8100

ANMERKUNGEN
Pneumatische und elektro-pneumatische Stellungsregler werden auf Anfrage geliefert, justiert und montiert unter Verwendung von beschichteten Aluminiumrohren und Schnellkupplungen.

Einstellung A = 0 - 90°:
- Steuersignal 4 mA: geschlossene Stellung
- Steuersignal 20 mA: offene Stellung
Einstellung D = 90 - 0°:
- 4 mA Steuersignal: offene Stellung
- 20 mA Steuersignal: geschlossene Stellung

Weitere Angaben finden Sie in der Gebrauchs- und Wartungsanleitung.

Bi-direktionaler Stellungsregler

Uni-direktionaler Stellungsregler

AbmessungDAN15÷DAN120
SRN15 ÷ SRN60  
DAN180÷DAN1920
SRN90÷SRN960  
A (mm)2030
B (mm)4151

ARTIKELNUMMER SUCHEN 
SCHLIESSEN

NÄCHSTES EVENT

IVS - Industrial Valve Summit 2026
IVS - Industrial Valve Summit 2026
Bergamo, Italy, 19 - 21 may 2026