images/testate/1600x499accattuatori.jpg

KPLEM4 Posizionatore elettropneumatico 4-20mA

IL POSIZIONATORE È VENDUTO GIÀ TARATO SE ACQUISTATO IN UN ASSIEME CON ATTUATORE PNEUMATICO DI OMAL S.P.A.; INVECE SE VENDUTO SINGOLARMENTE, LA RESPONSABILITÀ DELLA TARATURA È A CARICO DEL CLIENTE. OMAL S.P.A. NON SI RITIENE RESPONSABILE DEL SET-UP.

DESCRIZIONE
Il posizionatore elettropneumatico a camma è particolarmente adatto per l’azionamento proporzionale di attuatori sia DAN che SRN. Il posizionatore è collegato all’attuatore tramite una staffa che viene bloccata sulla foratura dell’attuatore. Un segnale regolante elettrico, dato da: termostato, viscosimetro, pressostato, ecc. viene inviato al posizionatore che in base al valore di tale segnale regola l’angolo di apertura o di chiusura della valvola. L’azione oraria o antioraria può essere modificata senza utilizzare parti addizionali, basta rovesciare la camma interna e invertire i collegamenti verso l’attuatore.

CARATTERISTICHE PRINCIPALI
- Alimentazione: aria non lubrificata e filtrata a 5μ
- Corrente in ingresso: 4÷20 mA DC
- 2 manometri: 1 per pressione di linea (SUPPLY), 1 per pressione di comando (OUT1).
- Resistenza di entrata: 235 ± 15 Ohm (4÷20 mA DC)
- Connessioni pneumatiche: 1/4 NPT
- Connessioni elettriche: M20 x 1,5
- Linearità: < ±2% F.S.
- Sensibilità: < 0,5% F.S.
- Consumo d’aria: da 5 Nl/min. (P=1,4 bar) a 11 Nl/min. (P=4 bar)
- Temperatura di esercizio: da -20°C a +80°C
- Grado di protezione ambientale: IP65 (conforme a IEC Pub.60529)

CERTIFICAZIONI
A richiesta

SMC - IP 8100

NOTE
I posizionatori pneumatici ed elettropneumatici vengono forniti a richiesta regolati e montati utilizzando tubi in alluminio rivestito e raccordi rapidi.

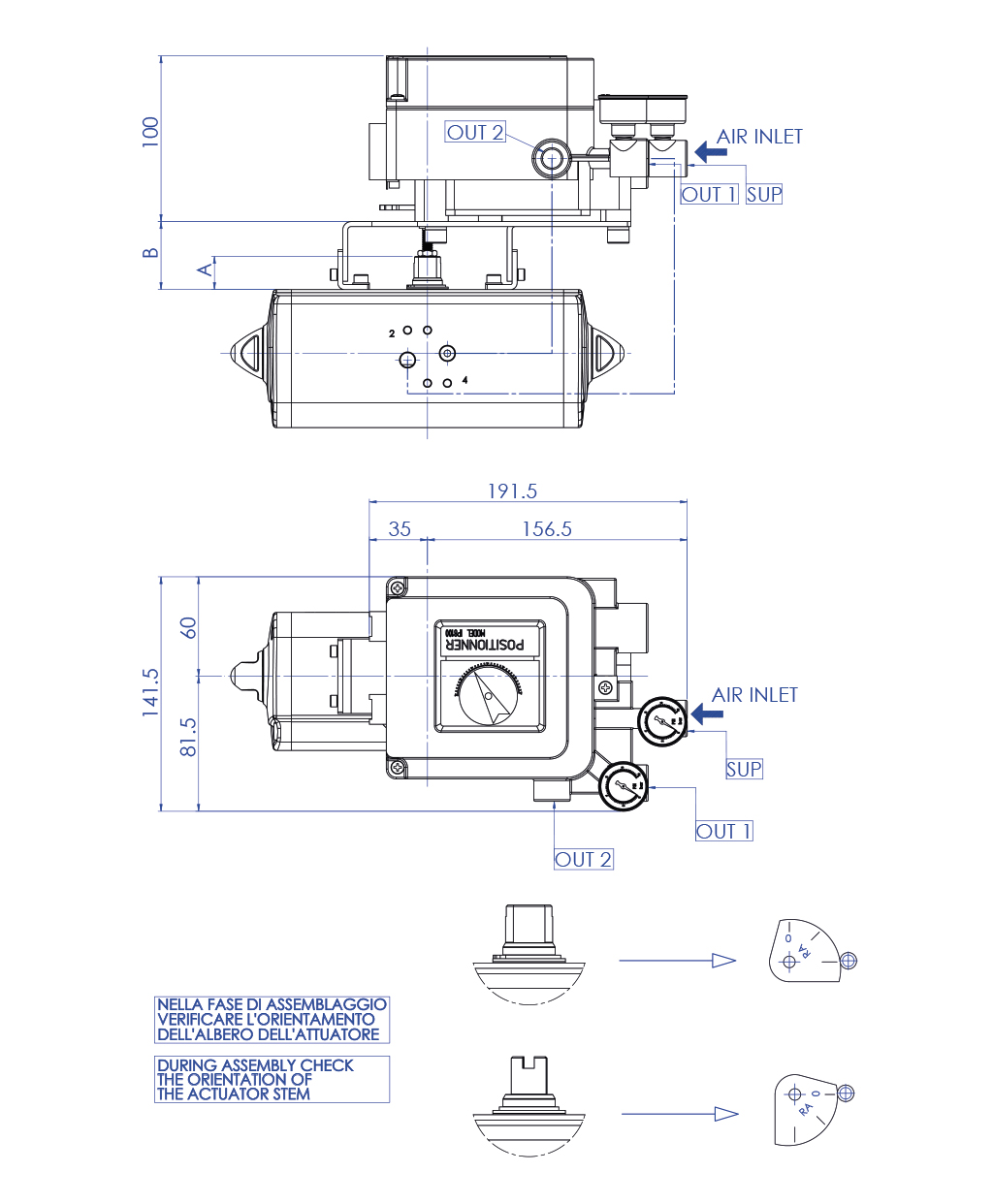
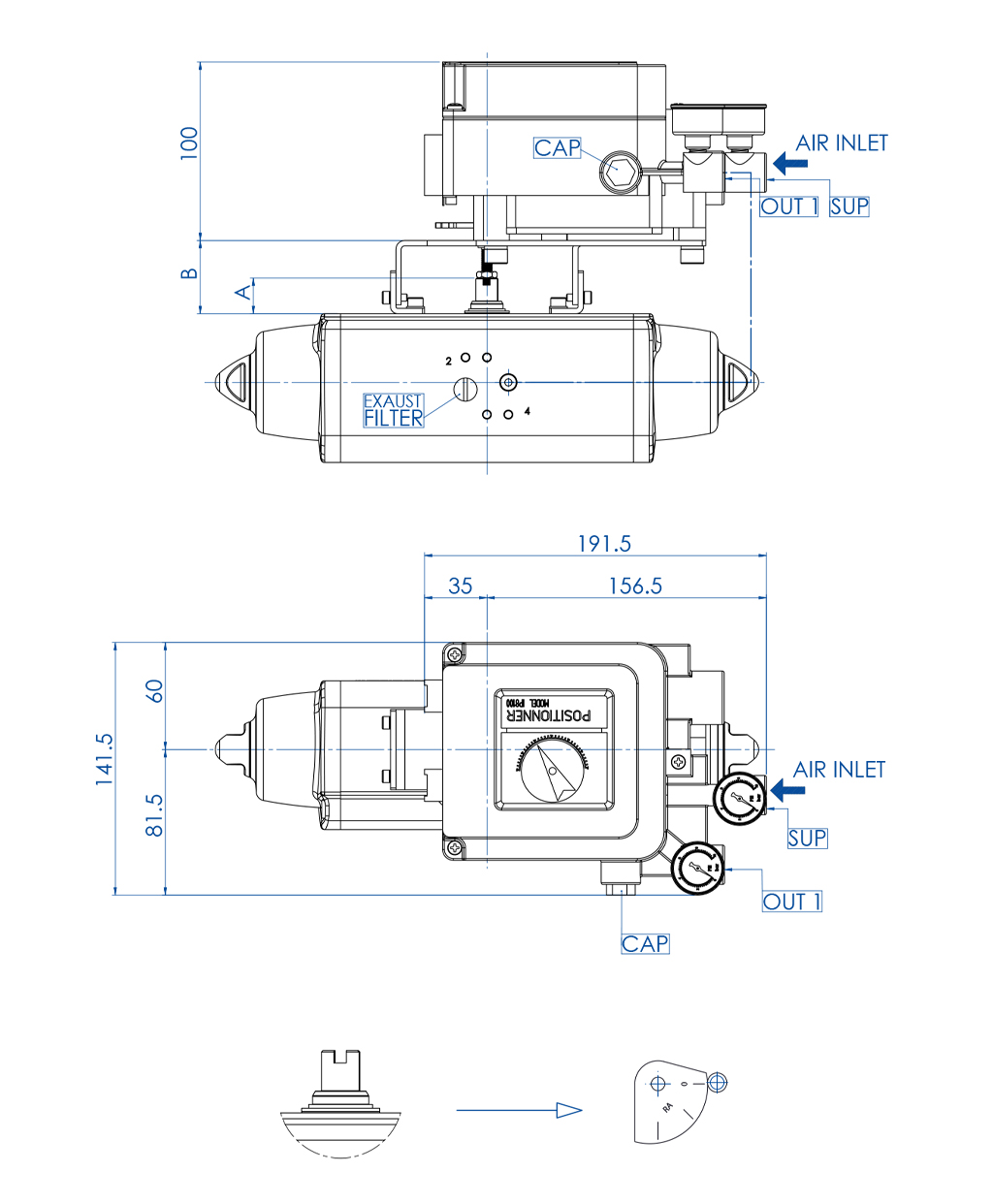
Regolazione A = 0° - 90°:
- Segnale di comando 4mA: posizione chiuso
- Segnale di comando 20mA: posizione aperto
Regolazione D = 90° - 0°:
- Segnale di comando 4mA: posizione aperto
- Segnale di comando 20mA: posizione chiuso

Per altre informazioni vedere il manuale d’uso e manutenzione.

Posizionatore con attuatore Doppio Effetto

Posizionatore con attuatore Semplice Effetto

MisuraDAN15÷DAN120
SRN15 ÷ SRN60  
DAN180÷DAN1920
SRN90÷SRN960  
A (mm)2030
B (mm)4151

CERCA IL CODICE 
X CHIUDI

PROSSIMO EVENTO

IVS - Industrial Valve Summit 2026
IVS - Industrial Valve Summit 2026
Bergamo, Italia, 19 - 21 maggio 2026