images/testate/1600x499accattuatori.jpg

KPLEM4 elektropnömati̇k konumlandirici 4-20mA

KONUMLANDIRICI, OMAL S.P.A. PNÖMATİK AKTÜATÖR İLE MONTAJLI OLARAK SATIN ALINDIĞINDA ZATEN KALİBRE EDİLMİŞTİR; ANCAK TEK OLARAK SATIN ALINDIĞINDA KALİBRE ETME SORUMLULUĞU MÜŞTERİYE AİTTİR. OMAL S.P.A. KURULUMDAN SORUMLU DEĞİLDİR.

AÇIKLAMA
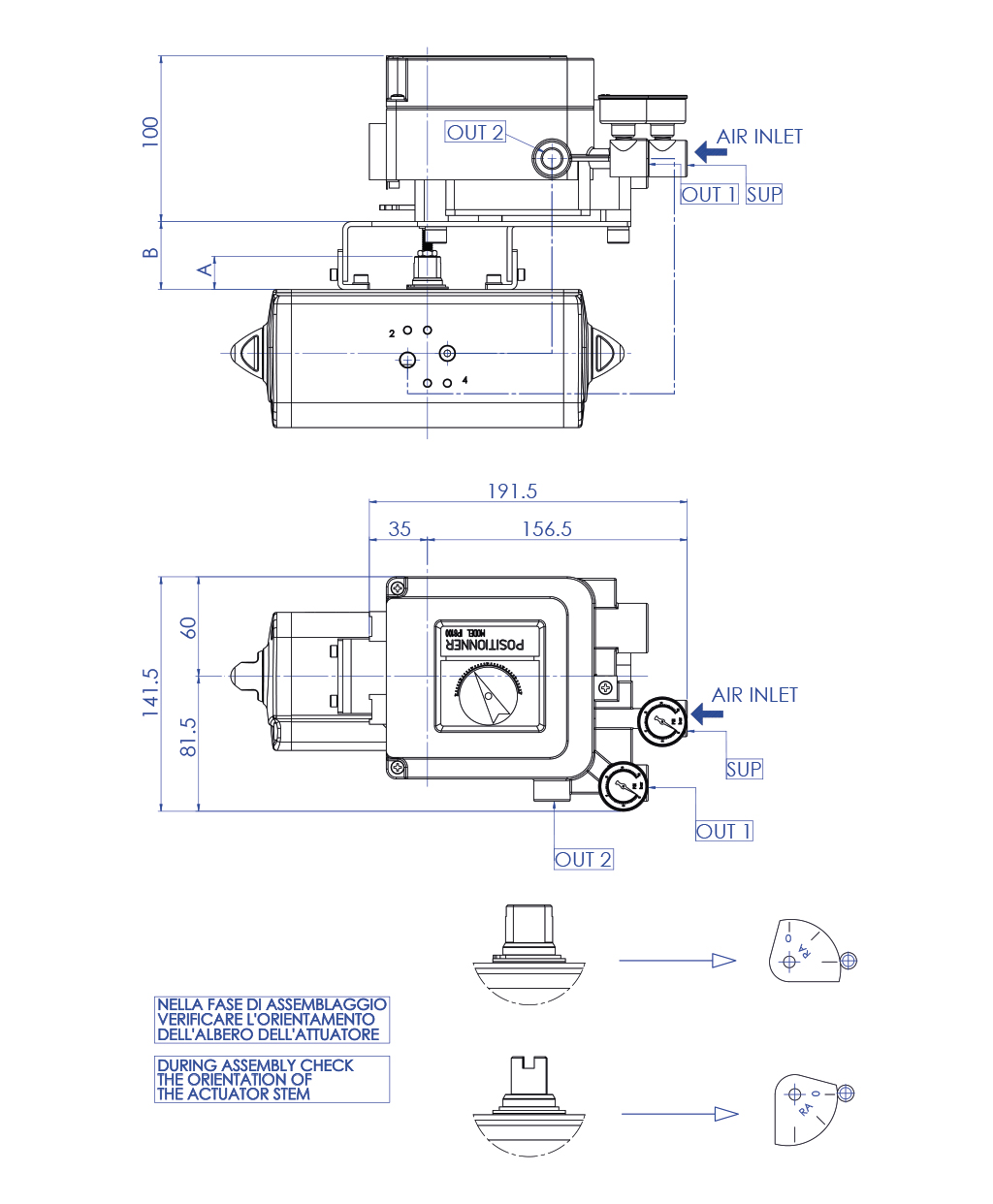
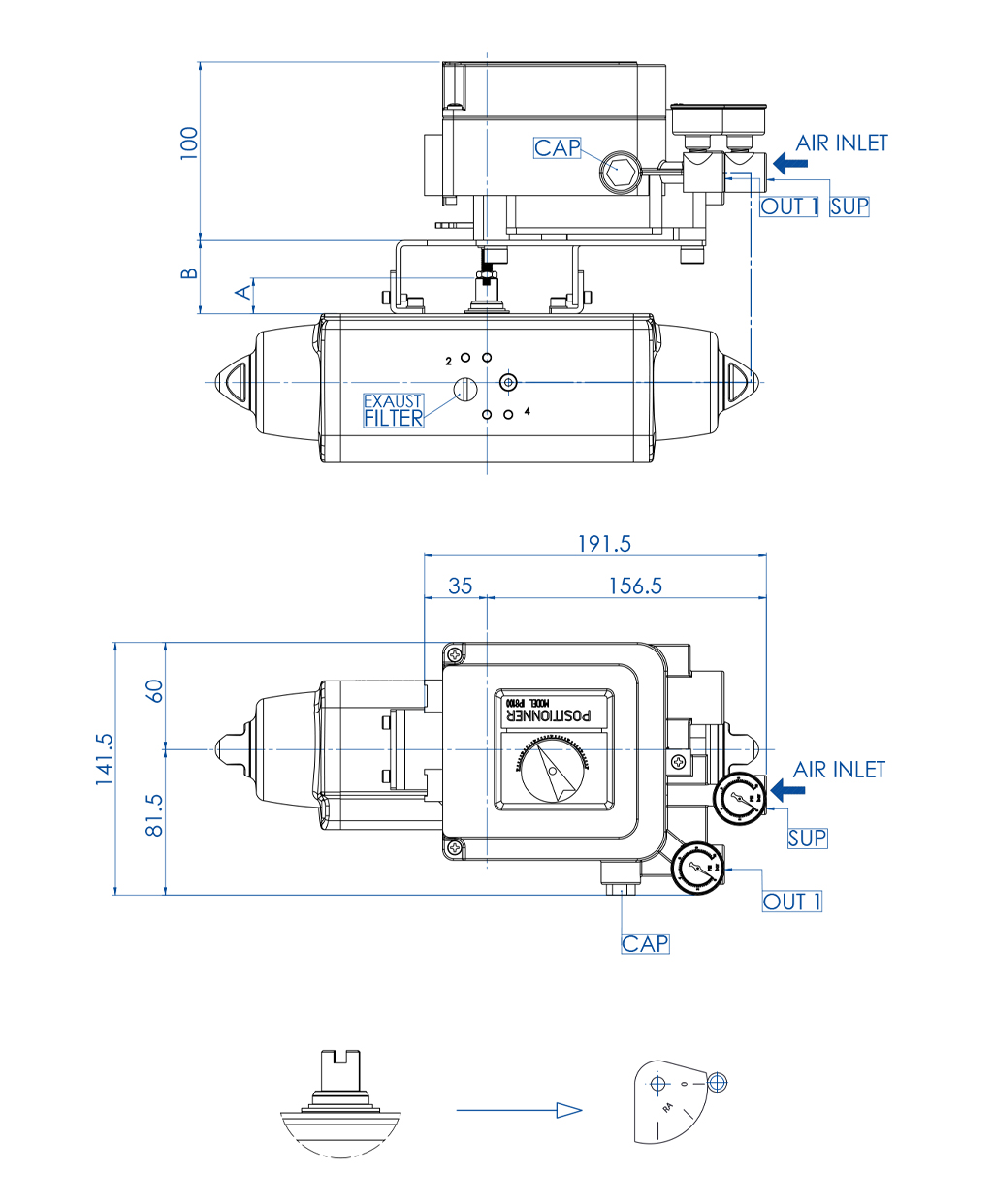
Elektro-pnömatik kam konumlandırıcı, hem DAN hem de SRN aktüatörlerinin orantılı olarak çalıştırılması için özellikle uygundur. Konumlandırıcı, aktüatör deliğine kilitlenen bir braket aracılığıyla aktüatöre bağlanır. Termostat, viskozimetre, basınç anahtarı vb. ile verilen bir elektrik ayar sinyali. bu sinyalin değerine göre vananın açılma veya kapanma açısını ayarlayan konumlandırıcıya gönderilir. Saat yönünde veya saat yönünün tersine hareket, ilave parça kullanılmadan değiştirilebilir, sadece dâhili kamı ters çevirin ve bağlantıları aktüatöre doğru çevirin.

TEMEL ÖZELLİKLER
- Güç: yağlanmamış hava ve 5μ'de filtrelenmiş
- Giriş Akımı: 4÷20 mA DC
- 2 manometre: 1 hat basıncı (KAYNAK), 1 kontrol basıncı (OUT1) için.
- Giriş direnci: 235 ± 15 Ohm (4÷20 mA DC)
- Pnömatik bağlantılar: 1/4 NPT
- Elektrik bağlantıları: M20 x 1,5
- Doğrusallık: < %±2 F.S.
- Duyarlılık: < %0,5 F.S.
- Hava tüketimi: 5 Nl / dak. ile (P = 1.4 bar) 11 Nl/dk’ arası (P=4 bar)
- Çalışma sıcaklığı: -20°C ile +80°C arası
- Ortam koruma derecesi: IP65 (IEC Yayını 60529'a uygun)

SERTİFİKALAR
İsteğe göre:

SMC - IP 8100

NOT
Pnömatik ve elektro-pnömatik konumlandırıcılar istek üzerine sağlanır Kaplamalı alüminyum borular ve hızlı kaplinler kullanılarak ayarlanmış ve monte edilmiştir.

Ayar A = 0 ° - 90 °:
- 4mA kontrol sinyali: kapalı konum
- 20mA kontrol sinyali: açık konum
Ayar D = 90° - 0°:
- 4mA kontrol sinyali: açık konum
- 20mA kontrol sinyali: kapalı konum

Daha fazla bilgi için kullanım ve bakım kılavuzuna bakınız.

Çift etkili pnömatik aktüatörlü konumlandırıcı

Tek etkili pnömatik aktüatörlü konumlandırıcı

ÖLÇÜ
DAN15÷DAN120
SRN15 ÷ SRN60  
DAN180÷DAN1920
SRN90÷SRN960  
A (mm)2030
B (mm)4151

ARAMA KODU 
X KAPAT

GELECEK ETKİNLİK

IVS - Industrial Valve Summit 2026
IVS - Industrial Valve Summit 2026
Bergamo, Italy, 19 - 21 may 2026