images/testate/1600x499accattuatori.jpg

KPLEM4 Electropneumatic positioner 4-20mA

WHEN THE POSITIONER IS PURCHASED MOUNTED ON OMAL S.P.A. PNEUMATIC ACTUATOR, YOU WILL RECEIVE IT ALREADY CALIBRATED; OTHERWISE THE SETTING IS UP TO THE CUSTOMER. OMAL S.P.A. WILL NOT BE RESPONSIBLE FOR IT.

DESCRIPTION
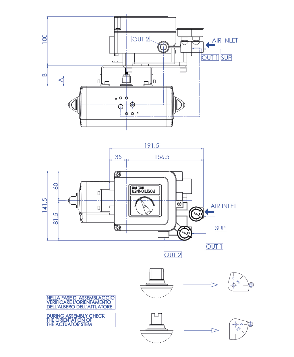
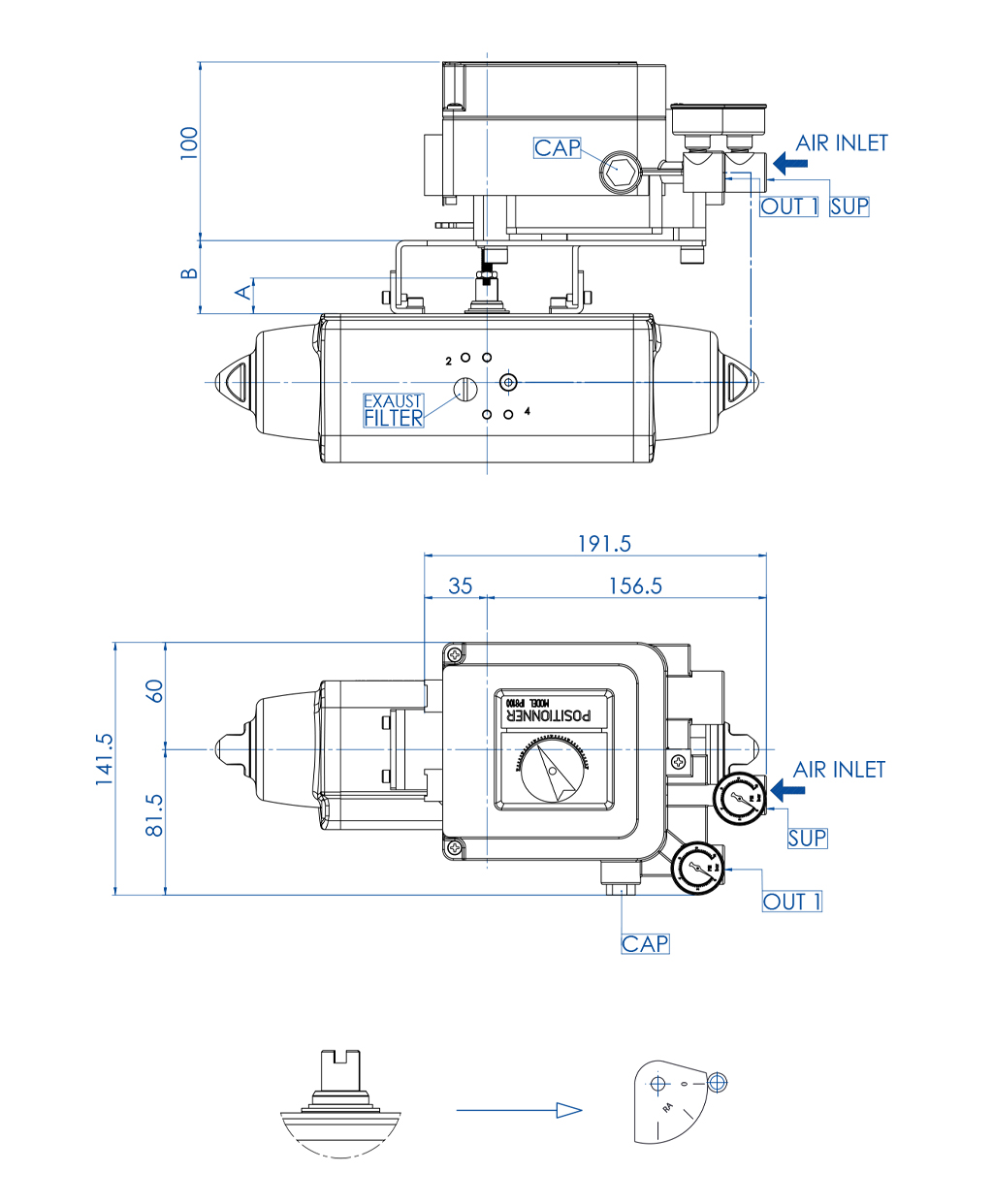
Cam electro-pneumatic positioner is particularly suitable for proportional working of both DAN and SRN actuators.The positioner is connected to the actuator by means of a mounting kit fixed to the actuator. A regulating electric signal, given by a thermostat, viscometer, pressure gauge, etc. ..., is sent to the positioner which, according to this signal, regulates the valve opening and closing angles.Clockwise and anticlockwise actions can be changed without using additional components, but simply turning the cam over and reverting the actuator connections.

TECHNICAL FEATURES
- Supply: dry instrument air 5μ
- Electric input signal: 4÷20 mA
- 2 manometers: 1 for air supply, 1 control signal.
- Input resistance: 235 ± 15 Ohm (4÷20 mA cc)
- Pneumatic connections: 1/4” NPT
- Eletrical connections: M20 x 1,5
- Linearity: < ±2%
- Sensitivity: < 0,5% of the range
- Air consumption: from 5 Nl/min. (P=1,4 bar) to 11 Nl/min. (P=4 bar)
- Working temperature: from -20°C to +80°C
- Protection: IP65 (according to IEC Pub.60529)

CERTIFICATIONS
On request

SMC - IP 8100

NOTES
Pneumatic and electro-pneumatic positioners are supplied up on request adjusted and are mounted using covered aluminium pipes and rapid connectors.

Adjustment A = 0° - 90°:
• 4mA control signal: closed position
• 20mA control signal: opened position.
Adjustment D = 90° - 0°:
• 4mA control signal: opened position
• 20mA control signal: closed position.

For any other information, see the use and maintenance manual.

Positioner with Double Acting actuator

Positioner with Spring Return actuator

SizeDAN15÷DAN120
SRN15 ÷ SRN60  
DAN180÷DAN1920
SRN90÷SRN960  
A (mm)2030
B (mm)4151

SEARCH CODE 
X CLOSE

NEXT EVENT

IVS - Industrial Valve Summit 2026
IVS - Industrial Valve Summit 2026
Bergamo, Italy, 19 - 21 may 2026