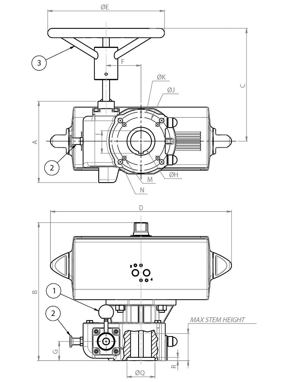
安全区 信号盒 外置限位器和位置指示器 定位器 电磁阀和线圈 流量调节器 手轮式手动减速器 渐缩管和消声器滤芯 ATEX 区域 信号盒 外置限位器和位置指示器 定位器 电磁阀和线圈 下载 总目录 下载 执行器附件目录 解码MAGNUM & THOR 配置您的产品 下载不同格式的2D和3D文件 下载 下载销售条款 宏 执行器附件 小类 安全区 子类 手轮式手动减速器 代码搜索 申请详细信息 下载目录 可断开手轮铸造减速器 主要特性- 检测到故障或缺少流体供应(压缩空气)时,本型操作装置专用于紧急操纵1/4 圈气动执行器控制的阀门。操作装置安装在阀门和气动执行器之间。操作装置断开时,执行器可以直接控制阀门。操作装置接入时,可以紧急操纵执行器和阀门的固定销。 此外,当气动执行器因更换或维修而被拆除时,操作装置还可以手动形式操纵阀门。- 防护等级IP67- 工作温度:-45℃~150℃ 材质- 本体:铸件†JS1030- 带齿旋转:球墨铸件†JS1030- 无止螺栓:钢 C45/AISI 1045- 主轴:钢- 手轮:涂漆钢 减速器最大输出扭矩RAD02DE0DE003403350 NmRAD03EF0EF004512750 NmRAD04EF0FGH065222000 NmRAD05G00GH0080233500 NmRAD06HL0HL0095215000 NmRAD07HL0HL0095228500 Nm 双效执行器上的手轮减速器 单效执行器上的手轮减速器 断开向外拉动把手(2) 同时向下( 逆时针) 旋转连杆(1),而后释放把手(2)并确保其返回至初始位置(发出咔嗒声),此时,连杆(1)无法被旋转,减速器即断开且手轮(3)空转。 接入接入时需遵照上文所述步骤,但需要将连杆(1)由下至上旋转(顺时针);此时减速器即已接入,通过手轮(3)即可手动操作。 围度表格减速器 RAD02DE0DE003403RAD02DE0DE003403RAD02DE0DE003403RAD02DE0DE003403RAD02DE0DE003403RAD02DE0DE003403RAD03EF0EF004512RAD04EF0FGH06522RAD05G00GH008023RAD05G00GH008023RAD05G00GH008023RAD06HL0HL009521RAD06HL0HL009521RAD07HL0HL009522RAD07HL0HL009522执行器套件 DA-减速器KCF056402KCF076405KCF076405KCF106406KCF106406KCF106406KCF126408KCF126409KCF146412KCF146412KCF166413KCF166414KCF166414KCF256416KCF256416执行器套件 SR-减速器KCF166414执行器DAN0060412SDAN0106411SDAN0120411SDAN0180411SDAN0240411SDAN0360411SDAN0480411SDAN0720411SDAN0960412SDAN1440411SDAN1920411SDA2880E16D0ADA3840E1600ADA5760E25D0ADA8000E25D0A执行器--SRN0060401SSRN0090401SSRN0120401SSRN0180401SSRN0240401SSRN0360401SSRN0480402SSRN0720401SSRN0960401SSR1440E16D8ASR1920E1608ASR2880E16D8ASR4000E25D8AA mm.154154154154154154174229268268268416416416416B mm.216229232263266273295338382400422556511571571C mm.205205205205205205242309356356356451451471471D mm.1982372442903143403884334795676016677288851044D1 mm.--338394410474520613648798828834100112011370ØE mm.200200200200200200250500600600600400400500500F mm.5858585858587592134134134148148148148G mm.343434343434414654545466666666ØH mm.343434343434456580808095959595I mm.36,436,436,436,436,436,448,369,484,884,884,8100,3100,3100,3100,3ØJ mm.707070707070102102140140140165165165165ØK mm.102102102102102102125140---254254254254M mm.M8M8M8M8M8M8M10M10M16M16M16M20M20M20M20N mm.M10M10M10M10M10M10M12M16---M16M16M16M16F/F ISO 5211 F07/F10F07/F10F07/F10F07/F10F07/F10F07/F10F10/F12F10/F14F14F14F14F16/F25F16/F25F16/F25F16/F25ØQ mm.4545454545456085110110110125125125125R mm.555555557776666MAX STEM HEIGHT mm.48484848484853,55878787891919191Weight (DA) Kg.9101012131427,531,541,547,556120,5114153173Weight (SR) Kg.--1113,51416,529,53646,55766139132184,5251确定气动执行器的尺寸时考虑的最低供应压力为5.6 Barg。若压力与标准相异,请联络销售办事处。 代码搜索