images/testate/1600x499accattuatori.jpg

Reducteur debrayable en fonte avec volant

RÉDUCTEUR DÉBRAYABLE EN FONTE AVEC VOLANT POUR ACTIONNEURS DAN60 – DA8000 / SRN60 - SR4000

CARACTÉRISTIQUES PRINCIPALES
- Ce réducteur a été conçu pour effectuer une manoeuvre d’urgence sur les vannes commandées par un actionneur pneumatique rotatif 1/4 de tour, en cas de panne ou de perte d'alimentation (air comprimé). Le réducteur est monté entre la vanne et l'actionneur pneumatique. En position débrayée, c’est l'actionneur qui commande directement la vanne. Une fois le réducteur embrayé, cela rend possible la manoeuvre d'urgence en entraînant l'actionneur et donc l’obturateur de la vanne. De plus, il permet toujours de manoeuvrer manuellement la vanne si l'actionneur pneumatique doit être retiré en vue d’un éventuel remplacement ou réparation.
- Indice de protection IP67
- Température de fonctionnement -45°C +150°C

MATÉRIAUX
- Corps : Fonte JS1030
- Roue dentée : Fonte ductile JS1030
- Vis sans fin : Acier C45/AISI 1045
- Arbre : Acier
- Volant : Acier peint

COUPLE MAX. SORTIE DU RÉDUCTEUR
RAD02DE0DE003403
350 Nm
RAD03EF0EF004512
750 Nm
RAD04EF0FGH06522
2000 Nm
RAD05G00GH008023
3500 Nm
RAD06HL0HL009521
5000 Nm
RAD07HL0HL009522
8500 Nm

Réducteur avec volant sur actionneur double effet

Réducteur avec volant sur actionneur simple effet

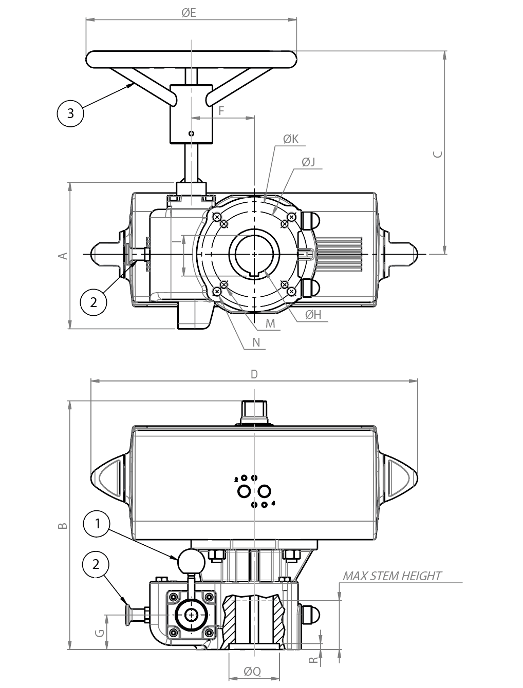
DÉBRAYAGE
Tirez le bouton (2) vers l'extérieur tout en tournant le levier (1) vers le bas (sens antihoraire) ; puis, relâchez le bouton (2) et vérifiez qu'il revient dans sa position initiale (jusqu'à ce que vous entendiez un clic), à ce stade le levier (1) ne pourra plus tourner, le réducteur est débrayé et le volant (3) tourne au point mort.

EMBRAYAGE
Pour l'embrayage, il est nécessaire de procéder comme décrit précédemment, à la différence qu’il faut tourner le levier (1) de bas en haut (sens horaire) ; à ce stade, le réducteur est embrayé et peut être actionné manuellement avec le volant (3).

TABLEAU DES DIMENSIONS
RÉDUCTEUR
RAD02DE0
DE003403
RAD02DE0
DE003403
RAD02DE0
DE003403
RAD02DE0
DE003403
RAD02DE0
DE003403
RAD02DE0
DE003403
RAD03EF0
EF004512
RAD04EF0
FGH06522
RAD05G00
GH008023
RAD05G00
GH008023
RAD05G00
GH008023
RAD06HL0
HL009521
RAD06HL0
HL009521
RAD07HL0
HL009522
RAD07HL0
HL009522
KIT ACTIONNEUR DA-RÉDUCTEUR
KCF056402
KCF076405
KCF076405
KCF106406
KCF106406
KCF106406
KCF126408
KCF126409
KCF146412
KCF146412
KCF166413
KCF166414
KCF166414
KCF256416
KCF256416
KIT ACTIONNEUR SR- RÉDUCTEUR
KCF166414
ACTIONNEUR
DAN0060412S
DAN0106411S
DAN0120411S
DAN0180411S
DAN0240411S
DAN0360411S
DAN0480411S
DAN0720411S
DAN0960412S
DAN1440411S
DAN1920411S
DA2880E16D0A
DA3840E1600A
DA5760E25D0A
DA8000E25D0A
ACTIONNEUR
--SRN0060401S
SRN0090401S
SRN0120401S
SRN0180401S
SRN0240401S
SRN0360401S
SRN0480402S
SRN0720401S
SRN0960401S
SR1440E16D8A
SR1920E1608A
SR2880E16D8A
SR4000E25D8A
A  mm.
154154154154154154174229268268268416416416416
B  mm.
216229232263266273295338382400422556511571571
C  mm.
205205205205205205242309356356356451451471471
D  mm.
1982372442903143403884334795676016677288851044
D1  mm.
--338394410474520613648798828834100112011370
ØE  mm.
200200200200200200250500600600600400400500500
F  mm.
5858585858587592134134134148148148148
G  mm.
343434343434414654545466666666
ØH  mm.
343434343434456580808095959595
I  mm.
36,436,436,436,436,4
36,4
48,369,484,884,884,8100,3100,3100,3100,3
ØJ  mm.
707070707070102102140140140165165165165
ØK  mm.
102102102102102102125140---254254254254
M  mm.
M8M8M8M8
M8
M8
M10
M10
M16
M16
M16
M20
M20
M20
M20
N  mm.
M10M10M10M10
M10
M10
M12
M16
---M16
M16
M16
M16
F/F ISO 5211  
F07/F10F07/F10
F07/F10
F07/F10
F07/F10
F07/F10
F10/F12
F10/F14
F14F14F14F16/F25F16/F25
F16/F25
F16/F25
ØQ  mm.
4545454545456085110110110125125125125
R  mm.
555555557776666
MAX STEM HEIGHT mm.
48484848484853,55878787891919191
Weight (DA)  Kg.
9101012131427,531,541,547,556120,5114153173
Weight (SR)  Kg.
--1113,51416,529,53646,55766139132184,5251

Le dimensionnement des actionneurs pneumatiques a été établi en tenant compte d’une pression d’alimentation minimale de 5,6 barg. Pour des pressions autres que la valeur standard, veuillez contacter le service commercial.

CHERCHER LE CODE
X FERMER

PROCHAIN ÉVÈNEMENT

IVS - Industrial Valve Summit 2026
IVS - Industrial Valve Summit 2026
Bergamo, Italy, 19 - 21 may 2026