images/testate/1600x499accattuatori.jpg

Riduttore in ghisa con volantino disinseribile

RIDUTTORE IN GHISA CON VOLANTINO DISINSERIBILE PER ATTUATORI DAN60 – DA8000 / SRN60 - SR4000

CARATTERISTICHE PRINCIPALI
- Questo operatore è stato studiato per ottenere una manovra di emergenza, su valvole comandate da un attuatore pneumatico rotante a 1/4 di giro, qualora si verificasse un’avaria o venisse a mancare l’alimentazione (aria compressa). L’operatore viene montato tra la valvola e l’attuatore pneumatico. A operatore disinserito, l’attuatore comanda direttamente la valvola. L’operatore inserito consente la manovra di emergenza trascinando l’attuatore e di conseguenza l’otturatore della valvola. Inoltre consente sempre la manovra manuale della valvola se l’attuatore pneumatico devesse essere rimosso per una eventuale sostituzione o riparazione.
- Grado di protezioni IP67
- Temperatura di esercizio -45°C +150°C

MATERIALI
- Corpo: Ghisa JS1030
- Ruota dentata: Ghisa sferoidale JS1030
- Vite senza fine: Acciaio C45/AISI 1045
- Albero: Acciaio
- Volantino: Acciaio verniciato

COPPIA MASSIMA IN USCITA DAL RIDUTTORE
RAD02DE0DE003403
350 Nm
RAD03EF0EF004512
750 Nm
RAD04EF0FGH06522
2000 Nm
RAD05G00GH008023
3500 Nm
RAD06HL0HL009521
5000 Nm
RAD07HL0HL009522
8500 Nm

Riduttore con volantino su attuatore Doppio Effetto

Riduttore con volantino su attuatore Semplice Effetto

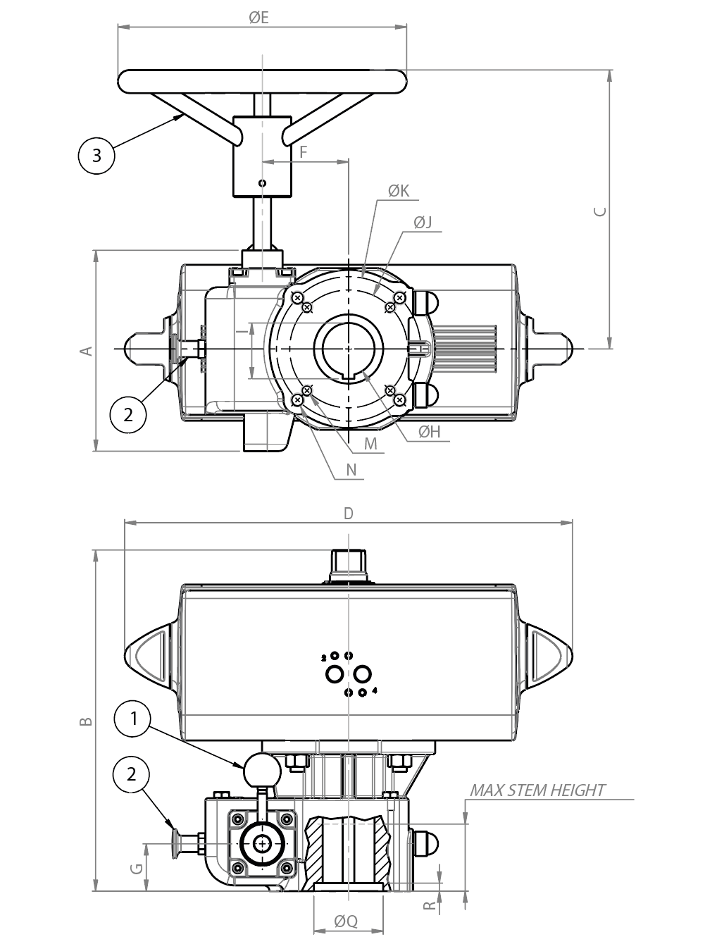
DISINSERIMENTO
Tirare il pomolo (2) verso l’esterno e contemporaneamente ruotare la leva (1) verso il basso (senso antiorario), nel frattempo rilasciare il pomolo (2) e assicurarsi che ritorni nella posizione iniziale (fino ad udire uno scatto); a questo punto la leva (1) non sarà più in grado di ruotare, il riduttore è disinserito e il volantino (3) ruota in folle.


INSERIMENTO
Per l’inserimento è necessario operare come precedentemente descritto ma ruotando la leva(1) dal basso verso l’alto (senso orario), a questo punto il riduttore è inserito e si può operare manualmente con il volantino(3).

TABELLA DIMENSIONALE
RIDUTTORE
RAD02DE0
DE003403
RAD02DE0
DE003403
RAD02DE0
DE003403
RAD02DE0
DE003403
RAD02DE0
DE003403
RAD02DE0
DE003403
RAD03EF0
EF004512
RAD04EF0
FGH06522
RAD05G00
GH008023
RAD05G00
GH008023
RAD05G00
GH008023
RAD06HL0
HL009521
RAD06HL0
HL009521
RAD07HL0
HL009522
RAD07HL0
HL009522
KIT ATTUATORE DA-RIDUTTORE
KCF056402
KCF076405
KCF076405
KCF106406
KCF106406
KCF106406
KCF126408
KCF126409
KCF146412
KCF146412
KCF166413
KCF166414
KCF166414
KCF256416
KCF256416
KIT ATTUATORE SR-RIDUTTORE
KCF166414
ATTUATORE
DAN0060412S
DAN0106411S
DAN0120411S
DAN0180411S
DAN0240411S
DAN0360411S
DAN0480411S
DAN0720411S
DAN0960412S
DAN1440411S
DAN1920411S
DA2880E16D0A
DA3840E1600A
DA5760E25D0A
DA8000E25D0A
ATTUATORE
--SRN0060401S
SRN0090401S
SRN0120401S
SRN0180401S
SRN0240401S
SRN0360401S
SRN0480402S
SRN0720401S
SRN0960401S
SR1440E16D8A
SR1920E1608A
SR2880E16D8A
SR4000E25D8A
A  mm.
154154154154154154174229268268268416416416416
B  mm.
216229232263266273295338382400422556511571571
C  mm.
205205205205205205242309356356356451451471471
D  mm.
1982372442903143403884334795676016677288851044
D1  mm.
--338394410474520613648798828834100112011370
ØE  mm.
200200200200200200250500600600600400400500500
F  mm.
5858585858587592134134134148148148148
G  mm.
343434343434414654545466666666
ØH  mm.
343434343434456580808095959595
I  mm.
36,436,436,436,436,4
36,4
48,369,484,884,884,8100,3100,3100,3100,3
ØJ  mm.
707070707070102102140140140165165165165
ØK  mm.
102102102102102102125140---254254254254
M  mm.
M8M8M8M8
M8
M8
M10
M10
M16
M16
M16
M20
M20
M20
M20
N  mm.
M10M10M10M10
M10
M10
M12
M16
---M16
M16
M16
M16
F/F ISO 5211  
F07/F10F07/F10
F07/F10
F07/F10
F07/F10
F07/F10
F10/F12
F10/F14
F14F14F14F16/F25F16/F25
F16/F25
F16/F25
ØQ  mm.
4545454545456085110110110125125125125
R  mm.
555555557776666
MAX STEM HEIGHT mm.
48484848484853,55878787891919191
Weight (DA)  Kg.
9101012131427,531,541,547,556120,5114153173
Weight (SR)  Kg.
--1113,51416,529,53646,55766139132184,5251

Il dimensionamento degli attuatori pneumatici è stato fatto considerando una pressione minima di alimentazione pari a 5,6 barg. Per pressioni diverse dalla standard contattare l'ufficio commerciale.

CERCA IL CODICE
X CHIUDI

PROSSIMO EVENTO

IVS - Industrial Valve Summit 2026
IVS - Industrial Valve Summit 2026
Bergamo, Italia, 19 - 21 maggio 2026