images/testate/1600x499accattuatori.jpg

Redutor em ferro fundido com volante desinserível

REDUTOR EM FERRO FUNDIDO COM VOLANTE DESINSERÍVEL PARA ATUADORES DAN60 – DA8000 / SRN60 - SR4000

CARACTERÍSTICAS PRINCIPAIS
- Este operador foi projetado para obter uma manobra de emergência, nas válvulas comandadas por um atuador pneumático rotativo a 1/4 de volta, em caso de falha ou falta de alimentação (ar comprimido). O operador é montado entre a válvula e o atuador pneumático. Com o operador desinserido, o atuador comanda a válvula diretamente. O operador inserido permite a manobra de emergência arrastando o atuador e consequentemente o obturador da válvula. Além disso permite sempre a operação manual da válvula se o atuador pneumático precisar ser removido para uma eventual substituição ou reparo.
- Grau de proteção IP67
- Temperatura de operação: -45°C +150°C

MATERIAIS
- Corpo: Ferro fundido JS1030
- Roda dentada: Ferro fundido esferoidal JS1030
- Parafuso sem fim: Aço C45/AISI 1045
- Eixo: Aço
- Volante: Aço pintado

TORQUE MÁXIMO NA SAÍDA DO REDUTOR
RAD02DE0DE003403
350 Nm
RAD03EF0EF004512
750 Nm
RAD04EF0FGH06522
2000 Nm
RAD05G00GH008023
3500 Nm
RAD06HL0HL009521
5000 Nm
RAD07HL0HL009522
8500 Nm

Redutor com volante no atuador de Efeito Duplo

Redutor com volante no atuador de Efeito Simples

DESINSERÇÃO
Puxar a maçaneta (2) para fora e girar simultaneamente a alavanca (1) para baixo (sentido anti-horário), no meio tempo soltar a maçaneta (2) e certificar-se que ela retorne à sua posição inicial (até ouvir um clique); neste ponto a alavanca (1) não poderá mais girar, o redutor está desinserido e o volante (3) gira em neutro.

INSERÇÃO
Para a inserção é necessário operar conforme descrito anteriormente, mas girando a alavanca (1) de baixo para cima (sentido horário), neste ponto o redutor é inserido e pode-se operar manualmente com o volante (3).

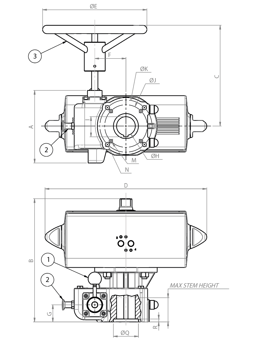
TABELA DIMENSIONAL
REDUTOR
RAD02DE0
DE003403
RAD02DE0
DE003403
RAD02DE0
DE003403
RAD02DE0
DE003403
RAD02DE0
DE003403
RAD02DE0
DE003403
RAD03EF0
EF004512
RAD04EF0
FGH06522
RAD05G00
GH008023
RAD05G00
GH008023
RAD05G00
GH008023
RAD06HL0
HL009521
RAD06HL0
HL009521
RAD07HL0
HL009522
RAD07HL0
HL009522
KIT ATUADOR DA-REDUTOR
KCF056402
KCF076405
KCF076405
KCF106406
KCF106406
KCF106406
KCF126408
KCF126409
KCF146412
KCF146412
KCF166413
KCF166414
KCF166414
KCF256416
KCF256416
KIT ATUADOR SR-REDUTOR
KCF166414
ATUADOR
DAN0060412S
DAN0106411S
DAN0120411S
DAN0180411S
DAN0240411S
DAN0360411S
DAN0480411S
DAN0720411S
DAN0960412S
DAN1440411S
DAN1920411S
DA2880E16D0A
DA3840E1600A
DA5760E25D0A
DA8000E25D0A
ATUADOR
--SRN0060401S
SRN0090401S
SRN0120401S
SRN0180401S
SRN0240401S
SRN0360401S
SRN0480402S
SRN0720401S
SRN0960401S
SR1440E16D8A
SR1920E1608A
SR2880E16D8A
SR4000E25D8A
A  mm.
154154154154154154174229268268268416416416416
B  mm.
216229232263266273295338382400422556511571571
C  mm.
205205205205205205242309356356356451451471471
D  mm.
1982372442903143403884334795676016677288851044
D1  mm.
--338394410474520613648798828834100112011370
ØE  mm.
200200200200200200250500600600600400400500500
F  mm.
5858585858587592134134134148148148148
G  mm.
343434343434414654545466666666
ØH  mm.
343434343434456580808095959595
I  mm.
36,436,436,436,436,4
36,4
48,369,484,884,884,8100,3100,3100,3100,3
ØJ  mm.
707070707070102102140140140165165165165
ØK  mm.
102102102102102102125140---254254254254
M  mm.
M8M8M8M8
M8
M8
M10
M10
M16
M16
M16
M20
M20
M20
M20
N  mm.
M10M10M10M10
M10
M10
M12
M16
---M16
M16
M16
M16
F/F ISO 5211  
F07/F10F07/F10
F07/F10
F07/F10
F07/F10
F07/F10
F10/F12
F10/F14
F14F14F14F16/F25F16/F25
F16/F25
F16/F25
ØQ  mm.
4545454545456085110110110125125125125
R  mm.
555555557776666
MÁX ALTURA DA HASTE mm.
48484848484853,55878787891919191
Peso (DA)  Kg.
9101012131427,531,541,547,556120,5114153173
Peso (SR)  Kg.
--1113,51416,529,53646,55766139132184,5251

O dimensionamento dos atuadores pneumáticos foi feito considerando uma pressão mínima de alimentação de 5,6 barg. Para pressões diferentes da standard, entrar em contato com o escritório comercial.

PESQUISAR CóDIGO
X FECHAR

PRÓXIMO EVENTO

IVS - Industrial Valve Summit 2026
IVS - Industrial Valve Summit 2026
Bergamo, Italy, 19 - 21 may 2026