images/testate/1600x499accattuatori.jpg

Çikarilabi̇li̇r el çarkli dökme demi̇r redüktör

DAN60 – DA8000 / SRN60 - SR4000 AKTÜATÖRLER İÇİN ÇIKARILABİLİR ÇARKLI DÖKÜM REDÜKTÖRLER

TEMEL ÖZELLİKLER
- Bu operatör, bir arıza veya elektrik kesintisi (basınçlı hava) durumunda 1/4 turda bir pnömatik döner aktüatör ile kontrol edilen vanalarda acil durum manevrası yapmak üzere tasarlanmıştır. Operatör, vana ve pnömatik aktüatör arasına monte edilmiştir. Operatör bağlantısı kesildiğinde, aktüatör vanayı doğrudan kontrol eder. Yerleştirilen operatör, aktüatörü ve dolayısıyla vana tapasını sürükleyerek acil durum manevrasına izin verir. Ayrıca, olası bir değiştirme veya onarım için pnömatik aktüatörün çıkarılması gerektiğinde vananın her zaman manüel çalışmasına izin verir.
- IP67 KORUMA DERECESİ
- Çalışma sıcaklığı -45°C +150°C

MALZEMELER
- Gövde Döküm JS1030
- Dişli çark: Sfero döküm JS1030
- Sonsuz vida C45/AISI 1045 çelik
- Mil: Çelik
- El çarkı: Boyalı çelik

REDÜKTÖR ÇIKIŞI MAKSİMUM TORK
RAD02DE0DE003403
350 Nm
RAD03EF0EF004512
750 Nm
RAD04EF0FGH06522
2000 Nm
RAD05G00GH008023
3500 Nm
RAD06HL0HL009521
5000 Nm
RAD07HL0HL009522
8500 Nm

Çift Etkili aktüatör üzerindeki el çarklı redüktör

Tek Etkili aktüatör üzerindeki el çarklı redüktör

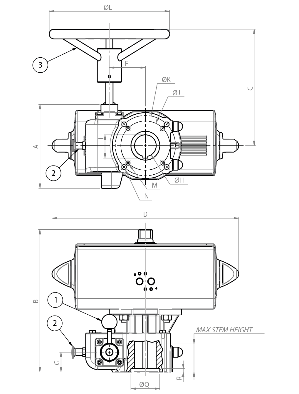
ÇIKARMA
Düğmeyi (2) dışa doğru çekin ve aynı anda kolu (1) aşağı (saat yönünün tersine) çevirin, bu sırada düğmeyi (2) bırakın ve ilk konumuna döndüğünden emin olun (bir tık sesi duyana kadar); bu noktada kol (1) artık dönemez, dişli kutusu devre dışı kalır ve volan (3) boşta döner.

TAKMA
Takmak için, daha önce anlatıldığı gibi ancak kolu (1) aşağıdan yukarıya (saat yönünde) çevirerek çalıştırmak gerekir, bu noktada redüktör takılır ve volan (3) ile manuel olarak çalıştırılabilir.

BOYUT TABLOSU
REDÜKTÖR
RAD02DE0
DE003403
RAD02DE0
DE003403
RAD02DE0
DE003403
RAD02DE0
DE003403
RAD02DE0
DE003403
RAD02DE0
DE003403
RAD03EF0
EF004512
RAD04EF0
FGH06522
RAD05G00
GH008023
RAD05G00
GH008023
RAD05G00
GH008023
RAD06HL0
HL009521
RAD06HL0
HL009521
RAD07HL0
HL009522
RAD07HL0
HL009522
KIT AKTÜATÖRÜ DA-REDÜKTÖR
KCF056402
KCF076405
KCF076405
KCF106406
KCF106406
KCF106406
KCF126408
KCF126409
KCF146412
KCF146412
KCF166413
KCF166414
KCF166414
KCF256416
KCF256416
KIT AKTÜATÖRÜ SR-REDÜKTÖR
KCF166414
AKTÜATÖR
DAN0060412S
DAN0106411S
DAN0120411S
DAN0180411S
DAN0240411S
DAN0360411S
DAN0480411S
DAN0720411S
DAN0960412S
DAN1440411S
DAN1920411S
DA2880E16D0A
DA3840E1600A
DA5760E25D0A
DA8000E25D0A
AKTÜATÖR
--SRN0060401S
SRN0090401S
SRN0120401S
SRN0180401S
SRN0240401S
SRN0360401S
SRN0480402S
SRN0720401S
SRN0960401S
SR1440E16D8A
SR1920E1608A
SR2880E16D8A
SR4000E25D8A
A  mm.
154154154154154154174229268268268416416416416
B  mm.
216229232263266273295338382400422556511571571
C  mm.
205205205205205205242309356356356451451471471
D  mm.
1982372442903143403884334795676016677288851044
D1  mm.
--338394410474520613648798828834100112011370
ØE  mm.
200200200200200200250500600600600400400500500
F  mm.
5858585858587592134134134148148148148
G  mm.
343434343434414654545466666666
ØH  mm.
343434343434456580808095959595
I  mm.
36,436,436,436,436,4
36,4
48,369,484,884,884,8100,3100,3100,3100,3
ØJ  mm.
707070707070102102140140140165165165165
ØK  mm.
102102102102102102125140---254254254254
M  mm.
M8M8M8M8
M8
M8
M10
M10
M16
M16
M16
M20
M20
M20
M20
N  mm.
M10M10M10M10
M10
M10
M12
M16
---M16
M16
M16
M16
F/F ISO 5211  
F07/F10F07/F10
F07/F10
F07/F10
F07/F10
F07/F10
F10/F12
F10/F14
F14F14F14F16/F25F16/F25
F16/F25
F16/F25
ØQ  mm.
4545454545456085110110110125125125125
R  mm.
555555557776666
MAKS KOL YÜKSEKLİĞİ mm.
48484848484853,55878787891919191
Ağırlık (DA)  Kg.
9101012131427,531,541,547,556120,5114153173
Ağırlık (SR)  Kg.
--1113,51416,529,53646,55766139132184,5251

Pnömatik aktüatörlerin boyutlandırılması minimum 5,6 barg güç kaynağı basıncı dikkate alınarak yapılmıştır. Standarttan farklı basınçlar için satış ofisi ile iletişime geçiniz.

ARAMA KODU
X KAPAT

GELECEK ETKİNLİK

IVS - Industrial Valve Summit 2026
IVS - Industrial Valve Summit 2026
Bergamo, Italy, 19 - 21 may 2026