images/testate/JTPiQQ_Template-Header-Sito-OMAL2560x768-RACKON-V2-ok.jpg

RACKON - 双效 DA

  • 优点
  • 特性
  • 特性
  • 物料
  • 图表和起动扭矩
  • 规格
  • 文档

齿轮齿条机动

双路调整

DA双效

SR单效

1.密封带和自润滑滑动

活塞和气筒间摩擦力更低

避免短期和长期停用后密封件与气筒黏连。


2.钢制调整凸轮

可以调整标准执行器的关闭和/或打开(每次调整为±5°)。

调节简便且可靠。


3.通过齿轮齿条机制将线性动力转换为旋转动力。

打开或封闭阶段的线性扭矩(适用于球阀)

得益于齿轮齿条系统的刚性和凸轮及调整螺柱之间的机械啮合,实现更高的调整精度。

均衡旋转速度。


4.辊式气筒。

得益于更低的表面粗糙度(0.15 μm Ra),动力轴承的磨损更低。


5.盒式弹簧模块系统

更灵活且高精度弹簧扭矩。

更宽泛的配置。


全系产品可选装NAMUR电磁阀接口。

RK10至RK240配备基座。- RK300和RK480已集成。


NPT螺纹气孔按照需求选装。

各尺寸均可供应基座。


在OMAL自有设施内完成全部生产流程。

在OMAL自有设施内完成全部生产流程。


ATEX compliance.

可安装于潜在易爆的环境内。


最高达SIL3等级的认证

更高的运行安全等级

技术数据
• 扭矩:10Nm至474Nm
• 法兰接口标准:EN ISO 5211: F03 - F04 - F05 - F07 - F10 - F12。
• 符合EN 15714-3标准。
• 符合欧盟《2014/34/UE》ATEX防爆条例。
• 旋转角度:100° (-5,+95°)。
• 每个限位开关(0°和90°)执行-5°和+5°双路调整。
• 扭矩:与供应压力成正比(具体请参见表格)。
• 对于任意一台执行器,RK后的数字即对应于压力为5.6bar时的起动扭矩(Nm)。

运行条件
• 标准温度:-20℃~+80℃
   特殊版本:
- 高温:-20℃~+150℃。
- 低温:-50℃~+60℃。
• 额定压力:5.5bar;最高作业压力:8bar。
• 流体源:免润滑过滤压缩气体;满足UNI EN 15714-3:2009标准。
• 需要润滑时,请使用与密封件材质相兼容且无净化作用的油料。

选装的特殊版本,编码关键字


特色
振荡式执行器
RK
尺寸
0010, 0020, 0040, 0060, 0080, 00120, 00160, 0240, 0300, 0480
客户
VOOMAL
旋转角度 [°]
A90°
B*180°
C*120°
D*135°
关闭方向
R顺时针关闭
L逆时针关闭
运行
S单效 常闭
O单效 常开
D双效
弹簧类型
00无弹簧
202,0 bar 弹簧
252,5 bar 弹簧
303,0 bar 弹簧
353,5 bar 弹簧
404,0 bar 弹簧
454,5 bar 弹簧
505,0 bar 弹簧
555,5 bar 弹簧
606,0 bar 弹簧
法兰类型,
双法兰条件
03F03
04F04
05F05
07F07
10F10
12F12
下轴座形态
Q行星轴
D*双面轴
下轴座尺寸
09方形 9 mm
11方形 11 mm
14方形 14 mm
17方形 17 mm
22方形 22 mm
27方形 27 mm
气路连接
GNamur基座,GAS罗纹
NNamur基座,NPT罗纹
0GAS罗纹,气筒上无基座
(无Namur接口)
INamur接口,集成式GAS罗纹
版本
-标准
6*低温
4*高温

* 需选装。
备注.有关特殊版本请联络OMAL。



RACKON编码范例

编码关键字: RK0040VOARD0005Q11G
产品介绍: RACKON 40 双效 ISO F05 07 行星轴11mm配气体NAMUR基座。

编码关键字: RK0300VOARD0007Q22I
产品介绍: RACKON 300 双效 ISO F07 10 行星轴22mm,气筒内集成气体NAMUR接口。

编码关键字RK0040VOARS6005Q11G
产品介绍: RACKON 40 单效 6BAR ISO F05 07 行星轴11mm配气体NAMUR基座。

编码关键字: RK0300VOARS6007Q22I
产品介绍: RACKON 300 单效 6BAR ISO F07 10 行星轴22mm,气筒内集成气体NAMUR接口。

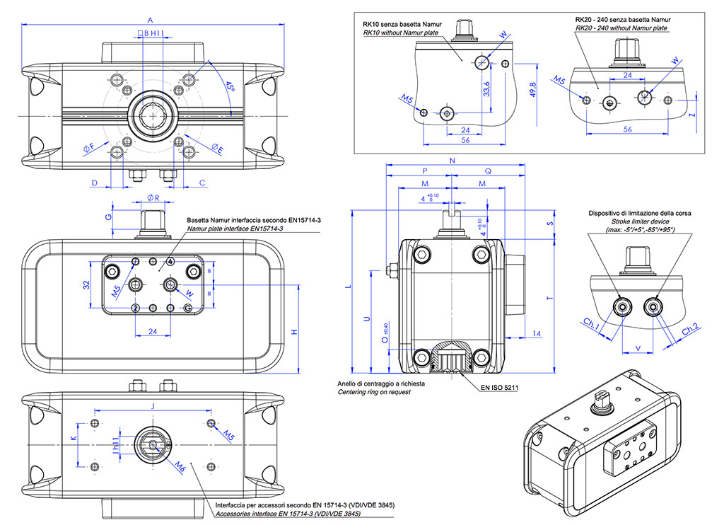
RK10 ÷ RK240

尺寸 [mm]
尺寸
RK10RK10RK20RK20RK20RK20RK40RK40RK40RK40RK60RK80RK120RK160RK240
ISOF03F04F03/F05F03/F05F04F04F04F04F05/F07F05/F07F05/F07
F05/F07
F05/F07
F07/F10F07/F10
A121,7
121,7
153,7
153,7
153,7
153,7
180,4
180,4
180,4
180,4
215,4
235,5
265,9
285,9
318,4
B9
9
911911
11
14
11
141417172222
C x depthM5x8
M5x8
M5x8
M5x8
M5x8
M5x8
M5x8
M5x8
M6x9
M6x9
M6x9
M6x9
M6x9
M8x12
M8x12
D x depth--M6x9
M6x9
----M8x12
M8x12
M8x12
M8x12
M8x12M10x15
M10x15
E36
4236
36
4242424250
50
50
50
50
7070
F--5050----70
70
70
70
70
102102
G101010101010
1313
13
13
13
13
13
13
19,5
H333350,950,950,9
50,9
60,8
60,8
60,8
60,8
68,7
75,6
87,6
97,5
112
I999999
12
12
12
12
12
15151922
J505080808080
80
80
80
80
80
80
80
80
80
K252530303030
30
30
30
30
30
30
30
30
30
L8080100100100100
112
112
112
112
122
130143154180
M24,524,530303030
36,5
36,5
36,5
36,5
41,5
46
51
56,5
64
N71*
71*
82,5*
82,5*
82,5*82,5*
95,5*
95,5*
95,5*
95,5*
107,8*
116,5*
127*
141*
159*
O10,7
10,7
13,213,2
13,2
13,2
16,5
16,5
16,5
16,5
16,5
19,3
19,3
24,3
24,3
P32,5*
32,5*
38,5*38,5*
38,5*
38,5*
45*
45*
45*
45*
52,3*
56,5*
62*
70,5*
81*
Q38,5
38,5
4444
44
44
50,5
50,5
50,5
50,5
55,5606570,578
R10,9
10,9
12,712,7
12,7
12,7
16,2
16,2
16,2
16,2
1820,222,525,531,8
S15
152020
20
20
20
20
20
20
20
20
20
20
30
T65658080
80
80
92
92
92
92102110123134150
U494959,7559,75
59,75
59,75
70,5
70,5
70,5
70,5
70,5
8697,75106,25120,5
V16161919
19
19
21
21
21
212426323641
W 标准 (GAS)1/8"
1/8"
1/8"
1/8"
1/8"
1/8"
1/8"
1/8"
1/8"
1/8"
1/8"
1/8"
1/4"
1/4"
1/4"
W 特殊 (NPT)1/8"-27
1/8"-27
1/8"-27
1/8"-27
1/8"-27
1/8"-27
1/8"-27
1/8"-27
1/8"-27
1/8"-27
1/8"-27
1/8"-27
1/4"-18
1/4"-18
1/4"-18
Ch.11010101010
1010
1010
10
1313131618
Ch.23333333
33344456
重量 (kg)0,90,91,41,41,41,42,1
2,12,12,1
2,93,75,16,59
供气量 (dm3/cycle)0,120,120,250,250,250,250,48
0,480,48
0,48
0,75
1,04
1,481,99
2,91
Z49,849,8
59,959,959,959,969,8
69,869,8
69,8
77,7
84,6
96,6
106,6
121
W1/8"
1/8"
1/8"
1/8"
1/8"
1/8"
1/8"
1/8"
1/8"
1/8"
1/8"
1/8"
1/4"
1/4"
1/4"

H = 固定板中心。
* 根据调整发生变化。

RK300 ÷ RK480

尺寸 [mm]
尺寸
RK300RK480
ISOF07/F10
F10/F12
A352,4
393,4
B22
27
C x depthM8x12
M10x15
D x depthM10x15
M12x18
E70
102
F102
125
G19,5
19,5
H125
145
I2227
L192214
M69,580
N156,5*180*
O24,329,5
P87*100*
Q83,594
R31,838
S3030
T162184
U131149,5
V4652
W 标准 (GAS)1/4"1/4"
W 特殊 (NPT)1/4"-18
1/4"-18
Ch.11821
Ch.266
重量 (kg)11,416,3
供气量 (dm3/cycle)3,775,8
Z124,5144,5
W1/4"
1/4"


H = 固定板中心。
 * 根据调整发生变化。

RK10 ÷ RK480

材质
位置
介绍
数量
材质
1缸筒
1铝合金
2阀轴
1合金钢
3*轴承(上轴支承件)
1乙缩醛树脂
4*轴承(下轴支承件)
1乙缩醛树脂
5*O形圈(下轴密封圈)
1NBR
6凸轮
1合金钢
7*内支承环
1乙缩醛树脂
8*外部止推轴承
1乙缩醛树脂
9垫片
1不锈钢
10*Seeger弹性圈
1不锈钢
11*O形圈**
2NBR
12*轴上O形圈
1NBR
13Namur基座**
1铝合金
14螺栓**
2不锈钢
15*O形圈
2NBR
16*垫圈(行程调整)
2不锈钢
17*螺母(行程调整)
2不锈钢
18*调整螺柱
2不锈钢
19活塞
2铝合金
20*活塞支撑块
4乙缩醛树脂
21*密封环
2聚氨酯
22*O形圈
2NBR
23*封盖O形圈
2NBR
24封盖
2铝合金
25螺栓
8不锈钢

* 备件套装的组件。
** 个别型号未安装,具体参见表格。

“DA”扭矩(Nm)图表

“DA”RACKON扭矩(Nm)图表
尺寸
气体压力
2 bar2,5 bar3 bar3,5 bar4 bar4,5 bar5 bar5,5 bar5,6 bar6 bar7 bar8 bar
RK103,74,75,66,67,58,49,410,310,511,213,115,0
RK207,39,111,012,814,616,418,320,120,521,925,629,2
RK4013,917,420,924,427,931,334,838,339,041,848,755,7
RK60
21,226,531,937,242,547,853,158,459,563,774,384,9
RK80
30,037,544,952,459,967,474,982,483,989,9104,9119,9
RK120
42,753,464,074,785,496,1106,7117,4119,5128,1149,4170,8
RK160
58,573,287,8102,5117,1131,7146,4161,0163,9175,6204,9234,2
RK240
85,2106,5127,8149,1170,4191,7213,0234,3238,6255,6298,2340,8
RK300
109,8137,2164,7192,1219,6247,0274,5301,9307,4329,3384,2439,1
RK480
172,4215,5258,5301,6344,7387,8430,9474,0482,6517,1603,3689,5

了解不同压力下的扭矩请联络OMAL。

双效执行器运行图

运行图表
将气体输入进气孔4,活塞向中心位置运动,轴顺时针旋转,末端位置和描述列于图表中。

运行图表
将气体输入进气孔2,活塞向外运动,轴逆时针旋转,末端位置和描述列于图表中。

双效执行器行程调整说明

开启调整

闭合调整

A) 确保执行器内无残留气压(两个腔内均无压力)。
B) 旋松防松螺母A1。
C) 将低压气体输入气孔“2”(气压刚好可以促动执行器),使活塞处于行程开关位置中。
D) 使用扳手旋紧或旋松螺柱A并调整到位(最大调整间隔为±5°)。
E) 调整到位后,使用扳手锁止螺柱A,同时使用可调扳手旋紧防松螺栓A1。

备注.必要时重复上述操作,直至调整到位。

A) 确保执行器内无残留气压(两个腔内均无压力)。
B) 旋松防松螺母B1。
C) 将低压气体输入气孔“4”(气压刚好可以促动执行器),使活塞处于行程开关位置中。
D) 使用扳手旋紧或旋松螺柱B并调整到位(最大调整间隔为±5°)。
E) 调整到位后,使用扳手锁止螺柱B,同时使用可调扳手旋紧防松螺栓B1。

备注.必要时重复上述操作,直至调整到位。

选择 尺寸
选择搜索参数
搜索文章
X 关闭

下一新闻

IVS - Industrial Valve Summit 2026
IVS - Industrial Valve Summit 2026
Bergamo, Italy, 19 - 21 may 2026