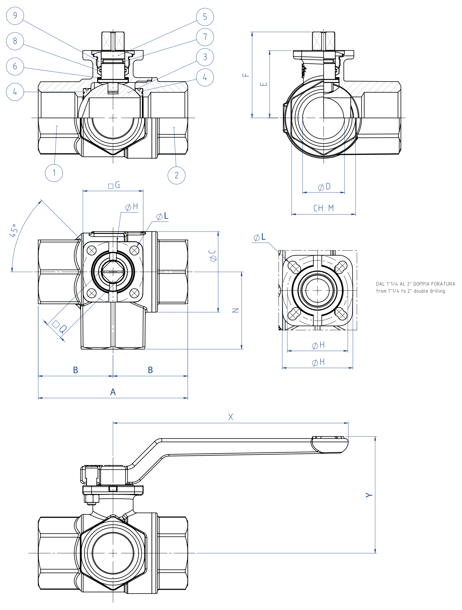
H2 INVICTUS MAGNUM THOR PROCHEMIE 60 HERCULES KRATOS SUPREME TRUNNION 其他黄铜球阀 其他铸铁球阀 其他不锈钢球阀 其他碳素钢球阀 其他PVC材质球阀 下载 总目录 下载 执行器附件目录 解码MAGNUM & THOR 配置您的产品 下载不同格式的2D和3D文件 下载 下载销售条款 宏 球阀 小类 其他黄铜球阀 装配“L”形球体的3通道全通径螺纹接口球阀 配置 动力 申请详细信息 打印页面 下载目录 其他黄铜球阀 特性 特性 物料 图表和起动扭矩 规格 文档 常规参数:• 设计用于中等压力的非腐蚀性流体,而且阀门仅用作导流器。由于需要与中央套筒连接,因此不得关闭入口通道,具体参见图表。• 使用温度:-20℃~+120℃• 使用压力:最高16bar,具体请参见图表• 截止流体:空气、水、天然气、石油和石化产品。• ISO 7/1 and NPT 标准螺纹头• 适用于ISO 5211执行器的装配法兰选装特殊配置:• 其他应用领域敬请咨询我司的销售部门。认证:• 符合欧盟《2014/68/UE》加压装置条例• 可选装符合欧盟《2014/34/UE》ATEX防爆条例的型号 尺寸规格 尺寸 øDABøcN□QEF□GøHISOøLch.MXYDN [mm][inch]ISO 7/1NPTISO 7/1NPTDN 103/8"106962333131,833930,538,43636F035,52514058,5DN 151/2"156962333131,833930,538,43636F035,52514058,5DN 203/4"207768383440381136,347,13636F035,53114064,5DN 251"258979,54639,848461140,250,93636F035,53814068,5DN 321" 1/43210392544660541151,562,54236/42F03/F045,54714080DN 401" 1/240114102615170,6611158694236/42F03/F045,55414086DN 502"50134116735886,5731165,376,34642/50F04/F055,5/6,56614093,5 材料 1阀体*黄铜EN 12165 CW617N2母套筒*黄铜EN 12165 CW617N3球体Nickel-chrome platingEN 12164 CW614N4侧边密封垫片P.T.F.E.5阀杆黄铜EN 12164 CW614N6减摩环P.T.F.E.7O形圈FKM8阀杆密封垫片P.T.F.E.9压力密封垫片*黄铜EN 12164 CW614N*外部处理:亮镍电镀 压力/温度图表 流量/压力损失图表和公称系数Kv 流量系数Kv的数值等于压降为1 bar时的流量值(单位为m3/h,水温为15℃)。 起动扭矩(Nm)尺寸DN 103/8"DN 151/2"DN 203/4"DN 251"DN 32 1"1/4DN 40 1"1/2DN 502"PN 16 bar4458111623扭矩值可能因温度和流体类型的影响而出现变化。纳入考虑的安全因子为1.4。在频繁开闭的循环条件下,操纵扭矩可能会略低于初始扭矩。后文中列示的执行器/阀门装配以平均温度下截止洁净的液体或气体时为准。欲了解详情或其他应用方式,请联络我司的销售部门。 “L”形球体示意图注意:执行器SR常闭时,球体的待命位置必须为“A”。执行器SR常开时,球体的待命位置必须为“B”。 从上面看 证明书 ATEX - Ball Valves PED UKCA 说明 ATEX MANUAL 8_0486 USER MANUAL 8_0844-03 配置 驾驶 选择搜索参数 -- 驾驶 -- 自由轴 ISO 7/1 手柄 ISO 7/1 DA双效气动执行器 ISO 7/1 SR单效气动执行器 ISO 7/1 ON-OFF电动执行器(230V AC) ISO 7/1 模块式电动执行器(230V AC) ISO 7/1 自由轴 NPT 手柄 NPT DA双效气动执行器 NPT SR单效气动执行器 NPT ON-OFF电动执行器(230V AC) NPT 模块式电动执行器(230V AC) NPT 搜索文章