images/testate/Template-Header-Sito-OMALBALLVALVES.jpg

Item 153 brass ball valve

Item 153 brass ball valve
Macro Ball valves

3-way full-bore threaded-ends brass ball valve, “L” port

CONFIGURE Drive
REQUEST INFORMATION
PAGE PRINT
  • features
  • dimensions
  • materials
  • diagrams and breakaway torque
  • specifications
  • documents

GENERAL FEATURES:
• The valve is suitable for medium pressures with non aggressive fluids. The valve can be used as diverter only the in let can be from central way only, see plane.
• Working temperature: from -20°C to + 120°C
• Working pressure: 16 bar max, see diagram
• Fluid range: air, water, oil, gas, petroliferous and petrochemical products.
• Threaded ends as per ISO 7/1 and NPT specifications.
• ISO 5211 flange connection.

ON REQUEST:
• For other applications, please contact our sales department.

CERTIFICATIONS:
• According to 2014/68/EU “PED”
• ATEX version in conformity with directive 2014/34/EU on request

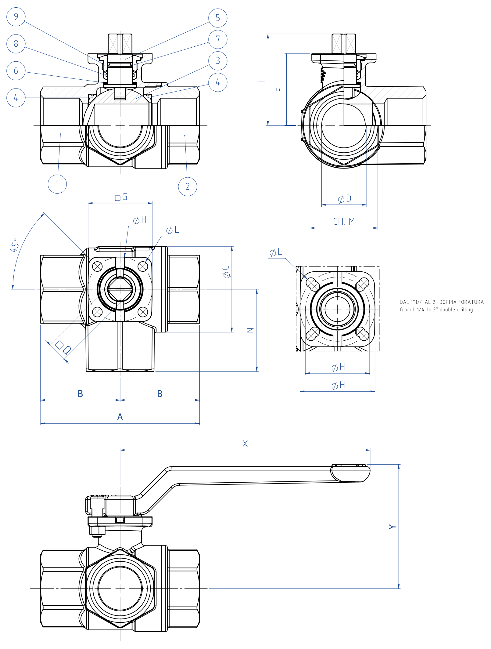
DIMENSIONS  
SIZE 
øD
A
B
øc
N
□Q
E
F
□G
øH
ISO
øL
ch.M
X
Y
DN [mm]
[inch]
ISO 7/1
NPT
ISO 7/1
NPT
DN 10
3/8"
106962333131,833930,538,43636F035,52514058,5
DN 15
1/2"
156962333131,833930,538,43636F035,525140
58,5
DN 20
3/4"
207768383440381136,347,13636F035,531140
64,5
DN 25
1"
258979,54639,848461140,250,93636F035,538140
68,5
DN 32
1" 1/4
3210392544660541151,562,54236/42F03/F045,547140
80
DN 40
1" 1/2
40114102615170,6611158694236/42F03/F045,554140
86
DN 50
2"
50134116735886,5731165,376,34642/50F04/F055,5/6,566140
93,5

MATERIALS    
1
Body*
Brass
EN 12165 CW617N
2
Threaded ends*
Brass
EN 12165 CW617N
3
BallNickel-chrome plating
EN 12164 CW614N
4
SealsP.T.F.E.

5
ShaftBrass
EN 12164 CW614N
6
Antifriction rings
P.T.F.E.

7
O-ringFKM
8
Shaft seal
P.T.F.E.

9
Gland nut*
Brass
EN 12164 CW614N
*Surface treatment: bright nickel plating

Pressure/temperature diagram

Flow/pressure loss diagram and Kv nominal coefficient

Kv is the coefficient, expressed in m3/h (with water at 15°C) causing a pressure loss of 1 bar.

  BREAKAWAY TORQUES Nm
  SIZE
DN 10
3/8"
DN 15
1/2"
DN 20
3/4"
DN 25
1"
DN 32
1"1/4
DN 40
1"1/2
DN 50
2"
PN 16 bar
4
458111623



Torque can vary depending on temperature and type of fluid; a safety factor of 1.4 must be applied. Torque can drop on high frequency of operations. The actuator/valve sizing, indicated on the following pages, are based for valves to be used with liquids or gaseous fluids, clean, and for medium temperatures. For further information, or different uses please contact our sales department.

Plan for "L"

N.B.:
A” must be the rest position of the ball with SR FAIL CLOSE actuator.
B” must be the rest position of the ball with SR FAIL OPEN actuator.

View from above

CONFIGURE DRIVE
Select the search standards
FIND ITEM
X CLOSE

NEXT EVENT

IVS - Industrial Valve Summit 2026
IVS - Industrial Valve Summit 2026
Bergamo, Italy, 19 - 21 may 2026