images/testate/Template-Header-Sito-OMALBALLVALVES.jpg

Válvula de bola de latón Item 153

Válvula de bola de latón Item 153

Válvula de bola de latón 3 vías roscada paso integral con bola en "L"

CONFIGURA Accionamiento
SOLICITA INFORMACIÓN
IMPRIME PÁGINA
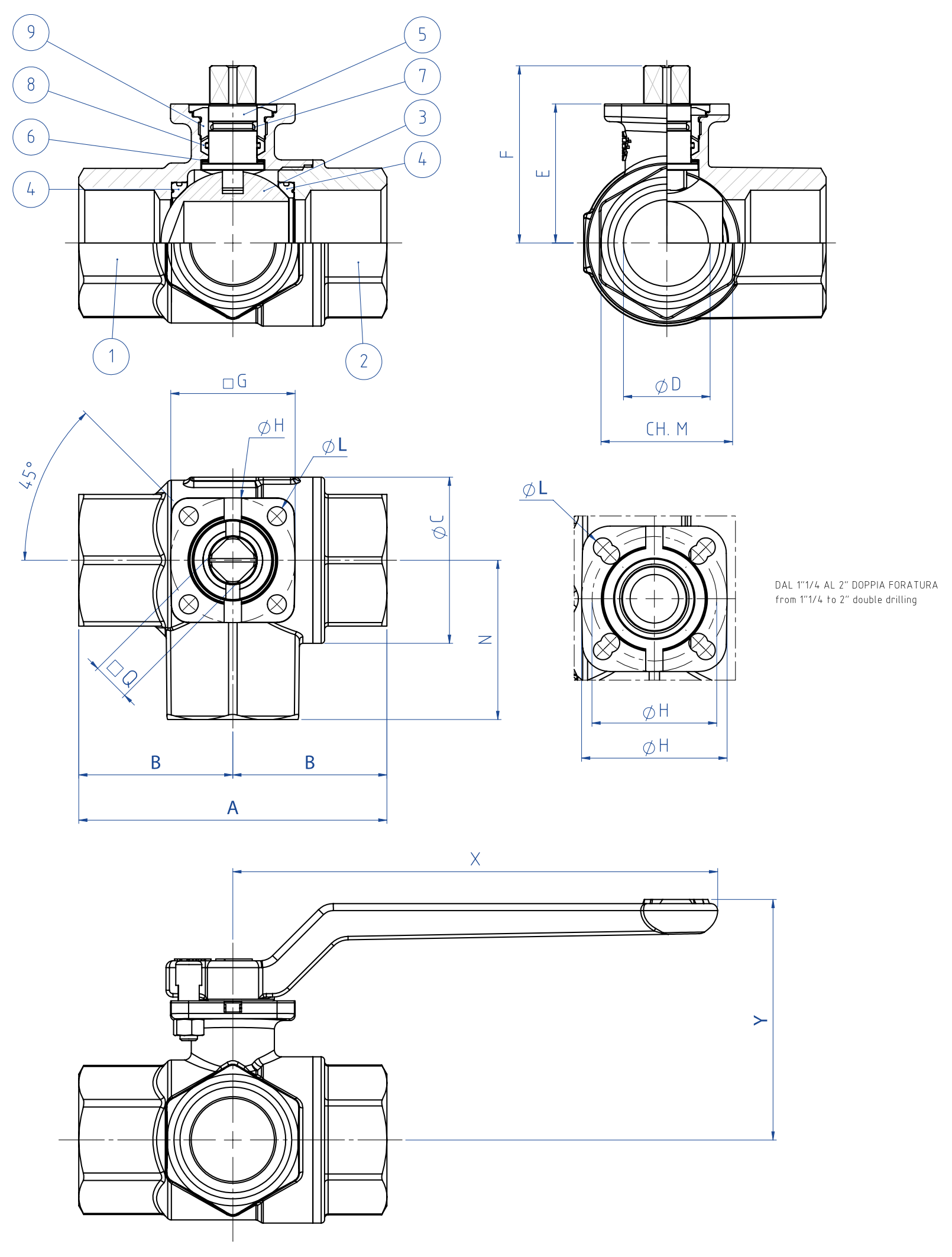
  • características
  • dimensiones
  • materiales
  • diagramas y pares de aceleración
  • especificaciones
  • documentos

CARACTERÍSTICAS GENERALES:
• Construida para usos en media presión con fluidos no agresivos, la válvula funciona solo como desviador. No permite ningún cierre de la descarga de aire que obligatoriamente está conectada con el manguito central, ver esquema.
• Temperatura de uso: desde -20°C a + 120°C
• Presión de uso: 16 bar máx., ver diagrama
• Fluido interceptado: aire, agua, gas, aceites, productos petrolíferos y petroquímicos.
• Extremos roscados según la norma ISO 7/1 and NPT.
• Brida de montaje del accionador según la norma ISO 5211.

DIMENSIONES  
MEDIDA 
øD
A
B
øc
N
□Q
E
F
□G
øH
ISO
øL
ch.M
X
Y
DN [mm]
[pulgadas]
ISO 7/1
NPT
ISO 7/1
NPT
DN 10
3/8"
106962333131,833930,538,43636F035,52514058,5
DN 15
1/2"
156962333131,833930,538,43636F035,525140
58,5
DN 20
3/4"
207768383440381136,347,13636F035,531140
64,5
DN 25
1"
258979,54639,848461140,250,93636F035,538140
68,5
DN 32
1" 1/4
3210392544660541151,562,54236/42F03/F045,547140
80
DN 40
1" 1/2
40114102615170,6611158694236/42F03/F045,554140
86
DN 50
2"
50134116735886,5731165,376,34642/50F04/F055,5/6,566140
93,5

MATERIALES    
1
Cuerpo*
Latón
EN 12165 CW617N
2
Manguito hembra*
Latón
EN 12165 CW617N
3
Esfera
Nickel-chrome plating
EN 12164 CW614N
4
Juntas de sellado lateral
P.T.F.E.

5
Vástago
Latón
EN 12164 CW614N
6
Anillos antifricción
P.T.F.E.

7
Junta tórica (O-ring)
FKM
8
Junta de sellado del vástago
P.T.F.E.

9
Prensaestopas*
Latón
EN 12164 CW614N
* Tratamiento externo: Niquelado brillante

DIAGRAMA PRESIÓN/TEMPERATURA

Capacidad de carga/pérdida de carga y coeficiente nominal Kv

El valor Kv es el valor de la capacidad de carga en m3/h (con agua a 15°C) que provoca una caída de presión de 1 bar.

PARES DE ACELERACIÓN en Nm
MEDIDA 
DN 10
3/8"

DN 15
1/2"

DN 20
3/4"

DN 25
1"

DN 32 1"1/4
DN 40 1"1/2
DN 50
2"

PN 16 bar
4
458111623



Los valores del par pueden variar según la temperatura y el tipo de fluido. Tener en cuenta un factor de seguridad igual a 1.4.

Con frecuentes ciclos de apertura y cierre, el par de maniobra puede disminuir sensiblemente con respecto al inicial. Los acoplamientos actuador/válvula, mostrados en las siguientes páginas, se realizan para válvulas que interceptan fluidos líquidos o gaseosos, limpios y para temperaturas medias. Para más información, o usos diferentes, consultar nuestro departamento comercial.

Esquema bola en "L"

N.B.:
Con actuador SR NORMALMENTE CERRADO la posición de reposo de la bola debe ser la “A”.
Con actuador SR NORMALMENTE ABIERTO la posición de reposo de la bola debe ser la “B”.

Vista desde arriba

CONFIGURA CONDUCIR
Selecciona los parámetros de búsqueda
BUSCA ARTÍCULO
X CERRAR

SIGUIENTE EVENTO

IVS - Industrial Valve Summit 2026
IVS - Industrial Valve Summit 2026
Bergamo, Italy, 19 - 21 may 2026