images/testate/Template-Header-Sito-OMALBALLVALVES.jpg

Vanne à boisseau sphérique en laiton, Item 153

Vanne à boisseau sphérique en laiton, Item 153

Vanne à boisseau sphérique en laiton 3 voies, filetée, passage intégral avec boisseau en "L"

CONFIGURER Actionnement
DEMANDE D'INFORMATIONS
IMPRIMER PAGE
  • caractéristiques
  • dimensions
  • matériaux
  • diagrammes et couples de démarrage
  • spécifications
  • documents

CARACTÉRISTIQUES GÉNÉRALES:
• Conçue pour une utilisation à pression moyenne avec des fluides non agressifs, la vanne fonctionne uniquement comme déviateur. Elle ne permet aucune fermeture du refoulement nécessairement raccordé au manchon central, voir schéma.
• Température de fonctionnement: de -20°C à 120°C
• Pressions de fonctionnement: 16 bar max., voir diagramme
• Fluide véhiculé: air, eau, gaz, huiles, produits pétroliers et pétrochimiques.
• Extrémités filetées selon ISO 7/1 and NPT.
• Bride montage actionneur selon ISO 5211.

RÉALISATIONS SPÉCIALES SUR DEMANDE:
• Pour d'autres applications, veuillez vous adresser à notre service commercial.

CERTIFICATIONS:
• Conforme à la directive européenne 2014/68/UE DESP
• Version ATEX conforme à la directive 2014/34/UE sur demande

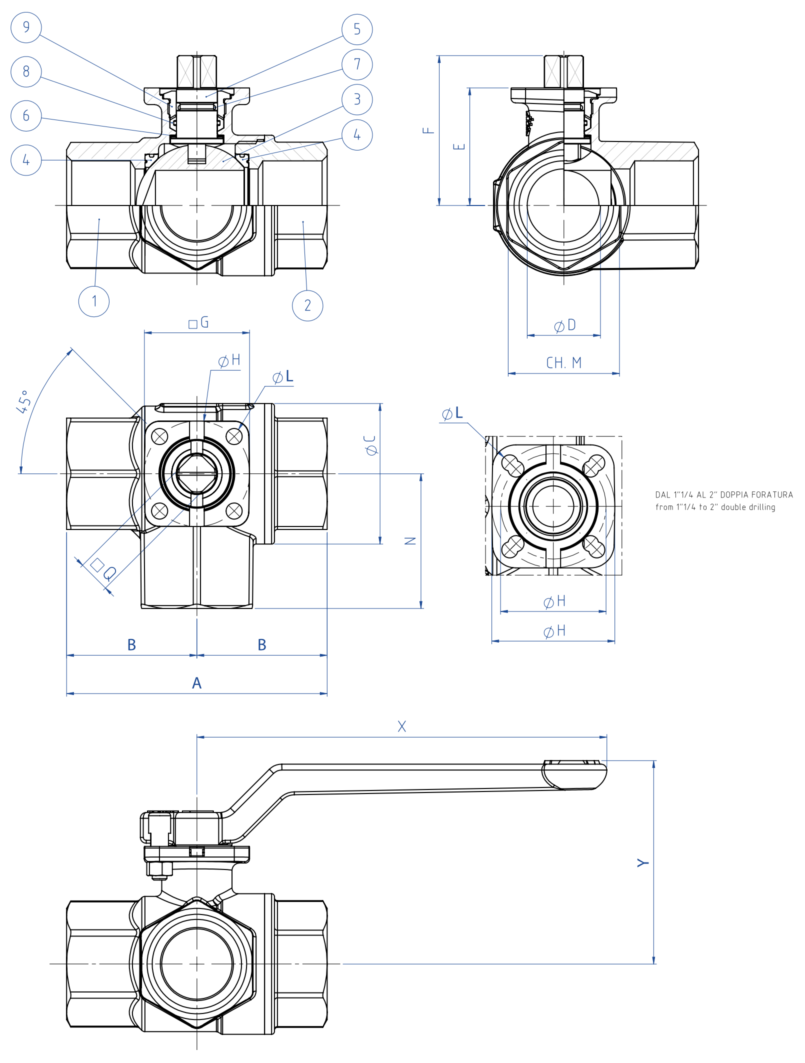
DIMENSIONS  
MESURE 
øD
A
B
øc
N
□Q
E
F
□G
øH
ISO
øL
ch.M
X
Y
DN [mm]
[pouces]
ISO 7/1
NPT
ISO 7/1
NPT
DN 10
3/8"
106962333131,833930,538,43636F035,52514058,5
DN 15
1/2"
156962333131,833930,538,43636F035,525140
58,5
DN 20
3/4"
207768383440381136,347,13636F035,531140
64,5
DN 25
1"
258979,54639,848461140,250,93636F035,538140
68,5
DN 32
1" 1/4
3210392544660541151,562,54236/42F03/F045,547140
80
DN 40
1" 1/2
40114102615170,6611158694236/42F03/F045,554140
86
DN 50
2"
50134116735886,5731165,376,34642/50F04/F055,5/6,566140
93,5

MATÉRIAUX    
1
Corps*
Laiton
EN 12165 CW617N
2
Manchon femelle*
Laiton
EN 12165 CW617N
3
Sphère
Nickel-chrome plating
EN 12164 CW614N
4
Joints latéraux
P.T.F.E.

5
Tige
Laiton
EN 12164 CW614N
6
Anneaux anti-friction
P.T.F.E.

7
Joint torique (O-ring)
FKM
8
Joint de tige
P.T.F.E.

9
Serre-joint*
Laiton
EN 12164 CW614N
* Traitement externe: Placage nickel brillant

DIAGRAMME PRESSION/TEMPÉRATURE

Débit/perte de charge et coefficient nominal Kv

La valeur Kv est la valeur du débit en m3/h (avec de l’eau à 15°C) qui provoque une chute de pression d’1 bar.

COUPLES DE DÉMARRAGE en Nm  
MESURE  
DN 10
3/8"
DN 15
1/2"
DN 20
3/4"
DN 25
1"
DN 32 1"1/4
DN 40 1"1/2
DN 50
2"
PN 16 bar
4
458111623



Les valeurs du couple peuvent varier en fonction de la température et du fluide. Considérer un facteur de sécurité de 1,4.

Avec des cycles fréquents d'ouverture et de fermeture, le couple de manœuvre pourrait être considérablement inférieur au couple initial. Les accouplements actionneur/vanne, montrés aux pages suivantes, sont conçus pour les vannes qui arrêtent des fluides liquides ou gazeux, propres et pour des températures moyennes. Pour plus d'informations ou pour des utilisations différentes, veuillez vous adresser à notre service commercial.

Schéma boisseau en "L"

N.B.:
Avec l'actionneur SR NORMALEMENT FERMÉ, la position de repos du boisseau doit être "A".
Avec l'actionneur SR NORMALEMENT OUVERT, la position de repos du boisseau doit être "B".

Vue de dessus

CONFIGURER ACTIONNEMENT
Sélectionnez les paramètres de recherche
RECHERCHER UN ARTICLE
X FERMER

PROCHAIN ÉVÈNEMENT

IVS - Industrial Valve Summit 2026
IVS - Industrial Valve Summit 2026
Bergamo, Italy, 19 - 21 may 2026