images/testate/Template-Header-Sito-OMALBALLVALVES.jpg

Valvola a sfera in ottone Item 153

Valvola a sfera in ottone Item 153

Valvola a sfera in ottone 3 vie filettata passaggio integrale con sfera a “L”

CONFIGURA Azionamento
RICHIEDI INFORMAZIONI
STAMPA PAGINA
  • caratteristiche
  • dimensioni
  • materiali
  • diagrammi e coppie di spunto
  • specifiche
  • documenti

CARATTERISTICHE GENERALI:
• Costruita per utilizzi in media pressione con fluidi non aggressivi,la valvola funziona solo come deviatore. Non permette alcuna chiusura della mandata che é obbligatoriamente collegata al manicotto centrale, vedere schema.
• Temperatura di utilizzo: da -20°C a + 120°C
• Pressione di utilizzo: 16 bar max, vedere diagramma
• Fluido intercettato: aria, acqua, gas, olii, prodotti petroliferi e petrolchimici.
• Estremità filettate a norma ISO 7/1 e NPT.
• Flangia montaggio attuatore a norma ISO 5211.

ESECUZIONI SPECIALI A RICHIESTA:
• Per altre applicazioni contattare il nostro ufficio commerciale.

CERTIFICAZIONI:
• Conforme alla direttiva Europea 2014/68/UE “PED”
• Versione ATEX in conformità alla direttiva 2014/34/UE a richiesta

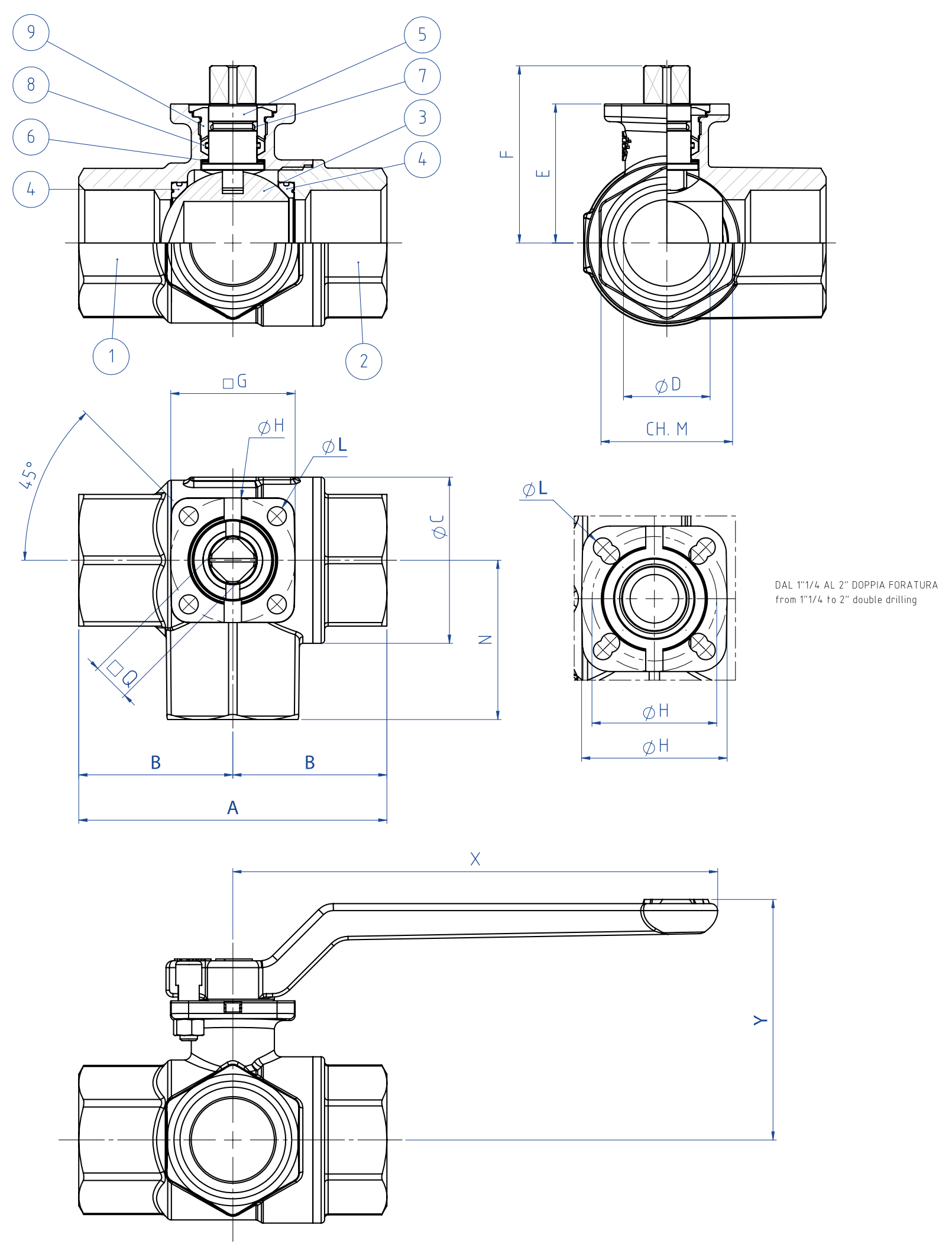
DIMENSIONI  
MISURA 
øD
A
B
øc
N
□Q
E
F
□G
øH
ISO
øL
ch.M
X
Y
DN [mm]
[inch]
ISO 7/1
NPT
ISO 7/1
NPT
DN 10
3/8"
106962333131,833930,538,43636F035,52514058,5
DN 15
1/2"
156962333131,833930,538,43636F035,525140
58,5
DN 20
3/4"
207768383440381136,347,13636F035,531140
64,5
DN 25
1"
258979,54639,848461140,250,93636F035,538140
68,5
DN 32
1" 1/4
3210392544660541151,562,54236/42F03/F045,547140
80
DN 40
1" 1/2
40114102615170,6611158694236/42F03/F045,554140
86
DN 50
2"
50134116735886,5731165,376,34642/50F04/F055,5/6,566140
93,5

MATERIALI    
1
Corpo*
Ottone
EN 12165 CW617N
2
Manicotto femmina*
Ottone
EN 12165 CW617N
3
SferaNichelcromatura
EN 12164 CW614N
4
Guarnizioni di tenuta laterale
P.T.F.E.

5
SteloOttone
EN 12164 CW614N
6
Anelli antifrizioneP.T.F.E.

7
O-ringFKM
8
Guarnizione tenuta steloP.T.F.E.

9
Premiguarnizione*Ottone
EN 12164 CW614N
* Trattamento esterno: Nichelatura brillante

Diagramma pressione/temperatura

Portata/perdita di carico e coefficiente nominale Kv

Il valore Kv è il valore di portata in m3/h (con acqua a 15°C) che provoca la caduta di pressione di 1 bar.

COPPIE DI SPUNTO in Nm  
MISURA  
DN 10
3/8"
DN 15
1/2"
DN 20
3/4"
DN 25
1"
DN 32 1"1/4
DN 40 1"1/2
DN 50
2"
PN 16 bar
4
458111623


I valori della coppia possono variare in funzione della temperatura e del tipo di fluido. Considerare un fattore di sicurezza pari a 1,4.
Con frequenti cicli di apertura e chiusura la coppia di manovra può diminuire sensibilmente rispetto a quella iniziale. Gli accoppiamenti attuatore/valvola, riportati nelle pagine seguenti, sono realizzati per valvole che intercettano fluidi liquidi o gassosi, puliti e per medie temperature. Per maggiori informazioni, o utilizzi diversi, consultare il nostro ufficio commerciale.

Schema sfera a "L"

N.B.:
Con attuatore SR NORMALMENTE CHIUSO la posizione di riposo della sfera deve essere la “A”.
Con attuatore SR NORMALMENTE APERTO la posizione di riposo della sfera deve essere la “B”.

Vista da sopra

CONFIGURA AZIONAMENTO
Seleziona i parametri di ricerca
CERCA ARTICOLO
X CHIUDI

PROSSIMO EVENTO

IVS - Industrial Valve Summit 2026
IVS - Industrial Valve Summit 2026
Bergamo, Italia, 19 - 21 maggio 2026